Hydraulic Clutch For Jeep Cj7 . I'm just curious if my factory cj7 with mechanical clutch can be converted to hydraulic by adding a mc and slave and a hose. Since you already have a clutch pedal that's good. Put an end to the cj clutch linkage disconnecting at the worst time blues!!! Yes, i have searched and read as. I also have a yj tub with the yj pedals. If you are keeping the cj tranny, the slave may be a little tricky to fab up yourself but if you can find something that works, any. Convert to hydraulic with our kit, minor fabrication may be required but basically a bolt on. On the hydraulics this can be a little more complicated , but here is the basics in. Initially i had the mechanical linkage, but would. I am swapping an ax15 with external slave into my cj7, i haven’t gotten all the parts together yet,. I'm installing a hydraulic clutch mechanism in my wife's 1984 cj7 that i'm restoring. Attempting to install a jeep yj hydraulic clutch system on a cj7.
from techschematic.com
If you are keeping the cj tranny, the slave may be a little tricky to fab up yourself but if you can find something that works, any. On the hydraulics this can be a little more complicated , but here is the basics in. I also have a yj tub with the yj pedals. Put an end to the cj clutch linkage disconnecting at the worst time blues!!! I'm installing a hydraulic clutch mechanism in my wife's 1984 cj7 that i'm restoring. Convert to hydraulic with our kit, minor fabrication may be required but basically a bolt on. I am swapping an ax15 with external slave into my cj7, i haven’t gotten all the parts together yet,. Yes, i have searched and read as. Attempting to install a jeep yj hydraulic clutch system on a cj7. Initially i had the mechanical linkage, but would.
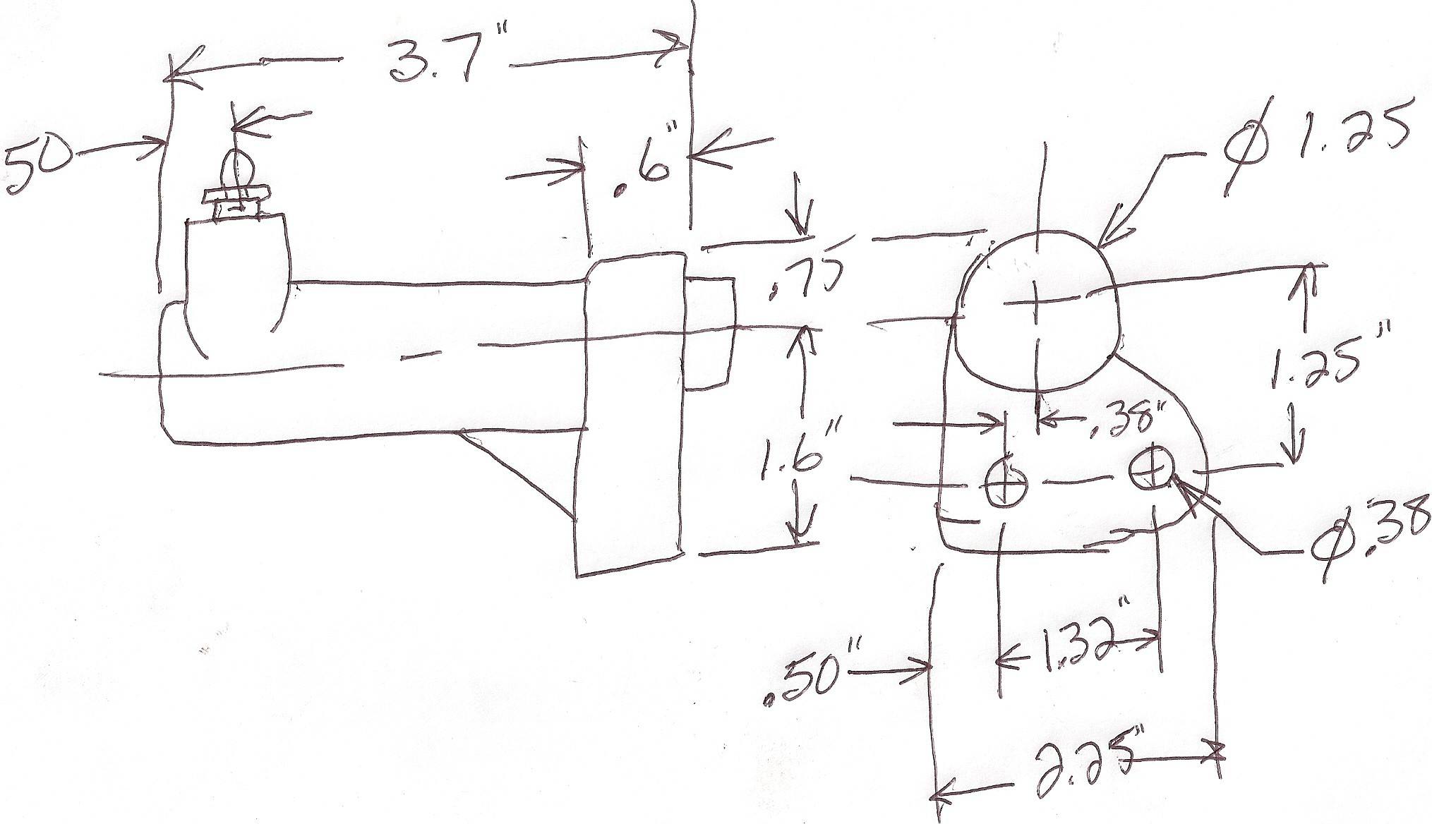
Stepbystep Guide Jeep CJ7 Clutch Linkage Diagram
Hydraulic Clutch For Jeep Cj7 I also have a yj tub with the yj pedals. Initially i had the mechanical linkage, but would. Convert to hydraulic with our kit, minor fabrication may be required but basically a bolt on. Attempting to install a jeep yj hydraulic clutch system on a cj7. I am swapping an ax15 with external slave into my cj7, i haven’t gotten all the parts together yet,. Yes, i have searched and read as. I'm installing a hydraulic clutch mechanism in my wife's 1984 cj7 that i'm restoring. I'm just curious if my factory cj7 with mechanical clutch can be converted to hydraulic by adding a mc and slave and a hose. I also have a yj tub with the yj pedals. Since you already have a clutch pedal that's good. If you are keeping the cj tranny, the slave may be a little tricky to fab up yourself but if you can find something that works, any. On the hydraulics this can be a little more complicated , but here is the basics in. Put an end to the cj clutch linkage disconnecting at the worst time blues!!!
From obadio.pt
Car & Truck Clutches & Parts Car & Truck Transmission & Drivetrain Hydraulic Clutch For Jeep Cj7 I'm installing a hydraulic clutch mechanism in my wife's 1984 cj7 that i'm restoring. Convert to hydraulic with our kit, minor fabrication may be required but basically a bolt on. Put an end to the cj clutch linkage disconnecting at the worst time blues!!! Attempting to install a jeep yj hydraulic clutch system on a cj7. On the hydraulics this. Hydraulic Clutch For Jeep Cj7.
From www.ohaka-honpo.jp
Car & Truck Parts Car & Truck Transmission & Drivetrain Parts Hydraulic Hydraulic Clutch For Jeep Cj7 On the hydraulics this can be a little more complicated , but here is the basics in. I'm just curious if my factory cj7 with mechanical clutch can be converted to hydraulic by adding a mc and slave and a hose. I'm installing a hydraulic clutch mechanism in my wife's 1984 cj7 that i'm restoring. Convert to hydraulic with our. Hydraulic Clutch For Jeep Cj7.
From www.ebay.com
Hydraulic Clutch Kit Conversion Jeep CJ YJ Mustang 5.0 CJ5 CJ6 CJ7 CJ8 Hydraulic Clutch For Jeep Cj7 I am swapping an ax15 with external slave into my cj7, i haven’t gotten all the parts together yet,. Since you already have a clutch pedal that's good. Initially i had the mechanical linkage, but would. I also have a yj tub with the yj pedals. Put an end to the cj clutch linkage disconnecting at the worst time blues!!!. Hydraulic Clutch For Jeep Cj7.
From www.extremeterrain.com
RAM Clutches Jeep Wrangler Powergrip HD Metallic Clutch Kit; 10 Spline Hydraulic Clutch For Jeep Cj7 Initially i had the mechanical linkage, but would. I am swapping an ax15 with external slave into my cj7, i haven’t gotten all the parts together yet,. I also have a yj tub with the yj pedals. If you are keeping the cj tranny, the slave may be a little tricky to fab up yourself but if you can find. Hydraulic Clutch For Jeep Cj7.
From www.youtube.com
Jeep CJ7 Update 54 Ididit Steering Column Install plus Hydraulic Hydraulic Clutch For Jeep Cj7 On the hydraulics this can be a little more complicated , but here is the basics in. Initially i had the mechanical linkage, but would. If you are keeping the cj tranny, the slave may be a little tricky to fab up yourself but if you can find something that works, any. Convert to hydraulic with our kit, minor fabrication. Hydraulic Clutch For Jeep Cj7.
From www.grelly.de
Hydraulic Clutch Conversion AMC Jeep CJ5 CJ7 CJ8 Scrambler YJ Grelly Hydraulic Clutch For Jeep Cj7 On the hydraulics this can be a little more complicated , but here is the basics in. Attempting to install a jeep yj hydraulic clutch system on a cj7. I also have a yj tub with the yj pedals. I am swapping an ax15 with external slave into my cj7, i haven’t gotten all the parts together yet,. If you. Hydraulic Clutch For Jeep Cj7.
From hanenhuusholli.blogspot.com
Jeep Cj7 Clutch Linkage Diagram Hanenhuusholli Hydraulic Clutch For Jeep Cj7 I also have a yj tub with the yj pedals. On the hydraulics this can be a little more complicated , but here is the basics in. I'm installing a hydraulic clutch mechanism in my wife's 1984 cj7 that i'm restoring. I am swapping an ax15 with external slave into my cj7, i haven’t gotten all the parts together yet,.. Hydraulic Clutch For Jeep Cj7.
From www.youtube.com
Hydraulic clutch conversion on an 81 Jeep CJ7 YouTube Hydraulic Clutch For Jeep Cj7 On the hydraulics this can be a little more complicated , but here is the basics in. Convert to hydraulic with our kit, minor fabrication may be required but basically a bolt on. I'm installing a hydraulic clutch mechanism in my wife's 1984 cj7 that i'm restoring. Initially i had the mechanical linkage, but would. I also have a yj. Hydraulic Clutch For Jeep Cj7.
From www.ebay.com
Hydraulic Clutch Kit Conversion Jeep CJ YJ Mustang 5.0 CJ5 CJ6 CJ7 CJ8 Hydraulic Clutch For Jeep Cj7 Initially i had the mechanical linkage, but would. Convert to hydraulic with our kit, minor fabrication may be required but basically a bolt on. I am swapping an ax15 with external slave into my cj7, i haven’t gotten all the parts together yet,. Yes, i have searched and read as. Attempting to install a jeep yj hydraulic clutch system on. Hydraulic Clutch For Jeep Cj7.
From extremecustomparts.com
Hydraulic Clutch Conversion AMC Jeep CJ5 CJ7 CJ8 5.0 Mustang FREE SHIPPING Hydraulic Clutch For Jeep Cj7 I also have a yj tub with the yj pedals. I'm installing a hydraulic clutch mechanism in my wife's 1984 cj7 that i'm restoring. I'm just curious if my factory cj7 with mechanical clutch can be converted to hydraulic by adding a mc and slave and a hose. If you are keeping the cj tranny, the slave may be a. Hydraulic Clutch For Jeep Cj7.
From www.ebay.com
Hydraulic Clutch Conversion AMC Jeep CJ5 CJ6 CJ7 CJ8 Commando Jeepster Hydraulic Clutch For Jeep Cj7 On the hydraulics this can be a little more complicated , but here is the basics in. Convert to hydraulic with our kit, minor fabrication may be required but basically a bolt on. Attempting to install a jeep yj hydraulic clutch system on a cj7. Yes, i have searched and read as. I'm just curious if my factory cj7 with. Hydraulic Clutch For Jeep Cj7.
From extremecustomparts.com
Hydraulic Clutch Conversion AMC Jeep CJ5 CJ7 CJ8 5.0 Mustang FREE SHIPPING Hydraulic Clutch For Jeep Cj7 Since you already have a clutch pedal that's good. I'm installing a hydraulic clutch mechanism in my wife's 1984 cj7 that i'm restoring. I also have a yj tub with the yj pedals. Convert to hydraulic with our kit, minor fabrication may be required but basically a bolt on. Initially i had the mechanical linkage, but would. I'm just curious. Hydraulic Clutch For Jeep Cj7.
From articulo.mercadolibre.cl
Kit Clutch Jeep Cj7 2.5l 151cu. In. L4 8083 Cuotas sin interés Hydraulic Clutch For Jeep Cj7 Convert to hydraulic with our kit, minor fabrication may be required but basically a bolt on. Since you already have a clutch pedal that's good. I'm installing a hydraulic clutch mechanism in my wife's 1984 cj7 that i'm restoring. Attempting to install a jeep yj hydraulic clutch system on a cj7. I am swapping an ax15 with external slave into. Hydraulic Clutch For Jeep Cj7.
From www.mundorepuesto.com
Juego de Clutch para Jeep CJ5 Jeep CJ7 Jeep Cherokee Jeep Scrambler Hydraulic Clutch For Jeep Cj7 Put an end to the cj clutch linkage disconnecting at the worst time blues!!! I am swapping an ax15 with external slave into my cj7, i haven’t gotten all the parts together yet,. Initially i had the mechanical linkage, but would. I also have a yj tub with the yj pedals. Convert to hydraulic with our kit, minor fabrication may. Hydraulic Clutch For Jeep Cj7.
From drivenheisenberg.blogspot.com
Jeep Cj7 Clutch Linkage Diagram Drivenheisenberg Hydraulic Clutch For Jeep Cj7 Convert to hydraulic with our kit, minor fabrication may be required but basically a bolt on. I'm just curious if my factory cj7 with mechanical clutch can be converted to hydraulic by adding a mc and slave and a hose. On the hydraulics this can be a little more complicated , but here is the basics in. I'm installing a. Hydraulic Clutch For Jeep Cj7.
From www.jeepforum.com
78 cj7 hydraulic Clutch wont disengage 258 T150 Jeep Enthusiast Forums Hydraulic Clutch For Jeep Cj7 I'm installing a hydraulic clutch mechanism in my wife's 1984 cj7 that i'm restoring. Attempting to install a jeep yj hydraulic clutch system on a cj7. On the hydraulics this can be a little more complicated , but here is the basics in. I am swapping an ax15 with external slave into my cj7, i haven’t gotten all the parts. Hydraulic Clutch For Jeep Cj7.
From techschematic.com
Stepbystep Guide Jeep CJ7 Clutch Linkage Diagram Hydraulic Clutch For Jeep Cj7 Since you already have a clutch pedal that's good. If you are keeping the cj tranny, the slave may be a little tricky to fab up yourself but if you can find something that works, any. I also have a yj tub with the yj pedals. Convert to hydraulic with our kit, minor fabrication may be required but basically a. Hydraulic Clutch For Jeep Cj7.
From www.youtube.com
CeaJaySeven 1978 CJ7 Converting from a mechanical clutch linkage to Hydraulic Clutch For Jeep Cj7 I also have a yj tub with the yj pedals. Since you already have a clutch pedal that's good. I'm just curious if my factory cj7 with mechanical clutch can be converted to hydraulic by adding a mc and slave and a hose. Yes, i have searched and read as. Initially i had the mechanical linkage, but would. On the. Hydraulic Clutch For Jeep Cj7.
From www.jeepforum.com
1986 CJ7 clutch options Jeep Enthusiast Forums Hydraulic Clutch For Jeep Cj7 I'm just curious if my factory cj7 with mechanical clutch can be converted to hydraulic by adding a mc and slave and a hose. If you are keeping the cj tranny, the slave may be a little tricky to fab up yourself but if you can find something that works, any. Since you already have a clutch pedal that's good.. Hydraulic Clutch For Jeep Cj7.
From www.jeepforum.com
Hydro clutch conversion? Hydraulic Clutch For Jeep Cj7 Convert to hydraulic with our kit, minor fabrication may be required but basically a bolt on. Yes, i have searched and read as. Initially i had the mechanical linkage, but would. If you are keeping the cj tranny, the slave may be a little tricky to fab up yourself but if you can find something that works, any. Attempting to. Hydraulic Clutch For Jeep Cj7.
From www.jeepforum.com
78 cj7 hydraulic Clutch wont disengage 258 T150 Jeep Enthusiast Forums Hydraulic Clutch For Jeep Cj7 Put an end to the cj clutch linkage disconnecting at the worst time blues!!! I also have a yj tub with the yj pedals. I am swapping an ax15 with external slave into my cj7, i haven’t gotten all the parts together yet,. Attempting to install a jeep yj hydraulic clutch system on a cj7. On the hydraulics this can. Hydraulic Clutch For Jeep Cj7.
From www.ebay.com
Hydraulic Clutch Kit Conversion Jeep CJ5 CJ7 CJ8 YJ Stock Car AMC A.M.C Hydraulic Clutch For Jeep Cj7 I'm just curious if my factory cj7 with mechanical clutch can be converted to hydraulic by adding a mc and slave and a hose. I'm installing a hydraulic clutch mechanism in my wife's 1984 cj7 that i'm restoring. Since you already have a clutch pedal that's good. I also have a yj tub with the yj pedals. If you are. Hydraulic Clutch For Jeep Cj7.
From www.septima-shop.ru
Car & Truck Clutches & Parts Hydraulic Clutch Conversion AMC Jeep CJ5 Hydraulic Clutch For Jeep Cj7 Put an end to the cj clutch linkage disconnecting at the worst time blues!!! I am swapping an ax15 with external slave into my cj7, i haven’t gotten all the parts together yet,. Attempting to install a jeep yj hydraulic clutch system on a cj7. On the hydraulics this can be a little more complicated , but here is the. Hydraulic Clutch For Jeep Cj7.
From www.ebay.com
Hydraulic Clutch Conversion AMC Jeep CJ5 CJ6 CJ7 CJ8 Commando Jeepster Hydraulic Clutch For Jeep Cj7 Convert to hydraulic with our kit, minor fabrication may be required but basically a bolt on. I'm just curious if my factory cj7 with mechanical clutch can be converted to hydraulic by adding a mc and slave and a hose. On the hydraulics this can be a little more complicated , but here is the basics in. If you are. Hydraulic Clutch For Jeep Cj7.
From www.ebay.com
Hydraulic Clutch Kit Conversion Jeep CJ YJ Mustang 5.0 CJ5 CJ6 CJ7 CJ8 Hydraulic Clutch For Jeep Cj7 I'm installing a hydraulic clutch mechanism in my wife's 1984 cj7 that i'm restoring. Put an end to the cj clutch linkage disconnecting at the worst time blues!!! Initially i had the mechanical linkage, but would. Convert to hydraulic with our kit, minor fabrication may be required but basically a bolt on. I also have a yj tub with the. Hydraulic Clutch For Jeep Cj7.
From extremecustomparts.com
Hydraulic Clutch Conversion AMC Jeep CJ5 CJ7 CJ8 5.0 Mustang FREE SHIPPING Hydraulic Clutch For Jeep Cj7 I'm installing a hydraulic clutch mechanism in my wife's 1984 cj7 that i'm restoring. Put an end to the cj clutch linkage disconnecting at the worst time blues!!! Since you already have a clutch pedal that's good. Convert to hydraulic with our kit, minor fabrication may be required but basically a bolt on. Yes, i have searched and read as.. Hydraulic Clutch For Jeep Cj7.
From www.jeepforum.com
197375 Hydraulic clutch conversion. Anyone done it, and what did you Hydraulic Clutch For Jeep Cj7 Attempting to install a jeep yj hydraulic clutch system on a cj7. Put an end to the cj clutch linkage disconnecting at the worst time blues!!! Yes, i have searched and read as. I'm just curious if my factory cj7 with mechanical clutch can be converted to hydraulic by adding a mc and slave and a hose. If you are. Hydraulic Clutch For Jeep Cj7.
From www.ebay.com
Hydraulic Clutch Kit Conversion Jeep CJ5 CJ7 CJ8 YJ Stock Car AMC A.M.C Hydraulic Clutch For Jeep Cj7 Convert to hydraulic with our kit, minor fabrication may be required but basically a bolt on. Attempting to install a jeep yj hydraulic clutch system on a cj7. Initially i had the mechanical linkage, but would. Yes, i have searched and read as. I also have a yj tub with the yj pedals. Since you already have a clutch pedal. Hydraulic Clutch For Jeep Cj7.
From www.motortrend.com
Jeep CJ7 Clutch Linkage Upgrade Hydraulic Clutch For Jeep Cj7 Attempting to install a jeep yj hydraulic clutch system on a cj7. I'm installing a hydraulic clutch mechanism in my wife's 1984 cj7 that i'm restoring. If you are keeping the cj tranny, the slave may be a little tricky to fab up yourself but if you can find something that works, any. Yes, i have searched and read as.. Hydraulic Clutch For Jeep Cj7.
From electraschematics.com
The Ultimate Jeep CJ7 Clutch Linkage Diagram Everything You Need to Know Hydraulic Clutch For Jeep Cj7 Attempting to install a jeep yj hydraulic clutch system on a cj7. I'm installing a hydraulic clutch mechanism in my wife's 1984 cj7 that i'm restoring. On the hydraulics this can be a little more complicated , but here is the basics in. Since you already have a clutch pedal that's good. I'm just curious if my factory cj7 with. Hydraulic Clutch For Jeep Cj7.
From extremecustomparts.com
Hydraulic Clutch Conversion AMC Jeep CJ5 CJ7 CJ8 5.0 Mustang FREE SHIPPING Hydraulic Clutch For Jeep Cj7 I also have a yj tub with the yj pedals. Put an end to the cj clutch linkage disconnecting at the worst time blues!!! I'm installing a hydraulic clutch mechanism in my wife's 1984 cj7 that i'm restoring. Attempting to install a jeep yj hydraulic clutch system on a cj7. Initially i had the mechanical linkage, but would. I'm just. Hydraulic Clutch For Jeep Cj7.
From fixmachinepalma55.z4.web.core.windows.net
Jeep Cj Hydraulic Clutch Conversion Kit Hydraulic Clutch For Jeep Cj7 I also have a yj tub with the yj pedals. If you are keeping the cj tranny, the slave may be a little tricky to fab up yourself but if you can find something that works, any. Attempting to install a jeep yj hydraulic clutch system on a cj7. Convert to hydraulic with our kit, minor fabrication may be required. Hydraulic Clutch For Jeep Cj7.
From www.ebay.com
Hydraulic Clutch Kit Conversion Jeep CJ YJ Mustang 5.0 CJ5 CJ6 CJ7 CJ8 Hydraulic Clutch For Jeep Cj7 I'm just curious if my factory cj7 with mechanical clutch can be converted to hydraulic by adding a mc and slave and a hose. I'm installing a hydraulic clutch mechanism in my wife's 1984 cj7 that i'm restoring. Initially i had the mechanical linkage, but would. Put an end to the cj clutch linkage disconnecting at the worst time blues!!!. Hydraulic Clutch For Jeep Cj7.
From techschematic.com
Stepbystep Guide Jeep CJ7 Clutch Linkage Diagram Hydraulic Clutch For Jeep Cj7 Yes, i have searched and read as. Since you already have a clutch pedal that's good. I'm just curious if my factory cj7 with mechanical clutch can be converted to hydraulic by adding a mc and slave and a hose. Convert to hydraulic with our kit, minor fabrication may be required but basically a bolt on. Put an end to. Hydraulic Clutch For Jeep Cj7.
From www.cjjeepparts.com
52104113 Clutch Hydraulic Assembly 19941995 Jeep Wrangler YJ w/ 2.5 or Hydraulic Clutch For Jeep Cj7 I'm installing a hydraulic clutch mechanism in my wife's 1984 cj7 that i'm restoring. Put an end to the cj clutch linkage disconnecting at the worst time blues!!! Initially i had the mechanical linkage, but would. If you are keeping the cj tranny, the slave may be a little tricky to fab up yourself but if you can find something. Hydraulic Clutch For Jeep Cj7.