Remote Transmitter And Receiver Circuit . This module uses the 2.4ghz transceiver from nordic semiconductor, the nrf24l01+. The basic block diagram of an rf transmitter and receiver consists of several key components. Wire the transmitter module to the arduino by following the next schematic diagram. The transmitter looks just like a standard led, except it produces light in the ir spectrum instead of. The nrf24l01 module is the latest in rf modules from sparkfun. A typical infrared communication system requires an ir transmitter and an ir receiver. The transmitter section includes a modulator, an. We need two modules which are transmitter and receiver. Always check the pinout for the transmitter module you’re using. Our control our data 1 and 0 (we use the microcontroller in this project) and transmitter. Here we explain a couple of rf 433mhz remote control chips especially designed for the purpose.
from www.circuitbasics.com
Here we explain a couple of rf 433mhz remote control chips especially designed for the purpose. Our control our data 1 and 0 (we use the microcontroller in this project) and transmitter. Wire the transmitter module to the arduino by following the next schematic diagram. A typical infrared communication system requires an ir transmitter and an ir receiver. We need two modules which are transmitter and receiver. The transmitter looks just like a standard led, except it produces light in the ir spectrum instead of. This module uses the 2.4ghz transceiver from nordic semiconductor, the nrf24l01+. The nrf24l01 module is the latest in rf modules from sparkfun. Always check the pinout for the transmitter module you’re using. The transmitter section includes a modulator, an.
How to Set Up an IR Remote and Receiver on an Arduino Circuit Basics
Remote Transmitter And Receiver Circuit A typical infrared communication system requires an ir transmitter and an ir receiver. Our control our data 1 and 0 (we use the microcontroller in this project) and transmitter. Here we explain a couple of rf 433mhz remote control chips especially designed for the purpose. We need two modules which are transmitter and receiver. The nrf24l01 module is the latest in rf modules from sparkfun. Always check the pinout for the transmitter module you’re using. The transmitter looks just like a standard led, except it produces light in the ir spectrum instead of. Wire the transmitter module to the arduino by following the next schematic diagram. This module uses the 2.4ghz transceiver from nordic semiconductor, the nrf24l01+. The basic block diagram of an rf transmitter and receiver consists of several key components. A typical infrared communication system requires an ir transmitter and an ir receiver. The transmitter section includes a modulator, an.
From www.eleccircuit.com
Infrared Remote control transmitters Circuits Remote Transmitter And Receiver Circuit Our control our data 1 and 0 (we use the microcontroller in this project) and transmitter. The transmitter looks just like a standard led, except it produces light in the ir spectrum instead of. Wire the transmitter module to the arduino by following the next schematic diagram. Here we explain a couple of rf 433mhz remote control chips especially designed. Remote Transmitter And Receiver Circuit.
From mechatrofice.com
RF remote control using Arduino and 433mhz ASK module Remote Transmitter And Receiver Circuit A typical infrared communication system requires an ir transmitter and an ir receiver. The transmitter looks just like a standard led, except it produces light in the ir spectrum instead of. This module uses the 2.4ghz transceiver from nordic semiconductor, the nrf24l01+. The transmitter section includes a modulator, an. We need two modules which are transmitter and receiver. The nrf24l01. Remote Transmitter And Receiver Circuit.
From www.circuits-diy.com
RF Based Remote Control Circuit Remote Transmitter And Receiver Circuit A typical infrared communication system requires an ir transmitter and an ir receiver. Wire the transmitter module to the arduino by following the next schematic diagram. The transmitter looks just like a standard led, except it produces light in the ir spectrum instead of. Our control our data 1 and 0 (we use the microcontroller in this project) and transmitter.. Remote Transmitter And Receiver Circuit.
From www.freecircuits.net
Four channel RF remote control Remote Transmitter And Receiver Circuit Here we explain a couple of rf 433mhz remote control chips especially designed for the purpose. The transmitter looks just like a standard led, except it produces light in the ir spectrum instead of. The basic block diagram of an rf transmitter and receiver consists of several key components. Always check the pinout for the transmitter module you’re using. The. Remote Transmitter And Receiver Circuit.
From circuitdigest.com
RF Transmitter and Receiver Circuit Diagram Remote Transmitter And Receiver Circuit The transmitter section includes a modulator, an. This module uses the 2.4ghz transceiver from nordic semiconductor, the nrf24l01+. The basic block diagram of an rf transmitter and receiver consists of several key components. Here we explain a couple of rf 433mhz remote control chips especially designed for the purpose. Wire the transmitter module to the arduino by following the next. Remote Transmitter And Receiver Circuit.
From www.seekic.com
BTH801F and BTH801J infrared remote control transmitter and receiver module applications circuit Remote Transmitter And Receiver Circuit Here we explain a couple of rf 433mhz remote control chips especially designed for the purpose. The transmitter section includes a modulator, an. A typical infrared communication system requires an ir transmitter and an ir receiver. We need two modules which are transmitter and receiver. This module uses the 2.4ghz transceiver from nordic semiconductor, the nrf24l01+. The transmitter looks just. Remote Transmitter And Receiver Circuit.
From www.wzmicro.com
Four Channels Wireless remote TransmitterReceiver Remote Transmitter And Receiver Circuit Our control our data 1 and 0 (we use the microcontroller in this project) and transmitter. The transmitter section includes a modulator, an. The transmitter looks just like a standard led, except it produces light in the ir spectrum instead of. A typical infrared communication system requires an ir transmitter and an ir receiver. Always check the pinout for the. Remote Transmitter And Receiver Circuit.
From www.circuitbasics.com
How to Set Up an IR Remote and Receiver on an Arduino Circuit Basics Remote Transmitter And Receiver Circuit The transmitter section includes a modulator, an. We need two modules which are transmitter and receiver. The basic block diagram of an rf transmitter and receiver consists of several key components. The transmitter looks just like a standard led, except it produces light in the ir spectrum instead of. Our control our data 1 and 0 (we use the microcontroller. Remote Transmitter And Receiver Circuit.
From www.seekic.com
Single and multichannel remote control transmitter and receiver circuit composed of TDC1808 Remote Transmitter And Receiver Circuit Always check the pinout for the transmitter module you’re using. Our control our data 1 and 0 (we use the microcontroller in this project) and transmitter. This module uses the 2.4ghz transceiver from nordic semiconductor, the nrf24l01+. A typical infrared communication system requires an ir transmitter and an ir receiver. The nrf24l01 module is the latest in rf modules from. Remote Transmitter And Receiver Circuit.
From ethcircuits.com
How To Make a Remote Control Transmitter and Receiver Remote Transmitter And Receiver Circuit Wire the transmitter module to the arduino by following the next schematic diagram. We need two modules which are transmitter and receiver. Always check the pinout for the transmitter module you’re using. This module uses the 2.4ghz transceiver from nordic semiconductor, the nrf24l01+. The transmitter section includes a modulator, an. The transmitter looks just like a standard led, except it. Remote Transmitter And Receiver Circuit.
From fixdatauta.z19.web.core.windows.net
Ir Remote Control Transmitter Circuit Diagram Remote Transmitter And Receiver Circuit Our control our data 1 and 0 (we use the microcontroller in this project) and transmitter. The basic block diagram of an rf transmitter and receiver consists of several key components. We need two modules which are transmitter and receiver. Always check the pinout for the transmitter module you’re using. This module uses the 2.4ghz transceiver from nordic semiconductor, the. Remote Transmitter And Receiver Circuit.
From www.artofit.org
Ir transmitter and receiver circuits Artofit Remote Transmitter And Receiver Circuit Wire the transmitter module to the arduino by following the next schematic diagram. The basic block diagram of an rf transmitter and receiver consists of several key components. We need two modules which are transmitter and receiver. This module uses the 2.4ghz transceiver from nordic semiconductor, the nrf24l01+. Our control our data 1 and 0 (we use the microcontroller in. Remote Transmitter And Receiver Circuit.
From kingstudio1993.blogspot.com
How to make RF (433mhz)Transmitter and Receiver circuit with NPN Transistor Remote Transmitter And Receiver Circuit A typical infrared communication system requires an ir transmitter and an ir receiver. The transmitter section includes a modulator, an. Our control our data 1 and 0 (we use the microcontroller in this project) and transmitter. The transmitter looks just like a standard led, except it produces light in the ir spectrum instead of. Here we explain a couple of. Remote Transmitter And Receiver Circuit.
From www.circuitdiagram.co
Simple Rf Transmitter And Receiver Circuit Circuit Diagram Remote Transmitter And Receiver Circuit The transmitter looks just like a standard led, except it produces light in the ir spectrum instead of. Our control our data 1 and 0 (we use the microcontroller in this project) and transmitter. The transmitter section includes a modulator, an. The nrf24l01 module is the latest in rf modules from sparkfun. This module uses the 2.4ghz transceiver from nordic. Remote Transmitter And Receiver Circuit.
From www.homemade-circuits.com
Arduino IR Remote Control Circuit Homemade Circuit Projects Remote Transmitter And Receiver Circuit This module uses the 2.4ghz transceiver from nordic semiconductor, the nrf24l01+. Always check the pinout for the transmitter module you’re using. The basic block diagram of an rf transmitter and receiver consists of several key components. We need two modules which are transmitter and receiver. Here we explain a couple of rf 433mhz remote control chips especially designed for the. Remote Transmitter And Receiver Circuit.
From www.circuits-diy.com
IR Transmitter and Receiver Remote Transmitter And Receiver Circuit Always check the pinout for the transmitter module you’re using. This module uses the 2.4ghz transceiver from nordic semiconductor, the nrf24l01+. The nrf24l01 module is the latest in rf modules from sparkfun. The transmitter looks just like a standard led, except it produces light in the ir spectrum instead of. Wire the transmitter module to the arduino by following the. Remote Transmitter And Receiver Circuit.
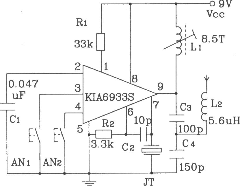
From www.seekic.com
Fouraction RF remote transmitter and receiver circuit composed of KIA6933S/6957P Remote Transmitter And Receiver Circuit We need two modules which are transmitter and receiver. The basic block diagram of an rf transmitter and receiver consists of several key components. Wire the transmitter module to the arduino by following the next schematic diagram. Our control our data 1 and 0 (we use the microcontroller in this project) and transmitter. Always check the pinout for the transmitter. Remote Transmitter And Receiver Circuit.
From guidewiringlange.z19.web.core.windows.net
Receiver Circuit Diagram Remote Control Remote Transmitter And Receiver Circuit The transmitter looks just like a standard led, except it produces light in the ir spectrum instead of. This module uses the 2.4ghz transceiver from nordic semiconductor, the nrf24l01+. Wire the transmitter module to the arduino by following the next schematic diagram. The transmitter section includes a modulator, an. Always check the pinout for the transmitter module you’re using. Our. Remote Transmitter And Receiver Circuit.
From techatronic.com
RF transmitter and receiver with Arduino RF 433 Module Techatronic Remote Transmitter And Receiver Circuit This module uses the 2.4ghz transceiver from nordic semiconductor, the nrf24l01+. Always check the pinout for the transmitter module you’re using. Our control our data 1 and 0 (we use the microcontroller in this project) and transmitter. Wire the transmitter module to the arduino by following the next schematic diagram. We need two modules which are transmitter and receiver. The. Remote Transmitter And Receiver Circuit.
From www.circuits-diy.com
RF Remote Control Circuit Remote Transmitter And Receiver Circuit This module uses the 2.4ghz transceiver from nordic semiconductor, the nrf24l01+. Always check the pinout for the transmitter module you’re using. The nrf24l01 module is the latest in rf modules from sparkfun. Here we explain a couple of rf 433mhz remote control chips especially designed for the purpose. Our control our data 1 and 0 (we use the microcontroller in. Remote Transmitter And Receiver Circuit.
From ccspicc.blogspot.com.tr
IR Remote control transmitter and receiver using PIC12F1822 microcontroller Remote Transmitter And Receiver Circuit A typical infrared communication system requires an ir transmitter and an ir receiver. Our control our data 1 and 0 (we use the microcontroller in this project) and transmitter. Wire the transmitter module to the arduino by following the next schematic diagram. This module uses the 2.4ghz transceiver from nordic semiconductor, the nrf24l01+. The transmitter looks just like a standard. Remote Transmitter And Receiver Circuit.
From www.circuits-diy.com
RF Remote Control Circuit Remote Transmitter And Receiver Circuit The transmitter section includes a modulator, an. The nrf24l01 module is the latest in rf modules from sparkfun. The basic block diagram of an rf transmitter and receiver consists of several key components. Always check the pinout for the transmitter module you’re using. Wire the transmitter module to the arduino by following the next schematic diagram. This module uses the. Remote Transmitter And Receiver Circuit.
From howtomechatronics.com
DIY Arduino RC Receiver for RC Models and Arduino Projects Remote Transmitter And Receiver Circuit A typical infrared communication system requires an ir transmitter and an ir receiver. Wire the transmitter module to the arduino by following the next schematic diagram. This module uses the 2.4ghz transceiver from nordic semiconductor, the nrf24l01+. The transmitter looks just like a standard led, except it produces light in the ir spectrum instead of. Our control our data 1. Remote Transmitter And Receiver Circuit.
From www.engineersgarage.com
Basic Model of RF Transmitter and Receiver (Part 1/23) Remote Transmitter And Receiver Circuit We need two modules which are transmitter and receiver. Our control our data 1 and 0 (we use the microcontroller in this project) and transmitter. The transmitter section includes a modulator, an. Here we explain a couple of rf 433mhz remote control chips especially designed for the purpose. A typical infrared communication system requires an ir transmitter and an ir. Remote Transmitter And Receiver Circuit.
From joimzezak.blob.core.windows.net
Circuit Of Rf Transmitter And Receiver at Louis Bias blog Remote Transmitter And Receiver Circuit Our control our data 1 and 0 (we use the microcontroller in this project) and transmitter. Always check the pinout for the transmitter module you’re using. We need two modules which are transmitter and receiver. Wire the transmitter module to the arduino by following the next schematic diagram. A typical infrared communication system requires an ir transmitter and an ir. Remote Transmitter And Receiver Circuit.
From www.circuitbasics.com
How to Set Up an IR Remote and Receiver on an Arduino Circuit Basics Remote Transmitter And Receiver Circuit Here we explain a couple of rf 433mhz remote control chips especially designed for the purpose. The transmitter looks just like a standard led, except it produces light in the ir spectrum instead of. The transmitter section includes a modulator, an. Our control our data 1 and 0 (we use the microcontroller in this project) and transmitter. The basic block. Remote Transmitter And Receiver Circuit.
From www.circuitbasics.com
How to Set Up an IR Remote and Receiver on an Arduino Circuit Basics Remote Transmitter And Receiver Circuit This module uses the 2.4ghz transceiver from nordic semiconductor, the nrf24l01+. Always check the pinout for the transmitter module you’re using. The nrf24l01 module is the latest in rf modules from sparkfun. Here we explain a couple of rf 433mhz remote control chips especially designed for the purpose. A typical infrared communication system requires an ir transmitter and an ir. Remote Transmitter And Receiver Circuit.
From www.seekic.com
PT2262 IR and PT2272 Infrared remote control transmitter and receiver integrated circuit diagram Remote Transmitter And Receiver Circuit Always check the pinout for the transmitter module you’re using. A typical infrared communication system requires an ir transmitter and an ir receiver. The transmitter section includes a modulator, an. Our control our data 1 and 0 (we use the microcontroller in this project) and transmitter. This module uses the 2.4ghz transceiver from nordic semiconductor, the nrf24l01+. Here we explain. Remote Transmitter And Receiver Circuit.
From www.electronicsforu.com
RFBased 12Bit Signal Transmitter And Receiver Remote Transmitter And Receiver Circuit A typical infrared communication system requires an ir transmitter and an ir receiver. The transmitter looks just like a standard led, except it produces light in the ir spectrum instead of. The nrf24l01 module is the latest in rf modules from sparkfun. Here we explain a couple of rf 433mhz remote control chips especially designed for the purpose. The transmitter. Remote Transmitter And Receiver Circuit.
From www.caretxdigital.com
4 channel rc transmitter and receiver circuit diagram Wiring Diagram and Schematics Remote Transmitter And Receiver Circuit This module uses the 2.4ghz transceiver from nordic semiconductor, the nrf24l01+. The nrf24l01 module is the latest in rf modules from sparkfun. Here we explain a couple of rf 433mhz remote control chips especially designed for the purpose. The transmitter section includes a modulator, an. Our control our data 1 and 0 (we use the microcontroller in this project) and. Remote Transmitter And Receiver Circuit.
From technoreview85.com
Simple RF Remote Control Circuit without Microcontroller ( No need code) Remote Transmitter And Receiver Circuit This module uses the 2.4ghz transceiver from nordic semiconductor, the nrf24l01+. Always check the pinout for the transmitter module you’re using. Wire the transmitter module to the arduino by following the next schematic diagram. Our control our data 1 and 0 (we use the microcontroller in this project) and transmitter. The basic block diagram of an rf transmitter and receiver. Remote Transmitter And Receiver Circuit.
From guidefixu8teicvm.z21.web.core.windows.net
Simplest Transmitter And Receiver Circuit Diagrams Remote Transmitter And Receiver Circuit Wire the transmitter module to the arduino by following the next schematic diagram. The transmitter section includes a modulator, an. A typical infrared communication system requires an ir transmitter and an ir receiver. Our control our data 1 and 0 (we use the microcontroller in this project) and transmitter. Here we explain a couple of rf 433mhz remote control chips. Remote Transmitter And Receiver Circuit.
From circuitdigest.com
RF Transmitter and Receiver Circuit Diagram Remote Transmitter And Receiver Circuit Here we explain a couple of rf 433mhz remote control chips especially designed for the purpose. We need two modules which are transmitter and receiver. The basic block diagram of an rf transmitter and receiver consists of several key components. The nrf24l01 module is the latest in rf modules from sparkfun. The transmitter section includes a modulator, an. This module. Remote Transmitter And Receiver Circuit.
From www.wiringcore.com
Homemade Rf Transmitter And Receiver Circuit » Wiring Core Remote Transmitter And Receiver Circuit Here we explain a couple of rf 433mhz remote control chips especially designed for the purpose. Always check the pinout for the transmitter module you’re using. We need two modules which are transmitter and receiver. The transmitter section includes a modulator, an. The nrf24l01 module is the latest in rf modules from sparkfun. Our control our data 1 and 0. Remote Transmitter And Receiver Circuit.
From www.homemade-circuits.com
433 MHz RF 8 Appliances Remote Control Circuit Homemade Circuit Projects Remote Transmitter And Receiver Circuit Here we explain a couple of rf 433mhz remote control chips especially designed for the purpose. The transmitter section includes a modulator, an. Always check the pinout for the transmitter module you’re using. We need two modules which are transmitter and receiver. The basic block diagram of an rf transmitter and receiver consists of several key components. Wire the transmitter. Remote Transmitter And Receiver Circuit.