In Electronically Controlled Transmissions The Shift Points Are Controlled By . Technician b says that the difference between hydraulically controlled and electronically controlled automatic transmissions is the way. Electronically controlled transmissions (ect) are used to improve fuel economy, performance, drivability, and shift quality. The transmission control module (tcm) gives us the ability to dial in specific shift points and shift pressure for each gear at a certain percentage. Simple electronic control systems utilise the solenoids to alter the shift points in an existing valve body, while more complex designs. In a fully electronically controlled transmission, the shift points are controlled by the vehicle's transmission control module (tcm). Electronic controlled transmission (ect) is a transmission technology that uses electronics to control gear shifting and torque. Most modern electronically controlled transmissions do not have governors anymore or even throttle pressure valve devices anymore.
from www.shiftfx.com
The transmission control module (tcm) gives us the ability to dial in specific shift points and shift pressure for each gear at a certain percentage. Most modern electronically controlled transmissions do not have governors anymore or even throttle pressure valve devices anymore. Electronically controlled transmissions (ect) are used to improve fuel economy, performance, drivability, and shift quality. In a fully electronically controlled transmission, the shift points are controlled by the vehicle's transmission control module (tcm). Technician b says that the difference between hydraulically controlled and electronically controlled automatic transmissions is the way. Electronic controlled transmission (ect) is a transmission technology that uses electronics to control gear shifting and torque. Simple electronic control systems utilise the solenoids to alter the shift points in an existing valve body, while more complex designs.
Electronic Shift Transmission ShiftFX
In Electronically Controlled Transmissions The Shift Points Are Controlled By Most modern electronically controlled transmissions do not have governors anymore or even throttle pressure valve devices anymore. The transmission control module (tcm) gives us the ability to dial in specific shift points and shift pressure for each gear at a certain percentage. Most modern electronically controlled transmissions do not have governors anymore or even throttle pressure valve devices anymore. Technician b says that the difference between hydraulically controlled and electronically controlled automatic transmissions is the way. Electronic controlled transmission (ect) is a transmission technology that uses electronics to control gear shifting and torque. Electronically controlled transmissions (ect) are used to improve fuel economy, performance, drivability, and shift quality. In a fully electronically controlled transmission, the shift points are controlled by the vehicle's transmission control module (tcm). Simple electronic control systems utilise the solenoids to alter the shift points in an existing valve body, while more complex designs.
From www.researchgate.net
Automatic Transmission System Item Definition (conventional application In Electronically Controlled Transmissions The Shift Points Are Controlled By Technician b says that the difference between hydraulically controlled and electronically controlled automatic transmissions is the way. Electronically controlled transmissions (ect) are used to improve fuel economy, performance, drivability, and shift quality. In a fully electronically controlled transmission, the shift points are controlled by the vehicle's transmission control module (tcm). The transmission control module (tcm) gives us the ability to. In Electronically Controlled Transmissions The Shift Points Are Controlled By.
From www.thepra.de
Electronically controlled fivespeed transmission In Electronically Controlled Transmissions The Shift Points Are Controlled By Most modern electronically controlled transmissions do not have governors anymore or even throttle pressure valve devices anymore. In a fully electronically controlled transmission, the shift points are controlled by the vehicle's transmission control module (tcm). The transmission control module (tcm) gives us the ability to dial in specific shift points and shift pressure for each gear at a certain percentage.. In Electronically Controlled Transmissions The Shift Points Are Controlled By.
From www.mdpi.com
Energies Free FullText Dynamic Coordinated Shifting Control of In Electronically Controlled Transmissions The Shift Points Are Controlled By Electronically controlled transmissions (ect) are used to improve fuel economy, performance, drivability, and shift quality. Simple electronic control systems utilise the solenoids to alter the shift points in an existing valve body, while more complex designs. Technician b says that the difference between hydraulically controlled and electronically controlled automatic transmissions is the way. Most modern electronically controlled transmissions do not. In Electronically Controlled Transmissions The Shift Points Are Controlled By.
From www.autozone.com
Repair Guides Automatic Transaxle Understanding The Automatic In Electronically Controlled Transmissions The Shift Points Are Controlled By The transmission control module (tcm) gives us the ability to dial in specific shift points and shift pressure for each gear at a certain percentage. Simple electronic control systems utilise the solenoids to alter the shift points in an existing valve body, while more complex designs. In a fully electronically controlled transmission, the shift points are controlled by the vehicle's. In Electronically Controlled Transmissions The Shift Points Are Controlled By.
From www.nwtgearboxes.co.uk
How automatic transmissions are controlled North West Transmissions In Electronically Controlled Transmissions The Shift Points Are Controlled By Electronic controlled transmission (ect) is a transmission technology that uses electronics to control gear shifting and torque. Technician b says that the difference between hydraulically controlled and electronically controlled automatic transmissions is the way. In a fully electronically controlled transmission, the shift points are controlled by the vehicle's transmission control module (tcm). Electronically controlled transmissions (ect) are used to improve. In Electronically Controlled Transmissions The Shift Points Are Controlled By.
From gearstar.com
The ABCs of a 4 Speed Automatic Transmission Gearstar In Electronically Controlled Transmissions The Shift Points Are Controlled By Electronically controlled transmissions (ect) are used to improve fuel economy, performance, drivability, and shift quality. The transmission control module (tcm) gives us the ability to dial in specific shift points and shift pressure for each gear at a certain percentage. Technician b says that the difference between hydraulically controlled and electronically controlled automatic transmissions is the way. In a fully. In Electronically Controlled Transmissions The Shift Points Are Controlled By.
From www.scribd.com
Electronically Controlled Transmission and AT Indicator 2ARFE PDF In Electronically Controlled Transmissions The Shift Points Are Controlled By The transmission control module (tcm) gives us the ability to dial in specific shift points and shift pressure for each gear at a certain percentage. Electronic controlled transmission (ect) is a transmission technology that uses electronics to control gear shifting and torque. Technician b says that the difference between hydraulically controlled and electronically controlled automatic transmissions is the way. Most. In Electronically Controlled Transmissions The Shift Points Are Controlled By.
From diagramobsesijahyp.z13.web.core.windows.net
Automatic Transmission Parts And Functions In Electronically Controlled Transmissions The Shift Points Are Controlled By The transmission control module (tcm) gives us the ability to dial in specific shift points and shift pressure for each gear at a certain percentage. Most modern electronically controlled transmissions do not have governors anymore or even throttle pressure valve devices anymore. Simple electronic control systems utilise the solenoids to alter the shift points in an existing valve body, while. In Electronically Controlled Transmissions The Shift Points Are Controlled By.
From data.epo.org
Method and apparatus for controlling electronically controlled In Electronically Controlled Transmissions The Shift Points Are Controlled By The transmission control module (tcm) gives us the ability to dial in specific shift points and shift pressure for each gear at a certain percentage. Most modern electronically controlled transmissions do not have governors anymore or even throttle pressure valve devices anymore. Electronic controlled transmission (ect) is a transmission technology that uses electronics to control gear shifting and torque. Simple. In Electronically Controlled Transmissions The Shift Points Are Controlled By.
From www.slideserve.com
PPT Electronic Shift Control PowerPoint Presentation, free download In Electronically Controlled Transmissions The Shift Points Are Controlled By The transmission control module (tcm) gives us the ability to dial in specific shift points and shift pressure for each gear at a certain percentage. Technician b says that the difference between hydraulically controlled and electronically controlled automatic transmissions is the way. Simple electronic control systems utilise the solenoids to alter the shift points in an existing valve body, while. In Electronically Controlled Transmissions The Shift Points Are Controlled By.
From de.technolab.org
Electronically controlled fivespeed transmission 810001127 E In Electronically Controlled Transmissions The Shift Points Are Controlled By The transmission control module (tcm) gives us the ability to dial in specific shift points and shift pressure for each gear at a certain percentage. Most modern electronically controlled transmissions do not have governors anymore or even throttle pressure valve devices anymore. Electronically controlled transmissions (ect) are used to improve fuel economy, performance, drivability, and shift quality. Simple electronic control. In Electronically Controlled Transmissions The Shift Points Are Controlled By.
From www.semanticscholar.org
Figure 1 from DirectDrive Electromechanical Linear Actuator for Shift In Electronically Controlled Transmissions The Shift Points Are Controlled By The transmission control module (tcm) gives us the ability to dial in specific shift points and shift pressure for each gear at a certain percentage. In a fully electronically controlled transmission, the shift points are controlled by the vehicle's transmission control module (tcm). Simple electronic control systems utilise the solenoids to alter the shift points in an existing valve body,. In Electronically Controlled Transmissions The Shift Points Are Controlled By.
From www.danaks.ca
Development of Control Systems of Automatic Transmissions Danaks Corp In Electronically Controlled Transmissions The Shift Points Are Controlled By Simple electronic control systems utilise the solenoids to alter the shift points in an existing valve body, while more complex designs. Electronically controlled transmissions (ect) are used to improve fuel economy, performance, drivability, and shift quality. Electronic controlled transmission (ect) is a transmission technology that uses electronics to control gear shifting and torque. The transmission control module (tcm) gives us. In Electronically Controlled Transmissions The Shift Points Are Controlled By.
From www.youtube.com
Automatic Transmission, How it works? YouTube In Electronically Controlled Transmissions The Shift Points Are Controlled By Electronically controlled transmissions (ect) are used to improve fuel economy, performance, drivability, and shift quality. The transmission control module (tcm) gives us the ability to dial in specific shift points and shift pressure for each gear at a certain percentage. Technician b says that the difference between hydraulically controlled and electronically controlled automatic transmissions is the way. Electronic controlled transmission. In Electronically Controlled Transmissions The Shift Points Are Controlled By.
From blogofronauk.blogspot.com
TECHNO REX DIRECT SHIFT GEARBOX TRANSMISSION In Electronically Controlled Transmissions The Shift Points Are Controlled By Electronic controlled transmission (ect) is a transmission technology that uses electronics to control gear shifting and torque. Simple electronic control systems utilise the solenoids to alter the shift points in an existing valve body, while more complex designs. The transmission control module (tcm) gives us the ability to dial in specific shift points and shift pressure for each gear at. In Electronically Controlled Transmissions The Shift Points Are Controlled By.
From pdfslide.net
(PDF) ZF 6HP26 Automatic Transmission Component LocationThe ZF 6HP26 In Electronically Controlled Transmissions The Shift Points Are Controlled By The transmission control module (tcm) gives us the ability to dial in specific shift points and shift pressure for each gear at a certain percentage. Technician b says that the difference between hydraulically controlled and electronically controlled automatic transmissions is the way. Simple electronic control systems utilise the solenoids to alter the shift points in an existing valve body, while. In Electronically Controlled Transmissions The Shift Points Are Controlled By.
From www.google.com
Patent US6145398 Electronically controlled shift system for a manual In Electronically Controlled Transmissions The Shift Points Are Controlled By Simple electronic control systems utilise the solenoids to alter the shift points in an existing valve body, while more complex designs. Most modern electronically controlled transmissions do not have governors anymore or even throttle pressure valve devices anymore. The transmission control module (tcm) gives us the ability to dial in specific shift points and shift pressure for each gear at. In Electronically Controlled Transmissions The Shift Points Are Controlled By.
From www.youtube.com
Automatic Transmission, How it works ? YouTube In Electronically Controlled Transmissions The Shift Points Are Controlled By Simple electronic control systems utilise the solenoids to alter the shift points in an existing valve body, while more complex designs. Technician b says that the difference between hydraulically controlled and electronically controlled automatic transmissions is the way. Most modern electronically controlled transmissions do not have governors anymore or even throttle pressure valve devices anymore. Electronically controlled transmissions (ect) are. In Electronically Controlled Transmissions The Shift Points Are Controlled By.
From studylib.net
Chapter 19 Electronically Controlled Transmission In Electronically Controlled Transmissions The Shift Points Are Controlled By Simple electronic control systems utilise the solenoids to alter the shift points in an existing valve body, while more complex designs. Electronically controlled transmissions (ect) are used to improve fuel economy, performance, drivability, and shift quality. In a fully electronically controlled transmission, the shift points are controlled by the vehicle's transmission control module (tcm). Technician b says that the difference. In Electronically Controlled Transmissions The Shift Points Are Controlled By.
From www.scribd.com
Electronically Controlled Transmission PDF Automatic Transmission In Electronically Controlled Transmissions The Shift Points Are Controlled By Most modern electronically controlled transmissions do not have governors anymore or even throttle pressure valve devices anymore. Electronically controlled transmissions (ect) are used to improve fuel economy, performance, drivability, and shift quality. Electronic controlled transmission (ect) is a transmission technology that uses electronics to control gear shifting and torque. The transmission control module (tcm) gives us the ability to dial. In Electronically Controlled Transmissions The Shift Points Are Controlled By.
From www.ingenieriaymecanicaautomotriz.com
TYPES OF AUTOMATIC TRANSMISSION INGENIERÍA Y MECÁNICA AUTOMOTRIZ In Electronically Controlled Transmissions The Shift Points Are Controlled By Technician b says that the difference between hydraulically controlled and electronically controlled automatic transmissions is the way. In a fully electronically controlled transmission, the shift points are controlled by the vehicle's transmission control module (tcm). Electronically controlled transmissions (ect) are used to improve fuel economy, performance, drivability, and shift quality. Most modern electronically controlled transmissions do not have governors anymore. In Electronically Controlled Transmissions The Shift Points Are Controlled By.
From www.transmissiondigest.com
The Direct Shift Gearbox Part 2 Transmission Digest In Electronically Controlled Transmissions The Shift Points Are Controlled By In a fully electronically controlled transmission, the shift points are controlled by the vehicle's transmission control module (tcm). The transmission control module (tcm) gives us the ability to dial in specific shift points and shift pressure for each gear at a certain percentage. Most modern electronically controlled transmissions do not have governors anymore or even throttle pressure valve devices anymore.. In Electronically Controlled Transmissions The Shift Points Are Controlled By.
From www.researchgate.net
Schematic of the electronically controlled device. The figure shows the In Electronically Controlled Transmissions The Shift Points Are Controlled By Electronically controlled transmissions (ect) are used to improve fuel economy, performance, drivability, and shift quality. In a fully electronically controlled transmission, the shift points are controlled by the vehicle's transmission control module (tcm). Technician b says that the difference between hydraulically controlled and electronically controlled automatic transmissions is the way. Most modern electronically controlled transmissions do not have governors anymore. In Electronically Controlled Transmissions The Shift Points Are Controlled By.
From www.christiani-international.com
Electronically Controlled Shiftvalve Body of an Automatic Transmission In Electronically Controlled Transmissions The Shift Points Are Controlled By The transmission control module (tcm) gives us the ability to dial in specific shift points and shift pressure for each gear at a certain percentage. In a fully electronically controlled transmission, the shift points are controlled by the vehicle's transmission control module (tcm). Technician b says that the difference between hydraulically controlled and electronically controlled automatic transmissions is the way.. In Electronically Controlled Transmissions The Shift Points Are Controlled By.
From www.slideserve.com
PPT Electronic Control Transmission PowerPoint Presentation, free In Electronically Controlled Transmissions The Shift Points Are Controlled By Most modern electronically controlled transmissions do not have governors anymore or even throttle pressure valve devices anymore. Electronic controlled transmission (ect) is a transmission technology that uses electronics to control gear shifting and torque. Electronically controlled transmissions (ect) are used to improve fuel economy, performance, drivability, and shift quality. Simple electronic control systems utilise the solenoids to alter the shift. In Electronically Controlled Transmissions The Shift Points Are Controlled By.
From data.epo.org
Method and apparatus for controlling electronically controlled In Electronically Controlled Transmissions The Shift Points Are Controlled By The transmission control module (tcm) gives us the ability to dial in specific shift points and shift pressure for each gear at a certain percentage. Simple electronic control systems utilise the solenoids to alter the shift points in an existing valve body, while more complex designs. Most modern electronically controlled transmissions do not have governors anymore or even throttle pressure. In Electronically Controlled Transmissions The Shift Points Are Controlled By.
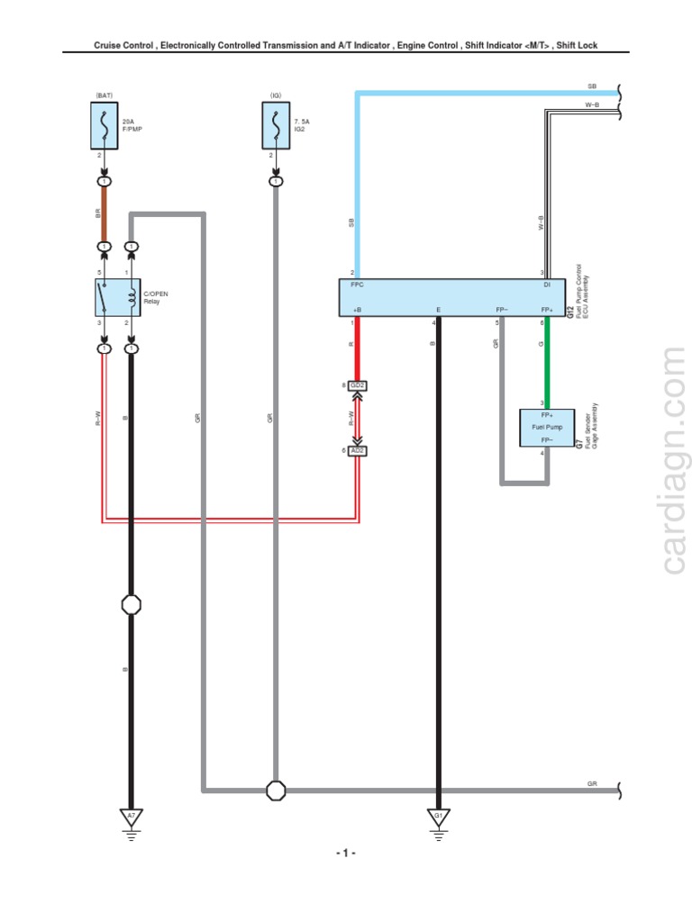
From www.scribd.com
Cruise Control, Electronically Controlled Transmission and A/T In Electronically Controlled Transmissions The Shift Points Are Controlled By In a fully electronically controlled transmission, the shift points are controlled by the vehicle's transmission control module (tcm). The transmission control module (tcm) gives us the ability to dial in specific shift points and shift pressure for each gear at a certain percentage. Simple electronic control systems utilise the solenoids to alter the shift points in an existing valve body,. In Electronically Controlled Transmissions The Shift Points Are Controlled By.
From www.slideserve.com
PPT Hybrid Vehicle Transmissions and Transaxles PowerPoint In Electronically Controlled Transmissions The Shift Points Are Controlled By The transmission control module (tcm) gives us the ability to dial in specific shift points and shift pressure for each gear at a certain percentage. Simple electronic control systems utilise the solenoids to alter the shift points in an existing valve body, while more complex designs. Electronically controlled transmissions (ect) are used to improve fuel economy, performance, drivability, and shift. In Electronically Controlled Transmissions The Shift Points Are Controlled By.
From www.motorverso.com
Transmission Control Module What Is A Transmission Control Unit In Electronically Controlled Transmissions The Shift Points Are Controlled By Simple electronic control systems utilise the solenoids to alter the shift points in an existing valve body, while more complex designs. The transmission control module (tcm) gives us the ability to dial in specific shift points and shift pressure for each gear at a certain percentage. Electronic controlled transmission (ect) is a transmission technology that uses electronics to control gear. In Electronically Controlled Transmissions The Shift Points Are Controlled By.
From www.youtube.com
Basics To Electronically Controlled Transmission Operation YouTube In Electronically Controlled Transmissions The Shift Points Are Controlled By Most modern electronically controlled transmissions do not have governors anymore or even throttle pressure valve devices anymore. Simple electronic control systems utilise the solenoids to alter the shift points in an existing valve body, while more complex designs. Electronically controlled transmissions (ect) are used to improve fuel economy, performance, drivability, and shift quality. The transmission control module (tcm) gives us. In Electronically Controlled Transmissions The Shift Points Are Controlled By.
From www.shiftfx.com
Electronic Shift Transmission ShiftFX In Electronically Controlled Transmissions The Shift Points Are Controlled By Technician b says that the difference between hydraulically controlled and electronically controlled automatic transmissions is the way. Electronically controlled transmissions (ect) are used to improve fuel economy, performance, drivability, and shift quality. Most modern electronically controlled transmissions do not have governors anymore or even throttle pressure valve devices anymore. Electronic controlled transmission (ect) is a transmission technology that uses electronics. In Electronically Controlled Transmissions The Shift Points Are Controlled By.
From 3dprinteracademy.com
eCVT Continuously Variable Transmission Model 3D Printer Academy In Electronically Controlled Transmissions The Shift Points Are Controlled By Most modern electronically controlled transmissions do not have governors anymore or even throttle pressure valve devices anymore. The transmission control module (tcm) gives us the ability to dial in specific shift points and shift pressure for each gear at a certain percentage. Electronically controlled transmissions (ect) are used to improve fuel economy, performance, drivability, and shift quality. Simple electronic control. In Electronically Controlled Transmissions The Shift Points Are Controlled By.
From psnations.com
Polaris Electronically controlled transmission In Electronically Controlled Transmissions The Shift Points Are Controlled By Most modern electronically controlled transmissions do not have governors anymore or even throttle pressure valve devices anymore. In a fully electronically controlled transmission, the shift points are controlled by the vehicle's transmission control module (tcm). Electronic controlled transmission (ect) is a transmission technology that uses electronics to control gear shifting and torque. The transmission control module (tcm) gives us the. In Electronically Controlled Transmissions The Shift Points Are Controlled By.
From www.chevyhardcore.com
ETC 101 Introduction To US Shift Electronic Transmission Controls In Electronically Controlled Transmissions The Shift Points Are Controlled By The transmission control module (tcm) gives us the ability to dial in specific shift points and shift pressure for each gear at a certain percentage. Electronically controlled transmissions (ect) are used to improve fuel economy, performance, drivability, and shift quality. Most modern electronically controlled transmissions do not have governors anymore or even throttle pressure valve devices anymore. Technician b says. In Electronically Controlled Transmissions The Shift Points Are Controlled By.
From slideplayer.com
ELECTRONIC CONTROLS. ppt download In Electronically Controlled Transmissions The Shift Points Are Controlled By In a fully electronically controlled transmission, the shift points are controlled by the vehicle's transmission control module (tcm). Technician b says that the difference between hydraulically controlled and electronically controlled automatic transmissions is the way. Simple electronic control systems utilise the solenoids to alter the shift points in an existing valve body, while more complex designs. Electronic controlled transmission (ect). In Electronically Controlled Transmissions The Shift Points Are Controlled By.