How Do I Know If My Pool Ozonator Is Working . If it's 25%, than most likely your ozonator is not working up to par. A working ozonator will produce a regular stream of bubbles from your hot tub’s drain. To determine if your pool ozone generator is producing ozone, you can use an ozone test kit to measure the ozone levels in your pool. Spa water should be crystal clear and. An alternative to a traditional chlorinated pool system is the ozone pool system. Four main indicators help determine if your spa ozone generator is working: You’ll also need to know the unit’s on/off procedures, particularly. No bubbles or small bubbles could mean your ozonator needs to be cleaned. You may wonder if there’s a way to simplify pool maintenance while maintaining pool quality. Your baseline cd is your cd right after filling your clean tub. If servicing a pool with an ozonator, start by consulting the unit’s manufacturer about its specific features and operation. If the ozonator is not working, there's just oxygen and air in that tube, and it will still get sucked into the circulation line and you'll still see. How to know if your ozonator’s working: If you don't add chlorine and the fc isn't dropping or is dropping slowly, then the ozonator is not working.
from chemtronicsindia.com
If servicing a pool with an ozonator, start by consulting the unit’s manufacturer about its specific features and operation. You’ll also need to know the unit’s on/off procedures, particularly. How to know if your ozonator’s working: Spa water should be crystal clear and. If the ozonator is not working, there's just oxygen and air in that tube, and it will still get sucked into the circulation line and you'll still see. If it's 25%, than most likely your ozonator is not working up to par. No bubbles or small bubbles could mean your ozonator needs to be cleaned. To determine if your pool ozone generator is producing ozone, you can use an ozone test kit to measure the ozone levels in your pool. A working ozonator will produce a regular stream of bubbles from your hot tub’s drain. An alternative to a traditional chlorinated pool system is the ozone pool system.
Ozonation Process Flow Diagrams, Process Flow Diagram, pfd, Mumbai, India
How Do I Know If My Pool Ozonator Is Working Spa water should be crystal clear and. How to know if your ozonator’s working: If the ozonator is not working, there's just oxygen and air in that tube, and it will still get sucked into the circulation line and you'll still see. If servicing a pool with an ozonator, start by consulting the unit’s manufacturer about its specific features and operation. To determine if your pool ozone generator is producing ozone, you can use an ozone test kit to measure the ozone levels in your pool. Your baseline cd is your cd right after filling your clean tub. If it's 25%, than most likely your ozonator is not working up to par. A working ozonator will produce a regular stream of bubbles from your hot tub’s drain. Spa water should be crystal clear and. An alternative to a traditional chlorinated pool system is the ozone pool system. You’ll also need to know the unit’s on/off procedures, particularly. Four main indicators help determine if your spa ozone generator is working: No bubbles or small bubbles could mean your ozonator needs to be cleaned. If you don't add chlorine and the fc isn't dropping or is dropping slowly, then the ozonator is not working. You may wonder if there’s a way to simplify pool maintenance while maintaining pool quality.
From www.youtube.com
How an Ozonator Works YouTube How Do I Know If My Pool Ozonator Is Working Spa water should be crystal clear and. How to know if your ozonator’s working: An alternative to a traditional chlorinated pool system is the ozone pool system. No bubbles or small bubbles could mean your ozonator needs to be cleaned. If you don't add chlorine and the fc isn't dropping or is dropping slowly, then the ozonator is not working.. How Do I Know If My Pool Ozonator Is Working.
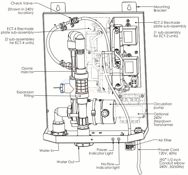
From www.inyopools.com
Ultrapure Water Quality Inc. Ultrapure Ozonator For Up To 85K Gallons How Do I Know If My Pool Ozonator Is Working If it's 25%, than most likely your ozonator is not working up to par. If you don't add chlorine and the fc isn't dropping or is dropping slowly, then the ozonator is not working. If the ozonator is not working, there's just oxygen and air in that tube, and it will still get sucked into the circulation line and you'll. How Do I Know If My Pool Ozonator Is Working.
From exodrdyft.blob.core.windows.net
How Does Pool Ozonator Work at Rose Blair blog How Do I Know If My Pool Ozonator Is Working To determine if your pool ozone generator is producing ozone, you can use an ozone test kit to measure the ozone levels in your pool. If the ozonator is not working, there's just oxygen and air in that tube, and it will still get sucked into the circulation line and you'll still see. A working ozonator will produce a regular. How Do I Know If My Pool Ozonator Is Working.
From poolcareschool.com
Spa Ozonator The Ultimate Guide Pool Care School How Do I Know If My Pool Ozonator Is Working You’ll also need to know the unit’s on/off procedures, particularly. Spa water should be crystal clear and. Four main indicators help determine if your spa ozone generator is working: If servicing a pool with an ozonator, start by consulting the unit’s manufacturer about its specific features and operation. To determine if your pool ozone generator is producing ozone, you can. How Do I Know If My Pool Ozonator Is Working.
From chemtronicsindia.com
Ozonation Process Flow Diagrams, Process Flow Diagram, pfd, Mumbai, India How Do I Know If My Pool Ozonator Is Working You may wonder if there’s a way to simplify pool maintenance while maintaining pool quality. If it's 25%, than most likely your ozonator is not working up to par. If servicing a pool with an ozonator, start by consulting the unit’s manufacturer about its specific features and operation. Spa water should be crystal clear and. Your baseline cd is your. How Do I Know If My Pool Ozonator Is Working.
From www.aajjo.com
Pool Ozonator Manufacturer & Seller in Rohini Modcon industries Pvt ltd. How Do I Know If My Pool Ozonator Is Working If servicing a pool with an ozonator, start by consulting the unit’s manufacturer about its specific features and operation. If the ozonator is not working, there's just oxygen and air in that tube, and it will still get sucked into the circulation line and you'll still see. Spa water should be crystal clear and. To determine if your pool ozone. How Do I Know If My Pool Ozonator Is Working.
From yardlifemaster.com
How to Tell if Hot Tub Ozonator is Working? (A Guide) Yard Life Master How Do I Know If My Pool Ozonator Is Working If you don't add chlorine and the fc isn't dropping or is dropping slowly, then the ozonator is not working. An alternative to a traditional chlorinated pool system is the ozone pool system. If the ozonator is not working, there's just oxygen and air in that tube, and it will still get sucked into the circulation line and you'll still. How Do I Know If My Pool Ozonator Is Working.
From splashhottubspools.com
What is an ozonator or UV Light? Why would I need a UV Light or Ozone How Do I Know If My Pool Ozonator Is Working If the ozonator is not working, there's just oxygen and air in that tube, and it will still get sucked into the circulation line and you'll still see. If servicing a pool with an ozonator, start by consulting the unit’s manufacturer about its specific features and operation. No bubbles or small bubbles could mean your ozonator needs to be cleaned.. How Do I Know If My Pool Ozonator Is Working.
From ozongenerators.com
What Is An Ozonator? Here Is Everything You Need To Know How Do I Know If My Pool Ozonator Is Working You may wonder if there’s a way to simplify pool maintenance while maintaining pool quality. Your baseline cd is your cd right after filling your clean tub. If servicing a pool with an ozonator, start by consulting the unit’s manufacturer about its specific features and operation. How to know if your ozonator’s working: If the ozonator is not working, there's. How Do I Know If My Pool Ozonator Is Working.
From yardlifemaster.com
How to Tell if Hot Tub Ozonator is Working? (A Guide) Yard Life Master How Do I Know If My Pool Ozonator Is Working If you don't add chlorine and the fc isn't dropping or is dropping slowly, then the ozonator is not working. Your baseline cd is your cd right after filling your clean tub. If the ozonator is not working, there's just oxygen and air in that tube, and it will still get sucked into the circulation line and you'll still see.. How Do I Know If My Pool Ozonator Is Working.
From www.poolsupplyunlimited.com
DEL OZONE 25 Ozone Generator for Residential Pools 25,000 Gallons How Do I Know If My Pool Ozonator Is Working An alternative to a traditional chlorinated pool system is the ozone pool system. Four main indicators help determine if your spa ozone generator is working: You’ll also need to know the unit’s on/off procedures, particularly. If servicing a pool with an ozonator, start by consulting the unit’s manufacturer about its specific features and operation. Spa water should be crystal clear. How Do I Know If My Pool Ozonator Is Working.
From www.watertechnics.co.uk
Prozone Ozonator Venturi, Pool Ozonators Water Technics How Do I Know If My Pool Ozonator Is Working Four main indicators help determine if your spa ozone generator is working: No bubbles or small bubbles could mean your ozonator needs to be cleaned. To determine if your pool ozone generator is producing ozone, you can use an ozone test kit to measure the ozone levels in your pool. If servicing a pool with an ozonator, start by consulting. How Do I Know If My Pool Ozonator Is Working.
From litehouse.com
Oxygen Pool Ozonator Above Ground Litehouse Pools and Spas How Do I Know If My Pool Ozonator Is Working To determine if your pool ozone generator is producing ozone, you can use an ozone test kit to measure the ozone levels in your pool. If it's 25%, than most likely your ozonator is not working up to par. Spa water should be crystal clear and. An alternative to a traditional chlorinated pool system is the ozone pool system. If. How Do I Know If My Pool Ozonator Is Working.
From www.eurekapools.com.my
Ozonator (Residential) Swimming Pool Specialist Eureka Pools Sdn Bhd How Do I Know If My Pool Ozonator Is Working If you don't add chlorine and the fc isn't dropping or is dropping slowly, then the ozonator is not working. Four main indicators help determine if your spa ozone generator is working: An alternative to a traditional chlorinated pool system is the ozone pool system. How to know if your ozonator’s working: If servicing a pool with an ozonator, start. How Do I Know If My Pool Ozonator Is Working.
From norahseiler.blogspot.com
how do pool ozone generators work Norah Seiler How Do I Know If My Pool Ozonator Is Working You may wonder if there’s a way to simplify pool maintenance while maintaining pool quality. If it's 25%, than most likely your ozonator is not working up to par. You’ll also need to know the unit’s on/off procedures, particularly. How to know if your ozonator’s working: An alternative to a traditional chlorinated pool system is the ozone pool system. No. How Do I Know If My Pool Ozonator Is Working.
From rusmiscam.blogspot.com
how do pool ozone generators work Illa Washburn How Do I Know If My Pool Ozonator Is Working Your baseline cd is your cd right after filling your clean tub. To determine if your pool ozone generator is producing ozone, you can use an ozone test kit to measure the ozone levels in your pool. You’ll also need to know the unit’s on/off procedures, particularly. If you don't add chlorine and the fc isn't dropping or is dropping. How Do I Know If My Pool Ozonator Is Working.
From yardlifemaster.com
How to Tell if Hot Tub Ozonator is Working? (A Guide) Yard Life Master How Do I Know If My Pool Ozonator Is Working Four main indicators help determine if your spa ozone generator is working: An alternative to a traditional chlorinated pool system is the ozone pool system. You may wonder if there’s a way to simplify pool maintenance while maintaining pool quality. A working ozonator will produce a regular stream of bubbles from your hot tub’s drain. No bubbles or small bubbles. How Do I Know If My Pool Ozonator Is Working.
From spadepot.com
HowTo Guides Ozonator Installation Spa Ozone How Do I Know If My Pool Ozonator Is Working How to know if your ozonator’s working: Four main indicators help determine if your spa ozone generator is working: Your baseline cd is your cd right after filling your clean tub. If you don't add chlorine and the fc isn't dropping or is dropping slowly, then the ozonator is not working. An alternative to a traditional chlorinated pool system is. How Do I Know If My Pool Ozonator Is Working.
From poolcareschool.com
Spa Ozonator The Ultimate Guide Pool Care School How Do I Know If My Pool Ozonator Is Working You’ll also need to know the unit’s on/off procedures, particularly. How to know if your ozonator’s working: No bubbles or small bubbles could mean your ozonator needs to be cleaned. To determine if your pool ozone generator is producing ozone, you can use an ozone test kit to measure the ozone levels in your pool. You may wonder if there’s. How Do I Know If My Pool Ozonator Is Working.
From www.youtube.com
Ozone Swim Pool Purification 1000 series install YouTube How Do I Know If My Pool Ozonator Is Working Your baseline cd is your cd right after filling your clean tub. To determine if your pool ozone generator is producing ozone, you can use an ozone test kit to measure the ozone levels in your pool. If the ozonator is not working, there's just oxygen and air in that tube, and it will still get sucked into the circulation. How Do I Know If My Pool Ozonator Is Working.
From norahseiler.blogspot.com
how do pool ozone generators work Norah Seiler How Do I Know If My Pool Ozonator Is Working You’ll also need to know the unit’s on/off procedures, particularly. If it's 25%, than most likely your ozonator is not working up to par. Your baseline cd is your cd right after filling your clean tub. An alternative to a traditional chlorinated pool system is the ozone pool system. No bubbles or small bubbles could mean your ozonator needs to. How Do I Know If My Pool Ozonator Is Working.
From www.poolandspapartsdepot.com
What is the Purpose of Ozonator in a Hot Tub? Pool and Spa Parts Depot How Do I Know If My Pool Ozonator Is Working You’ll also need to know the unit’s on/off procedures, particularly. If it's 25%, than most likely your ozonator is not working up to par. Spa water should be crystal clear and. No bubbles or small bubbles could mean your ozonator needs to be cleaned. How to know if your ozonator’s working: An alternative to a traditional chlorinated pool system is. How Do I Know If My Pool Ozonator Is Working.
From www.youtube.com
Platinum Pools Inspecting an Ozonator YouTube How Do I Know If My Pool Ozonator Is Working If the ozonator is not working, there's just oxygen and air in that tube, and it will still get sucked into the circulation line and you'll still see. If you don't add chlorine and the fc isn't dropping or is dropping slowly, then the ozonator is not working. How to know if your ozonator’s working: An alternative to a traditional. How Do I Know If My Pool Ozonator Is Working.
From www.trevi.com
How do an ozonator and a chlorinator work Trévi How Do I Know If My Pool Ozonator Is Working You may wonder if there’s a way to simplify pool maintenance while maintaining pool quality. You’ll also need to know the unit’s on/off procedures, particularly. If servicing a pool with an ozonator, start by consulting the unit’s manufacturer about its specific features and operation. No bubbles or small bubbles could mean your ozonator needs to be cleaned. How to know. How Do I Know If My Pool Ozonator Is Working.
From exodrdyft.blob.core.windows.net
How Does Pool Ozonator Work at Rose Blair blog How Do I Know If My Pool Ozonator Is Working If servicing a pool with an ozonator, start by consulting the unit’s manufacturer about its specific features and operation. No bubbles or small bubbles could mean your ozonator needs to be cleaned. You may wonder if there’s a way to simplify pool maintenance while maintaining pool quality. How to know if your ozonator’s working: To determine if your pool ozone. How Do I Know If My Pool Ozonator Is Working.
From www.inyopools.com
Del Total Eclipse Pool Ozonator Parts How Do I Know If My Pool Ozonator Is Working Four main indicators help determine if your spa ozone generator is working: Spa water should be crystal clear and. An alternative to a traditional chlorinated pool system is the ozone pool system. No bubbles or small bubbles could mean your ozonator needs to be cleaned. If servicing a pool with an ozonator, start by consulting the unit’s manufacturer about its. How Do I Know If My Pool Ozonator Is Working.
From www.chemtronicsindia.com
Technical data sheet Water Ozonation, Ozonated water, Mumbai, India How Do I Know If My Pool Ozonator Is Working If it's 25%, than most likely your ozonator is not working up to par. Spa water should be crystal clear and. Four main indicators help determine if your spa ozone generator is working: If the ozonator is not working, there's just oxygen and air in that tube, and it will still get sucked into the circulation line and you'll still. How Do I Know If My Pool Ozonator Is Working.
From www.chron.com
Ozone systems save money, option for pools, spas How Do I Know If My Pool Ozonator Is Working An alternative to a traditional chlorinated pool system is the ozone pool system. If you don't add chlorine and the fc isn't dropping or is dropping slowly, then the ozonator is not working. Four main indicators help determine if your spa ozone generator is working: No bubbles or small bubbles could mean your ozonator needs to be cleaned. You may. How Do I Know If My Pool Ozonator Is Working.
From www.thefibreglasspoolcompany.com.au
Why You Should Consider an Ozonator for Pool Water Sanitisation The How Do I Know If My Pool Ozonator Is Working If you don't add chlorine and the fc isn't dropping or is dropping slowly, then the ozonator is not working. A working ozonator will produce a regular stream of bubbles from your hot tub’s drain. Spa water should be crystal clear and. Your baseline cd is your cd right after filling your clean tub. No bubbles or small bubbles could. How Do I Know If My Pool Ozonator Is Working.
From yardlifemaster.com
How to Tell if Hot Tub Ozonator is Working? (A Guide) Yard Life Master How Do I Know If My Pool Ozonator Is Working Four main indicators help determine if your spa ozone generator is working: You’ll also need to know the unit’s on/off procedures, particularly. Spa water should be crystal clear and. If the ozonator is not working, there's just oxygen and air in that tube, and it will still get sucked into the circulation line and you'll still see. If it's 25%,. How Do I Know If My Pool Ozonator Is Working.
From ozongenerators.com
What Is An Ozonator? Here Is Everything You Need To Know How Do I Know If My Pool Ozonator Is Working To determine if your pool ozone generator is producing ozone, you can use an ozone test kit to measure the ozone levels in your pool. If servicing a pool with an ozonator, start by consulting the unit’s manufacturer about its specific features and operation. If the ozonator is not working, there's just oxygen and air in that tube, and it. How Do I Know If My Pool Ozonator Is Working.
From exodrdyft.blob.core.windows.net
How Does Pool Ozonator Work at Rose Blair blog How Do I Know If My Pool Ozonator Is Working A working ozonator will produce a regular stream of bubbles from your hot tub’s drain. You may wonder if there’s a way to simplify pool maintenance while maintaining pool quality. If the ozonator is not working, there's just oxygen and air in that tube, and it will still get sucked into the circulation line and you'll still see. No bubbles. How Do I Know If My Pool Ozonator Is Working.
From hydropoolsurrey.com
A Guide to Hot Tub Ozonators How Does an Ozonator Work? How Do I Know If My Pool Ozonator Is Working If it's 25%, than most likely your ozonator is not working up to par. An alternative to a traditional chlorinated pool system is the ozone pool system. A working ozonator will produce a regular stream of bubbles from your hot tub’s drain. You may wonder if there’s a way to simplify pool maintenance while maintaining pool quality. If servicing a. How Do I Know If My Pool Ozonator Is Working.
From rusmiscam.blogspot.com
how do pool ozone generators work Illa Washburn How Do I Know If My Pool Ozonator Is Working Spa water should be crystal clear and. If the ozonator is not working, there's just oxygen and air in that tube, and it will still get sucked into the circulation line and you'll still see. You may wonder if there’s a way to simplify pool maintenance while maintaining pool quality. Four main indicators help determine if your spa ozone generator. How Do I Know If My Pool Ozonator Is Working.
From proaguaproducts.com
Perfect Pool Ozone Water Purfication How Do I Know If My Pool Ozonator Is Working You’ll also need to know the unit’s on/off procedures, particularly. Your baseline cd is your cd right after filling your clean tub. How to know if your ozonator’s working: If the ozonator is not working, there's just oxygen and air in that tube, and it will still get sucked into the circulation line and you'll still see. To determine if. How Do I Know If My Pool Ozonator Is Working.