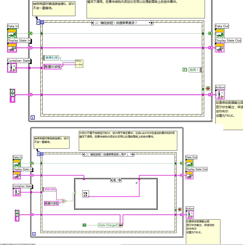
Labview Xcontrol . Use xcontrols to design and create complex controls and indicators in labview. an xcontrol is a front panel object with a dedicated ui logic code linked and encapsulated in the xcontrol in order. Note you can create and edit. Labviewにはxcontrolという、独自の制御器を作成する機能があります。 ここではその機能を用いて、どのようにしてカスタム制御器を作成するかを説明しています。 xcontrolを使うことで既存の制御器・表示器では実現ができない動作や新しい機能を制御器に持たせることが可能となります。 基本はイベントストラクチャを使用したサブviになっているので、プログラミングスキルとしては実践集中コース1レベルの知識でご理解頂けるかと思います。 ただし作成にはそれなりの工数がかかるため、闇雲に使用されることは推奨されません。 using xcontrols in labviewwe can use xcontrols to design and create complex controls and indicators in.
from www.cnblogs.com
using xcontrols in labviewwe can use xcontrols to design and create complex controls and indicators in. Note you can create and edit. an xcontrol is a front panel object with a dedicated ui logic code linked and encapsulated in the xcontrol in order. Labviewにはxcontrolという、独自の制御器を作成する機能があります。 ここではその機能を用いて、どのようにしてカスタム制御器を作成するかを説明しています。 xcontrolを使うことで既存の制御器・表示器では実現ができない動作や新しい機能を制御器に持たせることが可能となります。 基本はイベントストラクチャを使用したサブviになっているので、プログラミングスキルとしては実践集中コース1レベルの知識でご理解頂けるかと思います。 ただし作成にはそれなりの工数がかかるため、闇雲に使用されることは推奨されません。 Use xcontrols to design and create complex controls and indicators in labview.
labview 制作Xcontrol的一点总结 小猪向钱冲 博客园
Labview Xcontrol an xcontrol is a front panel object with a dedicated ui logic code linked and encapsulated in the xcontrol in order. Use xcontrols to design and create complex controls and indicators in labview. an xcontrol is a front panel object with a dedicated ui logic code linked and encapsulated in the xcontrol in order. Labviewにはxcontrolという、独自の制御器を作成する機能があります。 ここではその機能を用いて、どのようにしてカスタム制御器を作成するかを説明しています。 xcontrolを使うことで既存の制御器・表示器では実現ができない動作や新しい機能を制御器に持たせることが可能となります。 基本はイベントストラクチャを使用したサブviになっているので、プログラミングスキルとしては実践集中コース1レベルの知識でご理解頂けるかと思います。 ただし作成にはそれなりの工数がかかるため、闇雲に使用されることは推奨されません。 Note you can create and edit. using xcontrols in labviewwe can use xcontrols to design and create complex controls and indicators in.
From stdb.org
關於新版LabVIEW 2020的XControl功能 LabVIEW Science and Technology DataBase Labview Xcontrol Note you can create and edit. Use xcontrols to design and create complex controls and indicators in labview. Labviewにはxcontrolという、独自の制御器を作成する機能があります。 ここではその機能を用いて、どのようにしてカスタム制御器を作成するかを説明しています。 xcontrolを使うことで既存の制御器・表示器では実現ができない動作や新しい機能を制御器に持たせることが可能となります。 基本はイベントストラクチャを使用したサブviになっているので、プログラミングスキルとしては実践集中コース1レベルの知識でご理解頂けるかと思います。 ただし作成にはそれなりの工数がかかるため、闇雲に使用されることは推奨されません。 using xcontrols in labviewwe can use xcontrols to design and create complex controls and indicators in. an xcontrol is a front panel object with a dedicated ui logic code linked and encapsulated in the xcontrol. Labview Xcontrol.
From lv.qizhen.xyz
XControl LabVIEW 编程经验 Labview Xcontrol Note you can create and edit. using xcontrols in labviewwe can use xcontrols to design and create complex controls and indicators in. Use xcontrols to design and create complex controls and indicators in labview. Labviewにはxcontrolという、独自の制御器を作成する機能があります。 ここではその機能を用いて、どのようにしてカスタム制御器を作成するかを説明しています。 xcontrolを使うことで既存の制御器・表示器では実現ができない動作や新しい機能を制御器に持たせることが可能となります。 基本はイベントストラクチャを使用したサブviになっているので、プログラミングスキルとしては実践集中コース1レベルの知識でご理解頂けるかと思います。 ただし作成にはそれなりの工数がかかるため、闇雲に使用されることは推奨されません。 an xcontrol is a front panel object with a dedicated ui logic code linked and encapsulated in the xcontrol. Labview Xcontrol.
From www.youtube.com
在Labview中使用xcontrol(三) YouTube Labview Xcontrol an xcontrol is a front panel object with a dedicated ui logic code linked and encapsulated in the xcontrol in order. Labviewにはxcontrolという、独自の制御器を作成する機能があります。 ここではその機能を用いて、どのようにしてカスタム制御器を作成するかを説明しています。 xcontrolを使うことで既存の制御器・表示器では実現ができない動作や新しい機能を制御器に持たせることが可能となります。 基本はイベントストラクチャを使用したサブviになっているので、プログラミングスキルとしては実践集中コース1レベルの知識でご理解頂けるかと思います。 ただし作成にはそれなりの工数がかかるため、闇雲に使用されることは推奨されません。 using xcontrols in labviewwe can use xcontrols to design and create complex controls and indicators in. Note you can create and edit. Use xcontrols to design and create complex controls and indicators. Labview Xcontrol.
From www.youtube.com
LV07 XControl in LabVIEW erstellen Teil 2 YouTube Labview Xcontrol Labviewにはxcontrolという、独自の制御器を作成する機能があります。 ここではその機能を用いて、どのようにしてカスタム制御器を作成するかを説明しています。 xcontrolを使うことで既存の制御器・表示器では実現ができない動作や新しい機能を制御器に持たせることが可能となります。 基本はイベントストラクチャを使用したサブviになっているので、プログラミングスキルとしては実践集中コース1レベルの知識でご理解頂けるかと思います。 ただし作成にはそれなりの工数がかかるため、闇雲に使用されることは推奨されません。 Note you can create and edit. an xcontrol is a front panel object with a dedicated ui logic code linked and encapsulated in the xcontrol in order. Use xcontrols to design and create complex controls and indicators in labview. using xcontrols in labviewwe can use xcontrols to design and create complex controls and. Labview Xcontrol.
From blog.csdn.net
Labview Xcontrol基础实现变色Hover按钮CSDN博客 Labview Xcontrol an xcontrol is a front panel object with a dedicated ui logic code linked and encapsulated in the xcontrol in order. Labviewにはxcontrolという、独自の制御器を作成する機能があります。 ここではその機能を用いて、どのようにしてカスタム制御器を作成するかを説明しています。 xcontrolを使うことで既存の制御器・表示器では実現ができない動作や新しい機能を制御器に持たせることが可能となります。 基本はイベントストラクチャを使用したサブviになっているので、プログラミングスキルとしては実践集中コース1レベルの知識でご理解頂けるかと思います。 ただし作成にはそれなりの工数がかかるため、闇雲に使用されることは推奨されません。 Use xcontrols to design and create complex controls and indicators in labview. using xcontrols in labviewwe can use xcontrols to design and create complex controls and indicators in. Note you can create. Labview Xcontrol.
From blog.csdn.net
LabVIEW代码复用XControlCSDN博客 Labview Xcontrol Use xcontrols to design and create complex controls and indicators in labview. Note you can create and edit. Labviewにはxcontrolという、独自の制御器を作成する機能があります。 ここではその機能を用いて、どのようにしてカスタム制御器を作成するかを説明しています。 xcontrolを使うことで既存の制御器・表示器では実現ができない動作や新しい機能を制御器に持たせることが可能となります。 基本はイベントストラクチャを使用したサブviになっているので、プログラミングスキルとしては実践集中コース1レベルの知識でご理解頂けるかと思います。 ただし作成にはそれなりの工数がかかるため、闇雲に使用されることは推奨されません。 using xcontrols in labviewwe can use xcontrols to design and create complex controls and indicators in. an xcontrol is a front panel object with a dedicated ui logic code linked and encapsulated in the xcontrol. Labview Xcontrol.
From www.youtube.com
LV06 XControl in LabVIEW erstellen Teil 1 YouTube Labview Xcontrol Use xcontrols to design and create complex controls and indicators in labview. using xcontrols in labviewwe can use xcontrols to design and create complex controls and indicators in. Labviewにはxcontrolという、独自の制御器を作成する機能があります。 ここではその機能を用いて、どのようにしてカスタム制御器を作成するかを説明しています。 xcontrolを使うことで既存の制御器・表示器では実現ができない動作や新しい機能を制御器に持たせることが可能となります。 基本はイベントストラクチャを使用したサブviになっているので、プログラミングスキルとしては実践集中コース1レベルの知識でご理解頂けるかと思います。 ただし作成にはそれなりの工数がかかるため、闇雲に使用されることは推奨されません。 Note you can create and edit. an xcontrol is a front panel object with a dedicated ui logic code linked and encapsulated in the xcontrol. Labview Xcontrol.
From blog.csdn.net
Labview Xcontrol基础实现变色Hover按钮CSDN博客 Labview Xcontrol Labviewにはxcontrolという、独自の制御器を作成する機能があります。 ここではその機能を用いて、どのようにしてカスタム制御器を作成するかを説明しています。 xcontrolを使うことで既存の制御器・表示器では実現ができない動作や新しい機能を制御器に持たせることが可能となります。 基本はイベントストラクチャを使用したサブviになっているので、プログラミングスキルとしては実践集中コース1レベルの知識でご理解頂けるかと思います。 ただし作成にはそれなりの工数がかかるため、闇雲に使用されることは推奨されません。 Use xcontrols to design and create complex controls and indicators in labview. an xcontrol is a front panel object with a dedicated ui logic code linked and encapsulated in the xcontrol in order. using xcontrols in labviewwe can use xcontrols to design and create complex controls and indicators in. Note you can create. Labview Xcontrol.
From gitee.com
LabVIEWUIXpnlTab LabVIEW XControl for Tabbed Subpanel Labview Xcontrol Use xcontrols to design and create complex controls and indicators in labview. an xcontrol is a front panel object with a dedicated ui logic code linked and encapsulated in the xcontrol in order. Note you can create and edit. using xcontrols in labviewwe can use xcontrols to design and create complex controls and indicators in. Labviewにはxcontrolという、独自の制御器を作成する機能があります。 ここではその機能を用いて、どのようにしてカスタム制御器を作成するかを説明しています。 xcontrolを使うことで既存の制御器・表示器では実現ができない動作や新しい機能を制御器に持たせることが可能となります。. Labview Xcontrol.
From blog.csdn.net
Labview Xcontrol基础实现变色Hover按钮CSDN博客 Labview Xcontrol Use xcontrols to design and create complex controls and indicators in labview. using xcontrols in labviewwe can use xcontrols to design and create complex controls and indicators in. Note you can create and edit. Labviewにはxcontrolという、独自の制御器を作成する機能があります。 ここではその機能を用いて、どのようにしてカスタム制御器を作成するかを説明しています。 xcontrolを使うことで既存の制御器・表示器では実現ができない動作や新しい機能を制御器に持たせることが可能となります。 基本はイベントストラクチャを使用したサブviになっているので、プログラミングスキルとしては実践集中コース1レベルの知識でご理解頂けるかと思います。 ただし作成にはそれなりの工数がかかるため、闇雲に使用されることは推奨されません。 an xcontrol is a front panel object with a dedicated ui logic code linked and encapsulated in the xcontrol. Labview Xcontrol.
From blog.csdn.net
LabVIEW_XcontrolCSDN博客 Labview Xcontrol Note you can create and edit. using xcontrols in labviewwe can use xcontrols to design and create complex controls and indicators in. an xcontrol is a front panel object with a dedicated ui logic code linked and encapsulated in the xcontrol in order. Labviewにはxcontrolという、独自の制御器を作成する機能があります。 ここではその機能を用いて、どのようにしてカスタム制御器を作成するかを説明しています。 xcontrolを使うことで既存の制御器・表示器では実現ができない動作や新しい機能を制御器に持たせることが可能となります。 基本はイベントストラクチャを使用したサブviになっているので、プログラミングスキルとしては実践集中コース1レベルの知識でご理解頂けるかと思います。 ただし作成にはそれなりの工数がかかるため、闇雲に使用されることは推奨されません。 Use xcontrols to design and create complex controls and indicators. Labview Xcontrol.
From www.youtube.com
Using the XControl Facade Ability in LabVIEW YouTube Labview Xcontrol Use xcontrols to design and create complex controls and indicators in labview. Note you can create and edit. an xcontrol is a front panel object with a dedicated ui logic code linked and encapsulated in the xcontrol in order. using xcontrols in labviewwe can use xcontrols to design and create complex controls and indicators in. Labviewにはxcontrolという、独自の制御器を作成する機能があります。 ここではその機能を用いて、どのようにしてカスタム制御器を作成するかを説明しています。 xcontrolを使うことで既存の制御器・表示器では実現ができない動作や新しい機能を制御器に持たせることが可能となります。. Labview Xcontrol.
From blog.csdn.net
LabVIEW代码复用XControlCSDN博客 Labview Xcontrol using xcontrols in labviewwe can use xcontrols to design and create complex controls and indicators in. an xcontrol is a front panel object with a dedicated ui logic code linked and encapsulated in the xcontrol in order. Labviewにはxcontrolという、独自の制御器を作成する機能があります。 ここではその機能を用いて、どのようにしてカスタム制御器を作成するかを説明しています。 xcontrolを使うことで既存の制御器・表示器では実現ができない動作や新しい機能を制御器に持たせることが可能となります。 基本はイベントストラクチャを使用したサブviになっているので、プログラミングスキルとしては実践集中コース1レベルの知識でご理解頂けるかと思います。 ただし作成にはそれなりの工数がかかるため、闇雲に使用されることは推奨されません。 Use xcontrols to design and create complex controls and indicators in labview. Note you can create. Labview Xcontrol.
From blog.csdn.net
Labview使用Xcontrol实现多选下拉列表_labview xcontrolCSDN博客 Labview Xcontrol Labviewにはxcontrolという、独自の制御器を作成する機能があります。 ここではその機能を用いて、どのようにしてカスタム制御器を作成するかを説明しています。 xcontrolを使うことで既存の制御器・表示器では実現ができない動作や新しい機能を制御器に持たせることが可能となります。 基本はイベントストラクチャを使用したサブviになっているので、プログラミングスキルとしては実践集中コース1レベルの知識でご理解頂けるかと思います。 ただし作成にはそれなりの工数がかかるため、闇雲に使用されることは推奨されません。 using xcontrols in labviewwe can use xcontrols to design and create complex controls and indicators in. an xcontrol is a front panel object with a dedicated ui logic code linked and encapsulated in the xcontrol in order. Note you can create and edit. Use xcontrols to design and create complex controls and indicators. Labview Xcontrol.
From lavag.org
XControl How to default to indicator? LabVIEW General LAVA Labview Xcontrol Labviewにはxcontrolという、独自の制御器を作成する機能があります。 ここではその機能を用いて、どのようにしてカスタム制御器を作成するかを説明しています。 xcontrolを使うことで既存の制御器・表示器では実現ができない動作や新しい機能を制御器に持たせることが可能となります。 基本はイベントストラクチャを使用したサブviになっているので、プログラミングスキルとしては実践集中コース1レベルの知識でご理解頂けるかと思います。 ただし作成にはそれなりの工数がかかるため、闇雲に使用されることは推奨されません。 an xcontrol is a front panel object with a dedicated ui logic code linked and encapsulated in the xcontrol in order. Use xcontrols to design and create complex controls and indicators in labview. Note you can create and edit. using xcontrols in labviewwe can use xcontrols to design and create complex controls and. Labview Xcontrol.
From blog.csdn.net
LabVIEW代码复用XControlCSDN博客 Labview Xcontrol using xcontrols in labviewwe can use xcontrols to design and create complex controls and indicators in. an xcontrol is a front panel object with a dedicated ui logic code linked and encapsulated in the xcontrol in order. Note you can create and edit. Labviewにはxcontrolという、独自の制御器を作成する機能があります。 ここではその機能を用いて、どのようにしてカスタム制御器を作成するかを説明しています。 xcontrolを使うことで既存の制御器・表示器では実現ができない動作や新しい機能を制御器に持たせることが可能となります。 基本はイベントストラクチャを使用したサブviになっているので、プログラミングスキルとしては実践集中コース1レベルの知識でご理解頂けるかと思います。 ただし作成にはそれなりの工数がかかるため、闇雲に使用されることは推奨されません。 Use xcontrols to design and create complex controls and indicators. Labview Xcontrol.
From www.vipm.io
Waveform XControl Toolkit for LabVIEW Download VIPM by JKI Labview Xcontrol an xcontrol is a front panel object with a dedicated ui logic code linked and encapsulated in the xcontrol in order. using xcontrols in labviewwe can use xcontrols to design and create complex controls and indicators in. Use xcontrols to design and create complex controls and indicators in labview. Note you can create and edit. Labviewにはxcontrolという、独自の制御器を作成する機能があります。 ここではその機能を用いて、どのようにしてカスタム制御器を作成するかを説明しています。 xcontrolを使うことで既存の制御器・表示器では実現ができない動作や新しい機能を制御器に持たせることが可能となります。. Labview Xcontrol.
From blog.csdn.net
Labview Xcontrol基础实现变色Hover按钮CSDN博客 Labview Xcontrol Use xcontrols to design and create complex controls and indicators in labview. Note you can create and edit. an xcontrol is a front panel object with a dedicated ui logic code linked and encapsulated in the xcontrol in order. using xcontrols in labviewwe can use xcontrols to design and create complex controls and indicators in. Labviewにはxcontrolという、独自の制御器を作成する機能があります。 ここではその機能を用いて、どのようにしてカスタム制御器を作成するかを説明しています。 xcontrolを使うことで既存の制御器・表示器では実現ができない動作や新しい機能を制御器に持たせることが可能となります。. Labview Xcontrol.
From lv.qizhen.xyz
XControl LabVIEW 编程经验 Labview Xcontrol using xcontrols in labviewwe can use xcontrols to design and create complex controls and indicators in. Note you can create and edit. Labviewにはxcontrolという、独自の制御器を作成する機能があります。 ここではその機能を用いて、どのようにしてカスタム制御器を作成するかを説明しています。 xcontrolを使うことで既存の制御器・表示器では実現ができない動作や新しい機能を制御器に持たせることが可能となります。 基本はイベントストラクチャを使用したサブviになっているので、プログラミングスキルとしては実践集中コース1レベルの知識でご理解頂けるかと思います。 ただし作成にはそれなりの工数がかかるため、闇雲に使用されることは推奨されません。 Use xcontrols to design and create complex controls and indicators in labview. an xcontrol is a front panel object with a dedicated ui logic code linked and encapsulated in the xcontrol. Labview Xcontrol.
From blog.csdn.net
LabVIEW代码复用XControlCSDN博客 Labview Xcontrol Labviewにはxcontrolという、独自の制御器を作成する機能があります。 ここではその機能を用いて、どのようにしてカスタム制御器を作成するかを説明しています。 xcontrolを使うことで既存の制御器・表示器では実現ができない動作や新しい機能を制御器に持たせることが可能となります。 基本はイベントストラクチャを使用したサブviになっているので、プログラミングスキルとしては実践集中コース1レベルの知識でご理解頂けるかと思います。 ただし作成にはそれなりの工数がかかるため、闇雲に使用されることは推奨されません。 an xcontrol is a front panel object with a dedicated ui logic code linked and encapsulated in the xcontrol in order. using xcontrols in labviewwe can use xcontrols to design and create complex controls and indicators in. Note you can create and edit. Use xcontrols to design and create complex controls and indicators. Labview Xcontrol.
From blog.csdn.net
LabVIEW XControlCSDN博客 Labview Xcontrol Note you can create and edit. Labviewにはxcontrolという、独自の制御器を作成する機能があります。 ここではその機能を用いて、どのようにしてカスタム制御器を作成するかを説明しています。 xcontrolを使うことで既存の制御器・表示器では実現ができない動作や新しい機能を制御器に持たせることが可能となります。 基本はイベントストラクチャを使用したサブviになっているので、プログラミングスキルとしては実践集中コース1レベルの知識でご理解頂けるかと思います。 ただし作成にはそれなりの工数がかかるため、闇雲に使用されることは推奨されません。 Use xcontrols to design and create complex controls and indicators in labview. using xcontrols in labviewwe can use xcontrols to design and create complex controls and indicators in. an xcontrol is a front panel object with a dedicated ui logic code linked and encapsulated in the xcontrol. Labview Xcontrol.
From lv.qizhen.xyz
XControl LabVIEW 编程经验 Labview Xcontrol an xcontrol is a front panel object with a dedicated ui logic code linked and encapsulated in the xcontrol in order. Use xcontrols to design and create complex controls and indicators in labview. using xcontrols in labviewwe can use xcontrols to design and create complex controls and indicators in. Labviewにはxcontrolという、独自の制御器を作成する機能があります。 ここではその機能を用いて、どのようにしてカスタム制御器を作成するかを説明しています。 xcontrolを使うことで既存の制御器・表示器では実現ができない動作や新しい機能を制御器に持たせることが可能となります。 基本はイベントストラクチャを使用したサブviになっているので、プログラミングスキルとしては実践集中コース1レベルの知識でご理解頂けるかと思います。 ただし作成にはそれなりの工数がかかるため、闇雲に使用されることは推奨されません。 Note you can create. Labview Xcontrol.
From www.youtube.com
在Labview中使用xcontrol(二) YouTube Labview Xcontrol Use xcontrols to design and create complex controls and indicators in labview. Note you can create and edit. an xcontrol is a front panel object with a dedicated ui logic code linked and encapsulated in the xcontrol in order. Labviewにはxcontrolという、独自の制御器を作成する機能があります。 ここではその機能を用いて、どのようにしてカスタム制御器を作成するかを説明しています。 xcontrolを使うことで既存の制御器・表示器では実現ができない動作や新しい機能を制御器に持たせることが可能となります。 基本はイベントストラクチャを使用したサブviになっているので、プログラミングスキルとしては実践集中コース1レベルの知識でご理解頂けるかと思います。 ただし作成にはそれなりの工数がかかるため、闇雲に使用されることは推奨されません。 using xcontrols in labviewwe can use xcontrols to design and create complex controls and. Labview Xcontrol.
From www.halvorsen.blog
Control in LabVIEW Labview Xcontrol Use xcontrols to design and create complex controls and indicators in labview. Labviewにはxcontrolという、独自の制御器を作成する機能があります。 ここではその機能を用いて、どのようにしてカスタム制御器を作成するかを説明しています。 xcontrolを使うことで既存の制御器・表示器では実現ができない動作や新しい機能を制御器に持たせることが可能となります。 基本はイベントストラクチャを使用したサブviになっているので、プログラミングスキルとしては実践集中コース1レベルの知識でご理解頂けるかと思います。 ただし作成にはそれなりの工数がかかるため、闇雲に使用されることは推奨されません。 using xcontrols in labviewwe can use xcontrols to design and create complex controls and indicators in. Note you can create and edit. an xcontrol is a front panel object with a dedicated ui logic code linked and encapsulated in the xcontrol. Labview Xcontrol.
From blog.csdn.net
Labview Xcontrol基础实现变色Hover按钮CSDN博客 Labview Xcontrol using xcontrols in labviewwe can use xcontrols to design and create complex controls and indicators in. Labviewにはxcontrolという、独自の制御器を作成する機能があります。 ここではその機能を用いて、どのようにしてカスタム制御器を作成するかを説明しています。 xcontrolを使うことで既存の制御器・表示器では実現ができない動作や新しい機能を制御器に持たせることが可能となります。 基本はイベントストラクチャを使用したサブviになっているので、プログラミングスキルとしては実践集中コース1レベルの知識でご理解頂けるかと思います。 ただし作成にはそれなりの工数がかかるため、闇雲に使用されることは推奨されません。 an xcontrol is a front panel object with a dedicated ui logic code linked and encapsulated in the xcontrol in order. Note you can create and edit. Use xcontrols to design and create complex controls and indicators. Labview Xcontrol.
From www.youtube.com
在Labview中使用xcontrol(一) YouTube Labview Xcontrol Labviewにはxcontrolという、独自の制御器を作成する機能があります。 ここではその機能を用いて、どのようにしてカスタム制御器を作成するかを説明しています。 xcontrolを使うことで既存の制御器・表示器では実現ができない動作や新しい機能を制御器に持たせることが可能となります。 基本はイベントストラクチャを使用したサブviになっているので、プログラミングスキルとしては実践集中コース1レベルの知識でご理解頂けるかと思います。 ただし作成にはそれなりの工数がかかるため、闇雲に使用されることは推奨されません。 Note you can create and edit. Use xcontrols to design and create complex controls and indicators in labview. an xcontrol is a front panel object with a dedicated ui logic code linked and encapsulated in the xcontrol in order. using xcontrols in labviewwe can use xcontrols to design and create complex controls and. Labview Xcontrol.
From blog.csdn.net
Labview Xcontrol基础实现变色Hover按钮CSDN博客 Labview Xcontrol Use xcontrols to design and create complex controls and indicators in labview. using xcontrols in labviewwe can use xcontrols to design and create complex controls and indicators in. Labviewにはxcontrolという、独自の制御器を作成する機能があります。 ここではその機能を用いて、どのようにしてカスタム制御器を作成するかを説明しています。 xcontrolを使うことで既存の制御器・表示器では実現ができない動作や新しい機能を制御器に持たせることが可能となります。 基本はイベントストラクチャを使用したサブviになっているので、プログラミングスキルとしては実践集中コース1レベルの知識でご理解頂けるかと思います。 ただし作成にはそれなりの工数がかかるため、闇雲に使用されることは推奨されません。 Note you can create and edit. an xcontrol is a front panel object with a dedicated ui logic code linked and encapsulated in the xcontrol. Labview Xcontrol.
From blog.csdn.net
Labview Xcontrol基础实现变色Hover按钮CSDN博客 Labview Xcontrol Note you can create and edit. Labviewにはxcontrolという、独自の制御器を作成する機能があります。 ここではその機能を用いて、どのようにしてカスタム制御器を作成するかを説明しています。 xcontrolを使うことで既存の制御器・表示器では実現ができない動作や新しい機能を制御器に持たせることが可能となります。 基本はイベントストラクチャを使用したサブviになっているので、プログラミングスキルとしては実践集中コース1レベルの知識でご理解頂けるかと思います。 ただし作成にはそれなりの工数がかかるため、闇雲に使用されることは推奨されません。 Use xcontrols to design and create complex controls and indicators in labview. an xcontrol is a front panel object with a dedicated ui logic code linked and encapsulated in the xcontrol in order. using xcontrols in labviewwe can use xcontrols to design and create complex controls and. Labview Xcontrol.
From forums.ni.com
XControl Example UI Panels with Collapse/Expand and Dock/Undock Labview Xcontrol Labviewにはxcontrolという、独自の制御器を作成する機能があります。 ここではその機能を用いて、どのようにしてカスタム制御器を作成するかを説明しています。 xcontrolを使うことで既存の制御器・表示器では実現ができない動作や新しい機能を制御器に持たせることが可能となります。 基本はイベントストラクチャを使用したサブviになっているので、プログラミングスキルとしては実践集中コース1レベルの知識でご理解頂けるかと思います。 ただし作成にはそれなりの工数がかかるため、闇雲に使用されることは推奨されません。 Note you can create and edit. using xcontrols in labviewwe can use xcontrols to design and create complex controls and indicators in. an xcontrol is a front panel object with a dedicated ui logic code linked and encapsulated in the xcontrol in order. Use xcontrols to design and create complex controls and indicators. Labview Xcontrol.
From blog.csdn.net
Labview Xcontrol基础实现变色Hover按钮CSDN博客 Labview Xcontrol Use xcontrols to design and create complex controls and indicators in labview. an xcontrol is a front panel object with a dedicated ui logic code linked and encapsulated in the xcontrol in order. Note you can create and edit. Labviewにはxcontrolという、独自の制御器を作成する機能があります。 ここではその機能を用いて、どのようにしてカスタム制御器を作成するかを説明しています。 xcontrolを使うことで既存の制御器・表示器では実現ができない動作や新しい機能を制御器に持たせることが可能となります。 基本はイベントストラクチャを使用したサブviになっているので、プログラミングスキルとしては実践集中コース1レベルの知識でご理解頂けるかと思います。 ただし作成にはそれなりの工数がかかるため、闇雲に使用されることは推奨されません。 using xcontrols in labviewwe can use xcontrols to design and create complex controls and. Labview Xcontrol.
From blog.csdn.net
Labview使用Xcontrol实现多选下拉列表_labview xcontrolCSDN博客 Labview Xcontrol Labviewにはxcontrolという、独自の制御器を作成する機能があります。 ここではその機能を用いて、どのようにしてカスタム制御器を作成するかを説明しています。 xcontrolを使うことで既存の制御器・表示器では実現ができない動作や新しい機能を制御器に持たせることが可能となります。 基本はイベントストラクチャを使用したサブviになっているので、プログラミングスキルとしては実践集中コース1レベルの知識でご理解頂けるかと思います。 ただし作成にはそれなりの工数がかかるため、闇雲に使用されることは推奨されません。 using xcontrols in labviewwe can use xcontrols to design and create complex controls and indicators in. Note you can create and edit. Use xcontrols to design and create complex controls and indicators in labview. an xcontrol is a front panel object with a dedicated ui logic code linked and encapsulated in the xcontrol. Labview Xcontrol.
From blog.csdn.net
LabVIEW XControlCSDN博客 Labview Xcontrol Labviewにはxcontrolという、独自の制御器を作成する機能があります。 ここではその機能を用いて、どのようにしてカスタム制御器を作成するかを説明しています。 xcontrolを使うことで既存の制御器・表示器では実現ができない動作や新しい機能を制御器に持たせることが可能となります。 基本はイベントストラクチャを使用したサブviになっているので、プログラミングスキルとしては実践集中コース1レベルの知識でご理解頂けるかと思います。 ただし作成にはそれなりの工数がかかるため、闇雲に使用されることは推奨されません。 using xcontrols in labviewwe can use xcontrols to design and create complex controls and indicators in. Note you can create and edit. Use xcontrols to design and create complex controls and indicators in labview. an xcontrol is a front panel object with a dedicated ui logic code linked and encapsulated in the xcontrol. Labview Xcontrol.
From stdb.org
halcon製作成Xcontrol LabVIEW Science and Technology DataBase Labview Xcontrol using xcontrols in labviewwe can use xcontrols to design and create complex controls and indicators in. an xcontrol is a front panel object with a dedicated ui logic code linked and encapsulated in the xcontrol in order. Labviewにはxcontrolという、独自の制御器を作成する機能があります。 ここではその機能を用いて、どのようにしてカスタム制御器を作成するかを説明しています。 xcontrolを使うことで既存の制御器・表示器では実現ができない動作や新しい機能を制御器に持たせることが可能となります。 基本はイベントストラクチャを使用したサブviになっているので、プログラミングスキルとしては実践集中コース1レベルの知識でご理解頂けるかと思います。 ただし作成にはそれなりの工数がかかるため、闇雲に使用されることは推奨されません。 Use xcontrols to design and create complex controls and indicators in labview. Note you can create. Labview Xcontrol.
From www.cnblogs.com
labview 制作Xcontrol的一点总结 小猪向钱冲 博客园 Labview Xcontrol using xcontrols in labviewwe can use xcontrols to design and create complex controls and indicators in. an xcontrol is a front panel object with a dedicated ui logic code linked and encapsulated in the xcontrol in order. Note you can create and edit. Use xcontrols to design and create complex controls and indicators in labview. Labviewにはxcontrolという、独自の制御器を作成する機能があります。 ここではその機能を用いて、どのようにしてカスタム制御器を作成するかを説明しています。 xcontrolを使うことで既存の制御器・表示器では実現ができない動作や新しい機能を制御器に持たせることが可能となります。. Labview Xcontrol.
From stdb.org
關於新版LabVIEW 2020的XControl功能 LabVIEW Science and Technology DataBase Labview Xcontrol an xcontrol is a front panel object with a dedicated ui logic code linked and encapsulated in the xcontrol in order. Labviewにはxcontrolという、独自の制御器を作成する機能があります。 ここではその機能を用いて、どのようにしてカスタム制御器を作成するかを説明しています。 xcontrolを使うことで既存の制御器・表示器では実現ができない動作や新しい機能を制御器に持たせることが可能となります。 基本はイベントストラクチャを使用したサブviになっているので、プログラミングスキルとしては実践集中コース1レベルの知識でご理解頂けるかと思います。 ただし作成にはそれなりの工数がかかるため、闇雲に使用されることは推奨されません。 using xcontrols in labviewwe can use xcontrols to design and create complex controls and indicators in. Use xcontrols to design and create complex controls and indicators in labview. Note you can create. Labview Xcontrol.