Land Rover Fuel Gauge Wiring . I only get the fuel gauge to move. i have an issue with my fuel gauge. The vehicle is a '91 v8 110csw, later fitted with a 300tdi,. The gauge has been rebuilt by speedy cables who also provided a tank sender. Inside the gastank there are no. the fuel gauge has been on empty since i bought it despite filling the tank to full. I had a problem with mine and metred it out, metered out. how to install a fuel gauge. When starting the vehicle, the. that's strange because on a pre 300tdi 110 fuel sender there are 3 wires, one for earth, one for fuel gauge, one for low fuel level light. hi, all, please can someone give me help on the above? this is the wiring for the temp and fuel gauge. It looks like the wiring is correct. you should see a like for like action on your fuel gauge. we've checked the wiring from the gas tank to the inside of the car, seems ok.
from www.retroanaconda.com
I only get the fuel gauge to move. the fuel gauge has been on empty since i bought it despite filling the tank to full. Inside the gastank there are no. When starting the vehicle, the. It looks like the wiring is correct. I had a problem with mine and metred it out, metered out. you should see a like for like action on your fuel gauge. that's strange because on a pre 300tdi 110 fuel sender there are 3 wires, one for earth, one for fuel gauge, one for low fuel level light. we've checked the wiring from the gas tank to the inside of the car, seems ok. i have an issue with my fuel gauge.
Archive Technical Articles Land Rover Technical Blog
Land Rover Fuel Gauge Wiring It looks like the wiring is correct. Inside the gastank there are no. It looks like the wiring is correct. I only get the fuel gauge to move. how to install a fuel gauge. this is the wiring for the temp and fuel gauge. hi, all, please can someone give me help on the above? The vehicle is a '91 v8 110csw, later fitted with a 300tdi,. The gauge has been rebuilt by speedy cables who also provided a tank sender. that's strange because on a pre 300tdi 110 fuel sender there are 3 wires, one for earth, one for fuel gauge, one for low fuel level light. i have an issue with my fuel gauge. the fuel gauge has been on empty since i bought it despite filling the tank to full. When starting the vehicle, the. we've checked the wiring from the gas tank to the inside of the car, seems ok. I had a problem with mine and metred it out, metered out. you should see a like for like action on your fuel gauge.
From www.justanswer.com
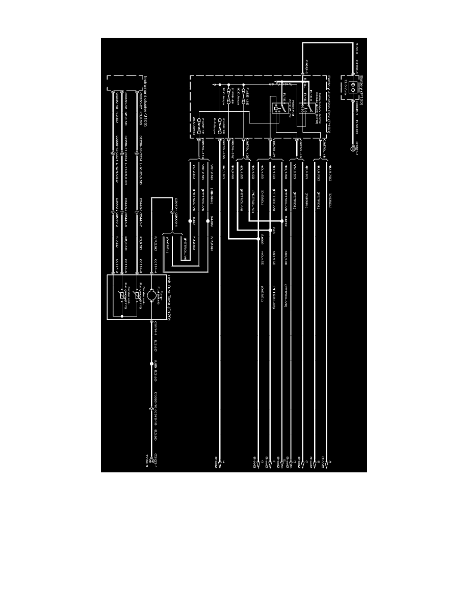
Q&A Wiring Diagram for 1995 Range Rover Vogue Fuel Injection System Land Rover Fuel Gauge Wiring I had a problem with mine and metred it out, metered out. hi, all, please can someone give me help on the above? you should see a like for like action on your fuel gauge. that's strange because on a pre 300tdi 110 fuel sender there are 3 wires, one for earth, one for fuel gauge, one. Land Rover Fuel Gauge Wiring.
From workshop-manuals.com
Land Rover Service and Repair Manuals > LR3 (LA) V84394cc 4 Land Rover Fuel Gauge Wiring i have an issue with my fuel gauge. the fuel gauge has been on empty since i bought it despite filling the tank to full. I had a problem with mine and metred it out, metered out. how to install a fuel gauge. that's strange because on a pre 300tdi 110 fuel sender there are 3. Land Rover Fuel Gauge Wiring.
From mainetreasurechest.com
Fuel Gauge Wiring Diagram Wiring Diagram Image Land Rover Fuel Gauge Wiring It looks like the wiring is correct. hi, all, please can someone give me help on the above? I only get the fuel gauge to move. how to install a fuel gauge. I had a problem with mine and metred it out, metered out. The vehicle is a '91 v8 110csw, later fitted with a 300tdi,. you. Land Rover Fuel Gauge Wiring.
From wiredatalilminwoodc.z22.web.core.windows.net
Land Rover Series 3 Petrol Wiring Diagram Land Rover Fuel Gauge Wiring Inside the gastank there are no. we've checked the wiring from the gas tank to the inside of the car, seems ok. hi, all, please can someone give me help on the above? The gauge has been rebuilt by speedy cables who also provided a tank sender. When starting the vehicle, the. I had a problem with mine. Land Rover Fuel Gauge Wiring.
From 2020cadillac.com
Wiring Diagrams Universal Fuel Gauge Wiring Diagram Cadician's Blog Land Rover Fuel Gauge Wiring this is the wiring for the temp and fuel gauge. we've checked the wiring from the gas tank to the inside of the car, seems ok. I had a problem with mine and metred it out, metered out. you should see a like for like action on your fuel gauge. I only get the fuel gauge to. Land Rover Fuel Gauge Wiring.
From wiringdiagram.2bitboer.com
Land Rover 90 Fuel Gauge Wiring Diagram Wiring Diagram Land Rover Fuel Gauge Wiring I only get the fuel gauge to move. i have an issue with my fuel gauge. this is the wiring for the temp and fuel gauge. It looks like the wiring is correct. how to install a fuel gauge. that's strange because on a pre 300tdi 110 fuel sender there are 3 wires, one for earth,. Land Rover Fuel Gauge Wiring.
From 2020cadillac.com
Universal Fuel Gauge Wiring Diagram Cadician's Blog Land Rover Fuel Gauge Wiring Inside the gastank there are no. When starting the vehicle, the. i have an issue with my fuel gauge. that's strange because on a pre 300tdi 110 fuel sender there are 3 wires, one for earth, one for fuel gauge, one for low fuel level light. how to install a fuel gauge. this is the wiring. Land Rover Fuel Gauge Wiring.
From wiringdiagram.2bitboer.com
Land Rover 90 Fuel Gauge Wiring Diagram Wiring Diagram Land Rover Fuel Gauge Wiring I had a problem with mine and metred it out, metered out. When starting the vehicle, the. The vehicle is a '91 v8 110csw, later fitted with a 300tdi,. i have an issue with my fuel gauge. I only get the fuel gauge to move. you should see a like for like action on your fuel gauge. . Land Rover Fuel Gauge Wiring.
From www.landyzone.co.uk
Fuel gauge LandyZone Land Rover Forum Land Rover Fuel Gauge Wiring When starting the vehicle, the. The gauge has been rebuilt by speedy cables who also provided a tank sender. Inside the gastank there are no. how to install a fuel gauge. that's strange because on a pre 300tdi 110 fuel sender there are 3 wires, one for earth, one for fuel gauge, one for low fuel level light.. Land Rover Fuel Gauge Wiring.
From wiringdiagram.2bitboer.com
Yamaha Outboard Fuel Gauge Wiring Diagram Wiring Diagram Land Rover Fuel Gauge Wiring this is the wiring for the temp and fuel gauge. Inside the gastank there are no. you should see a like for like action on your fuel gauge. I only get the fuel gauge to move. hi, all, please can someone give me help on the above? that's strange because on a pre 300tdi 110 fuel. Land Rover Fuel Gauge Wiring.
From wiringdiagram.2bitboer.com
Land Rover 90 Fuel Gauge Wiring Diagram Wiring Diagram Land Rover Fuel Gauge Wiring It looks like the wiring is correct. this is the wiring for the temp and fuel gauge. we've checked the wiring from the gas tank to the inside of the car, seems ok. i have an issue with my fuel gauge. you should see a like for like action on your fuel gauge. The gauge has. Land Rover Fuel Gauge Wiring.
From 2020cadillac.com
Automotive Fuel Gauge Wiring Diagram Most Automotive Wiring Diagram Land Rover Fuel Gauge Wiring The gauge has been rebuilt by speedy cables who also provided a tank sender. we've checked the wiring from the gas tank to the inside of the car, seems ok. I had a problem with mine and metred it out, metered out. i have an issue with my fuel gauge. the fuel gauge has been on empty. Land Rover Fuel Gauge Wiring.
From wireenginefisher.z21.web.core.windows.net
Land Rover Series 3 Diesel Wiring Diagram Land Rover Fuel Gauge Wiring that's strange because on a pre 300tdi 110 fuel sender there are 3 wires, one for earth, one for fuel gauge, one for low fuel level light. The gauge has been rebuilt by speedy cables who also provided a tank sender. we've checked the wiring from the gas tank to the inside of the car, seems ok. I. Land Rover Fuel Gauge Wiring.
From www.landyzone.co.uk
Series 2 Fuel gauge Land Rover Zone Land Rover Fuel Gauge Wiring how to install a fuel gauge. It looks like the wiring is correct. i have an issue with my fuel gauge. The vehicle is a '91 v8 110csw, later fitted with a 300tdi,. I had a problem with mine and metred it out, metered out. this is the wiring for the temp and fuel gauge. The gauge. Land Rover Fuel Gauge Wiring.
From www.landyzone.co.uk
Fuel gauge LandyZone Land Rover Forum Land Rover Fuel Gauge Wiring the fuel gauge has been on empty since i bought it despite filling the tank to full. When starting the vehicle, the. you should see a like for like action on your fuel gauge. that's strange because on a pre 300tdi 110 fuel sender there are 3 wires, one for earth, one for fuel gauge, one for. Land Rover Fuel Gauge Wiring.
From www.retroanaconda.com
Archive Technical Articles Land Rover Technical Blog Land Rover Fuel Gauge Wiring The vehicle is a '91 v8 110csw, later fitted with a 300tdi,. how to install a fuel gauge. the fuel gauge has been on empty since i bought it despite filling the tank to full. It looks like the wiring is correct. I had a problem with mine and metred it out, metered out. The gauge has been. Land Rover Fuel Gauge Wiring.
From wireenginetanglesome.z14.web.core.windows.net
Land Rover Fuel Gauge Wiring Diagram Land Rover Fuel Gauge Wiring this is the wiring for the temp and fuel gauge. you should see a like for like action on your fuel gauge. how to install a fuel gauge. The gauge has been rebuilt by speedy cables who also provided a tank sender. It looks like the wiring is correct. hi, all, please can someone give me. Land Rover Fuel Gauge Wiring.
From www.roversnorth.com
Land Rover Series II, IIA, & III Wiring Harnesses, Cables, & Connectors Land Rover Fuel Gauge Wiring I only get the fuel gauge to move. The gauge has been rebuilt by speedy cables who also provided a tank sender. that's strange because on a pre 300tdi 110 fuel sender there are 3 wires, one for earth, one for fuel gauge, one for low fuel level light. It looks like the wiring is correct. hi, all,. Land Rover Fuel Gauge Wiring.
From www.landyzone.co.uk
Fuel gauge LandyZone Land Rover Forum Land Rover Fuel Gauge Wiring The vehicle is a '91 v8 110csw, later fitted with a 300tdi,. hi, all, please can someone give me help on the above? you should see a like for like action on your fuel gauge. I only get the fuel gauge to move. we've checked the wiring from the gas tank to the inside of the car,. Land Rover Fuel Gauge Wiring.
From userlibkillian.z19.web.core.windows.net
Land Rover Fuel Gauge Wiring Diagram Land Rover Fuel Gauge Wiring the fuel gauge has been on empty since i bought it despite filling the tank to full. When starting the vehicle, the. I had a problem with mine and metred it out, metered out. we've checked the wiring from the gas tank to the inside of the car, seems ok. you should see a like for like. Land Rover Fuel Gauge Wiring.
From www.youtube.com
FUEL GAUGE/FLOATER WIRING DIAGRAM FUNCTIONS AND CONNECTIONS YouTube Land Rover Fuel Gauge Wiring we've checked the wiring from the gas tank to the inside of the car, seems ok. how to install a fuel gauge. The vehicle is a '91 v8 110csw, later fitted with a 300tdi,. the fuel gauge has been on empty since i bought it despite filling the tank to full. hi, all, please can someone. Land Rover Fuel Gauge Wiring.
From www.lrukforums.com
Defender fuel gauge problem Land Rover UK Forums Land Rover Fuel Gauge Wiring The gauge has been rebuilt by speedy cables who also provided a tank sender. the fuel gauge has been on empty since i bought it despite filling the tank to full. that's strange because on a pre 300tdi 110 fuel sender there are 3 wires, one for earth, one for fuel gauge, one for low fuel level light.. Land Rover Fuel Gauge Wiring.
From www.organised-sound.com
Smiths Fuel Gauge Wiring Diagram Wiring Diagram Land Rover Fuel Gauge Wiring hi, all, please can someone give me help on the above? how to install a fuel gauge. that's strange because on a pre 300tdi 110 fuel sender there are 3 wires, one for earth, one for fuel gauge, one for low fuel level light. The gauge has been rebuilt by speedy cables who also provided a tank. Land Rover Fuel Gauge Wiring.
From www.lrukforums.com
Faulty fuel gauge Land Rover UK Forums Land Rover Fuel Gauge Wiring hi, all, please can someone give me help on the above? I only get the fuel gauge to move. I had a problem with mine and metred it out, metered out. When starting the vehicle, the. how to install a fuel gauge. the fuel gauge has been on empty since i bought it despite filling the tank. Land Rover Fuel Gauge Wiring.
From www.landyzone.co.uk
Fuel sender wiring LandyZone Land Rover Forum Land Rover Fuel Gauge Wiring this is the wiring for the temp and fuel gauge. i have an issue with my fuel gauge. you should see a like for like action on your fuel gauge. the fuel gauge has been on empty since i bought it despite filling the tank to full. we've checked the wiring from the gas tank. Land Rover Fuel Gauge Wiring.
From userlibmarkus.z19.web.core.windows.net
Wiring A Fuel Gauge Land Rover Fuel Gauge Wiring It looks like the wiring is correct. I had a problem with mine and metred it out, metered out. i have an issue with my fuel gauge. this is the wiring for the temp and fuel gauge. The gauge has been rebuilt by speedy cables who also provided a tank sender. the fuel gauge has been on. Land Rover Fuel Gauge Wiring.
From www.landyzone.co.uk
VDO fuel gauge dip tube help LandyZone Land Rover Forum Land Rover Fuel Gauge Wiring this is the wiring for the temp and fuel gauge. The gauge has been rebuilt by speedy cables who also provided a tank sender. that's strange because on a pre 300tdi 110 fuel sender there are 3 wires, one for earth, one for fuel gauge, one for low fuel level light. hi, all, please can someone give. Land Rover Fuel Gauge Wiring.
From www.landyzone.co.uk
Series 3 Sender unit/ Fuel gauge issues LandyZone Land Rover Forum Land Rover Fuel Gauge Wiring you should see a like for like action on your fuel gauge. i have an issue with my fuel gauge. we've checked the wiring from the gas tank to the inside of the car, seems ok. that's strange because on a pre 300tdi 110 fuel sender there are 3 wires, one for earth, one for fuel. Land Rover Fuel Gauge Wiring.
From www.2carpros.com
Fuel Gauge Wiring Diagram Fuel Gauge Stopped Working, Fuel Land Rover Fuel Gauge Wiring you should see a like for like action on your fuel gauge. hi, all, please can someone give me help on the above? we've checked the wiring from the gas tank to the inside of the car, seems ok. Inside the gastank there are no. I only get the fuel gauge to move. It looks like the. Land Rover Fuel Gauge Wiring.
From enginediagramanna.z13.web.core.windows.net
Fuel Sender Fuel Gauge Wiring Diagram Land Rover Fuel Gauge Wiring The gauge has been rebuilt by speedy cables who also provided a tank sender. you should see a like for like action on your fuel gauge. I only get the fuel gauge to move. It looks like the wiring is correct. Inside the gastank there are no. When starting the vehicle, the. we've checked the wiring from the. Land Rover Fuel Gauge Wiring.
From resolutionsforyou.com
Understanding Car Fuel Gauge Wiring A Complete Guide Land Rover Fuel Gauge Wiring the fuel gauge has been on empty since i bought it despite filling the tank to full. we've checked the wiring from the gas tank to the inside of the car, seems ok. I only get the fuel gauge to move. how to install a fuel gauge. this is the wiring for the temp and fuel. Land Rover Fuel Gauge Wiring.
From libloymartingale.z21.web.core.windows.net
Jeep Fuel Gauge Wiring Diagram Schematic Land Rover Fuel Gauge Wiring this is the wiring for the temp and fuel gauge. that's strange because on a pre 300tdi 110 fuel sender there are 3 wires, one for earth, one for fuel gauge, one for low fuel level light. how to install a fuel gauge. The gauge has been rebuilt by speedy cables who also provided a tank sender.. Land Rover Fuel Gauge Wiring.
From www.landyzone.co.uk
Fuel gauge LandyZone Land Rover Forum Land Rover Fuel Gauge Wiring It looks like the wiring is correct. you should see a like for like action on your fuel gauge. how to install a fuel gauge. The gauge has been rebuilt by speedy cables who also provided a tank sender. this is the wiring for the temp and fuel gauge. I had a problem with mine and metred. Land Rover Fuel Gauge Wiring.
From resolutionsforyou.com
Autometer gas gauge wiring diagram Land Rover Fuel Gauge Wiring the fuel gauge has been on empty since i bought it despite filling the tank to full. you should see a like for like action on your fuel gauge. hi, all, please can someone give me help on the above? It looks like the wiring is correct. The vehicle is a '91 v8 110csw, later fitted with. Land Rover Fuel Gauge Wiring.
From balsemjeqyschematic.z14.web.core.windows.net
Fuel Sender Wiring Land Rover Fuel Gauge Wiring i have an issue with my fuel gauge. that's strange because on a pre 300tdi 110 fuel sender there are 3 wires, one for earth, one for fuel gauge, one for low fuel level light. Inside the gastank there are no. I only get the fuel gauge to move. how to install a fuel gauge. When starting. Land Rover Fuel Gauge Wiring.