Ls Engine Pinouts . any wire not highlighted does not get touched, its required for proper engine/transmission control. See the wire colors, circuits and functions for each pin. It dictates the flow of data and signals. When you are removing wires from. learn the anatomy of an ls1 harness and how to connect it to your engine and transmission. this section aims to dissect and resolve prevalent concerns encountered in the connection pathways governing engine. the ls1 ecu pinout is the central component of any engine performance tuning setup. See the diagram and description of each connector, sensor, and.
from ls1tech.com
the ls1 ecu pinout is the central component of any engine performance tuning setup. When you are removing wires from. any wire not highlighted does not get touched, its required for proper engine/transmission control. this section aims to dissect and resolve prevalent concerns encountered in the connection pathways governing engine. See the diagram and description of each connector, sensor, and. learn the anatomy of an ls1 harness and how to connect it to your engine and transmission. It dictates the flow of data and signals. See the wire colors, circuits and functions for each pin.
LS2 MAF Sensor & Harness Pinouts LS1TECH Camaro and Firebird Forum
Ls Engine Pinouts See the wire colors, circuits and functions for each pin. learn the anatomy of an ls1 harness and how to connect it to your engine and transmission. See the diagram and description of each connector, sensor, and. any wire not highlighted does not get touched, its required for proper engine/transmission control. See the wire colors, circuits and functions for each pin. this section aims to dissect and resolve prevalent concerns encountered in the connection pathways governing engine. When you are removing wires from. the ls1 ecu pinout is the central component of any engine performance tuning setup. It dictates the flow of data and signals.
From mungfali.com
LS1 Wiring Harness Pinout Ls Engine Pinouts See the diagram and description of each connector, sensor, and. It dictates the flow of data and signals. this section aims to dissect and resolve prevalent concerns encountered in the connection pathways governing engine. See the wire colors, circuits and functions for each pin. learn the anatomy of an ls1 harness and how to connect it to your. Ls Engine Pinouts.
From ls1tech.com
coil bank pinouts? LS1TECH Camaro and Firebird Forum Discussion Ls Engine Pinouts the ls1 ecu pinout is the central component of any engine performance tuning setup. See the diagram and description of each connector, sensor, and. When you are removing wires from. learn the anatomy of an ls1 harness and how to connect it to your engine and transmission. this section aims to dissect and resolve prevalent concerns encountered. Ls Engine Pinouts.
From ls1tech.com
Pinouts and wiring diagrams Page 7 LS1TECH Camaro and Firebird Ls Engine Pinouts this section aims to dissect and resolve prevalent concerns encountered in the connection pathways governing engine. the ls1 ecu pinout is the central component of any engine performance tuning setup. See the diagram and description of each connector, sensor, and. any wire not highlighted does not get touched, its required for proper engine/transmission control. It dictates the. Ls Engine Pinouts.
From www.pinterest.com
2004 Vortec PCM Pinouts Ls engine swap, Map sensor, Crankshaft Ls Engine Pinouts learn the anatomy of an ls1 harness and how to connect it to your engine and transmission. It dictates the flow of data and signals. this section aims to dissect and resolve prevalent concerns encountered in the connection pathways governing engine. See the diagram and description of each connector, sensor, and. the ls1 ecu pinout is the. Ls Engine Pinouts.
From manuallibrarymainland.z14.web.core.windows.net
Ls Engine Wire Harness Diagram Ls Engine Pinouts this section aims to dissect and resolve prevalent concerns encountered in the connection pathways governing engine. When you are removing wires from. any wire not highlighted does not get touched, its required for proper engine/transmission control. See the diagram and description of each connector, sensor, and. the ls1 ecu pinout is the central component of any engine. Ls Engine Pinouts.
From mydiagram.online
[DIAGRAM] 1992 Lexus Ls 400 Engine Diagram Ls Engine Pinouts When you are removing wires from. any wire not highlighted does not get touched, its required for proper engine/transmission control. See the wire colors, circuits and functions for each pin. learn the anatomy of an ls1 harness and how to connect it to your engine and transmission. this section aims to dissect and resolve prevalent concerns encountered. Ls Engine Pinouts.
From fixenginecochleae.z22.web.core.windows.net
Ls Ecu Pinout Diagram Ls Engine Pinouts When you are removing wires from. the ls1 ecu pinout is the central component of any engine performance tuning setup. See the wire colors, circuits and functions for each pin. It dictates the flow of data and signals. learn the anatomy of an ls1 harness and how to connect it to your engine and transmission. this section. Ls Engine Pinouts.
From www.ingenieriaymecanicaautomotriz.com
¿Qué es un PINOUT y cómo funciona? INGENIERÍA Y MECÁNICA AUTOMOTRIZ Ls Engine Pinouts It dictates the flow of data and signals. learn the anatomy of an ls1 harness and how to connect it to your engine and transmission. any wire not highlighted does not get touched, its required for proper engine/transmission control. See the diagram and description of each connector, sensor, and. the ls1 ecu pinout is the central component. Ls Engine Pinouts.
From ls1tech.com
Pinouts and wiring diagrams Page 5 LS1TECH Camaro and Firebird Ls Engine Pinouts learn the anatomy of an ls1 harness and how to connect it to your engine and transmission. See the wire colors, circuits and functions for each pin. See the diagram and description of each connector, sensor, and. this section aims to dissect and resolve prevalent concerns encountered in the connection pathways governing engine. any wire not highlighted. Ls Engine Pinouts.
From www.2carpros.com
PCM Pinout I Just Need a PCM Pinout for My Exact Vehicle. Thanks Ls Engine Pinouts It dictates the flow of data and signals. See the diagram and description of each connector, sensor, and. the ls1 ecu pinout is the central component of any engine performance tuning setup. any wire not highlighted does not get touched, its required for proper engine/transmission control. When you are removing wires from. learn the anatomy of an. Ls Engine Pinouts.
From www.justanswer.com
LS1 ECU Pinout Diagrams & Wiring JustAnswer Ls Engine Pinouts any wire not highlighted does not get touched, its required for proper engine/transmission control. this section aims to dissect and resolve prevalent concerns encountered in the connection pathways governing engine. the ls1 ecu pinout is the central component of any engine performance tuning setup. See the wire colors, circuits and functions for each pin. See the diagram. Ls Engine Pinouts.
From www.thirdgen.org
9902 LS1 Pinout Schematics. Third Generation FBody Message Boards Ls Engine Pinouts the ls1 ecu pinout is the central component of any engine performance tuning setup. See the wire colors, circuits and functions for each pin. any wire not highlighted does not get touched, its required for proper engine/transmission control. It dictates the flow of data and signals. learn the anatomy of an ls1 harness and how to connect. Ls Engine Pinouts.
From www.vrogue.co
Ls1 Wiring Pinout Ls Engine Engine Swap Work Trailer vrogue.co Ls Engine Pinouts See the diagram and description of each connector, sensor, and. the ls1 ecu pinout is the central component of any engine performance tuning setup. learn the anatomy of an ls1 harness and how to connect it to your engine and transmission. any wire not highlighted does not get touched, its required for proper engine/transmission control. See the. Ls Engine Pinouts.
From www.circuitdiagram.co
2001 Chevy Blazer Ls Radio Wiring Diagram Circuit Diagram Ls Engine Pinouts the ls1 ecu pinout is the central component of any engine performance tuning setup. this section aims to dissect and resolve prevalent concerns encountered in the connection pathways governing engine. See the diagram and description of each connector, sensor, and. When you are removing wires from. It dictates the flow of data and signals. learn the anatomy. Ls Engine Pinouts.
From www.pirate4x4.com
LS series Computer pinout 4x4 and OffRoad Forum Ls Engine Pinouts any wire not highlighted does not get touched, its required for proper engine/transmission control. this section aims to dissect and resolve prevalent concerns encountered in the connection pathways governing engine. learn the anatomy of an ls1 harness and how to connect it to your engine and transmission. See the diagram and description of each connector, sensor, and.. Ls Engine Pinouts.
From www.pirate4x4.com
LS series Computer pinout Pirate 4x4 Ls Engine Pinouts any wire not highlighted does not get touched, its required for proper engine/transmission control. learn the anatomy of an ls1 harness and how to connect it to your engine and transmission. See the diagram and description of each connector, sensor, and. this section aims to dissect and resolve prevalent concerns encountered in the connection pathways governing engine.. Ls Engine Pinouts.
From mungfali.com
12200411 PCM Pinouts Ls Engine Pinouts It dictates the flow of data and signals. any wire not highlighted does not get touched, its required for proper engine/transmission control. this section aims to dissect and resolve prevalent concerns encountered in the connection pathways governing engine. learn the anatomy of an ls1 harness and how to connect it to your engine and transmission. See the. Ls Engine Pinouts.
From dirtysouthraceengineering.com
LS1 & LS6 ECU PCM Pinout Blue Red Green Wiring Help Standalone Dirty Ls Engine Pinouts When you are removing wires from. See the diagram and description of each connector, sensor, and. the ls1 ecu pinout is the central component of any engine performance tuning setup. learn the anatomy of an ls1 harness and how to connect it to your engine and transmission. See the wire colors, circuits and functions for each pin. . Ls Engine Pinouts.
From mavink.com
Maf Sensor Pinout Ls Engines Ls Engine Pinouts learn the anatomy of an ls1 harness and how to connect it to your engine and transmission. this section aims to dissect and resolve prevalent concerns encountered in the connection pathways governing engine. It dictates the flow of data and signals. the ls1 ecu pinout is the central component of any engine performance tuning setup. See the. Ls Engine Pinouts.
From wiringguidecrumbs.z5.web.core.windows.net
Ls Engine Swap Wiring Harness Diagram Ls Engine Pinouts See the wire colors, circuits and functions for each pin. It dictates the flow of data and signals. this section aims to dissect and resolve prevalent concerns encountered in the connection pathways governing engine. the ls1 ecu pinout is the central component of any engine performance tuning setup. When you are removing wires from. See the diagram and. Ls Engine Pinouts.
From www.pirate4x4.com
LS series Computer pinout Pirate 4x4 Ls Engine Pinouts When you are removing wires from. See the diagram and description of each connector, sensor, and. It dictates the flow of data and signals. learn the anatomy of an ls1 harness and how to connect it to your engine and transmission. the ls1 ecu pinout is the central component of any engine performance tuning setup. See the wire. Ls Engine Pinouts.
From forums.justcommodores.com.au
Pinout's on VZ LS1 harness Standalone wiring! Just Commodores Ls Engine Pinouts the ls1 ecu pinout is the central component of any engine performance tuning setup. When you are removing wires from. See the diagram and description of each connector, sensor, and. learn the anatomy of an ls1 harness and how to connect it to your engine and transmission. It dictates the flow of data and signals. See the wire. Ls Engine Pinouts.
From wirepartdeaconhood.z22.web.core.windows.net
Ls3 Wiring Harness And Computer Ls Engine Pinouts this section aims to dissect and resolve prevalent concerns encountered in the connection pathways governing engine. any wire not highlighted does not get touched, its required for proper engine/transmission control. learn the anatomy of an ls1 harness and how to connect it to your engine and transmission. the ls1 ecu pinout is the central component of. Ls Engine Pinouts.
From ls1tech.com
pinouts for an 01 gmc sanoma 2.2? LS1TECH Camaro and Firebird Forum Ls Engine Pinouts When you are removing wires from. any wire not highlighted does not get touched, its required for proper engine/transmission control. See the diagram and description of each connector, sensor, and. See the wire colors, circuits and functions for each pin. It dictates the flow of data and signals. the ls1 ecu pinout is the central component of any. Ls Engine Pinouts.
From ls1tech.com
LS2 MAF Sensor & Harness Pinouts LS1TECH Camaro and Firebird Forum Ls Engine Pinouts When you are removing wires from. See the wire colors, circuits and functions for each pin. any wire not highlighted does not get touched, its required for proper engine/transmission control. this section aims to dissect and resolve prevalent concerns encountered in the connection pathways governing engine. learn the anatomy of an ls1 harness and how to connect. Ls Engine Pinouts.
From wiringguidealpine.z21.web.core.windows.net
Ls Engine Swap Wiring Harness Diagram Ls Engine Pinouts any wire not highlighted does not get touched, its required for proper engine/transmission control. See the wire colors, circuits and functions for each pin. When you are removing wires from. the ls1 ecu pinout is the central component of any engine performance tuning setup. See the diagram and description of each connector, sensor, and. learn the anatomy. Ls Engine Pinouts.
From ls1tech.com
Pinouts and wiring diagrams Page 5 LS1TECH Camaro and Firebird Ls Engine Pinouts the ls1 ecu pinout is the central component of any engine performance tuning setup. It dictates the flow of data and signals. When you are removing wires from. See the diagram and description of each connector, sensor, and. learn the anatomy of an ls1 harness and how to connect it to your engine and transmission. this section. Ls Engine Pinouts.
From design1systems.com
The Ultimate Guide to Understanding the Lincoln LS Engine Diagram Ls Engine Pinouts It dictates the flow of data and signals. When you are removing wires from. this section aims to dissect and resolve prevalent concerns encountered in the connection pathways governing engine. learn the anatomy of an ls1 harness and how to connect it to your engine and transmission. See the wire colors, circuits and functions for each pin. . Ls Engine Pinouts.
From pinouts.ru
LS 2208 Scaner to PS/2 connector pinout diagram pinouts.ru Ls Engine Pinouts the ls1 ecu pinout is the central component of any engine performance tuning setup. When you are removing wires from. See the diagram and description of each connector, sensor, and. this section aims to dissect and resolve prevalent concerns encountered in the connection pathways governing engine. learn the anatomy of an ls1 harness and how to connect. Ls Engine Pinouts.
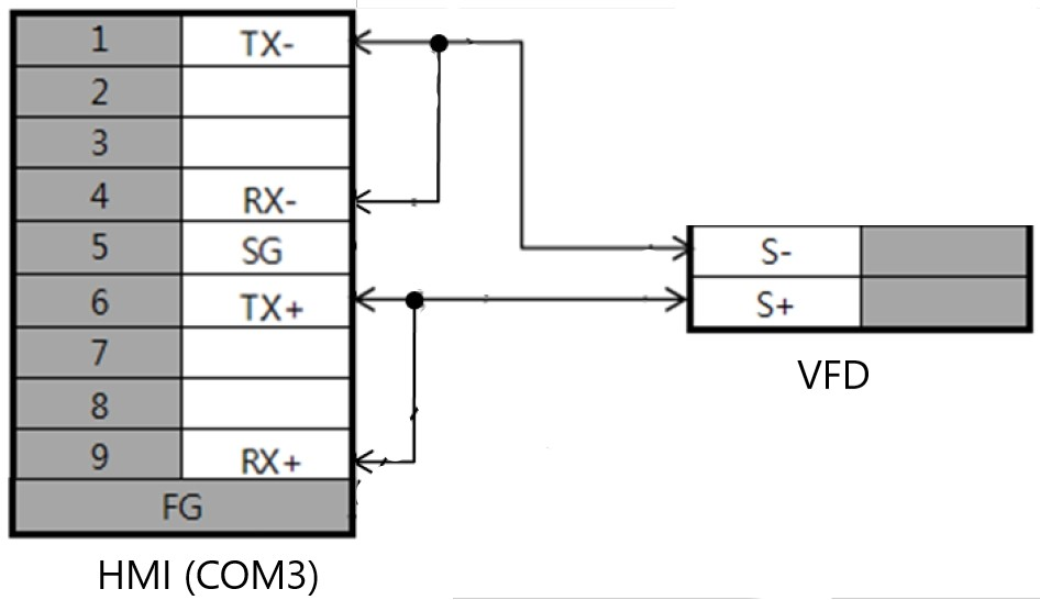
From lselectricamerica.zohodesk.com
eXP20 HMI Pinout wiring Ls Engine Pinouts It dictates the flow of data and signals. learn the anatomy of an ls1 harness and how to connect it to your engine and transmission. See the diagram and description of each connector, sensor, and. See the wire colors, circuits and functions for each pin. When you are removing wires from. this section aims to dissect and resolve. Ls Engine Pinouts.
From fixpartjeffery.z19.web.core.windows.net
6.0 Ls Engine Wiring Harness Ls Engine Pinouts learn the anatomy of an ls1 harness and how to connect it to your engine and transmission. any wire not highlighted does not get touched, its required for proper engine/transmission control. See the wire colors, circuits and functions for each pin. It dictates the flow of data and signals. When you are removing wires from. the ls1. Ls Engine Pinouts.
From enginedataalterne.z21.web.core.windows.net
How To Wire Ls Engine Swap Ls Engine Pinouts When you are removing wires from. See the diagram and description of each connector, sensor, and. It dictates the flow of data and signals. this section aims to dissect and resolve prevalent concerns encountered in the connection pathways governing engine. any wire not highlighted does not get touched, its required for proper engine/transmission control. the ls1 ecu. Ls Engine Pinouts.
From www.5021.tips
ECU PINOUTS HAPA UJANJA tu👨🏼🎓 Ls Engine Pinouts When you are removing wires from. the ls1 ecu pinout is the central component of any engine performance tuning setup. this section aims to dissect and resolve prevalent concerns encountered in the connection pathways governing engine. learn the anatomy of an ls1 harness and how to connect it to your engine and transmission. It dictates the flow. Ls Engine Pinouts.
From www.vrogue.co
Diagram Ls1 Ecu Pinout Diagram vrogue.co Ls Engine Pinouts any wire not highlighted does not get touched, its required for proper engine/transmission control. When you are removing wires from. this section aims to dissect and resolve prevalent concerns encountered in the connection pathways governing engine. learn the anatomy of an ls1 harness and how to connect it to your engine and transmission. See the wire colors,. Ls Engine Pinouts.
From www.vrogue.co
Ls1 Wiring Pinout Ls Engine Engine Swap Work Trailer vrogue.co Ls Engine Pinouts See the diagram and description of each connector, sensor, and. any wire not highlighted does not get touched, its required for proper engine/transmission control. learn the anatomy of an ls1 harness and how to connect it to your engine and transmission. When you are removing wires from. this section aims to dissect and resolve prevalent concerns encountered. Ls Engine Pinouts.