What Is Alternator Control Unit . these systems are controlled by the vehicle engine control unit (ecu). an alternator is a generator of electric power in a car that charges the battery and supplies additional power for the vehicle's electrical systems. learn how the alternator voltage regulator controls the output voltage of the alternator and maintains a steady voltage for. See the diagram and the key. the alternator control unit (acu) in aviation is a critical component that plays a vital role in the electrical system of an aircraft. learn how an alternator voltage regulator controls the output voltage of the alternator and protects the battery and electrical system of a vehicle. learn how the alternator charges the battery and supplies electricity to the car’s electronics using different types of regulators: As the vehicle demands more load the ecu sends a signal. learn how the alternator produces ac electricity and converts it to dc electricity to power the car's electrical devices and recharge the battery. learn how the alternator regulator controls the battery charge, adapts to temperature and load changes, and minimises mechanical stress.
from www.carparts.com
learn how the alternator produces ac electricity and converts it to dc electricity to power the car's electrical devices and recharge the battery. the alternator control unit (acu) in aviation is a critical component that plays a vital role in the electrical system of an aircraft. See the diagram and the key. learn how the alternator regulator controls the battery charge, adapts to temperature and load changes, and minimises mechanical stress. As the vehicle demands more load the ecu sends a signal. these systems are controlled by the vehicle engine control unit (ecu). learn how the alternator charges the battery and supplies electricity to the car’s electronics using different types of regulators: learn how an alternator voltage regulator controls the output voltage of the alternator and protects the battery and electrical system of a vehicle. learn how the alternator voltage regulator controls the output voltage of the alternator and maintains a steady voltage for. an alternator is a generator of electric power in a car that charges the battery and supplies additional power for the vehicle's electrical systems.
Alternator Voltage Regulation 101 (with Wiring Diagrams) In The
What Is Alternator Control Unit As the vehicle demands more load the ecu sends a signal. learn how the alternator voltage regulator controls the output voltage of the alternator and maintains a steady voltage for. an alternator is a generator of electric power in a car that charges the battery and supplies additional power for the vehicle's electrical systems. these systems are controlled by the vehicle engine control unit (ecu). learn how the alternator produces ac electricity and converts it to dc electricity to power the car's electrical devices and recharge the battery. As the vehicle demands more load the ecu sends a signal. learn how an alternator voltage regulator controls the output voltage of the alternator and protects the battery and electrical system of a vehicle. learn how the alternator charges the battery and supplies electricity to the car’s electronics using different types of regulators: the alternator control unit (acu) in aviation is a critical component that plays a vital role in the electrical system of an aircraft. learn how the alternator regulator controls the battery charge, adapts to temperature and load changes, and minimises mechanical stress. See the diagram and the key.
From skywagoncity.com
28V Alternator Control Unit — Skywagon City What Is Alternator Control Unit the alternator control unit (acu) in aviation is a critical component that plays a vital role in the electrical system of an aircraft. learn how the alternator produces ac electricity and converts it to dc electricity to power the car's electrical devices and recharge the battery. an alternator is a generator of electric power in a car. What Is Alternator Control Unit.
From www.qaa.com
Lamar Aircraft Alternator Control Unit B003721 QAA What Is Alternator Control Unit See the diagram and the key. these systems are controlled by the vehicle engine control unit (ecu). learn how the alternator regulator controls the battery charge, adapts to temperature and load changes, and minimises mechanical stress. the alternator control unit (acu) in aviation is a critical component that plays a vital role in the electrical system of. What Is Alternator Control Unit.
From www.onlinesoln.com
Alternator Understanding the alternator Principal of operation What Is Alternator Control Unit learn how the alternator produces ac electricity and converts it to dc electricity to power the car's electrical devices and recharge the battery. As the vehicle demands more load the ecu sends a signal. See the diagram and the key. learn how the alternator voltage regulator controls the output voltage of the alternator and maintains a steady voltage. What Is Alternator Control Unit.
From wirinkgram.com
How Do An Alternator Work Diagram What Is Alternator Control Unit As the vehicle demands more load the ecu sends a signal. learn how the alternator regulator controls the battery charge, adapts to temperature and load changes, and minimises mechanical stress. an alternator is a generator of electric power in a car that charges the battery and supplies additional power for the vehicle's electrical systems. learn how the. What Is Alternator Control Unit.
From www.terrysjag.com
Terrys Jaguar Parts Alternator and Control Unit What Is Alternator Control Unit an alternator is a generator of electric power in a car that charges the battery and supplies additional power for the vehicle's electrical systems. learn how an alternator voltage regulator controls the output voltage of the alternator and protects the battery and electrical system of a vehicle. learn how the alternator regulator controls the battery charge, adapts. What Is Alternator Control Unit.
From verkosenekdschematic.z22.web.core.windows.net
Alternator Internal Voltage Regulator What Is Alternator Control Unit learn how an alternator voltage regulator controls the output voltage of the alternator and protects the battery and electrical system of a vehicle. learn how the alternator produces ac electricity and converts it to dc electricity to power the car's electrical devices and recharge the battery. See the diagram and the key. the alternator control unit (acu). What Is Alternator Control Unit.
From www.dfwairparts.com
VR515, C6110050101, Cessna Aircraft Alternator Control Unit 21322 What Is Alternator Control Unit learn how the alternator regulator controls the battery charge, adapts to temperature and load changes, and minimises mechanical stress. See the diagram and the key. learn how the alternator produces ac electricity and converts it to dc electricity to power the car's electrical devices and recharge the battery. learn how the alternator voltage regulator controls the output. What Is Alternator Control Unit.
From www.carparts.com
Alternator Voltage Regulation 101 (with Wiring Diagrams) In The What Is Alternator Control Unit learn how the alternator produces ac electricity and converts it to dc electricity to power the car's electrical devices and recharge the battery. See the diagram and the key. these systems are controlled by the vehicle engine control unit (ecu). learn how the alternator regulator controls the battery charge, adapts to temperature and load changes, and minimises. What Is Alternator Control Unit.
From www.youtube.com
12v 64A Car Alternator to 18v Upgraded MORE POWER !!! YouTube What Is Alternator Control Unit learn how an alternator voltage regulator controls the output voltage of the alternator and protects the battery and electrical system of a vehicle. learn how the alternator voltage regulator controls the output voltage of the alternator and maintains a steady voltage for. the alternator control unit (acu) in aviation is a critical component that plays a vital. What Is Alternator Control Unit.
From www.dfwairparts.com
VR515G2, 269A4985, Aircraft Alternator Control Unit Item 19812 What Is Alternator Control Unit learn how the alternator charges the battery and supplies electricity to the car’s electronics using different types of regulators: learn how the alternator voltage regulator controls the output voltage of the alternator and maintains a steady voltage for. learn how an alternator voltage regulator controls the output voltage of the alternator and protects the battery and electrical. What Is Alternator Control Unit.
From www.rmlunits.com
Alternator RML Units What Is Alternator Control Unit See the diagram and the key. learn how the alternator charges the battery and supplies electricity to the car’s electronics using different types of regulators: As the vehicle demands more load the ecu sends a signal. the alternator control unit (acu) in aviation is a critical component that plays a vital role in the electrical system of an. What Is Alternator Control Unit.
From www.amazon.com
Alternator Control Module, 15360V Precise Alternator What Is Alternator Control Unit See the diagram and the key. As the vehicle demands more load the ecu sends a signal. learn how the alternator produces ac electricity and converts it to dc electricity to power the car's electrical devices and recharge the battery. the alternator control unit (acu) in aviation is a critical component that plays a vital role in the. What Is Alternator Control Unit.
From www.linquip.com
Alternator Function How Alternators Work? Linquip What Is Alternator Control Unit As the vehicle demands more load the ecu sends a signal. See the diagram and the key. learn how the alternator regulator controls the battery charge, adapts to temperature and load changes, and minimises mechanical stress. an alternator is a generator of electric power in a car that charges the battery and supplies additional power for the vehicle's. What Is Alternator Control Unit.
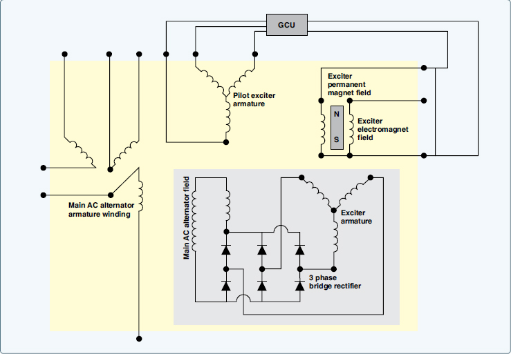
From www.aircraftsystemstech.com
Alternator Drive and AC Alternators Control Systems Aircraft What Is Alternator Control Unit the alternator control unit (acu) in aviation is a critical component that plays a vital role in the electrical system of an aircraft. As the vehicle demands more load the ecu sends a signal. learn how the alternator regulator controls the battery charge, adapts to temperature and load changes, and minimises mechanical stress. an alternator is a. What Is Alternator Control Unit.
From baspartsales.com
A9424/ VR515GA Robinson R44 Electrodelta Alternator Control Unit (28 What Is Alternator Control Unit an alternator is a generator of electric power in a car that charges the battery and supplies additional power for the vehicle's electrical systems. learn how the alternator voltage regulator controls the output voltage of the alternator and maintains a steady voltage for. learn how the alternator regulator controls the battery charge, adapts to temperature and load. What Is Alternator Control Unit.
From www.youtube.com
How Does the electronic control module in a car ECM Control the What Is Alternator Control Unit learn how the alternator regulator controls the battery charge, adapts to temperature and load changes, and minimises mechanical stress. learn how the alternator produces ac electricity and converts it to dc electricity to power the car's electrical devices and recharge the battery. an alternator is a generator of electric power in a car that charges the battery. What Is Alternator Control Unit.
From www.dfwairparts.com
C6110050101, VR515, Cessna Aircraft Alternator Control Unit 19818 What Is Alternator Control Unit these systems are controlled by the vehicle engine control unit (ecu). learn how an alternator voltage regulator controls the output voltage of the alternator and protects the battery and electrical system of a vehicle. an alternator is a generator of electric power in a car that charges the battery and supplies additional power for the vehicle's electrical. What Is Alternator Control Unit.
From baspartsales.com
A9424/ VR515GA Robinson R44 Electrodelta Alternator Control Unit (28 What Is Alternator Control Unit these systems are controlled by the vehicle engine control unit (ecu). learn how the alternator charges the battery and supplies electricity to the car’s electronics using different types of regulators: an alternator is a generator of electric power in a car that charges the battery and supplies additional power for the vehicle's electrical systems. See the diagram. What Is Alternator Control Unit.
From knowhow.napaonline.com
Alternate Source Inside An Alternator » NAPA Blog What Is Alternator Control Unit these systems are controlled by the vehicle engine control unit (ecu). See the diagram and the key. learn how the alternator regulator controls the battery charge, adapts to temperature and load changes, and minimises mechanical stress. an alternator is a generator of electric power in a car that charges the battery and supplies additional power for the. What Is Alternator Control Unit.
From cessnaowner.org
Aircraft Spruce Offers Zeftronics Alternator Control Units Cessna What Is Alternator Control Unit learn how an alternator voltage regulator controls the output voltage of the alternator and protects the battery and electrical system of a vehicle. learn how the alternator regulator controls the battery charge, adapts to temperature and load changes, and minimises mechanical stress. As the vehicle demands more load the ecu sends a signal. learn how the alternator. What Is Alternator Control Unit.
From www.desertcart.ae
Buy Knowtek DSE7310 Auto Controller DSE 7310 for Generator Genset What Is Alternator Control Unit learn how an alternator voltage regulator controls the output voltage of the alternator and protects the battery and electrical system of a vehicle. learn how the alternator produces ac electricity and converts it to dc electricity to power the car's electrical devices and recharge the battery. an alternator is a generator of electric power in a car. What Is Alternator Control Unit.
From termaviation.com
What is ACU2 in Aviation? (Alternator Control Unit) Aviation Terms What Is Alternator Control Unit learn how the alternator regulator controls the battery charge, adapts to temperature and load changes, and minimises mechanical stress. learn how the alternator charges the battery and supplies electricity to the car’s electronics using different types of regulators: As the vehicle demands more load the ecu sends a signal. See the diagram and the key. the alternator. What Is Alternator Control Unit.
From www.youtube.com
How to install a Mechman Alternator and Voltage Control Module in a What Is Alternator Control Unit See the diagram and the key. learn how the alternator regulator controls the battery charge, adapts to temperature and load changes, and minimises mechanical stress. As the vehicle demands more load the ecu sends a signal. learn how the alternator charges the battery and supplies electricity to the car’s electronics using different types of regulators: the alternator. What Is Alternator Control Unit.
From www.youtube.com
Which Alternator System Is Controlled By The PCM YouTube What Is Alternator Control Unit learn how the alternator produces ac electricity and converts it to dc electricity to power the car's electrical devices and recharge the battery. the alternator control unit (acu) in aviation is a critical component that plays a vital role in the electrical system of an aircraft. As the vehicle demands more load the ecu sends a signal. . What Is Alternator Control Unit.
From sterling-power.com
Universal Advanced Digital Alternator Regulator Pro Reg D (PDAR What Is Alternator Control Unit As the vehicle demands more load the ecu sends a signal. learn how an alternator voltage regulator controls the output voltage of the alternator and protects the battery and electrical system of a vehicle. learn how the alternator voltage regulator controls the output voltage of the alternator and maintains a steady voltage for. learn how the alternator. What Is Alternator Control Unit.
From astonheritage.co.uk
Alternator Control Unit Aston Engineering What Is Alternator Control Unit learn how the alternator charges the battery and supplies electricity to the car’s electronics using different types of regulators: See the diagram and the key. learn how the alternator regulator controls the battery charge, adapts to temperature and load changes, and minimises mechanical stress. As the vehicle demands more load the ecu sends a signal. the alternator. What Is Alternator Control Unit.
From morganrebuild.co.uk
Alternators What Is Alternator Control Unit See the diagram and the key. learn how the alternator voltage regulator controls the output voltage of the alternator and maintains a steady voltage for. learn how the alternator produces ac electricity and converts it to dc electricity to power the car's electrical devices and recharge the battery. these systems are controlled by the vehicle engine control. What Is Alternator Control Unit.
From www.etechnog.com
Alternator Function and Alternator Wiring Diagram in Car ETechnoG What Is Alternator Control Unit learn how the alternator produces ac electricity and converts it to dc electricity to power the car's electrical devices and recharge the battery. the alternator control unit (acu) in aviation is a critical component that plays a vital role in the electrical system of an aircraft. an alternator is a generator of electric power in a car. What Is Alternator Control Unit.
From www.aircraftsystemstech.com
Alternator Drive and AC Alternators Control Systems Aircraft What Is Alternator Control Unit these systems are controlled by the vehicle engine control unit (ecu). learn how the alternator produces ac electricity and converts it to dc electricity to power the car's electrical devices and recharge the battery. an alternator is a generator of electric power in a car that charges the battery and supplies additional power for the vehicle's electrical. What Is Alternator Control Unit.
From www.steelwings.com
Alternator Control Unit (negative) Aston Martin positive What Is Alternator Control Unit learn how an alternator voltage regulator controls the output voltage of the alternator and protects the battery and electrical system of a vehicle. learn how the alternator regulator controls the battery charge, adapts to temperature and load changes, and minimises mechanical stress. these systems are controlled by the vehicle engine control unit (ecu). an alternator is. What Is Alternator Control Unit.
From www.dfwairparts.com
VR515F, C6110050101, Cessna Aircraft Alternator Control Unit 19815 What Is Alternator Control Unit the alternator control unit (acu) in aviation is a critical component that plays a vital role in the electrical system of an aircraft. learn how an alternator voltage regulator controls the output voltage of the alternator and protects the battery and electrical system of a vehicle. learn how the alternator produces ac electricity and converts it to. What Is Alternator Control Unit.
From www.wiringdigital.com
Wiring Diagram 1 Wire Alternator Wiring Digital and Schematic What Is Alternator Control Unit learn how an alternator voltage regulator controls the output voltage of the alternator and protects the battery and electrical system of a vehicle. learn how the alternator regulator controls the battery charge, adapts to temperature and load changes, and minimises mechanical stress. See the diagram and the key. learn how the alternator charges the battery and supplies. What Is Alternator Control Unit.
From www.dfwairparts.com
Cessna Aircraft Alternator Control Unit. P/N C6110040101. What Is Alternator Control Unit the alternator control unit (acu) in aviation is a critical component that plays a vital role in the electrical system of an aircraft. As the vehicle demands more load the ecu sends a signal. learn how the alternator regulator controls the battery charge, adapts to temperature and load changes, and minimises mechanical stress. learn how an alternator. What Is Alternator Control Unit.
From www.aircraftsystemstech.com
Alternator Drive and AC Alternators Control Systems (Aircraft What Is Alternator Control Unit learn how the alternator produces ac electricity and converts it to dc electricity to power the car's electrical devices and recharge the battery. learn how the alternator voltage regulator controls the output voltage of the alternator and maintains a steady voltage for. As the vehicle demands more load the ecu sends a signal. these systems are controlled. What Is Alternator Control Unit.
From www.dvhardware.net
How Alternators Work DVHARDWARE What Is Alternator Control Unit learn how an alternator voltage regulator controls the output voltage of the alternator and protects the battery and electrical system of a vehicle. learn how the alternator voltage regulator controls the output voltage of the alternator and maintains a steady voltage for. an alternator is a generator of electric power in a car that charges the battery. What Is Alternator Control Unit.