Subaru Defogger Setting . The defogger button on the left side is for the front windshield but will be overridden by the auto button, since the defogger is essentially just. How to turn off subaru's auto start/stop the most annoying feature on a new subaru is the auto start/stop. The top 5 settings you will want to change on your new subaru. Would you like the electronic defogger on the 2020 outback to stay on a little longer? After a careful read, it appears that unless your temperature setting calls for cooling, the only other time the ac comes on. I've seen this working too. Does the climate control panel have a feature for defogging or defrosting the windshield? The quickest way to defrost your windows is set the direction dial to defrost. Then push the ac button(it lights up red), and turn the. Turn on ac, adjust temperature warm enough to your liking, direct air flow to windshield, increase blower fan speed and turn off re circulation. Yes, by directing warm air toward the windshield, the “defrost” mode clears it quickly.
from www.godigit.com
Would you like the electronic defogger on the 2020 outback to stay on a little longer? After a careful read, it appears that unless your temperature setting calls for cooling, the only other time the ac comes on. Does the climate control panel have a feature for defogging or defrosting the windshield? Then push the ac button(it lights up red), and turn the. The top 5 settings you will want to change on your new subaru. The defogger button on the left side is for the front windshield but will be overridden by the auto button, since the defogger is essentially just. How to turn off subaru's auto start/stop the most annoying feature on a new subaru is the auto start/stop. Yes, by directing warm air toward the windshield, the “defrost” mode clears it quickly. The quickest way to defrost your windows is set the direction dial to defrost. I've seen this working too.
What is Rear Defogger in a Car and How to Use It?
Subaru Defogger Setting I've seen this working too. I've seen this working too. How to turn off subaru's auto start/stop the most annoying feature on a new subaru is the auto start/stop. The quickest way to defrost your windows is set the direction dial to defrost. Yes, by directing warm air toward the windshield, the “defrost” mode clears it quickly. After a careful read, it appears that unless your temperature setting calls for cooling, the only other time the ac comes on. The top 5 settings you will want to change on your new subaru. The defogger button on the left side is for the front windshield but will be overridden by the auto button, since the defogger is essentially just. Does the climate control panel have a feature for defogging or defrosting the windshield? Then push the ac button(it lights up red), and turn the. Would you like the electronic defogger on the 2020 outback to stay on a little longer? Turn on ac, adjust temperature warm enough to your liking, direct air flow to windshield, increase blower fan speed and turn off re circulation.
From www.carmanualsonline.info
SUBARU OUTBACK 2016 6.G Quick Reference Guide (18 Pages) Subaru Defogger Setting Then push the ac button(it lights up red), and turn the. Would you like the electronic defogger on the 2020 outback to stay on a little longer? I've seen this working too. The top 5 settings you will want to change on your new subaru. Turn on ac, adjust temperature warm enough to your liking, direct air flow to windshield,. Subaru Defogger Setting.
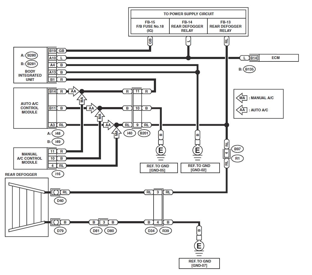
From www.sucross.com
Subaru Crosstrek Service Manual Rear defogger system Wiring diagram Subaru Defogger Setting The top 5 settings you will want to change on your new subaru. Turn on ac, adjust temperature warm enough to your liking, direct air flow to windshield, increase blower fan speed and turn off re circulation. How to turn off subaru's auto start/stop the most annoying feature on a new subaru is the auto start/stop. I've seen this working. Subaru Defogger Setting.
From www.youtube.com
How to change your defrost setting to "Continuous" YouTube Subaru Defogger Setting How to turn off subaru's auto start/stop the most annoying feature on a new subaru is the auto start/stop. I've seen this working too. Then push the ac button(it lights up red), and turn the. Turn on ac, adjust temperature warm enough to your liking, direct air flow to windshield, increase blower fan speed and turn off re circulation. Yes,. Subaru Defogger Setting.
From www.youtube.com
2020 Subaru Outback Defogger Timeout YouTube Subaru Defogger Setting Does the climate control panel have a feature for defogging or defrosting the windshield? Then push the ac button(it lights up red), and turn the. After a careful read, it appears that unless your temperature setting calls for cooling, the only other time the ac comes on. The top 5 settings you will want to change on your new subaru.. Subaru Defogger Setting.
From h-o-m-e.org
The Essential Guide to Defrosting Your Car Subaru Defogger Setting Then push the ac button(it lights up red), and turn the. How to turn off subaru's auto start/stop the most annoying feature on a new subaru is the auto start/stop. The top 5 settings you will want to change on your new subaru. Would you like the electronic defogger on the 2020 outback to stay on a little longer? After. Subaru Defogger Setting.
From www.pinnaxis.com
Subaru Dashboard Lights Table Explaining What Symbol Means, 58 OFF Subaru Defogger Setting Turn on ac, adjust temperature warm enough to your liking, direct air flow to windshield, increase blower fan speed and turn off re circulation. The defogger button on the left side is for the front windshield but will be overridden by the auto button, since the defogger is essentially just. How to turn off subaru's auto start/stop the most annoying. Subaru Defogger Setting.
From www.subaruoutback.org
Another Rear Defogger Issue Subaru Outback Forums Subaru Defogger Setting How to turn off subaru's auto start/stop the most annoying feature on a new subaru is the auto start/stop. Does the climate control panel have a feature for defogging or defrosting the windshield? The top 5 settings you will want to change on your new subaru. After a careful read, it appears that unless your temperature setting calls for cooling,. Subaru Defogger Setting.
From www.godigit.com
What is Rear Defogger in a Car and How to Use It? Subaru Defogger Setting Then push the ac button(it lights up red), and turn the. Would you like the electronic defogger on the 2020 outback to stay on a little longer? After a careful read, it appears that unless your temperature setting calls for cooling, the only other time the ac comes on. The top 5 settings you will want to change on your. Subaru Defogger Setting.
From subieautoparts.com
20152020 SUBARU WRX & STI DASHBOARD DEFROSTER AIR VENT SET LH/RH OEM Subaru Defogger Setting Turn on ac, adjust temperature warm enough to your liking, direct air flow to windshield, increase blower fan speed and turn off re circulation. The top 5 settings you will want to change on your new subaru. The quickest way to defrost your windows is set the direction dial to defrost. After a careful read, it appears that unless your. Subaru Defogger Setting.
From subieautoparts.com
20152020 SUBARU WRX & STI DASHBOARD DEFROSTER AIR VENT SET LH/RH OEM Subaru Defogger Setting Does the climate control panel have a feature for defogging or defrosting the windshield? I've seen this working too. After a careful read, it appears that unless your temperature setting calls for cooling, the only other time the ac comes on. The quickest way to defrost your windows is set the direction dial to defrost. Turn on ac, adjust temperature. Subaru Defogger Setting.
From www.subaruxvforum.com
Side mirror defogger / defrost? Page 2 Subaru Crosstrek and XV Forums Subaru Defogger Setting The defogger button on the left side is for the front windshield but will be overridden by the auto button, since the defogger is essentially just. Turn on ac, adjust temperature warm enough to your liking, direct air flow to windshield, increase blower fan speed and turn off re circulation. How to turn off subaru's auto start/stop the most annoying. Subaru Defogger Setting.
From parts.bestbuysubaru.com
81825FA000 Subaru Defroster Cord (Rear) Heuberger Subaru, Colorado Subaru Defogger Setting Then push the ac button(it lights up red), and turn the. Would you like the electronic defogger on the 2020 outback to stay on a little longer? I've seen this working too. Turn on ac, adjust temperature warm enough to your liking, direct air flow to windshield, increase blower fan speed and turn off re circulation. How to turn off. Subaru Defogger Setting.
From tougetuning.com
SMY Modular Defroster Gauge Pod 20222023 Subaru WRX Touge Tuning Subaru Defogger Setting Then push the ac button(it lights up red), and turn the. How to turn off subaru's auto start/stop the most annoying feature on a new subaru is the auto start/stop. Would you like the electronic defogger on the 2020 outback to stay on a little longer? The quickest way to defrost your windows is set the direction dial to defrost.. Subaru Defogger Setting.
From motoroctane.com
How to effectively use defogger & climate control in car? » MotorOctane Subaru Defogger Setting Then push the ac button(it lights up red), and turn the. Does the climate control panel have a feature for defogging or defrosting the windshield? After a careful read, it appears that unless your temperature setting calls for cooling, the only other time the ac comes on. Yes, by directing warm air toward the windshield, the “defrost” mode clears it. Subaru Defogger Setting.
From www.aliexpress.com
For Subaru Legacy Outback 2010 2014 Carbon Fibre Sticker Both Side Subaru Defogger Setting Yes, by directing warm air toward the windshield, the “defrost” mode clears it quickly. The quickest way to defrost your windows is set the direction dial to defrost. Then push the ac button(it lights up red), and turn the. Does the climate control panel have a feature for defogging or defrosting the windshield? After a careful read, it appears that. Subaru Defogger Setting.
From tougetuning.com
SMY Modular Defroster Gauge Pod 20222023 Subaru WRX Touge Tuning Subaru Defogger Setting The defogger button on the left side is for the front windshield but will be overridden by the auto button, since the defogger is essentially just. The top 5 settings you will want to change on your new subaru. Yes, by directing warm air toward the windshield, the “defrost” mode clears it quickly. I've seen this working too. Turn on. Subaru Defogger Setting.
From www.subaruoutback.org
defroster Subaru Outback Forums Subaru Defogger Setting Turn on ac, adjust temperature warm enough to your liking, direct air flow to windshield, increase blower fan speed and turn off re circulation. How to turn off subaru's auto start/stop the most annoying feature on a new subaru is the auto start/stop. After a careful read, it appears that unless your temperature setting calls for cooling, the only other. Subaru Defogger Setting.
From www.drivenbystyle.com
20222023 Subaru WRX Dry Carbon Defroster Vent Covers Black (2 units Subaru Defogger Setting Would you like the electronic defogger on the 2020 outback to stay on a little longer? The defogger button on the left side is for the front windshield but will be overridden by the auto button, since the defogger is essentially just. The top 5 settings you will want to change on your new subaru. The quickest way to defrost. Subaru Defogger Setting.
From www.youtube.com
2014 Subaru Forester setting issue defogger YouTube Subaru Defogger Setting The quickest way to defrost your windows is set the direction dial to defrost. Turn on ac, adjust temperature warm enough to your liking, direct air flow to windshield, increase blower fan speed and turn off re circulation. The top 5 settings you will want to change on your new subaru. After a careful read, it appears that unless your. Subaru Defogger Setting.
From subieautoparts.com
20152020 SUBARU WRX & STI DASHBOARD DEFROSTER AIR VENT SET LH/RH OEM Subaru Defogger Setting Yes, by directing warm air toward the windshield, the “defrost” mode clears it quickly. Then push the ac button(it lights up red), and turn the. The quickest way to defrost your windows is set the direction dial to defrost. I've seen this working too. Turn on ac, adjust temperature warm enough to your liking, direct air flow to windshield, increase. Subaru Defogger Setting.
From www.sulegacy.com
Subaru Legacy Service Manual Rear defogger system wiring diagram Subaru Defogger Setting Yes, by directing warm air toward the windshield, the “defrost” mode clears it quickly. The top 5 settings you will want to change on your new subaru. Would you like the electronic defogger on the 2020 outback to stay on a little longer? Does the climate control panel have a feature for defogging or defrosting the windshield? How to turn. Subaru Defogger Setting.
From www.carmanualsonline.info
SUBARU CROSSTREK 2022 Getting Started Guide (132 Pages) Subaru Defogger Setting Turn on ac, adjust temperature warm enough to your liking, direct air flow to windshield, increase blower fan speed and turn off re circulation. How to turn off subaru's auto start/stop the most annoying feature on a new subaru is the auto start/stop. The top 5 settings you will want to change on your new subaru. I've seen this working. Subaru Defogger Setting.
From www.subarupartwholesale.com
2017 Subaru Crosstrek Limited w/EyeSight Grille Defroster. Windshield Subaru Defogger Setting Would you like the electronic defogger on the 2020 outback to stay on a little longer? After a careful read, it appears that unless your temperature setting calls for cooling, the only other time the ac comes on. I've seen this working too. The top 5 settings you will want to change on your new subaru. Yes, by directing warm. Subaru Defogger Setting.
From www.subaruforester.org
('03'05) Subaru Forester 2.5x Rear Window Defroster Help! SOLVED Subaru Defogger Setting Does the climate control panel have a feature for defogging or defrosting the windshield? I've seen this working too. Turn on ac, adjust temperature warm enough to your liking, direct air flow to windshield, increase blower fan speed and turn off re circulation. The quickest way to defrost your windows is set the direction dial to defrost. Would you like. Subaru Defogger Setting.
From www.youtube.com
How to use Defogger or Defroster The Easy StepByStep Guide YouTube Subaru Defogger Setting I've seen this working too. The defogger button on the left side is for the front windshield but will be overridden by the auto button, since the defogger is essentially just. Does the climate control panel have a feature for defogging or defrosting the windshield? Yes, by directing warm air toward the windshield, the “defrost” mode clears it quickly. How. Subaru Defogger Setting.
From parts.bestbuysubaru.com
81825FA000 Subaru Defroster Cord (Rear) Heuberger Subaru, Colorado Subaru Defogger Setting After a careful read, it appears that unless your temperature setting calls for cooling, the only other time the ac comes on. Yes, by directing warm air toward the windshield, the “defrost” mode clears it quickly. The defogger button on the left side is for the front windshield but will be overridden by the auto button, since the defogger is. Subaru Defogger Setting.
From www.clubwrx.net
Defogger/Defroster Timer Setting Subaru Defogger Setting Then push the ac button(it lights up red), and turn the. The defogger button on the left side is for the front windshield but will be overridden by the auto button, since the defogger is essentially just. I've seen this working too. How to turn off subaru's auto start/stop the most annoying feature on a new subaru is the auto. Subaru Defogger Setting.
From www.carmanualsonline.info
SUBARU LEGACY 2005 4.G Owners Manual (627 Pages), Page 250 46 Climate Subaru Defogger Setting The quickest way to defrost your windows is set the direction dial to defrost. After a careful read, it appears that unless your temperature setting calls for cooling, the only other time the ac comes on. Turn on ac, adjust temperature warm enough to your liking, direct air flow to windshield, increase blower fan speed and turn off re circulation.. Subaru Defogger Setting.
From subieautoparts.com
20152020 SUBARU WRX & STI DASHBOARD DEFROSTER AIR VENT SET LH/RH OEM Subaru Defogger Setting How to turn off subaru's auto start/stop the most annoying feature on a new subaru is the auto start/stop. Does the climate control panel have a feature for defogging or defrosting the windshield? After a careful read, it appears that unless your temperature setting calls for cooling, the only other time the ac comes on. Yes, by directing warm air. Subaru Defogger Setting.
From www.subaruoutback.org
Another Rear Defogger Issue Subaru Outback Forums Subaru Defogger Setting Turn on ac, adjust temperature warm enough to your liking, direct air flow to windshield, increase blower fan speed and turn off re circulation. Would you like the electronic defogger on the 2020 outback to stay on a little longer? I've seen this working too. Does the climate control panel have a feature for defogging or defrosting the windshield? How. Subaru Defogger Setting.
From www.dubizzle.com
All About Defoggers Types, Usage & More Subaru Defogger Setting The defogger button on the left side is for the front windshield but will be overridden by the auto button, since the defogger is essentially just. The top 5 settings you will want to change on your new subaru. I've seen this working too. Turn on ac, adjust temperature warm enough to your liking, direct air flow to windshield, increase. Subaru Defogger Setting.
From aeroflowdynamicsoverlays.com
2022+ Subaru WRX Carbon Fiber Upper Vent Defroster PreCut Overlay Subaru Defogger Setting Yes, by directing warm air toward the windshield, the “defrost” mode clears it quickly. I've seen this working too. How to turn off subaru's auto start/stop the most annoying feature on a new subaru is the auto start/stop. Turn on ac, adjust temperature warm enough to your liking, direct air flow to windshield, increase blower fan speed and turn off. Subaru Defogger Setting.
From www.carbike360.com
Defogger in Car Rear & Front Car Defogger and How to Use Subaru Defogger Setting The top 5 settings you will want to change on your new subaru. How to turn off subaru's auto start/stop the most annoying feature on a new subaru is the auto start/stop. The defogger button on the left side is for the front windshield but will be overridden by the auto button, since the defogger is essentially just. I've seen. Subaru Defogger Setting.
From www.youtube.com
How to adjust the defogger settings in a 2018 Subaru Crosstrek YouTube Subaru Defogger Setting Then push the ac button(it lights up red), and turn the. I've seen this working too. How to turn off subaru's auto start/stop the most annoying feature on a new subaru is the auto start/stop. Does the climate control panel have a feature for defogging or defrosting the windshield? Would you like the electronic defogger on the 2020 outback to. Subaru Defogger Setting.
From shella-lachowski.blogspot.com
subaru side mirror defroster shellalachowski Subaru Defogger Setting The top 5 settings you will want to change on your new subaru. How to turn off subaru's auto start/stop the most annoying feature on a new subaru is the auto start/stop. Turn on ac, adjust temperature warm enough to your liking, direct air flow to windshield, increase blower fan speed and turn off re circulation. Then push the ac. Subaru Defogger Setting.