Evinrude Carburetor Diagram . find online manuals, printed manuals, engine diagrams, and forum topics for johnson evinrude outboard carburetors. learn how to adjust the carburetor of your johnson or evinrude engine for optimal performance. buy oem parts for evinrude outboard 1994 carburetor diagram. help support my channel by using the link. if your motor carb (carburetor) than you will find everthing you need to fully adjust the carb, rebuild, remove, inspect, and clean to. Numbers in parenthesis used in these instructions are the index.
from www.crowleymarine.com
find online manuals, printed manuals, engine diagrams, and forum topics for johnson evinrude outboard carburetors. if your motor carb (carburetor) than you will find everthing you need to fully adjust the carb, rebuild, remove, inspect, and clean to. buy oem parts for evinrude outboard 1994 carburetor diagram. Numbers in parenthesis used in these instructions are the index. help support my channel by using the link. learn how to adjust the carburetor of your johnson or evinrude engine for optimal performance.
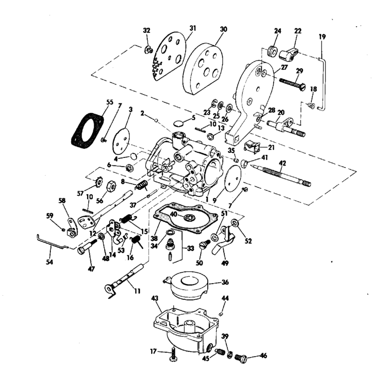
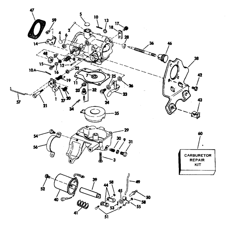
CARBURETOR 1989 Evinrude Outboards 25 TE25ELCEB Crowley Marine
Evinrude Carburetor Diagram help support my channel by using the link. Numbers in parenthesis used in these instructions are the index. find online manuals, printed manuals, engine diagrams, and forum topics for johnson evinrude outboard carburetors. buy oem parts for evinrude outboard 1994 carburetor diagram. learn how to adjust the carburetor of your johnson or evinrude engine for optimal performance. help support my channel by using the link. if your motor carb (carburetor) than you will find everthing you need to fully adjust the carb, rebuild, remove, inspect, and clean to.
From www.aomci.org
1948 3.3HP Evinrude Parts Diagram Antique Outboard Motor Club,Inc Evinrude Carburetor Diagram help support my channel by using the link. buy oem parts for evinrude outboard 1994 carburetor diagram. Numbers in parenthesis used in these instructions are the index. learn how to adjust the carburetor of your johnson or evinrude engine for optimal performance. if your motor carb (carburetor) than you will find everthing you need to fully. Evinrude Carburetor Diagram.
From marineengine.com
Evinrude Carburetor & Manifold Parts for 1978 15hp 15804B Outboard Motor Evinrude Carburetor Diagram Numbers in parenthesis used in these instructions are the index. if your motor carb (carburetor) than you will find everthing you need to fully adjust the carb, rebuild, remove, inspect, and clean to. help support my channel by using the link. buy oem parts for evinrude outboard 1994 carburetor diagram. learn how to adjust the carburetor. Evinrude Carburetor Diagram.
From www.2040-parts.com
Find C2A834 1957 Evinrude Carburetor From 18 HP PN 0376982 , outboard Evinrude Carburetor Diagram learn how to adjust the carburetor of your johnson or evinrude engine for optimal performance. help support my channel by using the link. find online manuals, printed manuals, engine diagrams, and forum topics for johnson evinrude outboard carburetors. Numbers in parenthesis used in these instructions are the index. buy oem parts for evinrude outboard 1994 carburetor. Evinrude Carburetor Diagram.
From www.marineengine.com
Evinrude Carburetor Fisherman Parts for 1960 5.5hp 5520 Outboard Motor Evinrude Carburetor Diagram if your motor carb (carburetor) than you will find everthing you need to fully adjust the carb, rebuild, remove, inspect, and clean to. help support my channel by using the link. buy oem parts for evinrude outboard 1994 carburetor diagram. find online manuals, printed manuals, engine diagrams, and forum topics for johnson evinrude outboard carburetors. . Evinrude Carburetor Diagram.
From userwiringselenology.z19.web.core.windows.net
Evinrude 15 Hp Parts Diagram Evinrude Carburetor Diagram learn how to adjust the carburetor of your johnson or evinrude engine for optimal performance. find online manuals, printed manuals, engine diagrams, and forum topics for johnson evinrude outboard carburetors. if your motor carb (carburetor) than you will find everthing you need to fully adjust the carb, rebuild, remove, inspect, and clean to. buy oem parts. Evinrude Carburetor Diagram.
From detoxicrecenze.com
Evinrude Etec Parts Diagram My Wiring DIagram Evinrude Carburetor Diagram buy oem parts for evinrude outboard 1994 carburetor diagram. Numbers in parenthesis used in these instructions are the index. learn how to adjust the carburetor of your johnson or evinrude engine for optimal performance. find online manuals, printed manuals, engine diagrams, and forum topics for johnson evinrude outboard carburetors. help support my channel by using the. Evinrude Carburetor Diagram.
From www.marineengine.com
Evinrude Carburetor Parts for 1973 18hp 18304A Outboard Motor Evinrude Carburetor Diagram buy oem parts for evinrude outboard 1994 carburetor diagram. learn how to adjust the carburetor of your johnson or evinrude engine for optimal performance. if your motor carb (carburetor) than you will find everthing you need to fully adjust the carb, rebuild, remove, inspect, and clean to. find online manuals, printed manuals, engine diagrams, and forum. Evinrude Carburetor Diagram.
From www.marineengine.com
Evinrude Carburetor & Intake Manifold Parts for 1995 90hp E90ELEOC Evinrude Carburetor Diagram find online manuals, printed manuals, engine diagrams, and forum topics for johnson evinrude outboard carburetors. help support my channel by using the link. learn how to adjust the carburetor of your johnson or evinrude engine for optimal performance. Numbers in parenthesis used in these instructions are the index. if your motor carb (carburetor) than you will. Evinrude Carburetor Diagram.
From www.marineengine.com
Evinrude Carburetor Parts for 1980 4hp E4RLCSS Outboard Motor Evinrude Carburetor Diagram learn how to adjust the carburetor of your johnson or evinrude engine for optimal performance. help support my channel by using the link. buy oem parts for evinrude outboard 1994 carburetor diagram. Numbers in parenthesis used in these instructions are the index. find online manuals, printed manuals, engine diagrams, and forum topics for johnson evinrude outboard. Evinrude Carburetor Diagram.
From www.crowleymarine.com
CARBURETOR 2001 Evinrude Outboards 25 E25PL4SIC Crowley Marine Evinrude Carburetor Diagram find online manuals, printed manuals, engine diagrams, and forum topics for johnson evinrude outboard carburetors. Numbers in parenthesis used in these instructions are the index. buy oem parts for evinrude outboard 1994 carburetor diagram. if your motor carb (carburetor) than you will find everthing you need to fully adjust the carb, rebuild, remove, inspect, and clean to.. Evinrude Carburetor Diagram.
From circuitlistupgraded123.z4.web.core.windows.net
70 Hp Evinrude Carburetor Diagram Evinrude Carburetor Diagram if your motor carb (carburetor) than you will find everthing you need to fully adjust the carb, rebuild, remove, inspect, and clean to. learn how to adjust the carburetor of your johnson or evinrude engine for optimal performance. Numbers in parenthesis used in these instructions are the index. buy oem parts for evinrude outboard 1994 carburetor diagram.. Evinrude Carburetor Diagram.
From www.crowleymarine.com
CARBURETOR 1973 Evinrude Outboards 9.5 9322B Crowley Marine Evinrude Carburetor Diagram find online manuals, printed manuals, engine diagrams, and forum topics for johnson evinrude outboard carburetors. buy oem parts for evinrude outboard 1994 carburetor diagram. help support my channel by using the link. if your motor carb (carburetor) than you will find everthing you need to fully adjust the carb, rebuild, remove, inspect, and clean to. . Evinrude Carburetor Diagram.
From www.crowleymarine.com
CARBURETOR 1991 Evinrude Outboards 3 E3REIA Crowley Marine Evinrude Carburetor Diagram if your motor carb (carburetor) than you will find everthing you need to fully adjust the carb, rebuild, remove, inspect, and clean to. help support my channel by using the link. learn how to adjust the carburetor of your johnson or evinrude engine for optimal performance. buy oem parts for evinrude outboard 1994 carburetor diagram. Numbers. Evinrude Carburetor Diagram.
From www.crowleymarine.com
CARBURETOR 30 H.P. 1993 Evinrude Outboards 25 E25TEETS Crowley Marine Evinrude Carburetor Diagram if your motor carb (carburetor) than you will find everthing you need to fully adjust the carb, rebuild, remove, inspect, and clean to. buy oem parts for evinrude outboard 1994 carburetor diagram. learn how to adjust the carburetor of your johnson or evinrude engine for optimal performance. Numbers in parenthesis used in these instructions are the index.. Evinrude Carburetor Diagram.
From www.selffixer.com
Evinrude 1994 115 E115TLERC, Carburetor parts catalog Evinrude Carburetor Diagram find online manuals, printed manuals, engine diagrams, and forum topics for johnson evinrude outboard carburetors. if your motor carb (carburetor) than you will find everthing you need to fully adjust the carb, rebuild, remove, inspect, and clean to. Numbers in parenthesis used in these instructions are the index. help support my channel by using the link. . Evinrude Carburetor Diagram.
From www.marineengine.com
Evinrude Carburetor Group Parts for 1970 18hp 18002E Outboard Motor Evinrude Carburetor Diagram learn how to adjust the carburetor of your johnson or evinrude engine for optimal performance. if your motor carb (carburetor) than you will find everthing you need to fully adjust the carb, rebuild, remove, inspect, and clean to. buy oem parts for evinrude outboard 1994 carburetor diagram. Numbers in parenthesis used in these instructions are the index.. Evinrude Carburetor Diagram.
From www.marineengine.com
Evinrude Carburetor Parts for 1981 70hp E70ELCIM Outboard Motor Evinrude Carburetor Diagram if your motor carb (carburetor) than you will find everthing you need to fully adjust the carb, rebuild, remove, inspect, and clean to. buy oem parts for evinrude outboard 1994 carburetor diagram. Numbers in parenthesis used in these instructions are the index. help support my channel by using the link. learn how to adjust the carburetor. Evinrude Carburetor Diagram.
From manualdatathirster.z19.web.core.windows.net
Evinrude 115 Parts Diagram Evinrude Carburetor Diagram buy oem parts for evinrude outboard 1994 carburetor diagram. learn how to adjust the carburetor of your johnson or evinrude engine for optimal performance. find online manuals, printed manuals, engine diagrams, and forum topics for johnson evinrude outboard carburetors. Numbers in parenthesis used in these instructions are the index. help support my channel by using the. Evinrude Carburetor Diagram.
From mungfali.com
50 HP Evinrude Parts Diagram Evinrude Carburetor Diagram help support my channel by using the link. Numbers in parenthesis used in these instructions are the index. buy oem parts for evinrude outboard 1994 carburetor diagram. learn how to adjust the carburetor of your johnson or evinrude engine for optimal performance. find online manuals, printed manuals, engine diagrams, and forum topics for johnson evinrude outboard. Evinrude Carburetor Diagram.
From www.vansoutboardparts.com
Evinrude Outboard Parts by HP 6 6403C 1974 CARBURETOR Evinrude Carburetor Diagram if your motor carb (carburetor) than you will find everthing you need to fully adjust the carb, rebuild, remove, inspect, and clean to. buy oem parts for evinrude outboard 1994 carburetor diagram. Numbers in parenthesis used in these instructions are the index. learn how to adjust the carburetor of your johnson or evinrude engine for optimal performance.. Evinrude Carburetor Diagram.
From www.marineengine.com
Evinrude Carburetorearly Production 90115 Only Parts for 1983 115hp Evinrude Carburetor Diagram find online manuals, printed manuals, engine diagrams, and forum topics for johnson evinrude outboard carburetors. help support my channel by using the link. if your motor carb (carburetor) than you will find everthing you need to fully adjust the carb, rebuild, remove, inspect, and clean to. Numbers in parenthesis used in these instructions are the index. . Evinrude Carburetor Diagram.
From circuitlibrarywalla.z13.web.core.windows.net
Evinrude Parts Lookup Diagram Evinrude Carburetor Diagram find online manuals, printed manuals, engine diagrams, and forum topics for johnson evinrude outboard carburetors. if your motor carb (carburetor) than you will find everthing you need to fully adjust the carb, rebuild, remove, inspect, and clean to. help support my channel by using the link. buy oem parts for evinrude outboard 1994 carburetor diagram. . Evinrude Carburetor Diagram.
From www.marineengine.com
Evinrude Carburetor Parts for 1986 25hp E25ECDR Outboard Motor Evinrude Carburetor Diagram find online manuals, printed manuals, engine diagrams, and forum topics for johnson evinrude outboard carburetors. buy oem parts for evinrude outboard 1994 carburetor diagram. if your motor carb (carburetor) than you will find everthing you need to fully adjust the carb, rebuild, remove, inspect, and clean to. help support my channel by using the link. . Evinrude Carburetor Diagram.
From www.pinterest.com
Evinrude Carburetorelectric Parts for 1963 28hp 28352A Outboard Motor Evinrude Carburetor Diagram learn how to adjust the carburetor of your johnson or evinrude engine for optimal performance. buy oem parts for evinrude outboard 1994 carburetor diagram. help support my channel by using the link. Numbers in parenthesis used in these instructions are the index. find online manuals, printed manuals, engine diagrams, and forum topics for johnson evinrude outboard. Evinrude Carburetor Diagram.
From readmanuals.com
Evinrude 1999 15 E15WRLEES, Carburetor parts catalog Evinrude Carburetor Diagram Numbers in parenthesis used in these instructions are the index. learn how to adjust the carburetor of your johnson or evinrude engine for optimal performance. find online manuals, printed manuals, engine diagrams, and forum topics for johnson evinrude outboard carburetors. if your motor carb (carburetor) than you will find everthing you need to fully adjust the carb,. Evinrude Carburetor Diagram.
From www.youtube.com
How to Rebuild a Evinrude Carburetor Step by Step YouTube Evinrude Carburetor Diagram find online manuals, printed manuals, engine diagrams, and forum topics for johnson evinrude outboard carburetors. Numbers in parenthesis used in these instructions are the index. if your motor carb (carburetor) than you will find everthing you need to fully adjust the carb, rebuild, remove, inspect, and clean to. learn how to adjust the carburetor of your johnson. Evinrude Carburetor Diagram.
From www.crowleymarine.com
CARBURETOR 1994 Evinrude Outboards 9.9 E10ELERB Crowley Marine Evinrude Carburetor Diagram if your motor carb (carburetor) than you will find everthing you need to fully adjust the carb, rebuild, remove, inspect, and clean to. buy oem parts for evinrude outboard 1994 carburetor diagram. help support my channel by using the link. Numbers in parenthesis used in these instructions are the index. learn how to adjust the carburetor. Evinrude Carburetor Diagram.
From www.marineengine.com
Evinrude Carburetor Parts for 1976 85hp 85693G Outboard Motor Evinrude Carburetor Diagram Numbers in parenthesis used in these instructions are the index. learn how to adjust the carburetor of your johnson or evinrude engine for optimal performance. help support my channel by using the link. if your motor carb (carburetor) than you will find everthing you need to fully adjust the carb, rebuild, remove, inspect, and clean to. . Evinrude Carburetor Diagram.
From www.marineengine.com
Evinrude Carburetor Parts for 1961 5.5hp 5523 Outboard Motor Evinrude Carburetor Diagram help support my channel by using the link. if your motor carb (carburetor) than you will find everthing you need to fully adjust the carb, rebuild, remove, inspect, and clean to. Numbers in parenthesis used in these instructions are the index. find online manuals, printed manuals, engine diagrams, and forum topics for johnson evinrude outboard carburetors. . Evinrude Carburetor Diagram.
From www.crowleymarine.com
CARBURETOR 1989 Evinrude Outboards 25 TE25ELCEB Crowley Marine Evinrude Carburetor Diagram if your motor carb (carburetor) than you will find everthing you need to fully adjust the carb, rebuild, remove, inspect, and clean to. buy oem parts for evinrude outboard 1994 carburetor diagram. learn how to adjust the carburetor of your johnson or evinrude engine for optimal performance. Numbers in parenthesis used in these instructions are the index.. Evinrude Carburetor Diagram.
From diagrampartaldermanly.z14.web.core.windows.net
Evinrude Parts Lookup Diagram Evinrude Carburetor Diagram find online manuals, printed manuals, engine diagrams, and forum topics for johnson evinrude outboard carburetors. help support my channel by using the link. buy oem parts for evinrude outboard 1994 carburetor diagram. learn how to adjust the carburetor of your johnson or evinrude engine for optimal performance. if your motor carb (carburetor) than you will. Evinrude Carburetor Diagram.
From www.marineengine.com
Evinrude Carburetor 25 H.p. Parts for 1993 25hp E25TEETS Outboard Motor Evinrude Carburetor Diagram Numbers in parenthesis used in these instructions are the index. help support my channel by using the link. if your motor carb (carburetor) than you will find everthing you need to fully adjust the carb, rebuild, remove, inspect, and clean to. buy oem parts for evinrude outboard 1994 carburetor diagram. find online manuals, printed manuals, engine. Evinrude Carburetor Diagram.
From manuallibfortis.z19.web.core.windows.net
70 Hp Evinrude Carburetor Diagram Evinrude Carburetor Diagram buy oem parts for evinrude outboard 1994 carburetor diagram. learn how to adjust the carburetor of your johnson or evinrude engine for optimal performance. Numbers in parenthesis used in these instructions are the index. if your motor carb (carburetor) than you will find everthing you need to fully adjust the carb, rebuild, remove, inspect, and clean to.. Evinrude Carburetor Diagram.
From www.marineengine.com
Evinrude Carburetor Parts for 1992 8hp E8RENM Outboard Motor Evinrude Carburetor Diagram find online manuals, printed manuals, engine diagrams, and forum topics for johnson evinrude outboard carburetors. buy oem parts for evinrude outboard 1994 carburetor diagram. help support my channel by using the link. Numbers in parenthesis used in these instructions are the index. if your motor carb (carburetor) than you will find everthing you need to fully. Evinrude Carburetor Diagram.
From www.marineengine.com
Reference numbers in this diagram can be found in a light blue row Evinrude Carburetor Diagram find online manuals, printed manuals, engine diagrams, and forum topics for johnson evinrude outboard carburetors. if your motor carb (carburetor) than you will find everthing you need to fully adjust the carb, rebuild, remove, inspect, and clean to. buy oem parts for evinrude outboard 1994 carburetor diagram. Numbers in parenthesis used in these instructions are the index.. Evinrude Carburetor Diagram.