Robot Controller Board . High power motor driver, perfect voltage system inside arduino nano carrier board. Arduino robot controller board for minisumo robots, line following robots. Its features include integrated dual motor drivers, a. Benefit from arduino open source platform, it is supported by.
from oshwlab.com
Its features include integrated dual motor drivers, a. High power motor driver, perfect voltage system inside arduino nano carrier board. Benefit from arduino open source platform, it is supported by. Arduino robot controller board for minisumo robots, line following robots.
Robot control board OSHWLab
Robot Controller Board High power motor driver, perfect voltage system inside arduino nano carrier board. Arduino robot controller board for minisumo robots, line following robots. Benefit from arduino open source platform, it is supported by. Its features include integrated dual motor drivers, a. High power motor driver, perfect voltage system inside arduino nano carrier board.
From robokits.co.in
AVR 40 Pin Rapid Robot controller board AVR 40 Pin Rapid Robot Robot Controller Board Its features include integrated dual motor drivers, a. Arduino robot controller board for minisumo robots, line following robots. High power motor driver, perfect voltage system inside arduino nano carrier board. Benefit from arduino open source platform, it is supported by. Robot Controller Board.
From www.liveauctionworld.com
(3) Emhart Robot Control Board, M/N E577B Robot Controller Board High power motor driver, perfect voltage system inside arduino nano carrier board. Arduino robot controller board for minisumo robots, line following robots. Its features include integrated dual motor drivers, a. Benefit from arduino open source platform, it is supported by. Robot Controller Board.
From www.rapidonline.com
DFRobot DFR0351 Romeo BLE Mini Arduino Robot Control Board with Robot Controller Board Benefit from arduino open source platform, it is supported by. Its features include integrated dual motor drivers, a. Arduino robot controller board for minisumo robots, line following robots. High power motor driver, perfect voltage system inside arduino nano carrier board. Robot Controller Board.
From www.sumozade.com
MiniZade Robot Controller Board Buy 43,00 USD Robot Controller Board Its features include integrated dual motor drivers, a. Arduino robot controller board for minisumo robots, line following robots. Benefit from arduino open source platform, it is supported by. High power motor driver, perfect voltage system inside arduino nano carrier board. Robot Controller Board.
From docs.sparkfun.com
Hardware Overview SparkFun XRP Robot Controller Hardware Overview Robot Controller Board Its features include integrated dual motor drivers, a. Arduino robot controller board for minisumo robots, line following robots. Benefit from arduino open source platform, it is supported by. High power motor driver, perfect voltage system inside arduino nano carrier board. Robot Controller Board.
From www.projecthub.in
Nano Robot Controller Board ProjectHub Robot Controller Board Its features include integrated dual motor drivers, a. Arduino robot controller board for minisumo robots, line following robots. Benefit from arduino open source platform, it is supported by. High power motor driver, perfect voltage system inside arduino nano carrier board. Robot Controller Board.
From www.sumozade.com
LineZade Robot Controller Board Buy 39,00 USD Robot Controller Board Benefit from arduino open source platform, it is supported by. Arduino robot controller board for minisumo robots, line following robots. Its features include integrated dual motor drivers, a. High power motor driver, perfect voltage system inside arduino nano carrier board. Robot Controller Board.
From fabcirablog.weebly.com
Grappling with the Arduino Robot Control Board Grappling with electronics Robot Controller Board High power motor driver, perfect voltage system inside arduino nano carrier board. Its features include integrated dual motor drivers, a. Benefit from arduino open source platform, it is supported by. Arduino robot controller board for minisumo robots, line following robots. Robot Controller Board.
From pangshka.tripod.com
General Purpose Robot Controller Board Robot Controller Board Benefit from arduino open source platform, it is supported by. Arduino robot controller board for minisumo robots, line following robots. High power motor driver, perfect voltage system inside arduino nano carrier board. Its features include integrated dual motor drivers, a. Robot Controller Board.
From www.instructables.com
Arduino Nano Robot Controller Board for L0Cost Robots Built on Matrix Robot Controller Board Its features include integrated dual motor drivers, a. Arduino robot controller board for minisumo robots, line following robots. High power motor driver, perfect voltage system inside arduino nano carrier board. Benefit from arduino open source platform, it is supported by. Robot Controller Board.
From www.projecthub.in
Nano Robot Controller Board ProjectHub Robot Controller Board Its features include integrated dual motor drivers, a. Benefit from arduino open source platform, it is supported by. Arduino robot controller board for minisumo robots, line following robots. High power motor driver, perfect voltage system inside arduino nano carrier board. Robot Controller Board.
From www.bananarobotics.com
DFRobot Romeo All In One Robot Controller V2 Robot Controller Board Arduino robot controller board for minisumo robots, line following robots. Benefit from arduino open source platform, it is supported by. Its features include integrated dual motor drivers, a. High power motor driver, perfect voltage system inside arduino nano carrier board. Robot Controller Board.
From www.jsumo.com
NanoKING Sumo Robot Controller Board, Arduino Nano Robot Controller Robot Controller Board High power motor driver, perfect voltage system inside arduino nano carrier board. Arduino robot controller board for minisumo robots, line following robots. Benefit from arduino open source platform, it is supported by. Its features include integrated dual motor drivers, a. Robot Controller Board.
From www.rapidonline.com
4tronix RoboHAT Robotics Controller Board for Raspberry Pi Rapid Online Robot Controller Board Benefit from arduino open source platform, it is supported by. Arduino robot controller board for minisumo robots, line following robots. High power motor driver, perfect voltage system inside arduino nano carrier board. Its features include integrated dual motor drivers, a. Robot Controller Board.
From www.rapidonline.com
DFRobot DFR0305 Romeo BLE Arduino Robot Control Board with Bluetooth Robot Controller Board Its features include integrated dual motor drivers, a. High power motor driver, perfect voltage system inside arduino nano carrier board. Benefit from arduino open source platform, it is supported by. Arduino robot controller board for minisumo robots, line following robots. Robot Controller Board.
From www.thanksbuyer.com
STM32F103RCT6 Control Board PID ClosedLoop Motor Driver+Bluetooth Omni Robot Controller Board Its features include integrated dual motor drivers, a. High power motor driver, perfect voltage system inside arduino nano carrier board. Benefit from arduino open source platform, it is supported by. Arduino robot controller board for minisumo robots, line following robots. Robot Controller Board.
From www.indiamart.com
ABB Robot Controller Board at Rs 48000 in Gurugram ID 25278938973 Robot Controller Board High power motor driver, perfect voltage system inside arduino nano carrier board. Benefit from arduino open source platform, it is supported by. Its features include integrated dual motor drivers, a. Arduino robot controller board for minisumo robots, line following robots. Robot Controller Board.
From www.dfrobot.com
Romeo V2 a Robot Control Board with Motor Driver with Robot Controller Board Its features include integrated dual motor drivers, a. Benefit from arduino open source platform, it is supported by. Arduino robot controller board for minisumo robots, line following robots. High power motor driver, perfect voltage system inside arduino nano carrier board. Robot Controller Board.
From www.ez-robot.com
Robot Controller Top Board with WiFi Robot Controller Board High power motor driver, perfect voltage system inside arduino nano carrier board. Its features include integrated dual motor drivers, a. Benefit from arduino open source platform, it is supported by. Arduino robot controller board for minisumo robots, line following robots. Robot Controller Board.
From oshwlab.com
Robot_controller_board EasyEDA open source hardware lab Robot Controller Board Arduino robot controller board for minisumo robots, line following robots. Its features include integrated dual motor drivers, a. High power motor driver, perfect voltage system inside arduino nano carrier board. Benefit from arduino open source platform, it is supported by. Robot Controller Board.
From www.electronics-lab.com
Maker Pi RP2040 Robot Controller Board for Motion Control Projects Robot Controller Board Benefit from arduino open source platform, it is supported by. Its features include integrated dual motor drivers, a. High power motor driver, perfect voltage system inside arduino nano carrier board. Arduino robot controller board for minisumo robots, line following robots. Robot Controller Board.
From oshwlab.com
Robot control board OSHWLab Robot Controller Board High power motor driver, perfect voltage system inside arduino nano carrier board. Arduino robot controller board for minisumo robots, line following robots. Benefit from arduino open source platform, it is supported by. Its features include integrated dual motor drivers, a. Robot Controller Board.
From www.getmicros.net
Maker Pi RP2040 a low cost robot controller board Get micros Robot Controller Board Its features include integrated dual motor drivers, a. Arduino robot controller board for minisumo robots, line following robots. High power motor driver, perfect voltage system inside arduino nano carrier board. Benefit from arduino open source platform, it is supported by. Robot Controller Board.
From www.youtube.com
6DOF Robot Arm controller motherboard Arduino YouTube Robot Controller Board Arduino robot controller board for minisumo robots, line following robots. Its features include integrated dual motor drivers, a. Benefit from arduino open source platform, it is supported by. High power motor driver, perfect voltage system inside arduino nano carrier board. Robot Controller Board.
From hongzhou2.en.made-in-china.com
Industrial Robot Controller Board and PCBA Circuit Board Assembling Robot Controller Board Its features include integrated dual motor drivers, a. Benefit from arduino open source platform, it is supported by. High power motor driver, perfect voltage system inside arduino nano carrier board. Arduino robot controller board for minisumo robots, line following robots. Robot Controller Board.
From www.sumozade.com
MiniZade Robot Controller Board Buy 43,00 USD Robot Controller Board Benefit from arduino open source platform, it is supported by. High power motor driver, perfect voltage system inside arduino nano carrier board. Its features include integrated dual motor drivers, a. Arduino robot controller board for minisumo robots, line following robots. Robot Controller Board.
From www.jsumo.com
ArduPRO Robot Controller (With Arduino Nano) Arduino Based Jsumo Robot Controller Board Benefit from arduino open source platform, it is supported by. Its features include integrated dual motor drivers, a. High power motor driver, perfect voltage system inside arduino nano carrier board. Arduino robot controller board for minisumo robots, line following robots. Robot Controller Board.
From www.kiwi-electronics.com
RoboBoard X4 Programmable Robotics Controller Kiwi Electronics Robot Controller Board Its features include integrated dual motor drivers, a. High power motor driver, perfect voltage system inside arduino nano carrier board. Benefit from arduino open source platform, it is supported by. Arduino robot controller board for minisumo robots, line following robots. Robot Controller Board.
From www.jsumo.com
NanoKING Sumo Robot Controller Board, Arduino Nano Robot Controller Robot Controller Board Its features include integrated dual motor drivers, a. Benefit from arduino open source platform, it is supported by. High power motor driver, perfect voltage system inside arduino nano carrier board. Arduino robot controller board for minisumo robots, line following robots. Robot Controller Board.
From www.sumozade.com
RedNova Robot Controller Board Buy 59,00 USD Robot Controller Board Arduino robot controller board for minisumo robots, line following robots. Benefit from arduino open source platform, it is supported by. High power motor driver, perfect voltage system inside arduino nano carrier board. Its features include integrated dual motor drivers, a. Robot Controller Board.
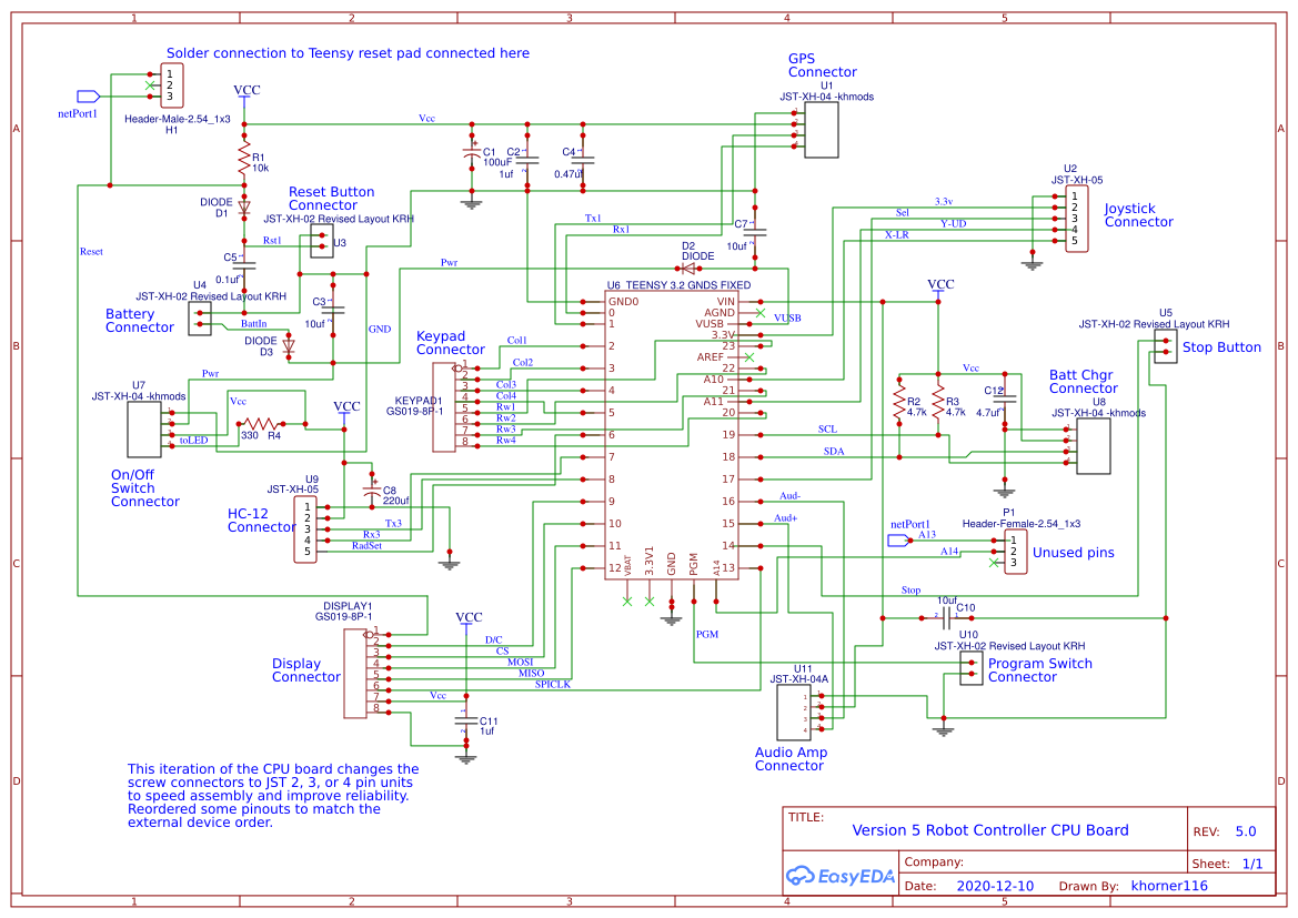
From oshwlab.com
Robot Controller CPU board Ver 5 OSHWLab Robot Controller Board High power motor driver, perfect voltage system inside arduino nano carrier board. Benefit from arduino open source platform, it is supported by. Arduino robot controller board for minisumo robots, line following robots. Its features include integrated dual motor drivers, a. Robot Controller Board.
From www.indiamart.com
ABB Robot Controller Board at Rs 48000 in Gurugram ID 25278938973 Robot Controller Board High power motor driver, perfect voltage system inside arduino nano carrier board. Its features include integrated dual motor drivers, a. Arduino robot controller board for minisumo robots, line following robots. Benefit from arduino open source platform, it is supported by. Robot Controller Board.
From www.electronics-lab.com
Maker Pi RP2040 Robot Controller Board for Motion Control Projects Robot Controller Board Arduino robot controller board for minisumo robots, line following robots. Its features include integrated dual motor drivers, a. High power motor driver, perfect voltage system inside arduino nano carrier board. Benefit from arduino open source platform, it is supported by. Robot Controller Board.
From baijiarobot.en.made-in-china.com
Leonardo Robot Controller Board with Motor Driver China Arduino Board Robot Controller Board Arduino robot controller board for minisumo robots, line following robots. High power motor driver, perfect voltage system inside arduino nano carrier board. Its features include integrated dual motor drivers, a. Benefit from arduino open source platform, it is supported by. Robot Controller Board.
From www.jsumo.com
Genesis Arduino Nano Robot Controller Mainboard Robot Controller Board Arduino robot controller board for minisumo robots, line following robots. High power motor driver, perfect voltage system inside arduino nano carrier board. Benefit from arduino open source platform, it is supported by. Its features include integrated dual motor drivers, a. Robot Controller Board.