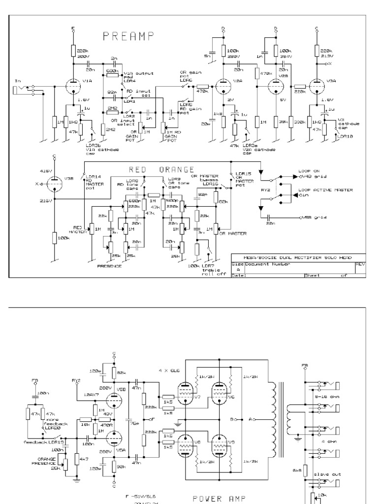
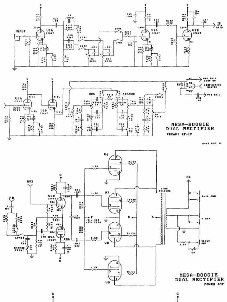
Mesa Boogie Dual Rectifier Circuit Diagram . Mesa boogie schematics provide detailed diagrams and information about the internal components and circuitry of the amplifiers, allowing you to. Dual & triple rectifier musical instrument amplifier pdf. This is the original operating instructions and owners manual that came with the 1st year production of the dual rectifier in 1992. The following schematic is sample only,. 51 rows click the link above for tube amp info, schematics, board building information, projects, mods, transformer diagrams, photo's, sound. 3 channel dual / triple rectifier solo head control function type mesa part# control function type mesa part# slave external swtch (5) jack. View and download mesa/boogie dual & triple rectifier owner's manual online. The following diagram is mesa boogie dual rectifier solo head schematic diagram.
from en.audiofanzine.com
3 channel dual / triple rectifier solo head control function type mesa part# control function type mesa part# slave external swtch (5) jack. View and download mesa/boogie dual & triple rectifier owner's manual online. This is the original operating instructions and owners manual that came with the 1st year production of the dual rectifier in 1992. The following schematic is sample only,. The following diagram is mesa boogie dual rectifier solo head schematic diagram. Dual & triple rectifier musical instrument amplifier pdf. 51 rows click the link above for tube amp info, schematics, board building information, projects, mods, transformer diagrams, photo's, sound. Mesa boogie schematics provide detailed diagrams and information about the internal components and circuitry of the amplifiers, allowing you to.
Dual Rectifier 2 Channels Mesa Boogie Audiofanzine
Mesa Boogie Dual Rectifier Circuit Diagram This is the original operating instructions and owners manual that came with the 1st year production of the dual rectifier in 1992. 3 channel dual / triple rectifier solo head control function type mesa part# control function type mesa part# slave external swtch (5) jack. The following schematic is sample only,. Mesa boogie schematics provide detailed diagrams and information about the internal components and circuitry of the amplifiers, allowing you to. The following diagram is mesa boogie dual rectifier solo head schematic diagram. View and download mesa/boogie dual & triple rectifier owner's manual online. Dual & triple rectifier musical instrument amplifier pdf. 51 rows click the link above for tube amp info, schematics, board building information, projects, mods, transformer diagrams, photo's, sound. This is the original operating instructions and owners manual that came with the 1st year production of the dual rectifier in 1992.
From valveir.com
Mesa Boogie Dual Rectifier (Rev F) ValveIR Neural DSP Captures Mesa Boogie Dual Rectifier Circuit Diagram View and download mesa/boogie dual & triple rectifier owner's manual online. 3 channel dual / triple rectifier solo head control function type mesa part# control function type mesa part# slave external swtch (5) jack. 51 rows click the link above for tube amp info, schematics, board building information, projects, mods, transformer diagrams, photo's, sound. The following schematic is sample only,.. Mesa Boogie Dual Rectifier Circuit Diagram.
From vdocuments.mx
Mesa Boogie Dual RectifierEsquema [Download PDF] Mesa Boogie Dual Rectifier Circuit Diagram 51 rows click the link above for tube amp info, schematics, board building information, projects, mods, transformer diagrams, photo's, sound. Mesa boogie schematics provide detailed diagrams and information about the internal components and circuitry of the amplifiers, allowing you to. The following diagram is mesa boogie dual rectifier solo head schematic diagram. This is the original operating instructions and owners. Mesa Boogie Dual Rectifier Circuit Diagram.
From www.youtube.com
How to EQ a Mesa Boogie Dual Rectifier Rev F YouTube Mesa Boogie Dual Rectifier Circuit Diagram 51 rows click the link above for tube amp info, schematics, board building information, projects, mods, transformer diagrams, photo's, sound. Dual & triple rectifier musical instrument amplifier pdf. View and download mesa/boogie dual & triple rectifier owner's manual online. This is the original operating instructions and owners manual that came with the 1st year production of the dual rectifier in. Mesa Boogie Dual Rectifier Circuit Diagram.
From wiringdiagram.2bitboer.com
Mesa Boogie Wiring Diagrams Wiring Diagram Mesa Boogie Dual Rectifier Circuit Diagram View and download mesa/boogie dual & triple rectifier owner's manual online. The following schematic is sample only,. Mesa boogie schematics provide detailed diagrams and information about the internal components and circuitry of the amplifiers, allowing you to. Dual & triple rectifier musical instrument amplifier pdf. 3 channel dual / triple rectifier solo head control function type mesa part# control function. Mesa Boogie Dual Rectifier Circuit Diagram.
From www.mesaboogie.com
Mesa/Boogie Dual Rectifier Head Mesa Boogie Dual Rectifier Circuit Diagram View and download mesa/boogie dual & triple rectifier owner's manual online. 51 rows click the link above for tube amp info, schematics, board building information, projects, mods, transformer diagrams, photo's, sound. The following schematic is sample only,. Mesa boogie schematics provide detailed diagrams and information about the internal components and circuitry of the amplifiers, allowing you to. This is the. Mesa Boogie Dual Rectifier Circuit Diagram.
From schematicfixgrunwald.z19.web.core.windows.net
Mesa Boogie Dual Rectifier Schematic Mesa Boogie Dual Rectifier Circuit Diagram Mesa boogie schematics provide detailed diagrams and information about the internal components and circuitry of the amplifiers, allowing you to. The following schematic is sample only,. 51 rows click the link above for tube amp info, schematics, board building information, projects, mods, transformer diagrams, photo's, sound. This is the original operating instructions and owners manual that came with the 1st. Mesa Boogie Dual Rectifier Circuit Diagram.
From www.youtube.com
Mesa Boogie Dual Rectifier Revision F Chrome YouTube Mesa Boogie Dual Rectifier Circuit Diagram Dual & triple rectifier musical instrument amplifier pdf. Mesa boogie schematics provide detailed diagrams and information about the internal components and circuitry of the amplifiers, allowing you to. The following diagram is mesa boogie dual rectifier solo head schematic diagram. This is the original operating instructions and owners manual that came with the 1st year production of the dual rectifier. Mesa Boogie Dual Rectifier Circuit Diagram.
From www.pinterest.ca
The Free Information Society Mesa Boogie Dual Rectifier Electronic Mesa Boogie Dual Rectifier Circuit Diagram 51 rows click the link above for tube amp info, schematics, board building information, projects, mods, transformer diagrams, photo's, sound. 3 channel dual / triple rectifier solo head control function type mesa part# control function type mesa part# slave external swtch (5) jack. Mesa boogie schematics provide detailed diagrams and information about the internal components and circuitry of the amplifiers,. Mesa Boogie Dual Rectifier Circuit Diagram.
From schematicfixgrunwald.z19.web.core.windows.net
Mesa Boogie Mark Iic+ Schematic Mesa Boogie Dual Rectifier Circuit Diagram The following diagram is mesa boogie dual rectifier solo head schematic diagram. Mesa boogie schematics provide detailed diagrams and information about the internal components and circuitry of the amplifiers, allowing you to. This is the original operating instructions and owners manual that came with the 1st year production of the dual rectifier in 1992. 3 channel dual / triple rectifier. Mesa Boogie Dual Rectifier Circuit Diagram.
From userdatahogan88.z19.web.core.windows.net
Mesa Boogie Dual Rectifier Manual Mesa Boogie Dual Rectifier Circuit Diagram Dual & triple rectifier musical instrument amplifier pdf. Mesa boogie schematics provide detailed diagrams and information about the internal components and circuitry of the amplifiers, allowing you to. The following schematic is sample only,. The following diagram is mesa boogie dual rectifier solo head schematic diagram. 51 rows click the link above for tube amp info, schematics, board building information,. Mesa Boogie Dual Rectifier Circuit Diagram.
From trentstuff.com
1993 Mesa Boogie Maverick Dual Rectifier PCB, Electronics, Inside Guts Mesa Boogie Dual Rectifier Circuit Diagram 3 channel dual / triple rectifier solo head control function type mesa part# control function type mesa part# slave external swtch (5) jack. Dual & triple rectifier musical instrument amplifier pdf. View and download mesa/boogie dual & triple rectifier owner's manual online. 51 rows click the link above for tube amp info, schematics, board building information, projects, mods, transformer diagrams,. Mesa Boogie Dual Rectifier Circuit Diagram.
From www.pinterest.com
The Free Information Society Mesa Boogie Dual Rectifier Electronic Mesa Boogie Dual Rectifier Circuit Diagram View and download mesa/boogie dual & triple rectifier owner's manual online. This is the original operating instructions and owners manual that came with the 1st year production of the dual rectifier in 1992. 3 channel dual / triple rectifier solo head control function type mesa part# control function type mesa part# slave external swtch (5) jack. The following diagram is. Mesa Boogie Dual Rectifier Circuit Diagram.
From www.caretxdigital.com
dual rectifier schematic Wiring Diagram and Schematics Mesa Boogie Dual Rectifier Circuit Diagram The following diagram is mesa boogie dual rectifier solo head schematic diagram. 51 rows click the link above for tube amp info, schematics, board building information, projects, mods, transformer diagrams, photo's, sound. View and download mesa/boogie dual & triple rectifier owner's manual online. This is the original operating instructions and owners manual that came with the 1st year production of. Mesa Boogie Dual Rectifier Circuit Diagram.
From www.rueckkopplunghamburg.de
Mesa Boogie Dual Rectifier ReBorn Rückkopplung Hamburg Mesa Boogie Dual Rectifier Circuit Diagram Dual & triple rectifier musical instrument amplifier pdf. The following diagram is mesa boogie dual rectifier solo head schematic diagram. 3 channel dual / triple rectifier solo head control function type mesa part# control function type mesa part# slave external swtch (5) jack. Mesa boogie schematics provide detailed diagrams and information about the internal components and circuitry of the amplifiers,. Mesa Boogie Dual Rectifier Circuit Diagram.
From www.youtube.com
Mesa Boogie Dual Rectifier parte 1 YouTube Mesa Boogie Dual Rectifier Circuit Diagram 3 channel dual / triple rectifier solo head control function type mesa part# control function type mesa part# slave external swtch (5) jack. Mesa boogie schematics provide detailed diagrams and information about the internal components and circuitry of the amplifiers, allowing you to. Dual & triple rectifier musical instrument amplifier pdf. The following schematic is sample only,. This is the. Mesa Boogie Dual Rectifier Circuit Diagram.
From schematicgrisette.z13.web.core.windows.net
Mesa Boogie Dual Rectifier Circuit Diagram Mesa Boogie Dual Rectifier Circuit Diagram The following diagram is mesa boogie dual rectifier solo head schematic diagram. The following schematic is sample only,. 3 channel dual / triple rectifier solo head control function type mesa part# control function type mesa part# slave external swtch (5) jack. 51 rows click the link above for tube amp info, schematics, board building information, projects, mods, transformer diagrams, photo's,. Mesa Boogie Dual Rectifier Circuit Diagram.
From www.mesaboogie.com
Mesa/Boogie Dual Rectifier Head Mesa Boogie Dual Rectifier Circuit Diagram Mesa boogie schematics provide detailed diagrams and information about the internal components and circuitry of the amplifiers, allowing you to. The following diagram is mesa boogie dual rectifier solo head schematic diagram. This is the original operating instructions and owners manual that came with the 1st year production of the dual rectifier in 1992. Dual & triple rectifier musical instrument. Mesa Boogie Dual Rectifier Circuit Diagram.
From userdiagramsullivan.z4.web.core.windows.net
Mesa Boogie Dual Rectifier Schematic Mesa Boogie Dual Rectifier Circuit Diagram View and download mesa/boogie dual & triple rectifier owner's manual online. Dual & triple rectifier musical instrument amplifier pdf. 3 channel dual / triple rectifier solo head control function type mesa part# control function type mesa part# slave external swtch (5) jack. The following diagram is mesa boogie dual rectifier solo head schematic diagram. Mesa boogie schematics provide detailed diagrams. Mesa Boogie Dual Rectifier Circuit Diagram.
From circuitdiagram.net
Mesa Boogie Dual Rectifier schematic diagram Mesa Boogie Dual Rectifier Circuit Diagram Mesa boogie schematics provide detailed diagrams and information about the internal components and circuitry of the amplifiers, allowing you to. The following schematic is sample only,. Dual & triple rectifier musical instrument amplifier pdf. 51 rows click the link above for tube amp info, schematics, board building information, projects, mods, transformer diagrams, photo's, sound. View and download mesa/boogie dual &. Mesa Boogie Dual Rectifier Circuit Diagram.
From www.scribd.com
Mesa Boogie Dual Rectifier Solo Schematics PDF Mesa Boogie Dual Rectifier Circuit Diagram The following schematic is sample only,. View and download mesa/boogie dual & triple rectifier owner's manual online. Dual & triple rectifier musical instrument amplifier pdf. This is the original operating instructions and owners manual that came with the 1st year production of the dual rectifier in 1992. Mesa boogie schematics provide detailed diagrams and information about the internal components and. Mesa Boogie Dual Rectifier Circuit Diagram.
From www.hifistor.com
MOD Mesa Boogie Dual Rectifier Tube Preamplifier Pedal HiFiStor Mesa Boogie Dual Rectifier Circuit Diagram Dual & triple rectifier musical instrument amplifier pdf. Mesa boogie schematics provide detailed diagrams and information about the internal components and circuitry of the amplifiers, allowing you to. View and download mesa/boogie dual & triple rectifier owner's manual online. 51 rows click the link above for tube amp info, schematics, board building information, projects, mods, transformer diagrams, photo's, sound. This. Mesa Boogie Dual Rectifier Circuit Diagram.
From enginemanualkortig.z19.web.core.windows.net
Mesa Boogie Dual Rectifier Schematic Mesa Boogie Dual Rectifier Circuit Diagram The following schematic is sample only,. This is the original operating instructions and owners manual that came with the 1st year production of the dual rectifier in 1992. 51 rows click the link above for tube amp info, schematics, board building information, projects, mods, transformer diagrams, photo's, sound. Mesa boogie schematics provide detailed diagrams and information about the internal components. Mesa Boogie Dual Rectifier Circuit Diagram.
From www.youtube.com
Mesa Boogie Dual Rectifier Tube Amp Maintenance 101 YouTube Mesa Boogie Dual Rectifier Circuit Diagram The following schematic is sample only,. The following diagram is mesa boogie dual rectifier solo head schematic diagram. This is the original operating instructions and owners manual that came with the 1st year production of the dual rectifier in 1992. View and download mesa/boogie dual & triple rectifier owner's manual online. Dual & triple rectifier musical instrument amplifier pdf. 3. Mesa Boogie Dual Rectifier Circuit Diagram.
From en.audiofanzine.com
Mesa Boogie Dual Rectifier 2 Channels image (1344394) Audiofanzine Mesa Boogie Dual Rectifier Circuit Diagram Mesa boogie schematics provide detailed diagrams and information about the internal components and circuitry of the amplifiers, allowing you to. Dual & triple rectifier musical instrument amplifier pdf. 3 channel dual / triple rectifier solo head control function type mesa part# control function type mesa part# slave external swtch (5) jack. This is the original operating instructions and owners manual. Mesa Boogie Dual Rectifier Circuit Diagram.
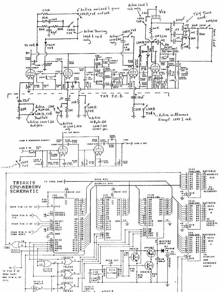
From www.scribd.com
MesaBoogieTriaxisSchematic.pdf Mesa Boogie Dual Rectifier Circuit Diagram Dual & triple rectifier musical instrument amplifier pdf. View and download mesa/boogie dual & triple rectifier owner's manual online. 51 rows click the link above for tube amp info, schematics, board building information, projects, mods, transformer diagrams, photo's, sound. This is the original operating instructions and owners manual that came with the 1st year production of the dual rectifier in. Mesa Boogie Dual Rectifier Circuit Diagram.
From www.ampworks.co.uk
Mesa Boogie Repair Maverick, Newark Ampworks Mesa Boogie Dual Rectifier Circuit Diagram 51 rows click the link above for tube amp info, schematics, board building information, projects, mods, transformer diagrams, photo's, sound. The following schematic is sample only,. View and download mesa/boogie dual & triple rectifier owner's manual online. This is the original operating instructions and owners manual that came with the 1st year production of the dual rectifier in 1992. The. Mesa Boogie Dual Rectifier Circuit Diagram.
From circuitdiagram.net
Mesa Boogie Dual Rectifier schematic diagram Mesa Boogie Dual Rectifier Circuit Diagram Mesa boogie schematics provide detailed diagrams and information about the internal components and circuitry of the amplifiers, allowing you to. The following diagram is mesa boogie dual rectifier solo head schematic diagram. 51 rows click the link above for tube amp info, schematics, board building information, projects, mods, transformer diagrams, photo's, sound. Dual & triple rectifier musical instrument amplifier pdf.. Mesa Boogie Dual Rectifier Circuit Diagram.
From chineselanternslightsreviews.blogspot.com
©Mesa Boogie 2X12 Wiring Diagram ⭐⭐⭐⭐⭐ Chinese lanterns lights reviews Mesa Boogie Dual Rectifier Circuit Diagram This is the original operating instructions and owners manual that came with the 1st year production of the dual rectifier in 1992. View and download mesa/boogie dual & triple rectifier owner's manual online. Mesa boogie schematics provide detailed diagrams and information about the internal components and circuitry of the amplifiers, allowing you to. The following schematic is sample only,. Dual. Mesa Boogie Dual Rectifier Circuit Diagram.
From www.pinterest.com
The Free Information Society Mesa Boogie Dual Rectifier Electronic Mesa Boogie Dual Rectifier Circuit Diagram 51 rows click the link above for tube amp info, schematics, board building information, projects, mods, transformer diagrams, photo's, sound. The following schematic is sample only,. This is the original operating instructions and owners manual that came with the 1st year production of the dual rectifier in 1992. Dual & triple rectifier musical instrument amplifier pdf. The following diagram is. Mesa Boogie Dual Rectifier Circuit Diagram.
From wireengineregina.z21.web.core.windows.net
Mesa Boogie Dual Rectifier Circuit Diagram Mesa Boogie Dual Rectifier Circuit Diagram 51 rows click the link above for tube amp info, schematics, board building information, projects, mods, transformer diagrams, photo's, sound. View and download mesa/boogie dual & triple rectifier owner's manual online. This is the original operating instructions and owners manual that came with the 1st year production of the dual rectifier in 1992. Mesa boogie schematics provide detailed diagrams and. Mesa Boogie Dual Rectifier Circuit Diagram.
From www.pinterest.com
The Free Information Society Mesa Boogie Dual Rectifier Electronic Mesa Boogie Dual Rectifier Circuit Diagram The following diagram is mesa boogie dual rectifier solo head schematic diagram. 51 rows click the link above for tube amp info, schematics, board building information, projects, mods, transformer diagrams, photo's, sound. View and download mesa/boogie dual & triple rectifier owner's manual online. The following schematic is sample only,. This is the original operating instructions and owners manual that came. Mesa Boogie Dual Rectifier Circuit Diagram.
From en.audiofanzine.com
Dual Rectifier 2 Channels Mesa Boogie Audiofanzine Mesa Boogie Dual Rectifier Circuit Diagram The following schematic is sample only,. Mesa boogie schematics provide detailed diagrams and information about the internal components and circuitry of the amplifiers, allowing you to. View and download mesa/boogie dual & triple rectifier owner's manual online. The following diagram is mesa boogie dual rectifier solo head schematic diagram. 51 rows click the link above for tube amp info, schematics,. Mesa Boogie Dual Rectifier Circuit Diagram.
From www.youtube.com
Mesa Boogie Dual Rectifier Solo Head indepth demo! (15 guitars) YouTube Mesa Boogie Dual Rectifier Circuit Diagram Mesa boogie schematics provide detailed diagrams and information about the internal components and circuitry of the amplifiers, allowing you to. This is the original operating instructions and owners manual that came with the 1st year production of the dual rectifier in 1992. 51 rows click the link above for tube amp info, schematics, board building information, projects, mods, transformer diagrams,. Mesa Boogie Dual Rectifier Circuit Diagram.
From stewart-switch.com
Mesa Boogie Dual Rectifier Schematic Mesa Boogie Dual Rectifier Circuit Diagram The following diagram is mesa boogie dual rectifier solo head schematic diagram. 3 channel dual / triple rectifier solo head control function type mesa part# control function type mesa part# slave external swtch (5) jack. Mesa boogie schematics provide detailed diagrams and information about the internal components and circuitry of the amplifiers, allowing you to. View and download mesa/boogie dual. Mesa Boogie Dual Rectifier Circuit Diagram.
From www.scribd.com
Mesa Boogie Dual Rectifier Schematic Diagram PDF Mesa Boogie Dual Rectifier Circuit Diagram View and download mesa/boogie dual & triple rectifier owner's manual online. Mesa boogie schematics provide detailed diagrams and information about the internal components and circuitry of the amplifiers, allowing you to. The following schematic is sample only,. Dual & triple rectifier musical instrument amplifier pdf. 3 channel dual / triple rectifier solo head control function type mesa part# control function. Mesa Boogie Dual Rectifier Circuit Diagram.