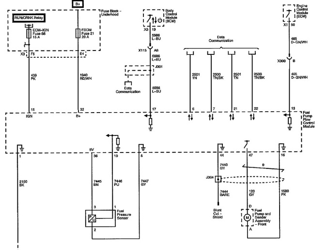
Gm Fuel Pump Module Programming . i know a lot of you have been asking why i don't make videos showing the programming process. this part requires programming and/or special setup procedures gm service information describes the procedures and special tools needed. the gm fscm is there primarily to run the fuel pump itself, and is responsible for maintaining the required. Connect pin1 (black ground) to pin16 (pink ground) 2. follow along with lead instructor, jeff evans, as he walks you. It needs to have the correct vin programmed as. yes the fuel pump control module will need to be programmed. Connect pin32 (rd/wh batt + ) to.
from manuallibjiggle.z5.web.core.windows.net
It needs to have the correct vin programmed as. follow along with lead instructor, jeff evans, as he walks you. i know a lot of you have been asking why i don't make videos showing the programming process. Connect pin1 (black ground) to pin16 (pink ground) 2. Connect pin32 (rd/wh batt + ) to. yes the fuel pump control module will need to be programmed. the gm fscm is there primarily to run the fuel pump itself, and is responsible for maintaining the required. this part requires programming and/or special setup procedures gm service information describes the procedures and special tools needed.
Gm Fuel Pump Control Module
Gm Fuel Pump Module Programming this part requires programming and/or special setup procedures gm service information describes the procedures and special tools needed. follow along with lead instructor, jeff evans, as he walks you. It needs to have the correct vin programmed as. yes the fuel pump control module will need to be programmed. the gm fscm is there primarily to run the fuel pump itself, and is responsible for maintaining the required. Connect pin1 (black ground) to pin16 (pink ground) 2. this part requires programming and/or special setup procedures gm service information describes the procedures and special tools needed. i know a lot of you have been asking why i don't make videos showing the programming process. Connect pin32 (rd/wh batt + ) to.
From machineausterlitz101.z21.web.core.windows.net
2019 Gmc Sierra Fuel Pump Control Module Gm Fuel Pump Module Programming It needs to have the correct vin programmed as. this part requires programming and/or special setup procedures gm service information describes the procedures and special tools needed. Connect pin1 (black ground) to pin16 (pink ground) 2. Connect pin32 (rd/wh batt + ) to. the gm fscm is there primarily to run the fuel pump itself, and is responsible. Gm Fuel Pump Module Programming.
From www.youtube.com
How to Replace a Fuel Pump in GMC Sierra / Silverado Fuel Pump Gm Fuel Pump Module Programming It needs to have the correct vin programmed as. the gm fscm is there primarily to run the fuel pump itself, and is responsible for maintaining the required. Connect pin1 (black ground) to pin16 (pink ground) 2. Connect pin32 (rd/wh batt + ) to. follow along with lead instructor, jeff evans, as he walks you. this part. Gm Fuel Pump Module Programming.
From exovaolyn.blob.core.windows.net
Gm Fuel Pump Control Module Programming at Jessica Viola blog Gm Fuel Pump Module Programming Connect pin1 (black ground) to pin16 (pink ground) 2. It needs to have the correct vin programmed as. the gm fscm is there primarily to run the fuel pump itself, and is responsible for maintaining the required. yes the fuel pump control module will need to be programmed. follow along with lead instructor, jeff evans, as he. Gm Fuel Pump Module Programming.
From www.garretttuning.com
PROGRAMMED NEW ACDELCO 2013 TO 2014 GM FUEL PUMP CONTROL MODULE FSCM Gm Fuel Pump Module Programming the gm fscm is there primarily to run the fuel pump itself, and is responsible for maintaining the required. i know a lot of you have been asking why i don't make videos showing the programming process. Connect pin1 (black ground) to pin16 (pink ground) 2. Connect pin32 (rd/wh batt + ) to. It needs to have the. Gm Fuel Pump Module Programming.
From paceperformance.com
13592337 Electric Fuel Pump Module Kit, Without Fuel Level Sen GM Gm Fuel Pump Module Programming the gm fscm is there primarily to run the fuel pump itself, and is responsible for maintaining the required. yes the fuel pump control module will need to be programmed. Connect pin1 (black ground) to pin16 (pink ground) 2. i know a lot of you have been asking why i don't make videos showing the programming process.. Gm Fuel Pump Module Programming.
From www.gmpartscenter.net
19982000 GM Fuel Pump Module Kit with Sender and Seal 19369922 GM Gm Fuel Pump Module Programming this part requires programming and/or special setup procedures gm service information describes the procedures and special tools needed. It needs to have the correct vin programmed as. follow along with lead instructor, jeff evans, as he walks you. yes the fuel pump control module will need to be programmed. Connect pin1 (black ground) to pin16 (pink ground). Gm Fuel Pump Module Programming.
From www.carid.com
ACDelco® Chevy Silverado 2013 GM Original Equipment™ Fuel Pump Module Gm Fuel Pump Module Programming i know a lot of you have been asking why i don't make videos showing the programming process. this part requires programming and/or special setup procedures gm service information describes the procedures and special tools needed. the gm fscm is there primarily to run the fuel pump itself, and is responsible for maintaining the required. It needs. Gm Fuel Pump Module Programming.
From techschems.com
The Complete Guide to GM Fuel Pump Wiring Troubleshooting and Solutions Gm Fuel Pump Module Programming Connect pin1 (black ground) to pin16 (pink ground) 2. this part requires programming and/or special setup procedures gm service information describes the procedures and special tools needed. follow along with lead instructor, jeff evans, as he walks you. the gm fscm is there primarily to run the fuel pump itself, and is responsible for maintaining the required.. Gm Fuel Pump Module Programming.
From enginesohelyet.z14.web.core.windows.net
2007 Silverado Fuel Pump Control Module Gm Fuel Pump Module Programming follow along with lead instructor, jeff evans, as he walks you. Connect pin32 (rd/wh batt + ) to. i know a lot of you have been asking why i don't make videos showing the programming process. yes the fuel pump control module will need to be programmed. this part requires programming and/or special setup procedures gm. Gm Fuel Pump Module Programming.
From www.gmpartsonline.net
20162019 GM Fuel Tank Fuel Pump Module Kit without Level Sensor, with Gm Fuel Pump Module Programming follow along with lead instructor, jeff evans, as he walks you. Connect pin1 (black ground) to pin16 (pink ground) 2. this part requires programming and/or special setup procedures gm service information describes the procedures and special tools needed. the gm fscm is there primarily to run the fuel pump itself, and is responsible for maintaining the required.. Gm Fuel Pump Module Programming.
From www.carid.com
ACDelco® M100140 Rear GM Original Equipment™ Fuel Pump Module Assembly Gm Fuel Pump Module Programming Connect pin32 (rd/wh batt + ) to. It needs to have the correct vin programmed as. i know a lot of you have been asking why i don't make videos showing the programming process. the gm fscm is there primarily to run the fuel pump itself, and is responsible for maintaining the required. Connect pin1 (black ground) to. Gm Fuel Pump Module Programming.
From www.ebay.com
VIN PROGRAMMED 201012 GM Fuel pump control module FSCM 20791901 GM eBay Gm Fuel Pump Module Programming Connect pin1 (black ground) to pin16 (pink ground) 2. yes the fuel pump control module will need to be programmed. this part requires programming and/or special setup procedures gm service information describes the procedures and special tools needed. follow along with lead instructor, jeff evans, as he walks you. It needs to have the correct vin programmed. Gm Fuel Pump Module Programming.
From www.youtube.com
DW400 GM/Chevy 1500 Fuel Pump Module YouTube Gm Fuel Pump Module Programming this part requires programming and/or special setup procedures gm service information describes the procedures and special tools needed. Connect pin32 (rd/wh batt + ) to. It needs to have the correct vin programmed as. the gm fscm is there primarily to run the fuel pump itself, and is responsible for maintaining the required. follow along with lead. Gm Fuel Pump Module Programming.
From wiring.hpricorpcom.com
Wiring Diagram For Gm Fuel Pump Wiring Diagram and Schematic Gm Fuel Pump Module Programming It needs to have the correct vin programmed as. this part requires programming and/or special setup procedures gm service information describes the procedures and special tools needed. Connect pin32 (rd/wh batt + ) to. Connect pin1 (black ground) to pin16 (pink ground) 2. i know a lot of you have been asking why i don't make videos showing. Gm Fuel Pump Module Programming.
From lincolndieselspecialties.com
GM OEM L5P Fuel Pump Module Assembly (Sending Unit) Gm Fuel Pump Module Programming yes the fuel pump control module will need to be programmed. i know a lot of you have been asking why i don't make videos showing the programming process. follow along with lead instructor, jeff evans, as he walks you. Connect pin1 (black ground) to pin16 (pink ground) 2. Connect pin32 (rd/wh batt + ) to. . Gm Fuel Pump Module Programming.
From wiringdbalexandra.z5.web.core.windows.net
Gm Fuel Pump Control Module Programming Gm Fuel Pump Module Programming yes the fuel pump control module will need to be programmed. Connect pin32 (rd/wh batt + ) to. It needs to have the correct vin programmed as. this part requires programming and/or special setup procedures gm service information describes the procedures and special tools needed. Connect pin1 (black ground) to pin16 (pink ground) 2. the gm fscm. Gm Fuel Pump Module Programming.
From www.carid.com
ACDelco® Chevy Silverado 2013 GM Original Equipment™ Fuel Pump Module Gm Fuel Pump Module Programming yes the fuel pump control module will need to be programmed. Connect pin32 (rd/wh batt + ) to. the gm fscm is there primarily to run the fuel pump itself, and is responsible for maintaining the required. i know a lot of you have been asking why i don't make videos showing the programming process. this. Gm Fuel Pump Module Programming.
From www.eficonnection.com
GM 20072014 Fuel System Control Module FSCM Programming Harness EFI Gm Fuel Pump Module Programming Connect pin1 (black ground) to pin16 (pink ground) 2. this part requires programming and/or special setup procedures gm service information describes the procedures and special tools needed. It needs to have the correct vin programmed as. yes the fuel pump control module will need to be programmed. the gm fscm is there primarily to run the fuel. Gm Fuel Pump Module Programming.
From circuitlistbilly.z13.web.core.windows.net
Gm Fuel Pump Control Module Programming Gm Fuel Pump Module Programming i know a lot of you have been asking why i don't make videos showing the programming process. Connect pin32 (rd/wh batt + ) to. Connect pin1 (black ground) to pin16 (pink ground) 2. the gm fscm is there primarily to run the fuel pump itself, and is responsible for maintaining the required. follow along with lead. Gm Fuel Pump Module Programming.
From www.youtube.com
2012 Chevrolet Colorado Fuel pump Module Programming YouTube Gm Fuel Pump Module Programming It needs to have the correct vin programmed as. Connect pin32 (rd/wh batt + ) to. this part requires programming and/or special setup procedures gm service information describes the procedures and special tools needed. the gm fscm is there primarily to run the fuel pump itself, and is responsible for maintaining the required. Connect pin1 (black ground) to. Gm Fuel Pump Module Programming.
From diagrampartgonzalez.z19.web.core.windows.net
Gm Fuel Pump Control Module Programming Gm Fuel Pump Module Programming follow along with lead instructor, jeff evans, as he walks you. Connect pin1 (black ground) to pin16 (pink ground) 2. It needs to have the correct vin programmed as. Connect pin32 (rd/wh batt + ) to. i know a lot of you have been asking why i don't make videos showing the programming process. yes the fuel. Gm Fuel Pump Module Programming.
From drairatxediaz.com
2019 Chevy or GMC pickup fuel pump control module 13526238 Automotive Gm Fuel Pump Module Programming this part requires programming and/or special setup procedures gm service information describes the procedures and special tools needed. It needs to have the correct vin programmed as. i know a lot of you have been asking why i don't make videos showing the programming process. the gm fscm is there primarily to run the fuel pump itself,. Gm Fuel Pump Module Programming.
From autoctrls.com
Exploring the Inner Workings of a GM Fuel Pump Connector A Complete Gm Fuel Pump Module Programming Connect pin32 (rd/wh batt + ) to. It needs to have the correct vin programmed as. Connect pin1 (black ground) to pin16 (pink ground) 2. i know a lot of you have been asking why i don't make videos showing the programming process. yes the fuel pump control module will need to be programmed. follow along with. Gm Fuel Pump Module Programming.
From www.codemyeuro.com
Electronic Fuel Pump Module Programming Code My Euro Gm Fuel Pump Module Programming i know a lot of you have been asking why i don't make videos showing the programming process. Connect pin1 (black ground) to pin16 (pink ground) 2. this part requires programming and/or special setup procedures gm service information describes the procedures and special tools needed. It needs to have the correct vin programmed as. the gm fscm. Gm Fuel Pump Module Programming.
From circuitdatamueller.z19.web.core.windows.net
Gm Fuel Pump Diagram Gm Fuel Pump Module Programming follow along with lead instructor, jeff evans, as he walks you. Connect pin1 (black ground) to pin16 (pink ground) 2. Connect pin32 (rd/wh batt + ) to. yes the fuel pump control module will need to be programmed. It needs to have the correct vin programmed as. the gm fscm is there primarily to run the fuel. Gm Fuel Pump Module Programming.
From circuitlistbilly.z13.web.core.windows.net
Gm Fuel Pump Control Module Programming Gm Fuel Pump Module Programming Connect pin1 (black ground) to pin16 (pink ground) 2. this part requires programming and/or special setup procedures gm service information describes the procedures and special tools needed. Connect pin32 (rd/wh batt + ) to. follow along with lead instructor, jeff evans, as he walks you. yes the fuel pump control module will need to be programmed. It. Gm Fuel Pump Module Programming.
From www.carid.com
ACDelco® 23482933 GM Original Equipment™ Fuel Pump Driver Module Gm Fuel Pump Module Programming this part requires programming and/or special setup procedures gm service information describes the procedures and special tools needed. the gm fscm is there primarily to run the fuel pump itself, and is responsible for maintaining the required. yes the fuel pump control module will need to be programmed. It needs to have the correct vin programmed as.. Gm Fuel Pump Module Programming.
From gearif.com
GM Fuel Pump Wiring Everything You Need to Know [Full Guide] Gm Fuel Pump Module Programming i know a lot of you have been asking why i don't make videos showing the programming process. It needs to have the correct vin programmed as. follow along with lead instructor, jeff evans, as he walks you. this part requires programming and/or special setup procedures gm service information describes the procedures and special tools needed. Connect. Gm Fuel Pump Module Programming.
From machinelea99.z19.web.core.windows.net
2008 Gmc Sierra Fuel Pump Control Module Gm Fuel Pump Module Programming Connect pin1 (black ground) to pin16 (pink ground) 2. It needs to have the correct vin programmed as. i know a lot of you have been asking why i don't make videos showing the programming process. the gm fscm is there primarily to run the fuel pump itself, and is responsible for maintaining the required. follow along. Gm Fuel Pump Module Programming.
From www.justanswer.com
GM Fuel Pump Wiring Diagram & Connector JustAnswer Gm Fuel Pump Module Programming this part requires programming and/or special setup procedures gm service information describes the procedures and special tools needed. It needs to have the correct vin programmed as. the gm fscm is there primarily to run the fuel pump itself, and is responsible for maintaining the required. follow along with lead instructor, jeff evans, as he walks you.. Gm Fuel Pump Module Programming.
From toolsweek.com
How to Direct Wire a Fuel Pump (2Part Guide) Gm Fuel Pump Module Programming yes the fuel pump control module will need to be programmed. It needs to have the correct vin programmed as. follow along with lead instructor, jeff evans, as he walks you. Connect pin1 (black ground) to pin16 (pink ground) 2. the gm fscm is there primarily to run the fuel pump itself, and is responsible for maintaining. Gm Fuel Pump Module Programming.
From www.gmpartscenter.net
19992003 GM Fuel Pump Module Kit with Level Sensor 19369916 GM Parts Gm Fuel Pump Module Programming the gm fscm is there primarily to run the fuel pump itself, and is responsible for maintaining the required. this part requires programming and/or special setup procedures gm service information describes the procedures and special tools needed. follow along with lead instructor, jeff evans, as he walks you. Connect pin32 (rd/wh batt + ) to. i. Gm Fuel Pump Module Programming.
From www.carparts.com
P025A Code Fuel Pump Control Module Circuit / Open In The Garage Gm Fuel Pump Module Programming this part requires programming and/or special setup procedures gm service information describes the procedures and special tools needed. yes the fuel pump control module will need to be programmed. the gm fscm is there primarily to run the fuel pump itself, and is responsible for maintaining the required. follow along with lead instructor, jeff evans, as. Gm Fuel Pump Module Programming.
From manuallibjiggle.z5.web.core.windows.net
Gm Fuel Pump Control Module Gm Fuel Pump Module Programming the gm fscm is there primarily to run the fuel pump itself, and is responsible for maintaining the required. Connect pin32 (rd/wh batt + ) to. yes the fuel pump control module will need to be programmed. this part requires programming and/or special setup procedures gm service information describes the procedures and special tools needed. i. Gm Fuel Pump Module Programming.
From www.gmpartsonline.net
20152021 GM Fuel Pump Power Control Module 23382564 GM Parts Online Gm Fuel Pump Module Programming the gm fscm is there primarily to run the fuel pump itself, and is responsible for maintaining the required. Connect pin32 (rd/wh batt + ) to. yes the fuel pump control module will need to be programmed. It needs to have the correct vin programmed as. this part requires programming and/or special setup procedures gm service information. Gm Fuel Pump Module Programming.