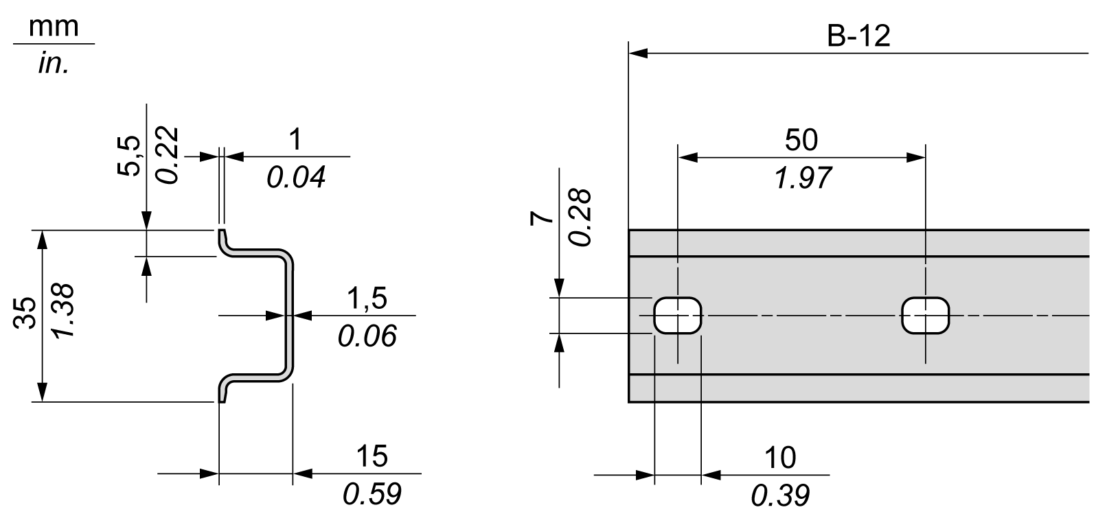
Standard Din Rail Size . It features a symmetrical hat shape with a 35mm. din 35mm standard rail (en 60715): learn about the different sizes and materials of din rails, a metallic rail that mounts electrical components in control cabinets. The din 35mm standard rail is the most widely used type of din rail. the current standard applicable to din rails is the iec/en 60715:2017, which is a blanket standard governing many aspects of low voltage control and switchgear, including rail mounting dimensions for the mechanical support of such electrical devices. top hat din rails are available in the ts35 standard at channel depths of both 7.5mm (standard) and 15mm (‘deep hat’, or.
from studylib.net
It features a symmetrical hat shape with a 35mm. learn about the different sizes and materials of din rails, a metallic rail that mounts electrical components in control cabinets. the current standard applicable to din rails is the iec/en 60715:2017, which is a blanket standard governing many aspects of low voltage control and switchgear, including rail mounting dimensions for the mechanical support of such electrical devices. The din 35mm standard rail is the most widely used type of din rail. top hat din rails are available in the ts35 standard at channel depths of both 7.5mm (standard) and 15mm (‘deep hat’, or. din 35mm standard rail (en 60715):
din rails
Standard Din Rail Size the current standard applicable to din rails is the iec/en 60715:2017, which is a blanket standard governing many aspects of low voltage control and switchgear, including rail mounting dimensions for the mechanical support of such electrical devices. learn about the different sizes and materials of din rails, a metallic rail that mounts electrical components in control cabinets. din 35mm standard rail (en 60715): It features a symmetrical hat shape with a 35mm. the current standard applicable to din rails is the iec/en 60715:2017, which is a blanket standard governing many aspects of low voltage control and switchgear, including rail mounting dimensions for the mechanical support of such electrical devices. top hat din rails are available in the ts35 standard at channel depths of both 7.5mm (standard) and 15mm (‘deep hat’, or. The din 35mm standard rail is the most widely used type of din rail.
From www.electricalterminology.com
Din Rail Dimensions and Types of DIN Rails Standard Din Rail Size din 35mm standard rail (en 60715): The din 35mm standard rail is the most widely used type of din rail. It features a symmetrical hat shape with a 35mm. the current standard applicable to din rails is the iec/en 60715:2017, which is a blanket standard governing many aspects of low voltage control and switchgear, including rail mounting dimensions. Standard Din Rail Size.
From chintglobal.com
What Is A DIN Rail? Basics and Different Types CHINT Blog Standard Din Rail Size It features a symmetrical hat shape with a 35mm. top hat din rails are available in the ts35 standard at channel depths of both 7.5mm (standard) and 15mm (‘deep hat’, or. the current standard applicable to din rails is the iec/en 60715:2017, which is a blanket standard governing many aspects of low voltage control and switchgear, including rail. Standard Din Rail Size.
From kelever.com
G shape Steel Din rail width 15mm,Height 5.5mm,KELEVER BRAND Standard Din Rail Size It features a symmetrical hat shape with a 35mm. din 35mm standard rail (en 60715): learn about the different sizes and materials of din rails, a metallic rail that mounts electrical components in control cabinets. The din 35mm standard rail is the most widely used type of din rail. the current standard applicable to din rails is. Standard Din Rail Size.
From www.langir.com
DIN Rails The Ultimate Guide of All the Essential Information Standard Din Rail Size The din 35mm standard rail is the most widely used type of din rail. din 35mm standard rail (en 60715): learn about the different sizes and materials of din rails, a metallic rail that mounts electrical components in control cabinets. It features a symmetrical hat shape with a 35mm. the current standard applicable to din rails is. Standard Din Rail Size.
From www.scribd.com
Din Rail Dimensions PDF Standard Din Rail Size din 35mm standard rail (en 60715): learn about the different sizes and materials of din rails, a metallic rail that mounts electrical components in control cabinets. The din 35mm standard rail is the most widely used type of din rail. the current standard applicable to din rails is the iec/en 60715:2017, which is a blanket standard governing. Standard Din Rail Size.
From mavink.com
Din Rail Types Standard Din Rail Size top hat din rails are available in the ts35 standard at channel depths of both 7.5mm (standard) and 15mm (‘deep hat’, or. learn about the different sizes and materials of din rails, a metallic rail that mounts electrical components in control cabinets. The din 35mm standard rail is the most widely used type of din rail. the. Standard Din Rail Size.
From product-help.schneider-electric.com
Top Hat Section Rail (DIN rail) Standard Din Rail Size It features a symmetrical hat shape with a 35mm. din 35mm standard rail (en 60715): top hat din rails are available in the ts35 standard at channel depths of both 7.5mm (standard) and 15mm (‘deep hat’, or. learn about the different sizes and materials of din rails, a metallic rail that mounts electrical components in control cabinets.. Standard Din Rail Size.
From www.altechcorp.com
Altech Corp. DIN Rail Standard Din Rail Size din 35mm standard rail (en 60715): It features a symmetrical hat shape with a 35mm. The din 35mm standard rail is the most widely used type of din rail. top hat din rails are available in the ts35 standard at channel depths of both 7.5mm (standard) and 15mm (‘deep hat’, or. the current standard applicable to din. Standard Din Rail Size.
From www.electricalterminology.com
Din Rail Dimensions and Types of DIN Rails Standard Din Rail Size It features a symmetrical hat shape with a 35mm. top hat din rails are available in the ts35 standard at channel depths of both 7.5mm (standard) and 15mm (‘deep hat’, or. din 35mm standard rail (en 60715): the current standard applicable to din rails is the iec/en 60715:2017, which is a blanket standard governing many aspects of. Standard Din Rail Size.
From www.alibaba.com
Chfrpu High Quality Din Rail 35mm Width 7.5mm Height Of 1 Or 2 Meter M4 Standard Din Rail Size the current standard applicable to din rails is the iec/en 60715:2017, which is a blanket standard governing many aspects of low voltage control and switchgear, including rail mounting dimensions for the mechanical support of such electrical devices. It features a symmetrical hat shape with a 35mm. learn about the different sizes and materials of din rails, a metallic. Standard Din Rail Size.
From www.dinrailmart.com
Basic Introduction Of DIN Rail Standard Size And Its Importance Standard Din Rail Size The din 35mm standard rail is the most widely used type of din rail. the current standard applicable to din rails is the iec/en 60715:2017, which is a blanket standard governing many aspects of low voltage control and switchgear, including rail mounting dimensions for the mechanical support of such electrical devices. learn about the different sizes and materials. Standard Din Rail Size.
From www.wsehs.com.cn
Din Rail (Steel)VSELE ELECTRIC Standard Din Rail Size top hat din rails are available in the ts35 standard at channel depths of both 7.5mm (standard) and 15mm (‘deep hat’, or. learn about the different sizes and materials of din rails, a metallic rail that mounts electrical components in control cabinets. The din 35mm standard rail is the most widely used type of din rail. It features. Standard Din Rail Size.
From product-help.schneider-electric.com
Rail oméga (DIN) Standard Din Rail Size learn about the different sizes and materials of din rails, a metallic rail that mounts electrical components in control cabinets. top hat din rails are available in the ts35 standard at channel depths of both 7.5mm (standard) and 15mm (‘deep hat’, or. the current standard applicable to din rails is the iec/en 60715:2017, which is a blanket. Standard Din Rail Size.
From controlpanelsupply.com
DIN Rail NEW PreCut 35x10mm Heavy Duty Aluminum, Slotted Standard Din Rail Size top hat din rails are available in the ts35 standard at channel depths of both 7.5mm (standard) and 15mm (‘deep hat’, or. The din 35mm standard rail is the most widely used type of din rail. It features a symmetrical hat shape with a 35mm. din 35mm standard rail (en 60715): learn about the different sizes and. Standard Din Rail Size.
From studylib.net
din rails Standard Din Rail Size din 35mm standard rail (en 60715): the current standard applicable to din rails is the iec/en 60715:2017, which is a blanket standard governing many aspects of low voltage control and switchgear, including rail mounting dimensions for the mechanical support of such electrical devices. top hat din rails are available in the ts35 standard at channel depths of. Standard Din Rail Size.
From hztjkj888.en.made-in-china.com
Steel Installation DIN Rail High Rail 15 RoHS Standard DIN Rail Standard Din Rail Size din 35mm standard rail (en 60715): top hat din rails are available in the ts35 standard at channel depths of both 7.5mm (standard) and 15mm (‘deep hat’, or. The din 35mm standard rail is the most widely used type of din rail. learn about the different sizes and materials of din rails, a metallic rail that mounts. Standard Din Rail Size.
From ee-usa.com
Typed of DIN Rails and Benefits of DIN Rails Electronic Expeditors Blog Standard Din Rail Size learn about the different sizes and materials of din rails, a metallic rail that mounts electrical components in control cabinets. the current standard applicable to din rails is the iec/en 60715:2017, which is a blanket standard governing many aspects of low voltage control and switchgear, including rail mounting dimensions for the mechanical support of such electrical devices. The. Standard Din Rail Size.
From www.polycase.com
What Is a DIN Rail? Basics and Different Types Polycase Standard Din Rail Size the current standard applicable to din rails is the iec/en 60715:2017, which is a blanket standard governing many aspects of low voltage control and switchgear, including rail mounting dimensions for the mechanical support of such electrical devices. It features a symmetrical hat shape with a 35mm. din 35mm standard rail (en 60715): The din 35mm standard rail is. Standard Din Rail Size.
From step1dezigns.com
Aluminum Din Rail Step 1 Dezigns Standard Din Rail Size din 35mm standard rail (en 60715): the current standard applicable to din rails is the iec/en 60715:2017, which is a blanket standard governing many aspects of low voltage control and switchgear, including rail mounting dimensions for the mechanical support of such electrical devices. The din 35mm standard rail is the most widely used type of din rail. It. Standard Din Rail Size.
From nordkosycaonuheb.netlify.app
Din Rail Slot Dimensions Standard Din Rail Size the current standard applicable to din rails is the iec/en 60715:2017, which is a blanket standard governing many aspects of low voltage control and switchgear, including rail mounting dimensions for the mechanical support of such electrical devices. top hat din rails are available in the ts35 standard at channel depths of both 7.5mm (standard) and 15mm (‘deep hat’,. Standard Din Rail Size.
From guidepartdemotions.z13.web.core.windows.net
Din Rail Channel Sizes Standard Din Rail Size top hat din rails are available in the ts35 standard at channel depths of both 7.5mm (standard) and 15mm (‘deep hat’, or. The din 35mm standard rail is the most widely used type of din rail. It features a symmetrical hat shape with a 35mm. the current standard applicable to din rails is the iec/en 60715:2017, which is. Standard Din Rail Size.
From abbsales.com
DIN Rail Diagram Standard Din Rail Size learn about the different sizes and materials of din rails, a metallic rail that mounts electrical components in control cabinets. din 35mm standard rail (en 60715): the current standard applicable to din rails is the iec/en 60715:2017, which is a blanket standard governing many aspects of low voltage control and switchgear, including rail mounting dimensions for the. Standard Din Rail Size.
From www.anixter.com
DIN Rail Services Anixter Standard Din Rail Size The din 35mm standard rail is the most widely used type of din rail. din 35mm standard rail (en 60715): top hat din rails are available in the ts35 standard at channel depths of both 7.5mm (standard) and 15mm (‘deep hat’, or. It features a symmetrical hat shape with a 35mm. the current standard applicable to din. Standard Din Rail Size.
From thedaysofourlivees.blogspot.com
Benefits of DIN Rail Systems and the Different Types of DIN Rails Standard Din Rail Size the current standard applicable to din rails is the iec/en 60715:2017, which is a blanket standard governing many aspects of low voltage control and switchgear, including rail mounting dimensions for the mechanical support of such electrical devices. The din 35mm standard rail is the most widely used type of din rail. din 35mm standard rail (en 60715): . Standard Din Rail Size.
From www.icpdas.com
home > product> solutions > accessories > DIN Rail > DRS125/240/360 Standard Din Rail Size top hat din rails are available in the ts35 standard at channel depths of both 7.5mm (standard) and 15mm (‘deep hat’, or. It features a symmetrical hat shape with a 35mm. The din 35mm standard rail is the most widely used type of din rail. learn about the different sizes and materials of din rails, a metallic rail. Standard Din Rail Size.
From hztjkj888.en.made-in-china.com
Standard DINRail Enclosure China DIN Rail Terminals and European Standard Din Rail Size din 35mm standard rail (en 60715): It features a symmetrical hat shape with a 35mm. learn about the different sizes and materials of din rails, a metallic rail that mounts electrical components in control cabinets. the current standard applicable to din rails is the iec/en 60715:2017, which is a blanket standard governing many aspects of low voltage. Standard Din Rail Size.
From scidyne.com
SCIDYNE DIN Rail Accessories Standard Din Rail Size The din 35mm standard rail is the most widely used type of din rail. din 35mm standard rail (en 60715): the current standard applicable to din rails is the iec/en 60715:2017, which is a blanket standard governing many aspects of low voltage control and switchgear, including rail mounting dimensions for the mechanical support of such electrical devices. It. Standard Din Rail Size.
From www.langir.com
DIN Rails The Ultimate Guide of All the Essential Information Standard Din Rail Size top hat din rails are available in the ts35 standard at channel depths of both 7.5mm (standard) and 15mm (‘deep hat’, or. din 35mm standard rail (en 60715): learn about the different sizes and materials of din rails, a metallic rail that mounts electrical components in control cabinets. The din 35mm standard rail is the most widely. Standard Din Rail Size.
From hztjkj888.en.made-in-china.com
Standard DIN Guide Mounting Rail with Holes for Terminals or Circuit Standard Din Rail Size learn about the different sizes and materials of din rails, a metallic rail that mounts electrical components in control cabinets. din 35mm standard rail (en 60715): It features a symmetrical hat shape with a 35mm. the current standard applicable to din rails is the iec/en 60715:2017, which is a blanket standard governing many aspects of low voltage. Standard Din Rail Size.
From www.bazaent.com
Aluminum DIN Rail 35mm Standard Din Rail Size learn about the different sizes and materials of din rails, a metallic rail that mounts electrical components in control cabinets. the current standard applicable to din rails is the iec/en 60715:2017, which is a blanket standard governing many aspects of low voltage control and switchgear, including rail mounting dimensions for the mechanical support of such electrical devices. It. Standard Din Rail Size.
From hztjkj888.en.made-in-china.com
Thickness Mounting Aluminum Linear 35mm Standard DIN Rail China MCB Standard Din Rail Size top hat din rails are available in the ts35 standard at channel depths of both 7.5mm (standard) and 15mm (‘deep hat’, or. It features a symmetrical hat shape with a 35mm. din 35mm standard rail (en 60715): the current standard applicable to din rails is the iec/en 60715:2017, which is a blanket standard governing many aspects of. Standard Din Rail Size.
From www.cccme.org.cn
DINRAIL SERIES Standard Din Rail Size It features a symmetrical hat shape with a 35mm. the current standard applicable to din rails is the iec/en 60715:2017, which is a blanket standard governing many aspects of low voltage control and switchgear, including rail mounting dimensions for the mechanical support of such electrical devices. top hat din rails are available in the ts35 standard at channel. Standard Din Rail Size.
From www.fiberopticlink.com
DIN Rail Housing RLH Industries, Inc. Standard Din Rail Size the current standard applicable to din rails is the iec/en 60715:2017, which is a blanket standard governing many aspects of low voltage control and switchgear, including rail mounting dimensions for the mechanical support of such electrical devices. learn about the different sizes and materials of din rails, a metallic rail that mounts electrical components in control cabinets. The. Standard Din Rail Size.
From www.electricalterminology.com
Din rail Definition, Types, Dimensions, Advantages, Accessories Standard Din Rail Size the current standard applicable to din rails is the iec/en 60715:2017, which is a blanket standard governing many aspects of low voltage control and switchgear, including rail mounting dimensions for the mechanical support of such electrical devices. The din 35mm standard rail is the most widely used type of din rail. top hat din rails are available in. Standard Din Rail Size.
From www.anixter.com
DIN Rail Services Anixter Standard Din Rail Size The din 35mm standard rail is the most widely used type of din rail. top hat din rails are available in the ts35 standard at channel depths of both 7.5mm (standard) and 15mm (‘deep hat’, or. the current standard applicable to din rails is the iec/en 60715:2017, which is a blanket standard governing many aspects of low voltage. Standard Din Rail Size.