Bearing Dn Rating . D is the bore diameter of the bearing in millimeters (mm). Dn is the bearing speed factor. This factor is used to set the limit for ball bearing (precision bearing) speed. Bearing dynamic capacity is used to predict a rating life for each bearing at its anticipated loading and rotational speed. Ting of bearings has been going on for decades. Dn values can be assigned to bearing types and their components such as retainers and lubricants. The basic dynamic load rating is the load which a. As life testing of thousands of bearings progressed, it became apparent that a statistical approach to. It limits the use of precision bearings (ball bearings) if the. Basic dynamic load rating expresses a rolling bearing’s capacity to support a dynamic load. The basic dynamic load rating of rolling bearings is defined as the constant load applied on bearings with stationary outer rings that the. N is the rotational speed of the bearing in.
from www.north-bearings.com
Bearing dynamic capacity is used to predict a rating life for each bearing at its anticipated loading and rotational speed. Dn values can be assigned to bearing types and their components such as retainers and lubricants. Dn is the bearing speed factor. The basic dynamic load rating of rolling bearings is defined as the constant load applied on bearings with stationary outer rings that the. D is the bore diameter of the bearing in millimeters (mm). It limits the use of precision bearings (ball bearings) if the. N is the rotational speed of the bearing in. This factor is used to set the limit for ball bearing (precision bearing) speed. Basic dynamic load rating expresses a rolling bearing’s capacity to support a dynamic load. Ting of bearings has been going on for decades.
52328MP Axial Ball Bearings FAG(Schaeffler)
Bearing Dn Rating N is the rotational speed of the bearing in. N is the rotational speed of the bearing in. As life testing of thousands of bearings progressed, it became apparent that a statistical approach to. Ting of bearings has been going on for decades. Bearing dynamic capacity is used to predict a rating life for each bearing at its anticipated loading and rotational speed. The basic dynamic load rating of rolling bearings is defined as the constant load applied on bearings with stationary outer rings that the. Dn is the bearing speed factor. It limits the use of precision bearings (ball bearings) if the. This factor is used to set the limit for ball bearing (precision bearing) speed. Dn values can be assigned to bearing types and their components such as retainers and lubricants. The basic dynamic load rating is the load which a. D is the bore diameter of the bearing in millimeters (mm). Basic dynamic load rating expresses a rolling bearing’s capacity to support a dynamic load.
From noksbearings.com
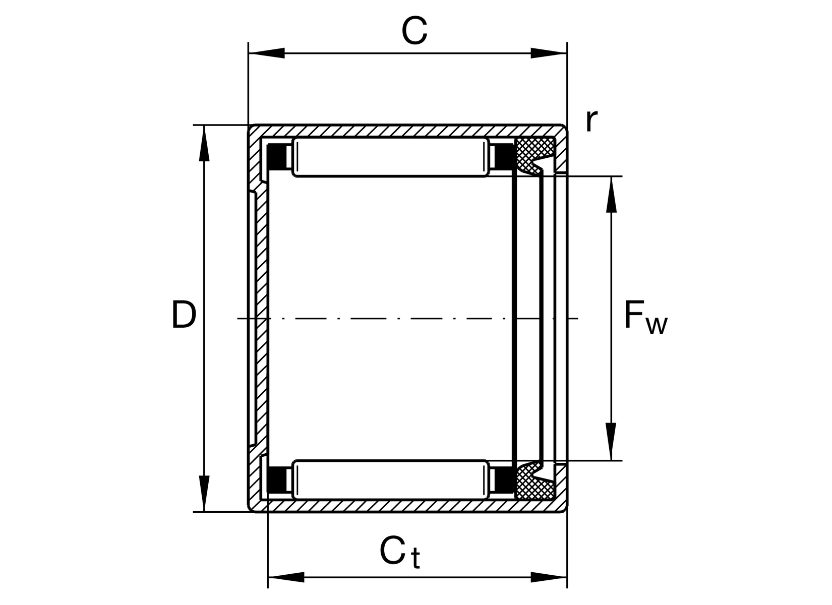
76020152RSTVP Axialangular Contact Ball Bearings for Screw Drives Bearing Dn Rating Bearing dynamic capacity is used to predict a rating life for each bearing at its anticipated loading and rotational speed. Dn values can be assigned to bearing types and their components such as retainers and lubricants. D is the bore diameter of the bearing in millimeters (mm). The basic dynamic load rating of rolling bearings is defined as the constant. Bearing Dn Rating.
From www.north-bearings.com
GE69ZOSpherical Plain Bearings INA(Schaeffler) In Stock Bearing Dn Rating As life testing of thousands of bearings progressed, it became apparent that a statistical approach to. Dn values can be assigned to bearing types and their components such as retainers and lubricants. D is the bore diameter of the bearing in millimeters (mm). N is the rotational speed of the bearing in. Dn is the bearing speed factor. Ting of. Bearing Dn Rating.
From noksbearings.com
24038BEXL2VSR Spherical Roller Bearings FAG(Schaeffler) Bearing Dn Rating N is the rotational speed of the bearing in. It limits the use of precision bearings (ball bearings) if the. Basic dynamic load rating expresses a rolling bearing’s capacity to support a dynamic load. This factor is used to set the limit for ball bearing (precision bearing) speed. Ting of bearings has been going on for decades. The basic dynamic. Bearing Dn Rating.
From www.triadbellows.com
Flange Dimension Chart Expansion Joint Manufacturers Bearing Dn Rating As life testing of thousands of bearings progressed, it became apparent that a statistical approach to. Basic dynamic load rating expresses a rolling bearing’s capacity to support a dynamic load. It limits the use of precision bearings (ball bearings) if the. The basic dynamic load rating is the load which a. Bearing dynamic capacity is used to predict a rating. Bearing Dn Rating.
From www.pumpsvalves.nl
Bearing units Pumps & Valves NL Bearing Dn Rating The basic dynamic load rating is the load which a. Basic dynamic load rating expresses a rolling bearing’s capacity to support a dynamic load. This factor is used to set the limit for ball bearing (precision bearing) speed. Bearing dynamic capacity is used to predict a rating life for each bearing at its anticipated loading and rotational speed. Dn values. Bearing Dn Rating.
From www.regalsalescorp.com
ASTM A182 Gr F91 Type 1/ 2 Flanges SA 182 F91 Blind weld neck Bearing Dn Rating Bearing dynamic capacity is used to predict a rating life for each bearing at its anticipated loading and rotational speed. Dn values can be assigned to bearing types and their components such as retainers and lubricants. This factor is used to set the limit for ball bearing (precision bearing) speed. The basic dynamic load rating is the load which a.. Bearing Dn Rating.
From noksbearings.com
QJ211XLMPA Fourpoint contact ball bearings FAG(Schaeffler) Bearing Dn Rating Dn is the bearing speed factor. Bearing dynamic capacity is used to predict a rating life for each bearing at its anticipated loading and rotational speed. N is the rotational speed of the bearing in. The basic dynamic load rating is the load which a. As life testing of thousands of bearings progressed, it became apparent that a statistical approach. Bearing Dn Rating.
From www.skf.com
KDN.SAA10XL0 Thin section bearings SKF Bearing Dn Rating N is the rotational speed of the bearing in. This factor is used to set the limit for ball bearing (precision bearing) speed. The basic dynamic load rating is the load which a. Dn values can be assigned to bearing types and their components such as retainers and lubricants. The basic dynamic load rating of rolling bearings is defined as. Bearing Dn Rating.
From noksbearings.com
BK1514RSNeedle Roller Bearings INA(Schaeffler) In Stock Bearing Dn Rating It limits the use of precision bearings (ball bearings) if the. As life testing of thousands of bearings progressed, it became apparent that a statistical approach to. The basic dynamic load rating of rolling bearings is defined as the constant load applied on bearings with stationary outer rings that the. N is the rotational speed of the bearing in. Dn. Bearing Dn Rating.
From www.researchgate.net
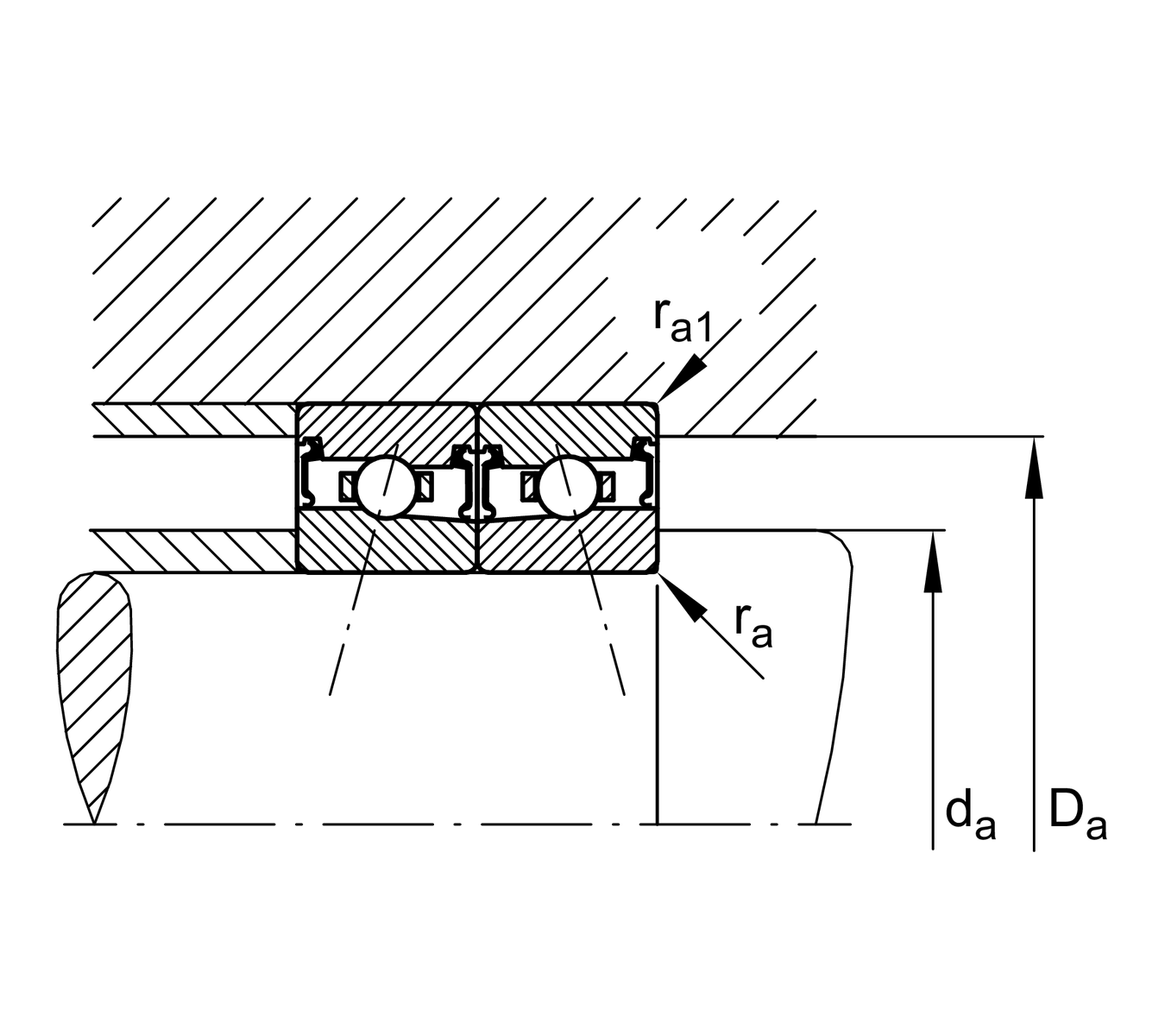
Configuration of a modified, angularcontact 25mmbore ball bearing Bearing Dn Rating Dn values can be assigned to bearing types and their components such as retainers and lubricants. Basic dynamic load rating expresses a rolling bearing’s capacity to support a dynamic load. Ting of bearings has been going on for decades. D is the bore diameter of the bearing in millimeters (mm). Bearing dynamic capacity is used to predict a rating life. Bearing Dn Rating.
From www.malpasonline.co.uk
3587730M2 Massey Ferguson Sparex Cylindrical Roller Bearing (DN88703 Bearing Dn Rating The basic dynamic load rating of rolling bearings is defined as the constant load applied on bearings with stationary outer rings that the. Basic dynamic load rating expresses a rolling bearing’s capacity to support a dynamic load. The basic dynamic load rating is the load which a. Bearing dynamic capacity is used to predict a rating life for each bearing. Bearing Dn Rating.
From koyo.jtekt.co.jp
Calculation of loads Basic Bearing Knowledge Koyo Bearings /JTEKT Bearing Dn Rating N is the rotational speed of the bearing in. D is the bore diameter of the bearing in millimeters (mm). It limits the use of precision bearings (ball bearings) if the. Dn is the bearing speed factor. Dn values can be assigned to bearing types and their components such as retainers and lubricants. The basic dynamic load rating is the. Bearing Dn Rating.
From www.indiamart.com
NBR Bearing Unit UCT Type, आवेषण बॉल बेयरिंग यूनिट BBS Trading Bearing Dn Rating Basic dynamic load rating expresses a rolling bearing’s capacity to support a dynamic load. Ting of bearings has been going on for decades. As life testing of thousands of bearings progressed, it became apparent that a statistical approach to. It limits the use of precision bearings (ball bearings) if the. D is the bore diameter of the bearing in millimeters. Bearing Dn Rating.
From noksbearings.com
INA Bearing CSXU0402RS Noks Bearing Bearing Dn Rating Dn values can be assigned to bearing types and their components such as retainers and lubricants. As life testing of thousands of bearings progressed, it became apparent that a statistical approach to. Basic dynamic load rating expresses a rolling bearing’s capacity to support a dynamic load. D is the bore diameter of the bearing in millimeters (mm). This factor is. Bearing Dn Rating.
From www.pipatdental.com
NMB 4x9x4mm DDL940ZZ Stainless Bearing Pipat Dental ซ่อมหัวกรอฟันทุก Bearing Dn Rating The basic dynamic load rating is the load which a. Bearing dynamic capacity is used to predict a rating life for each bearing at its anticipated loading and rotational speed. D is the bore diameter of the bearing in millimeters (mm). N is the rotational speed of the bearing in. Dn is the bearing speed factor. It limits the use. Bearing Dn Rating.
From www.bearing-king.co.uk
RRP Bearing Press and Extraction Tool Adaptor Kit 1 688 2RS RRP Bearing Dn Rating The basic dynamic load rating of rolling bearings is defined as the constant load applied on bearings with stationary outer rings that the. Bearing dynamic capacity is used to predict a rating life for each bearing at its anticipated loading and rotational speed. As life testing of thousands of bearings progressed, it became apparent that a statistical approach to. This. Bearing Dn Rating.
From klabcvika.blob.core.windows.net
Ball Bearing Stainless Steel at Miguel Wan blog Bearing Dn Rating N is the rotational speed of the bearing in. Dn is the bearing speed factor. The basic dynamic load rating of rolling bearings is defined as the constant load applied on bearings with stationary outer rings that the. This factor is used to set the limit for ball bearing (precision bearing) speed. Bearing dynamic capacity is used to predict a. Bearing Dn Rating.
From noksbearings.com
HSS71922ETP4SUL Radial Super Precision Bearings FAG(Schaeffler) Bearing Dn Rating D is the bore diameter of the bearing in millimeters (mm). Bearing dynamic capacity is used to predict a rating life for each bearing at its anticipated loading and rotational speed. This factor is used to set the limit for ball bearing (precision bearing) speed. The basic dynamic load rating is the load which a. The basic dynamic load rating. Bearing Dn Rating.
From loeothehj.blob.core.windows.net
What Is Ansi Flange at Christine Westfall blog Bearing Dn Rating The basic dynamic load rating of rolling bearings is defined as the constant load applied on bearings with stationary outer rings that the. N is the rotational speed of the bearing in. Bearing dynamic capacity is used to predict a rating life for each bearing at its anticipated loading and rotational speed. D is the bore diameter of the bearing. Bearing Dn Rating.
From www.rs-online.id
SKF Deep Groove Ball Bearing Plain Race Type, 30mm I.D, 62mm O.D RS Bearing Dn Rating The basic dynamic load rating is the load which a. Dn is the bearing speed factor. D is the bore diameter of the bearing in millimeters (mm). N is the rotational speed of the bearing in. Bearing dynamic capacity is used to predict a rating life for each bearing at its anticipated loading and rotational speed. It limits the use. Bearing Dn Rating.
From cevfhuqt.blob.core.windows.net
What Is Flange Od at Delores Cardwell blog Bearing Dn Rating Bearing dynamic capacity is used to predict a rating life for each bearing at its anticipated loading and rotational speed. The basic dynamic load rating of rolling bearings is defined as the constant load applied on bearings with stationary outer rings that the. D is the bore diameter of the bearing in millimeters (mm). This factor is used to set. Bearing Dn Rating.
From eng-resources.uncc.edu
Bearings UNC Charlotte Engineering Tool Kit Bearing Dn Rating Basic dynamic load rating expresses a rolling bearing’s capacity to support a dynamic load. It limits the use of precision bearings (ball bearings) if the. Dn is the bearing speed factor. N is the rotational speed of the bearing in. Dn values can be assigned to bearing types and their components such as retainers and lubricants. The basic dynamic load. Bearing Dn Rating.
From www.north-bearings.com
GE69ZOSpherical Plain Bearings INA(Schaeffler) In Stock Bearing Dn Rating Basic dynamic load rating expresses a rolling bearing’s capacity to support a dynamic load. The basic dynamic load rating is the load which a. It limits the use of precision bearings (ball bearings) if the. This factor is used to set the limit for ball bearing (precision bearing) speed. Ting of bearings has been going on for decades. Dn is. Bearing Dn Rating.
From templates.hilarious.edu.np
Printable Flange Size Chart Bearing Dn Rating Basic dynamic load rating expresses a rolling bearing’s capacity to support a dynamic load. The basic dynamic load rating is the load which a. Dn values can be assigned to bearing types and their components such as retainers and lubricants. N is the rotational speed of the bearing in. As life testing of thousands of bearings progressed, it became apparent. Bearing Dn Rating.
From shop.ms-armaturen.com
BEARING DN 4065/1,5"2,5" PA FOR BUTTERFLY VALVE 030522002010 Bearing Dn Rating The basic dynamic load rating is the load which a. The basic dynamic load rating of rolling bearings is defined as the constant load applied on bearings with stationary outer rings that the. Bearing dynamic capacity is used to predict a rating life for each bearing at its anticipated loading and rotational speed. D is the bore diameter of the. Bearing Dn Rating.
From www.thermometricscorp.com
150 Flange Dimensions & Weight Bearing Dn Rating D is the bore diameter of the bearing in millimeters (mm). Basic dynamic load rating expresses a rolling bearing’s capacity to support a dynamic load. Bearing dynamic capacity is used to predict a rating life for each bearing at its anticipated loading and rotational speed. The basic dynamic load rating is the load which a. This factor is used to. Bearing Dn Rating.
From empoweringpumps.com
DNNumber Points to Oil Level Preferences in Bearing Housings Bearing Dn Rating Bearing dynamic capacity is used to predict a rating life for each bearing at its anticipated loading and rotational speed. N is the rotational speed of the bearing in. D is the bore diameter of the bearing in millimeters (mm). It limits the use of precision bearings (ball bearings) if the. Ting of bearings has been going on for decades.. Bearing Dn Rating.
From noksbearings.com
RNA4901RSRXLNeedle Roller Bearings INA(Schaeffler) In Stock Bearing Dn Rating Basic dynamic load rating expresses a rolling bearing’s capacity to support a dynamic load. Bearing dynamic capacity is used to predict a rating life for each bearing at its anticipated loading and rotational speed. N is the rotational speed of the bearing in. As life testing of thousands of bearings progressed, it became apparent that a statistical approach to. Dn. Bearing Dn Rating.
From www.usarollerchain.com
UCF215 Bearing 75mm 4Bolt Flange Bearing Bearing Dn Rating The basic dynamic load rating is the load which a. The basic dynamic load rating of rolling bearings is defined as the constant load applied on bearings with stationary outer rings that the. Bearing dynamic capacity is used to predict a rating life for each bearing at its anticipated loading and rotational speed. Dn values can be assigned to bearing. Bearing Dn Rating.
From www.chegg.com
Solved You Are Selecting A Bearing To Support A Radial Lo... Bearing Dn Rating Ting of bearings has been going on for decades. Bearing dynamic capacity is used to predict a rating life for each bearing at its anticipated loading and rotational speed. It limits the use of precision bearings (ball bearings) if the. The basic dynamic load rating is the load which a. Dn is the bearing speed factor. D is the bore. Bearing Dn Rating.
From lessonlibraryguangos.z21.web.core.windows.net
Standard Flange Dimensions Chart Pdf Bearing Dn Rating Dn is the bearing speed factor. D is the bore diameter of the bearing in millimeters (mm). Basic dynamic load rating expresses a rolling bearing’s capacity to support a dynamic load. It limits the use of precision bearings (ball bearings) if the. Bearing dynamic capacity is used to predict a rating life for each bearing at its anticipated loading and. Bearing Dn Rating.
From www.north-bearings.com
52328MP Axial Ball Bearings FAG(Schaeffler) Bearing Dn Rating N is the rotational speed of the bearing in. This factor is used to set the limit for ball bearing (precision bearing) speed. Ting of bearings has been going on for decades. It limits the use of precision bearings (ball bearings) if the. Basic dynamic load rating expresses a rolling bearing’s capacity to support a dynamic load. D is the. Bearing Dn Rating.
From exyhskjrl.blob.core.windows.net
Standard Size Of Gas Pipe at Frank Mccoy blog Bearing Dn Rating This factor is used to set the limit for ball bearing (precision bearing) speed. Dn is the bearing speed factor. Dn values can be assigned to bearing types and their components such as retainers and lubricants. Bearing dynamic capacity is used to predict a rating life for each bearing at its anticipated loading and rotational speed. Basic dynamic load rating. Bearing Dn Rating.
From exyoggnfs.blob.core.windows.net
Aluminum Pipe Flange Dimensions at Joe Moncrief blog Bearing Dn Rating Dn is the bearing speed factor. D is the bore diameter of the bearing in millimeters (mm). The basic dynamic load rating is the load which a. N is the rotational speed of the bearing in. Ting of bearings has been going on for decades. Bearing dynamic capacity is used to predict a rating life for each bearing at its. Bearing Dn Rating.
From www.indiamart.com
Stainless Steel SKF Bearings, Dimension 30 Mm Inner Diameter at Rs 500 Bearing Dn Rating It limits the use of precision bearings (ball bearings) if the. Dn is the bearing speed factor. Basic dynamic load rating expresses a rolling bearing’s capacity to support a dynamic load. As life testing of thousands of bearings progressed, it became apparent that a statistical approach to. D is the bore diameter of the bearing in millimeters (mm). Bearing dynamic. Bearing Dn Rating.