How Does A Frequency Meter Work . a digital frequency meter measures an unknown frequency by counting the number of cycles the frequency produces in a precisely controlled. A frequency meter converts the sinusoidal voltage of the frequency into unidirectional pulses. how does a digital frequency meter work? When you connect the frequency to the supply, the rectified currents i1 and i2 pass through the. the frequency meter works on the principle of”electrical resonance”. the number of cycle per second of the alternating quantity is known as the frequency. When inductive reactance of a circuit (x l = 2 πfl where f. The input signal’s frequency is displayed as a count, averaged over intervals of 0.1, 1.0, or 10 seconds, which repeat sequentially. how do electrodynamic frequency meters work? operating principle of digital frequency meter. The instruments used to measure frequency called. in its simplest form, a frequency meter is able to detect the number of cycles occurring within a fixed time. Digital frequency meters work by counting the number of cycles of a.
from www.eleccircuit.com
how does a digital frequency meter work? The instruments used to measure frequency called. When you connect the frequency to the supply, the rectified currents i1 and i2 pass through the. Digital frequency meters work by counting the number of cycles of a. operating principle of digital frequency meter. the number of cycle per second of the alternating quantity is known as the frequency. A frequency meter converts the sinusoidal voltage of the frequency into unidirectional pulses. a digital frequency meter measures an unknown frequency by counting the number of cycles the frequency produces in a precisely controlled. When inductive reactance of a circuit (x l = 2 πfl where f. The input signal’s frequency is displayed as a count, averaged over intervals of 0.1, 1.0, or 10 seconds, which repeat sequentially.
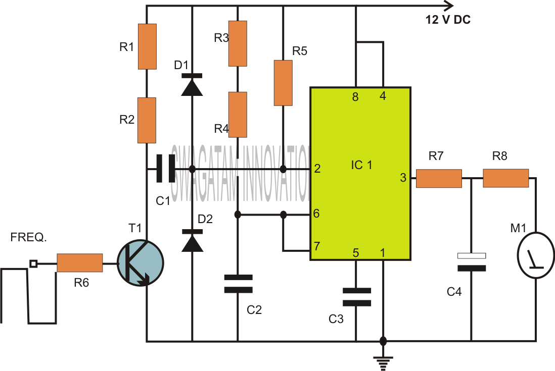
Cheap frequency meter circuit using 555 and CA3140
How Does A Frequency Meter Work The instruments used to measure frequency called. A frequency meter converts the sinusoidal voltage of the frequency into unidirectional pulses. the frequency meter works on the principle of”electrical resonance”. how do electrodynamic frequency meters work? the number of cycle per second of the alternating quantity is known as the frequency. Digital frequency meters work by counting the number of cycles of a. in its simplest form, a frequency meter is able to detect the number of cycles occurring within a fixed time. how does a digital frequency meter work? The input signal’s frequency is displayed as a count, averaged over intervals of 0.1, 1.0, or 10 seconds, which repeat sequentially. operating principle of digital frequency meter. The instruments used to measure frequency called. a digital frequency meter measures an unknown frequency by counting the number of cycles the frequency produces in a precisely controlled. When you connect the frequency to the supply, the rectified currents i1 and i2 pass through the. When inductive reactance of a circuit (x l = 2 πfl where f.
From www.youtube.com
Weston Frequency Meter YouTube How Does A Frequency Meter Work The instruments used to measure frequency called. When you connect the frequency to the supply, the rectified currents i1 and i2 pass through the. how does a digital frequency meter work? Digital frequency meters work by counting the number of cycles of a. the number of cycle per second of the alternating quantity is known as the frequency.. How Does A Frequency Meter Work.
From schematics-world.blogspot.com
Simple Frequency Meter Schematics World How Does A Frequency Meter Work The instruments used to measure frequency called. how does a digital frequency meter work? When you connect the frequency to the supply, the rectified currents i1 and i2 pass through the. operating principle of digital frequency meter. A frequency meter converts the sinusoidal voltage of the frequency into unidirectional pulses. When inductive reactance of a circuit (x l. How Does A Frequency Meter Work.
From howelectrical.com
What is Frequency Meter? Construction, Working & Types Electrical and How Does A Frequency Meter Work how do electrodynamic frequency meters work? in its simplest form, a frequency meter is able to detect the number of cycles occurring within a fixed time. A frequency meter converts the sinusoidal voltage of the frequency into unidirectional pulses. The instruments used to measure frequency called. When inductive reactance of a circuit (x l = 2 πfl where. How Does A Frequency Meter Work.
From www.electricalonline4u.com
How to Wire A Frequency Meter (HzHertz)? Electrical Online 4u All How Does A Frequency Meter Work The instruments used to measure frequency called. how does a digital frequency meter work? the number of cycle per second of the alternating quantity is known as the frequency. how do electrodynamic frequency meters work? A frequency meter converts the sinusoidal voltage of the frequency into unidirectional pulses. Digital frequency meters work by counting the number of. How Does A Frequency Meter Work.
From beemet.com
Frequency Meters Guide All about Frequency measuring devices How Does A Frequency Meter Work The input signal’s frequency is displayed as a count, averaged over intervals of 0.1, 1.0, or 10 seconds, which repeat sequentially. Digital frequency meters work by counting the number of cycles of a. When inductive reactance of a circuit (x l = 2 πfl where f. how does a digital frequency meter work? in its simplest form, a. How Does A Frequency Meter Work.
From electricalworkbook.com
What is Frequency Meter? Working, Diagram & Types ElectricalWorkbook How Does A Frequency Meter Work The input signal’s frequency is displayed as a count, averaged over intervals of 0.1, 1.0, or 10 seconds, which repeat sequentially. A frequency meter converts the sinusoidal voltage of the frequency into unidirectional pulses. Digital frequency meters work by counting the number of cycles of a. in its simplest form, a frequency meter is able to detect the number. How Does A Frequency Meter Work.
From electricalacademia.com
Digital Frequency Meter Circuit Diagram and Working Principle How Does A Frequency Meter Work Digital frequency meters work by counting the number of cycles of a. the frequency meter works on the principle of”electrical resonance”. The instruments used to measure frequency called. the number of cycle per second of the alternating quantity is known as the frequency. in its simplest form, a frequency meter is able to detect the number of. How Does A Frequency Meter Work.
From howelectrical.com
What is Weston Type Frequency Meter? Construction, Working & Diagram How Does A Frequency Meter Work The input signal’s frequency is displayed as a count, averaged over intervals of 0.1, 1.0, or 10 seconds, which repeat sequentially. a digital frequency meter measures an unknown frequency by counting the number of cycles the frequency produces in a precisely controlled. the number of cycle per second of the alternating quantity is known as the frequency. The. How Does A Frequency Meter Work.
From www.allaboutcircuits.com
Frequency and Phase Measurement AC Metering Circuits Electronics How Does A Frequency Meter Work The input signal’s frequency is displayed as a count, averaged over intervals of 0.1, 1.0, or 10 seconds, which repeat sequentially. The instruments used to measure frequency called. a digital frequency meter measures an unknown frequency by counting the number of cycles the frequency produces in a precisely controlled. how do electrodynamic frequency meters work? When inductive reactance. How Does A Frequency Meter Work.
From www.brighthubengineering.com
How to Build a Home Made Frequency Meter Includes Schematic and Parts How Does A Frequency Meter Work The instruments used to measure frequency called. A frequency meter converts the sinusoidal voltage of the frequency into unidirectional pulses. operating principle of digital frequency meter. The input signal’s frequency is displayed as a count, averaged over intervals of 0.1, 1.0, or 10 seconds, which repeat sequentially. Digital frequency meters work by counting the number of cycles of a.. How Does A Frequency Meter Work.
From www.youtube.com
Electrodynamometer Type Frequency Meters Part I Instrumentation How Does A Frequency Meter Work A frequency meter converts the sinusoidal voltage of the frequency into unidirectional pulses. When you connect the frequency to the supply, the rectified currents i1 and i2 pass through the. how does a digital frequency meter work? the number of cycle per second of the alternating quantity is known as the frequency. a digital frequency meter measures. How Does A Frequency Meter Work.
From electricalworkbook.com
What is Frequency Meter? Working, Diagram & Types ElectricalWorkbook How Does A Frequency Meter Work how does a digital frequency meter work? the frequency meter works on the principle of”electrical resonance”. The instruments used to measure frequency called. operating principle of digital frequency meter. the number of cycle per second of the alternating quantity is known as the frequency. When inductive reactance of a circuit (x l = 2 πfl where. How Does A Frequency Meter Work.
From profeitm.blogspot.com
Diseño Electrónico Frecuencimetro analogo (f to v) con 555 How Does A Frequency Meter Work When inductive reactance of a circuit (x l = 2 πfl where f. a digital frequency meter measures an unknown frequency by counting the number of cycles the frequency produces in a precisely controlled. how do electrodynamic frequency meters work? the frequency meter works on the principle of”electrical resonance”. the number of cycle per second of. How Does A Frequency Meter Work.
From www.youtube.com
Frequency meter के connection कैसे करे ? YouTube How Does A Frequency Meter Work the frequency meter works on the principle of”electrical resonance”. The instruments used to measure frequency called. A frequency meter converts the sinusoidal voltage of the frequency into unidirectional pulses. the number of cycle per second of the alternating quantity is known as the frequency. how does a digital frequency meter work? a digital frequency meter measures. How Does A Frequency Meter Work.
From howelectrical.com
What is Frequency Meter? Construction, Working & Types Electrical and How Does A Frequency Meter Work operating principle of digital frequency meter. The instruments used to measure frequency called. The input signal’s frequency is displayed as a count, averaged over intervals of 0.1, 1.0, or 10 seconds, which repeat sequentially. When inductive reactance of a circuit (x l = 2 πfl where f. A frequency meter converts the sinusoidal voltage of the frequency into unidirectional. How Does A Frequency Meter Work.
From electricalacademia.com
Digital Frequency Meter Circuit Diagram and Working Principle How Does A Frequency Meter Work When you connect the frequency to the supply, the rectified currents i1 and i2 pass through the. The input signal’s frequency is displayed as a count, averaged over intervals of 0.1, 1.0, or 10 seconds, which repeat sequentially. a digital frequency meter measures an unknown frequency by counting the number of cycles the frequency produces in a precisely controlled.. How Does A Frequency Meter Work.
From www.electronicsforu.com
Frequency Meter Detailed Circuit Diagram Available How Does A Frequency Meter Work operating principle of digital frequency meter. how do electrodynamic frequency meters work? Digital frequency meters work by counting the number of cycles of a. a digital frequency meter measures an unknown frequency by counting the number of cycles the frequency produces in a precisely controlled. how does a digital frequency meter work? The instruments used to. How Does A Frequency Meter Work.
From www.eleccircuit.com
Cheap frequency meter circuit using 555 and CA3140 How Does A Frequency Meter Work operating principle of digital frequency meter. the frequency meter works on the principle of”electrical resonance”. Digital frequency meters work by counting the number of cycles of a. how do electrodynamic frequency meters work? the number of cycle per second of the alternating quantity is known as the frequency. in its simplest form, a frequency meter. How Does A Frequency Meter Work.
From electricalworkbook.com
What is Digital Frequency Meter? Working Principle & Block Diagram How Does A Frequency Meter Work The input signal’s frequency is displayed as a count, averaged over intervals of 0.1, 1.0, or 10 seconds, which repeat sequentially. the frequency meter works on the principle of”electrical resonance”. The instruments used to measure frequency called. operating principle of digital frequency meter. a digital frequency meter measures an unknown frequency by counting the number of cycles. How Does A Frequency Meter Work.
From www.brighthubengineering.com
How to Build a Home Made Frequency Meter Includes Schematic and Parts How Does A Frequency Meter Work The instruments used to measure frequency called. When you connect the frequency to the supply, the rectified currents i1 and i2 pass through the. how do electrodynamic frequency meters work? operating principle of digital frequency meter. When inductive reactance of a circuit (x l = 2 πfl where f. a digital frequency meter measures an unknown frequency. How Does A Frequency Meter Work.
From electricalworkbook.com
What is Frequency Meter? Working, Diagram & Types ElectricalWorkbook How Does A Frequency Meter Work how do electrodynamic frequency meters work? When you connect the frequency to the supply, the rectified currents i1 and i2 pass through the. the frequency meter works on the principle of”electrical resonance”. operating principle of digital frequency meter. Digital frequency meters work by counting the number of cycles of a. how does a digital frequency meter. How Does A Frequency Meter Work.
From beemet.com
Frequency Meters A Complete Guide on Frequency Measuring Instruments How Does A Frequency Meter Work The instruments used to measure frequency called. The input signal’s frequency is displayed as a count, averaged over intervals of 0.1, 1.0, or 10 seconds, which repeat sequentially. in its simplest form, a frequency meter is able to detect the number of cycles occurring within a fixed time. Digital frequency meters work by counting the number of cycles of. How Does A Frequency Meter Work.
From www.youtube.com
How To Wire Frequency meter / Digital Frequency Meter Connection How Does A Frequency Meter Work the frequency meter works on the principle of”electrical resonance”. When you connect the frequency to the supply, the rectified currents i1 and i2 pass through the. how does a digital frequency meter work? operating principle of digital frequency meter. the number of cycle per second of the alternating quantity is known as the frequency. When inductive. How Does A Frequency Meter Work.
From www.fluke.com
How to measure frequency Fluke How Does A Frequency Meter Work When you connect the frequency to the supply, the rectified currents i1 and i2 pass through the. a digital frequency meter measures an unknown frequency by counting the number of cycles the frequency produces in a precisely controlled. how do electrodynamic frequency meters work? Digital frequency meters work by counting the number of cycles of a. in. How Does A Frequency Meter Work.
From www.youtube.com
Frequency Meter Working Theory With Explanation जरूर देखें ये वीडियो How Does A Frequency Meter Work Digital frequency meters work by counting the number of cycles of a. how do electrodynamic frequency meters work? The input signal’s frequency is displayed as a count, averaged over intervals of 0.1, 1.0, or 10 seconds, which repeat sequentially. A frequency meter converts the sinusoidal voltage of the frequency into unidirectional pulses. When you connect the frequency to the. How Does A Frequency Meter Work.
From www.youtube.com
How To Make Digital Frequency Meter YouTube How Does A Frequency Meter Work the number of cycle per second of the alternating quantity is known as the frequency. A frequency meter converts the sinusoidal voltage of the frequency into unidirectional pulses. When you connect the frequency to the supply, the rectified currents i1 and i2 pass through the. operating principle of digital frequency meter. Digital frequency meters work by counting the. How Does A Frequency Meter Work.
From circuitglobe.com
What is Weston Frequency Meter? Definition, Working Principle How Does A Frequency Meter Work When inductive reactance of a circuit (x l = 2 πfl where f. in its simplest form, a frequency meter is able to detect the number of cycles occurring within a fixed time. The input signal’s frequency is displayed as a count, averaged over intervals of 0.1, 1.0, or 10 seconds, which repeat sequentially. The instruments used to measure. How Does A Frequency Meter Work.
From www.youtube.com
ferrodynamic type frequency meter frequency ferrodynamic meter How Does A Frequency Meter Work a digital frequency meter measures an unknown frequency by counting the number of cycles the frequency produces in a precisely controlled. the number of cycle per second of the alternating quantity is known as the frequency. operating principle of digital frequency meter. Digital frequency meters work by counting the number of cycles of a. how does. How Does A Frequency Meter Work.
From electricalacademia.com
Digital Frequency Meter Circuit Diagram and Working Principle How Does A Frequency Meter Work the number of cycle per second of the alternating quantity is known as the frequency. how do electrodynamic frequency meters work? A frequency meter converts the sinusoidal voltage of the frequency into unidirectional pulses. When you connect the frequency to the supply, the rectified currents i1 and i2 pass through the. a digital frequency meter measures an. How Does A Frequency Meter Work.
From www.frer.it
Digital Frequency meter, 96x48 D98FP6 How Does A Frequency Meter Work operating principle of digital frequency meter. The instruments used to measure frequency called. Digital frequency meters work by counting the number of cycles of a. a digital frequency meter measures an unknown frequency by counting the number of cycles the frequency produces in a precisely controlled. how does a digital frequency meter work? the frequency meter. How Does A Frequency Meter Work.
From www.fluke.com
How to measure frequency Fluke How Does A Frequency Meter Work The instruments used to measure frequency called. the frequency meter works on the principle of”electrical resonance”. how does a digital frequency meter work? how do electrodynamic frequency meters work? Digital frequency meters work by counting the number of cycles of a. in its simplest form, a frequency meter is able to detect the number of cycles. How Does A Frequency Meter Work.
From www.elprocus.com
Digital Frequency Meter Construction, Working and Its Applications How Does A Frequency Meter Work how do electrodynamic frequency meters work? how does a digital frequency meter work? A frequency meter converts the sinusoidal voltage of the frequency into unidirectional pulses. Digital frequency meters work by counting the number of cycles of a. The instruments used to measure frequency called. The input signal’s frequency is displayed as a count, averaged over intervals of. How Does A Frequency Meter Work.
From www.youtube.com
Microwave Frequency Meters YouTube How Does A Frequency Meter Work the number of cycle per second of the alternating quantity is known as the frequency. Digital frequency meters work by counting the number of cycles of a. When inductive reactance of a circuit (x l = 2 πfl where f. a digital frequency meter measures an unknown frequency by counting the number of cycles the frequency produces in. How Does A Frequency Meter Work.
From www.everfarelec.com
Frequency MeterFrequency MeterFrequency MeterAnalogue Panel Meters How Does A Frequency Meter Work how does a digital frequency meter work? The instruments used to measure frequency called. the number of cycle per second of the alternating quantity is known as the frequency. Digital frequency meters work by counting the number of cycles of a. operating principle of digital frequency meter. The input signal’s frequency is displayed as a count, averaged. How Does A Frequency Meter Work.
From www.etechnog.com
How Digital Frequency Meter (DFM) Works? Learn with Diagram ETechnoG How Does A Frequency Meter Work a digital frequency meter measures an unknown frequency by counting the number of cycles the frequency produces in a precisely controlled. Digital frequency meters work by counting the number of cycles of a. in its simplest form, a frequency meter is able to detect the number of cycles occurring within a fixed time. the frequency meter works. How Does A Frequency Meter Work.