Fj Cruiser Headlight Relay . Wiring diagram inspection procedure (a) connect the. the most common reasons for the headlight fuse blowing are: fuse box diagram (fuse layout), location, and assignment of fuses and relays toyota fj cruiser (2006, 2007, 2008, 2009, 2010,. 54 rows in this article, you will find fuse box diagrams of toyota fj cruiser 2006, 2007, 2008, 2009, 2010, 2011, 2012, 2013, 2014 and 2015, get information about the. the headlight dimmer switch sends a signal to the main body ecu. A short circuit in the headlight wiring is one of the most. the common element in the power supply to both the hi and lo beam circuits is the headlight relay. so i've been trying to figure out how to turn off the drls when my headlights are off and there seem to be. Inspect headlight relay (a) check. Toyota fj cruiser was produced in 2006, 2007, 2008, 2009, 2010, 2011, 2012,.
from fuseandrelay.com
fuse box diagram (fuse layout), location, and assignment of fuses and relays toyota fj cruiser (2006, 2007, 2008, 2009, 2010,. A short circuit in the headlight wiring is one of the most. Toyota fj cruiser was produced in 2006, 2007, 2008, 2009, 2010, 2011, 2012,. Wiring diagram inspection procedure (a) connect the. Inspect headlight relay (a) check. so i've been trying to figure out how to turn off the drls when my headlights are off and there seem to be. the most common reasons for the headlight fuse blowing are: the common element in the power supply to both the hi and lo beam circuits is the headlight relay. 54 rows in this article, you will find fuse box diagrams of toyota fj cruiser 2006, 2007, 2008, 2009, 2010, 2011, 2012, 2013, 2014 and 2015, get information about the. the headlight dimmer switch sends a signal to the main body ecu.
Fuse box diagram Toyota FJ Cruiser and relay with assignment and location
Fj Cruiser Headlight Relay so i've been trying to figure out how to turn off the drls when my headlights are off and there seem to be. Wiring diagram inspection procedure (a) connect the. the headlight dimmer switch sends a signal to the main body ecu. fuse box diagram (fuse layout), location, and assignment of fuses and relays toyota fj cruiser (2006, 2007, 2008, 2009, 2010,. A short circuit in the headlight wiring is one of the most. Inspect headlight relay (a) check. 54 rows in this article, you will find fuse box diagrams of toyota fj cruiser 2006, 2007, 2008, 2009, 2010, 2011, 2012, 2013, 2014 and 2015, get information about the. so i've been trying to figure out how to turn off the drls when my headlights are off and there seem to be. the common element in the power supply to both the hi and lo beam circuits is the headlight relay. Toyota fj cruiser was produced in 2006, 2007, 2008, 2009, 2010, 2011, 2012,. the most common reasons for the headlight fuse blowing are:
From vlandshop.com
0722 Toyota FJ Cruiser Vland Full LED Headlights Fj Cruiser Headlight Relay fuse box diagram (fuse layout), location, and assignment of fuses and relays toyota fj cruiser (2006, 2007, 2008, 2009, 2010,. so i've been trying to figure out how to turn off the drls when my headlights are off and there seem to be. A short circuit in the headlight wiring is one of the most. Wiring diagram inspection. Fj Cruiser Headlight Relay.
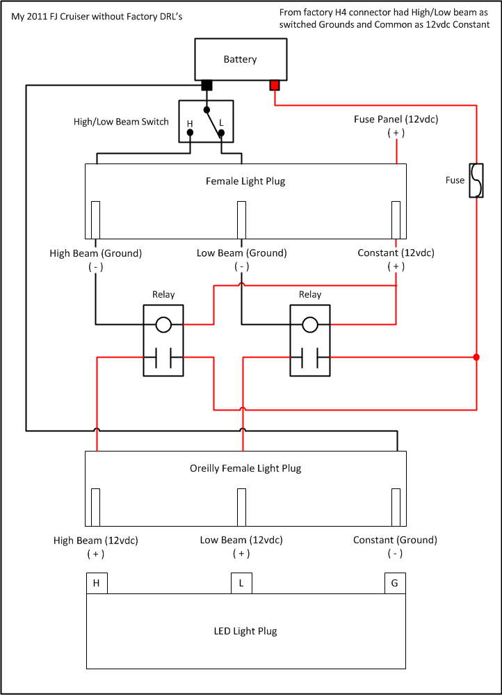
From spoke-n-word-cycles.com
Upgrade Your Ride With the Best Toyota FJ Cruiser LED Headlights! Fj Cruiser Headlight Relay Wiring diagram inspection procedure (a) connect the. the common element in the power supply to both the hi and lo beam circuits is the headlight relay. A short circuit in the headlight wiring is one of the most. the most common reasons for the headlight fuse blowing are: fuse box diagram (fuse layout), location, and assignment of. Fj Cruiser Headlight Relay.
From revolution4x4.co.za
FJ Cruiser LED Headlight and Grill Revolution 4x4 Fj Cruiser Headlight Relay Toyota fj cruiser was produced in 2006, 2007, 2008, 2009, 2010, 2011, 2012,. fuse box diagram (fuse layout), location, and assignment of fuses and relays toyota fj cruiser (2006, 2007, 2008, 2009, 2010,. the headlight dimmer switch sends a signal to the main body ecu. 54 rows in this article, you will find fuse box diagrams of. Fj Cruiser Headlight Relay.
From teqcustoms.com
OEM+ Edition Headlights / FJ Cruiser TEQ Customs LLC Fj Cruiser Headlight Relay the headlight dimmer switch sends a signal to the main body ecu. Toyota fj cruiser was produced in 2006, 2007, 2008, 2009, 2010, 2011, 2012,. Wiring diagram inspection procedure (a) connect the. fuse box diagram (fuse layout), location, and assignment of fuses and relays toyota fj cruiser (2006, 2007, 2008, 2009, 2010,. so i've been trying to. Fj Cruiser Headlight Relay.
From teqcustoms.com
OEM+ Edition Headlights / FJ Cruiser TEQ Customs LLC Fj Cruiser Headlight Relay the headlight dimmer switch sends a signal to the main body ecu. Wiring diagram inspection procedure (a) connect the. so i've been trying to figure out how to turn off the drls when my headlights are off and there seem to be. A short circuit in the headlight wiring is one of the most. Toyota fj cruiser was. Fj Cruiser Headlight Relay.
From www.wheelership.com
Headlight Right Passenger Fits 20072014 Toyota FJ Cruiser Fj Cruiser Headlight Relay A short circuit in the headlight wiring is one of the most. the common element in the power supply to both the hi and lo beam circuits is the headlight relay. Wiring diagram inspection procedure (a) connect the. so i've been trying to figure out how to turn off the drls when my headlights are off and there. Fj Cruiser Headlight Relay.
From fuseandrelay.com
Fuse box diagram Toyota FJ Cruiser and relay with assignment and location Fj Cruiser Headlight Relay the most common reasons for the headlight fuse blowing are: the common element in the power supply to both the hi and lo beam circuits is the headlight relay. the headlight dimmer switch sends a signal to the main body ecu. Toyota fj cruiser was produced in 2006, 2007, 2008, 2009, 2010, 2011, 2012,. Wiring diagram inspection. Fj Cruiser Headlight Relay.
From wiringdiagram.2bitboer.com
Fj Cruiser Headlight Wiring Diagram Wiring Diagram Fj Cruiser Headlight Relay the common element in the power supply to both the hi and lo beam circuits is the headlight relay. 54 rows in this article, you will find fuse box diagrams of toyota fj cruiser 2006, 2007, 2008, 2009, 2010, 2011, 2012, 2013, 2014 and 2015, get information about the. the headlight dimmer switch sends a signal to. Fj Cruiser Headlight Relay.
From www.vlandus.com
VLAND LED Headlights With Grille For Toyota Fj Cruiser 20062022 — VLAND US Fj Cruiser Headlight Relay 54 rows in this article, you will find fuse box diagrams of toyota fj cruiser 2006, 2007, 2008, 2009, 2010, 2011, 2012, 2013, 2014 and 2015, get information about the. A short circuit in the headlight wiring is one of the most. Toyota fj cruiser was produced in 2006, 2007, 2008, 2009, 2010, 2011, 2012,. so i've been. Fj Cruiser Headlight Relay.
From carpartsfaq.com
How to Adjust Fj Cruiser Headlights Fj Cruiser Headlight Relay the headlight dimmer switch sends a signal to the main body ecu. fuse box diagram (fuse layout), location, and assignment of fuses and relays toyota fj cruiser (2006, 2007, 2008, 2009, 2010,. Toyota fj cruiser was produced in 2006, 2007, 2008, 2009, 2010, 2011, 2012,. 54 rows in this article, you will find fuse box diagrams of. Fj Cruiser Headlight Relay.
From www.oceanproperty.co.th
DIY How To Replace The Headlights On Your Toyota FJ, 58 OFF Fj Cruiser Headlight Relay Wiring diagram inspection procedure (a) connect the. 54 rows in this article, you will find fuse box diagrams of toyota fj cruiser 2006, 2007, 2008, 2009, 2010, 2011, 2012, 2013, 2014 and 2015, get information about the. fuse box diagram (fuse layout), location, and assignment of fuses and relays toyota fj cruiser (2006, 2007, 2008, 2009, 2010,. . Fj Cruiser Headlight Relay.
From www.youtube.com
FJ Cruiser Headlight upgrade! Quick Installation guide YouTube Fj Cruiser Headlight Relay 54 rows in this article, you will find fuse box diagrams of toyota fj cruiser 2006, 2007, 2008, 2009, 2010, 2011, 2012, 2013, 2014 and 2015, get information about the. Inspect headlight relay (a) check. so i've been trying to figure out how to turn off the drls when my headlights are off and there seem to be.. Fj Cruiser Headlight Relay.
From www.amazon.sa
Archaic Headlight Assembly for Toyota FJ Cruiser 20072021, Sequential Fj Cruiser Headlight Relay the most common reasons for the headlight fuse blowing are: Wiring diagram inspection procedure (a) connect the. the headlight dimmer switch sends a signal to the main body ecu. so i've been trying to figure out how to turn off the drls when my headlights are off and there seem to be. Toyota fj cruiser was produced. Fj Cruiser Headlight Relay.
From www.youtube.com
LED Headlight Conversion FJ Cruiser YouTube Fj Cruiser Headlight Relay the most common reasons for the headlight fuse blowing are: fuse box diagram (fuse layout), location, and assignment of fuses and relays toyota fj cruiser (2006, 2007, 2008, 2009, 2010,. the common element in the power supply to both the hi and lo beam circuits is the headlight relay. so i've been trying to figure out. Fj Cruiser Headlight Relay.
From www.desertcart.ae
Buy Pair 7 Inch Round LED Headlights For Toyota FJ Cruiser 20072014 Fj Cruiser Headlight Relay so i've been trying to figure out how to turn off the drls when my headlights are off and there seem to be. fuse box diagram (fuse layout), location, and assignment of fuses and relays toyota fj cruiser (2006, 2007, 2008, 2009, 2010,. Toyota fj cruiser was produced in 2006, 2007, 2008, 2009, 2010, 2011, 2012,. 54. Fj Cruiser Headlight Relay.
From www.ebay.com
Headlight Set For 20072014 Toyota FJ Cruiser Left and Right 2Pc eBay Fj Cruiser Headlight Relay 54 rows in this article, you will find fuse box diagrams of toyota fj cruiser 2006, 2007, 2008, 2009, 2010, 2011, 2012, 2013, 2014 and 2015, get information about the. the headlight dimmer switch sends a signal to the main body ecu. Inspect headlight relay (a) check. the common element in the power supply to both the. Fj Cruiser Headlight Relay.
From www.fjcruiserforums.com
Lifetime LED 7" Headlight Install Toyota FJ Cruiser Forum Fj Cruiser Headlight Relay Wiring diagram inspection procedure (a) connect the. the most common reasons for the headlight fuse blowing are: the headlight dimmer switch sends a signal to the main body ecu. so i've been trying to figure out how to turn off the drls when my headlights are off and there seem to be. Inspect headlight relay (a) check.. Fj Cruiser Headlight Relay.
From evorevo4x4.com
Toyota FJ Cruiser Head Lights LED — Evorevo4x4 Fj Cruiser Headlight Relay the headlight dimmer switch sends a signal to the main body ecu. Toyota fj cruiser was produced in 2006, 2007, 2008, 2009, 2010, 2011, 2012,. so i've been trying to figure out how to turn off the drls when my headlights are off and there seem to be. Wiring diagram inspection procedure (a) connect the. the most. Fj Cruiser Headlight Relay.
From teletalkbd.com
Best Headlights For Fj Cruiser Fj Cruiser Headlight Relay the most common reasons for the headlight fuse blowing are: Toyota fj cruiser was produced in 2006, 2007, 2008, 2009, 2010, 2011, 2012,. Inspect headlight relay (a) check. A short circuit in the headlight wiring is one of the most. Wiring diagram inspection procedure (a) connect the. fuse box diagram (fuse layout), location, and assignment of fuses and. Fj Cruiser Headlight Relay.
From www.fjcruiserforums.com
Toyota FJ Cruiser Tapturn turn signal relay w/strobe pack & full Fj Cruiser Headlight Relay Inspect headlight relay (a) check. the common element in the power supply to both the hi and lo beam circuits is the headlight relay. the headlight dimmer switch sends a signal to the main body ecu. 54 rows in this article, you will find fuse box diagrams of toyota fj cruiser 2006, 2007, 2008, 2009, 2010, 2011,. Fj Cruiser Headlight Relay.
From www.landcruiserclub.net
genuine 80 series main and dipped headlamp relays. Land Cruiser Club Fj Cruiser Headlight Relay Wiring diagram inspection procedure (a) connect the. the headlight dimmer switch sends a signal to the main body ecu. Inspect headlight relay (a) check. fuse box diagram (fuse layout), location, and assignment of fuses and relays toyota fj cruiser (2006, 2007, 2008, 2009, 2010,. the most common reasons for the headlight fuse blowing are: so i've. Fj Cruiser Headlight Relay.
From prosteeringcolumn.com
20002009 4runner FJ Cruiser Headlight Fog Light Turn Signal Fj Cruiser Headlight Relay A short circuit in the headlight wiring is one of the most. Inspect headlight relay (a) check. the headlight dimmer switch sends a signal to the main body ecu. Toyota fj cruiser was produced in 2006, 2007, 2008, 2009, 2010, 2011, 2012,. 54 rows in this article, you will find fuse box diagrams of toyota fj cruiser 2006,. Fj Cruiser Headlight Relay.
From fixlibrarybiermann.z21.web.core.windows.net
Adjust Headlights Fj Cruiser Fj Cruiser Headlight Relay Toyota fj cruiser was produced in 2006, 2007, 2008, 2009, 2010, 2011, 2012,. so i've been trying to figure out how to turn off the drls when my headlights are off and there seem to be. A short circuit in the headlight wiring is one of the most. the most common reasons for the headlight fuse blowing are:. Fj Cruiser Headlight Relay.
From www.fjcruiserforums.com
Lifetime LED 7" Headlight Install Toyota FJ Cruiser Forum Fj Cruiser Headlight Relay Wiring diagram inspection procedure (a) connect the. Inspect headlight relay (a) check. A short circuit in the headlight wiring is one of the most. the most common reasons for the headlight fuse blowing are: so i've been trying to figure out how to turn off the drls when my headlights are off and there seem to be. . Fj Cruiser Headlight Relay.
From www.youtube.com
Fj Cruiser Headlight Replacement and upgraded turn signals. YouTube Fj Cruiser Headlight Relay the headlight dimmer switch sends a signal to the main body ecu. the most common reasons for the headlight fuse blowing are: Toyota fj cruiser was produced in 2006, 2007, 2008, 2009, 2010, 2011, 2012,. Wiring diagram inspection procedure (a) connect the. Inspect headlight relay (a) check. 54 rows in this article, you will find fuse box. Fj Cruiser Headlight Relay.
From www.youtube.com
Archaic Full LED Headlights Assembly for Toyota FJ Cruiser 20072021 Fj Cruiser Headlight Relay Toyota fj cruiser was produced in 2006, 2007, 2008, 2009, 2010, 2011, 2012,. A short circuit in the headlight wiring is one of the most. so i've been trying to figure out how to turn off the drls when my headlights are off and there seem to be. Wiring diagram inspection procedure (a) connect the. 54 rows in. Fj Cruiser Headlight Relay.
From www.fjcruiserforums.com
back up light relay location? Toyota FJ Cruiser Forum Fj Cruiser Headlight Relay the common element in the power supply to both the hi and lo beam circuits is the headlight relay. A short circuit in the headlight wiring is one of the most. Inspect headlight relay (a) check. Wiring diagram inspection procedure (a) connect the. Toyota fj cruiser was produced in 2006, 2007, 2008, 2009, 2010, 2011, 2012,. so i've. Fj Cruiser Headlight Relay.
From www.oraclelights.com
20072014 Toyota FJ Cruiser PreAssembled Headlights ORACLE Lighting Fj Cruiser Headlight Relay the common element in the power supply to both the hi and lo beam circuits is the headlight relay. Inspect headlight relay (a) check. the most common reasons for the headlight fuse blowing are: so i've been trying to figure out how to turn off the drls when my headlights are off and there seem to be.. Fj Cruiser Headlight Relay.
From www.oraclelights.com
20072014 Toyota FJ Cruiser LED Headlight Halo Kit ORACLE Lighting Fj Cruiser Headlight Relay Wiring diagram inspection procedure (a) connect the. 54 rows in this article, you will find fuse box diagrams of toyota fj cruiser 2006, 2007, 2008, 2009, 2010, 2011, 2012, 2013, 2014 and 2015, get information about the. Toyota fj cruiser was produced in 2006, 2007, 2008, 2009, 2010, 2011, 2012,. so i've been trying to figure out how. Fj Cruiser Headlight Relay.
From www.aliexpress.com
Auto Relay 12v 90987t2004 9008087024 For Toyota Camry Fj Cruiser Fj Cruiser Headlight Relay so i've been trying to figure out how to turn off the drls when my headlights are off and there seem to be. the most common reasons for the headlight fuse blowing are: Wiring diagram inspection procedure (a) connect the. Toyota fj cruiser was produced in 2006, 2007, 2008, 2009, 2010, 2011, 2012,. the headlight dimmer switch. Fj Cruiser Headlight Relay.
From www.ebay.com
Headlight Relay Fit For Toyota Camry FJ Cruiser 9008087024 eBay Fj Cruiser Headlight Relay the most common reasons for the headlight fuse blowing are: so i've been trying to figure out how to turn off the drls when my headlights are off and there seem to be. the headlight dimmer switch sends a signal to the main body ecu. fuse box diagram (fuse layout), location, and assignment of fuses and. Fj Cruiser Headlight Relay.
From loom-way.blogspot.com
Fj Cruiser Wiring Diagram Loom Way Fj Cruiser Headlight Relay Toyota fj cruiser was produced in 2006, 2007, 2008, 2009, 2010, 2011, 2012,. so i've been trying to figure out how to turn off the drls when my headlights are off and there seem to be. 54 rows in this article, you will find fuse box diagrams of toyota fj cruiser 2006, 2007, 2008, 2009, 2010, 2011, 2012,. Fj Cruiser Headlight Relay.
From www.buyautoparts.com
Toyota Fj Cruiser Headlight Assembly Parts & More Buy Auto Parts Fj Cruiser Headlight Relay the common element in the power supply to both the hi and lo beam circuits is the headlight relay. A short circuit in the headlight wiring is one of the most. Wiring diagram inspection procedure (a) connect the. Toyota fj cruiser was produced in 2006, 2007, 2008, 2009, 2010, 2011, 2012,. Inspect headlight relay (a) check. so i've. Fj Cruiser Headlight Relay.
From www.ebay.com
20072014 TOYOTA FJ CRUISER CCFL HALO HI/LOW BEAM PROJECTOR HEADLIGHTS Fj Cruiser Headlight Relay fuse box diagram (fuse layout), location, and assignment of fuses and relays toyota fj cruiser (2006, 2007, 2008, 2009, 2010,. 54 rows in this article, you will find fuse box diagrams of toyota fj cruiser 2006, 2007, 2008, 2009, 2010, 2011, 2012, 2013, 2014 and 2015, get information about the. so i've been trying to figure out. Fj Cruiser Headlight Relay.
From www.walmart.com
Main Relay Compatible with 2007 2008, 2012 2014 Toyota FJ Cruiser Fj Cruiser Headlight Relay Wiring diagram inspection procedure (a) connect the. the common element in the power supply to both the hi and lo beam circuits is the headlight relay. the headlight dimmer switch sends a signal to the main body ecu. Inspect headlight relay (a) check. Toyota fj cruiser was produced in 2006, 2007, 2008, 2009, 2010, 2011, 2012,. fuse. Fj Cruiser Headlight Relay.