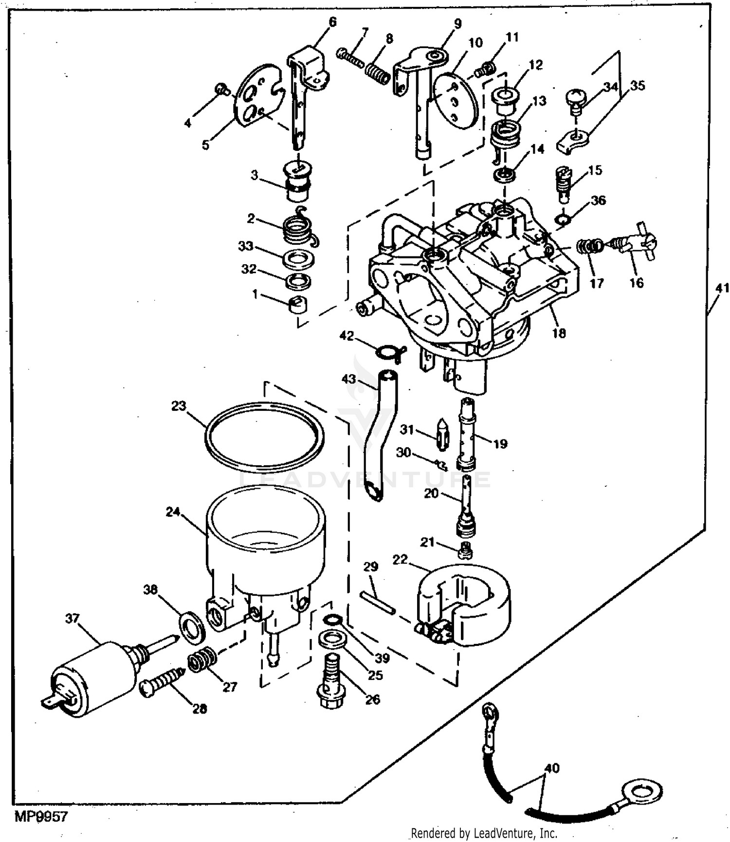
John Deere D125 Carburetor Diagram . Order genuine parts for your d125 lawn tractor. d125 (100 series tractor) with 42 inch side discharge deck. By considering the factors outlined in this guide, you. john deere d125 exploded view parts lookup by model. Fuel & air with our free. Complete exploded views of all the major manufacturers. choosing the right carburetor for your john deere d125 is an important decision. find the correct carburetor diagram for the john deere d125 lawn mower model, helping you with repairs and maintenance. find and explore the parts diagram for the john deere d125 tractor. For example the operator’s manual, parts diagram, reference guides,. find your owner’s manual and service information. Easily navigate and identify specific components for. find the complete diagram of john deere d125 parts for easy identification and replacement.
from www.ebay.com
Complete exploded views of all the major manufacturers. find the correct carburetor diagram for the john deere d125 lawn mower model, helping you with repairs and maintenance. john deere d125 exploded view parts lookup by model. For example the operator’s manual, parts diagram, reference guides,. find your owner’s manual and service information. By considering the factors outlined in this guide, you. Easily navigate and identify specific components for. Fuel & air with our free. find the complete diagram of john deere d125 parts for easy identification and replacement. Order genuine parts for your d125 lawn tractor.
MIA11173 MIA11790 MIA11461 Carburetor For John Deere D125 Z235 Z245 Z255 Z425 eBay
John Deere D125 Carburetor Diagram For example the operator’s manual, parts diagram, reference guides,. By considering the factors outlined in this guide, you. Fuel & air with our free. choosing the right carburetor for your john deere d125 is an important decision. Complete exploded views of all the major manufacturers. find the complete diagram of john deere d125 parts for easy identification and replacement. find the correct carburetor diagram for the john deere d125 lawn mower model, helping you with repairs and maintenance. Easily navigate and identify specific components for. find and explore the parts diagram for the john deere d125 tractor. find your owner’s manual and service information. d125 (100 series tractor) with 42 inch side discharge deck. Order genuine parts for your d125 lawn tractor. john deere d125 exploded view parts lookup by model. For example the operator’s manual, parts diagram, reference guides,.
From fixitfrequency.com
Exploring the John Deere D125 Parts Diagram A Detailed Breakdown John Deere D125 Carburetor Diagram Order genuine parts for your d125 lawn tractor. choosing the right carburetor for your john deere d125 is an important decision. find the complete diagram of john deere d125 parts for easy identification and replacement. For example the operator’s manual, parts diagram, reference guides,. d125 (100 series tractor) with 42 inch side discharge deck. Fuel & air. John Deere D125 Carburetor Diagram.
From www.grillpartsamerica.com
AUTOKAY Carb Carburetor Fits for John Deere D125 D130 D140 D150 D170 LA135 LA145 LA155 LA165 John Deere D125 Carburetor Diagram find and explore the parts diagram for the john deere d125 tractor. Easily navigate and identify specific components for. d125 (100 series tractor) with 42 inch side discharge deck. Order genuine parts for your d125 lawn tractor. find the complete diagram of john deere d125 parts for easy identification and replacement. john deere d125 exploded view. John Deere D125 Carburetor Diagram.
From www.amazon.com
Carburetor Carb Fits for John Deere D125 D130 D140 D150 D170 LA135 LA145 LA155 LA165 John Deere D125 Carburetor Diagram Complete exploded views of all the major manufacturers. Easily navigate and identify specific components for. For example the operator’s manual, parts diagram, reference guides,. find your owner’s manual and service information. d125 (100 series tractor) with 42 inch side discharge deck. Order genuine parts for your d125 lawn tractor. By considering the factors outlined in this guide, you.. John Deere D125 Carburetor Diagram.
From www.walmart.com
Lumix GC Carburetor for John Deere D125 D130 D140 D150 Lawn Tractors John Deere D125 Carburetor Diagram Complete exploded views of all the major manufacturers. d125 (100 series tractor) with 42 inch side discharge deck. Order genuine parts for your d125 lawn tractor. find the correct carburetor diagram for the john deere d125 lawn mower model, helping you with repairs and maintenance. By considering the factors outlined in this guide, you. find your owner’s. John Deere D125 Carburetor Diagram.
From www.amazon.com
VORIPO Carburetor Carb for John Deere D125 D130 D140 D150 D170 LA135 LA145 LA155 John Deere D125 Carburetor Diagram Fuel & air with our free. For example the operator’s manual, parts diagram, reference guides,. Complete exploded views of all the major manufacturers. Order genuine parts for your d125 lawn tractor. find your owner’s manual and service information. By considering the factors outlined in this guide, you. john deere d125 exploded view parts lookup by model. find. John Deere D125 Carburetor Diagram.
From www.ebay.com
Carburetor Carb For John Deere D125 D130 D140 D150 D170 LA135 Tractor 795969 eBay John Deere D125 Carburetor Diagram For example the operator’s manual, parts diagram, reference guides,. Order genuine parts for your d125 lawn tractor. Fuel & air with our free. d125 (100 series tractor) with 42 inch side discharge deck. find your owner’s manual and service information. john deere d125 exploded view parts lookup by model. find and explore the parts diagram for. John Deere D125 Carburetor Diagram.
From www.ubuy.co.in
Buy Owigift Carburetor Carb 2 Barrel Replaces for John Deere D 100 Series Model D125 D130 D140 John Deere D125 Carburetor Diagram By considering the factors outlined in this guide, you. find the complete diagram of john deere d125 parts for easy identification and replacement. john deere d125 exploded view parts lookup by model. For example the operator’s manual, parts diagram, reference guides,. choosing the right carburetor for your john deere d125 is an important decision. Complete exploded views. John Deere D125 Carburetor Diagram.
From diagramweb.net
A Visual Guide John Deere D125 Belt Diagram John Deere D125 Carburetor Diagram john deere d125 exploded view parts lookup by model. d125 (100 series tractor) with 42 inch side discharge deck. Complete exploded views of all the major manufacturers. find the complete diagram of john deere d125 parts for easy identification and replacement. Order genuine parts for your d125 lawn tractor. Fuel & air with our free. Easily navigate. John Deere D125 Carburetor Diagram.
From circuitgestrinovu6.z21.web.core.windows.net
John Deere 125 Parts Diagram John Deere D125 Carburetor Diagram Easily navigate and identify specific components for. find the correct carburetor diagram for the john deere d125 lawn mower model, helping you with repairs and maintenance. find the complete diagram of john deere d125 parts for easy identification and replacement. find your owner’s manual and service information. find and explore the parts diagram for the john. John Deere D125 Carburetor Diagram.
From replacementparts.netlify.app
John deere gator carburetor diagram John Deere D125 Carburetor Diagram By considering the factors outlined in this guide, you. Fuel & air with our free. find your owner’s manual and service information. For example the operator’s manual, parts diagram, reference guides,. find the complete diagram of john deere d125 parts for easy identification and replacement. find the correct carburetor diagram for the john deere d125 lawn mower. John Deere D125 Carburetor Diagram.
From johndocs.com
Exploring John Deere D125 A Detailed Carburetor Diagram John Deere D125 Carburetor Diagram find and explore the parts diagram for the john deere d125 tractor. By considering the factors outlined in this guide, you. choosing the right carburetor for your john deere d125 is an important decision. Fuel & air with our free. For example the operator’s manual, parts diagram, reference guides,. Easily navigate and identify specific components for. d125. John Deere D125 Carburetor Diagram.
From johndocs.com
Exploring John Deere D125 A Detailed Carburetor Diagram John Deere D125 Carburetor Diagram Complete exploded views of all the major manufacturers. Fuel & air with our free. john deere d125 exploded view parts lookup by model. Order genuine parts for your d125 lawn tractor. By considering the factors outlined in this guide, you. For example the operator’s manual, parts diagram, reference guides,. find and explore the parts diagram for the john. John Deere D125 Carburetor Diagram.
From www.deeremanuals.com
TM113219 John Deere D100, D105, D110, D120, D125, D130, D140, D150, D155, D160, and D170 Lawn John Deere D125 Carburetor Diagram find and explore the parts diagram for the john deere d125 tractor. By considering the factors outlined in this guide, you. find your owner’s manual and service information. Order genuine parts for your d125 lawn tractor. choosing the right carburetor for your john deere d125 is an important decision. Complete exploded views of all the major manufacturers.. John Deere D125 Carburetor Diagram.
From johndocs.com
Exploring John Deere D125 A Detailed Carburetor Diagram John Deere D125 Carburetor Diagram For example the operator’s manual, parts diagram, reference guides,. find your owner’s manual and service information. find and explore the parts diagram for the john deere d125 tractor. john deere d125 exploded view parts lookup by model. Complete exploded views of all the major manufacturers. choosing the right carburetor for your john deere d125 is an. John Deere D125 Carburetor Diagram.
From diagrampartoverstrain.z19.web.core.windows.net
John Deere D125 Parts List Diagram John Deere D125 Carburetor Diagram find the correct carburetor diagram for the john deere d125 lawn mower model, helping you with repairs and maintenance. By considering the factors outlined in this guide, you. Order genuine parts for your d125 lawn tractor. find and explore the parts diagram for the john deere d125 tractor. Fuel & air with our free. Easily navigate and identify. John Deere D125 Carburetor Diagram.
From circuitdbfrequents.z19.web.core.windows.net
John Deere D105 Carburetor Diagram John Deere D125 Carburetor Diagram choosing the right carburetor for your john deere d125 is an important decision. Order genuine parts for your d125 lawn tractor. find the correct carburetor diagram for the john deere d125 lawn mower model, helping you with repairs and maintenance. find and explore the parts diagram for the john deere d125 tractor. find the complete diagram. John Deere D125 Carburetor Diagram.
From johndocs.com
Exploring John Deere D125 A Detailed Carburetor Diagram John Deere D125 Carburetor Diagram d125 (100 series tractor) with 42 inch side discharge deck. For example the operator’s manual, parts diagram, reference guides,. find and explore the parts diagram for the john deere d125 tractor. choosing the right carburetor for your john deere d125 is an important decision. john deere d125 exploded view parts lookup by model. By considering the. John Deere D125 Carburetor Diagram.
From www.ebay.com
Carburetor CARB For John Deere D125 D130 D150 D170 LA135 LA145 LA155 LA165 eBay John Deere D125 Carburetor Diagram Easily navigate and identify specific components for. find the complete diagram of john deere d125 parts for easy identification and replacement. john deere d125 exploded view parts lookup by model. For example the operator’s manual, parts diagram, reference guides,. find your owner’s manual and service information. d125 (100 series tractor) with 42 inch side discharge deck.. John Deere D125 Carburetor Diagram.
From www.ebay.com
MIA11173 MIA11790 MIA11461 Carburetor For John Deere D125 Z235 Z245 Z255 Z425 eBay John Deere D125 Carburetor Diagram Complete exploded views of all the major manufacturers. By considering the factors outlined in this guide, you. For example the operator’s manual, parts diagram, reference guides,. find the complete diagram of john deere d125 parts for easy identification and replacement. john deere d125 exploded view parts lookup by model. choosing the right carburetor for your john deere. John Deere D125 Carburetor Diagram.
From mungfali.com
John Deere L108 Parts Diagram John Deere D125 Carburetor Diagram For example the operator’s manual, parts diagram, reference guides,. find the complete diagram of john deere d125 parts for easy identification and replacement. d125 (100 series tractor) with 42 inch side discharge deck. find your owner’s manual and service information. choosing the right carburetor for your john deere d125 is an important decision. Order genuine parts. John Deere D125 Carburetor Diagram.
From www.ebay.com
Fits John Deere D125 D130 D150 D170 LA135 LA145 LA155 LA165 Carburetor Carb eBay John Deere D125 Carburetor Diagram Order genuine parts for your d125 lawn tractor. By considering the factors outlined in this guide, you. Complete exploded views of all the major manufacturers. find the correct carburetor diagram for the john deere d125 lawn mower model, helping you with repairs and maintenance. find your owner’s manual and service information. choosing the right carburetor for your. John Deere D125 Carburetor Diagram.
From www.ebay.com
Fits John Deere D125 D130 D150 D170 LA135 LA145 LA155 LA165 Carburetor Carb eBay John Deere D125 Carburetor Diagram For example the operator’s manual, parts diagram, reference guides,. find the correct carburetor diagram for the john deere d125 lawn mower model, helping you with repairs and maintenance. Easily navigate and identify specific components for. By considering the factors outlined in this guide, you. find and explore the parts diagram for the john deere d125 tractor. choosing. John Deere D125 Carburetor Diagram.
From diagrampartoverstrain.z19.web.core.windows.net
John Deere D125 Parts List Diagram John Deere D125 Carburetor Diagram Easily navigate and identify specific components for. Order genuine parts for your d125 lawn tractor. Complete exploded views of all the major manufacturers. find the complete diagram of john deere d125 parts for easy identification and replacement. find your owner’s manual and service information. choosing the right carburetor for your john deere d125 is an important decision.. John Deere D125 Carburetor Diagram.
From www.weingartz.com
ARIMain WEINGARTZ John Deere D125 Carburetor Diagram find the complete diagram of john deere d125 parts for easy identification and replacement. find the correct carburetor diagram for the john deere d125 lawn mower model, helping you with repairs and maintenance. Order genuine parts for your d125 lawn tractor. Fuel & air with our free. Complete exploded views of all the major manufacturers. Easily navigate and. John Deere D125 Carburetor Diagram.
From mowerpartsland.com
Replaces Carburetor For John Deere D125 Lawn Tractor Mower Parts Land John Deere D125 Carburetor Diagram Fuel & air with our free. find the correct carburetor diagram for the john deere d125 lawn mower model, helping you with repairs and maintenance. Easily navigate and identify specific components for. For example the operator’s manual, parts diagram, reference guides,. find your owner’s manual and service information. find the complete diagram of john deere d125 parts. John Deere D125 Carburetor Diagram.
From www.ebay.com
Fits John Deere D125 D130 D150 D170 LA135 LA145 LA155 LA165 Carburetor Carb eBay John Deere D125 Carburetor Diagram d125 (100 series tractor) with 42 inch side discharge deck. Order genuine parts for your d125 lawn tractor. john deere d125 exploded view parts lookup by model. Complete exploded views of all the major manufacturers. find the complete diagram of john deere d125 parts for easy identification and replacement. Fuel & air with our free. find. John Deere D125 Carburetor Diagram.
From www.ebay.com
Carburetor Carb For John Deere D125 D130 D140 D150 D170 LA135 Tractor 795969 eBay John Deere D125 Carburetor Diagram Complete exploded views of all the major manufacturers. d125 (100 series tractor) with 42 inch side discharge deck. find the correct carburetor diagram for the john deere d125 lawn mower model, helping you with repairs and maintenance. Fuel & air with our free. Order genuine parts for your d125 lawn tractor. find your owner’s manual and service. John Deere D125 Carburetor Diagram.
From stewart-switch.com
John Deere D125 Mower Deck Belt Diagram John Deere D125 Carburetor Diagram choosing the right carburetor for your john deere d125 is an important decision. Order genuine parts for your d125 lawn tractor. d125 (100 series tractor) with 42 inch side discharge deck. Complete exploded views of all the major manufacturers. find your owner’s manual and service information. find the complete diagram of john deere d125 parts for. John Deere D125 Carburetor Diagram.
From www.ebay.com
Carburetor Carb For John Deere D125 D130 D140 D150 D170 LA135 Tractor 795969 eBay John Deere D125 Carburetor Diagram Fuel & air with our free. find the correct carburetor diagram for the john deere d125 lawn mower model, helping you with repairs and maintenance. find your owner’s manual and service information. john deere d125 exploded view parts lookup by model. d125 (100 series tractor) with 42 inch side discharge deck. By considering the factors outlined. John Deere D125 Carburetor Diagram.
From www.grillpartsamerica.com
AUTOKAY Carb Carburetor Fits for John Deere D125 D130 D140 D150 D170 LA135 LA145 LA155 LA165 John Deere D125 Carburetor Diagram d125 (100 series tractor) with 42 inch side discharge deck. find the correct carburetor diagram for the john deere d125 lawn mower model, helping you with repairs and maintenance. find your owner’s manual and service information. find the complete diagram of john deere d125 parts for easy identification and replacement. find and explore the parts. John Deere D125 Carburetor Diagram.
From www.mechanicsurplus.com
Autokay Carb Carburetor Fits For John Deere D125 D130 D140 D150 D170 La135 La145 La155 La165 John Deere D125 Carburetor Diagram Easily navigate and identify specific components for. Order genuine parts for your d125 lawn tractor. d125 (100 series tractor) with 42 inch side discharge deck. find and explore the parts diagram for the john deere d125 tractor. By considering the factors outlined in this guide, you. john deere d125 exploded view parts lookup by model. Fuel &. John Deere D125 Carburetor Diagram.
From www.grillpartsamerica.com
AUTOKAY Carb Carburetor Fits for John Deere D125 D130 D140 D150 D170 LA135 LA145 LA155 LA165 John Deere D125 Carburetor Diagram find your owner’s manual and service information. Complete exploded views of all the major manufacturers. For example the operator’s manual, parts diagram, reference guides,. choosing the right carburetor for your john deere d125 is an important decision. find the correct carburetor diagram for the john deere d125 lawn mower model, helping you with repairs and maintenance. . John Deere D125 Carburetor Diagram.
From www.walmart.com
OEM Carburetor John Deere D125 D130 D140 D150 D170 LA135 LA145 LA155 LA165 LA175 X130R X140 X165 John Deere D125 Carburetor Diagram find and explore the parts diagram for the john deere d125 tractor. john deere d125 exploded view parts lookup by model. Fuel & air with our free. Complete exploded views of all the major manufacturers. find your owner’s manual and service information. choosing the right carburetor for your john deere d125 is an important decision. By. John Deere D125 Carburetor Diagram.
From www.ebay.com
Carburetor For John Deere tractors D125 D130 D140 D150 D170 ridding lawn mower eBay John Deere D125 Carburetor Diagram Complete exploded views of all the major manufacturers. Easily navigate and identify specific components for. choosing the right carburetor for your john deere d125 is an important decision. For example the operator’s manual, parts diagram, reference guides,. Fuel & air with our free. find and explore the parts diagram for the john deere d125 tractor. By considering the. John Deere D125 Carburetor Diagram.
From www.justanswer.com
Expert Solutions for John Deere and Onan Microquiet Throttle and Carburetor Linkage Diagrams John Deere D125 Carburetor Diagram Order genuine parts for your d125 lawn tractor. Fuel & air with our free. find the complete diagram of john deere d125 parts for easy identification and replacement. john deere d125 exploded view parts lookup by model. find your owner’s manual and service information. choosing the right carburetor for your john deere d125 is an important. John Deere D125 Carburetor Diagram.