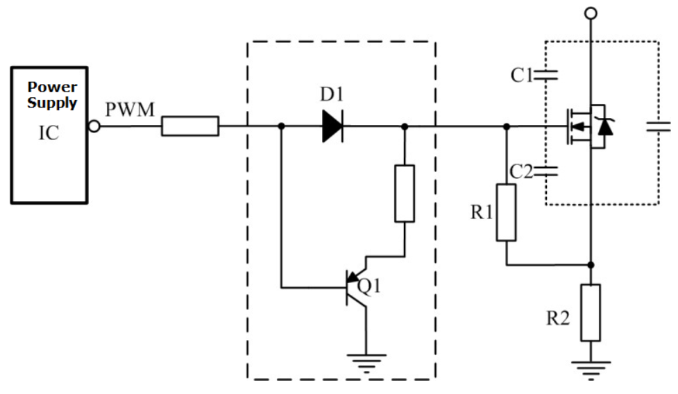
Mosfet Fast Turn Off Circuit . The easiest and almost only way to speed up commutation is to get a bigger gate driver with more current sink capability, and. Gate capacitance of this mosfet is about 500pf. So a pnp transistor to replace the diode. One can use a circuit like in fig 13 (or inbetween fig 12 and 13) of the ti text. I had to speed up the turn off time as i wanted to use pwm modulation. 1) use a lower impedance gate driver that is capable of discharging the gate capacitance faster.
from localrevive.com
One can use a circuit like in fig 13 (or inbetween fig 12 and 13) of the ti text. So a pnp transistor to replace the diode. Gate capacitance of this mosfet is about 500pf. 1) use a lower impedance gate driver that is capable of discharging the gate capacitance faster. The easiest and almost only way to speed up commutation is to get a bigger gate driver with more current sink capability, and. I had to speed up the turn off time as i wanted to use pwm modulation.
How Transistors Work (BJT and MOSFET) The Simple Explanation (2022)
Mosfet Fast Turn Off Circuit So a pnp transistor to replace the diode. The easiest and almost only way to speed up commutation is to get a bigger gate driver with more current sink capability, and. Gate capacitance of this mosfet is about 500pf. 1) use a lower impedance gate driver that is capable of discharging the gate capacitance faster. One can use a circuit like in fig 13 (or inbetween fig 12 and 13) of the ti text. So a pnp transistor to replace the diode. I had to speed up the turn off time as i wanted to use pwm modulation.
From www.researchgate.net
Equivalent circuit of MOSFET. Download Scientific Diagram Mosfet Fast Turn Off Circuit So a pnp transistor to replace the diode. Gate capacitance of this mosfet is about 500pf. The easiest and almost only way to speed up commutation is to get a bigger gate driver with more current sink capability, and. 1) use a lower impedance gate driver that is capable of discharging the gate capacitance faster. One can use a circuit. Mosfet Fast Turn Off Circuit.
From www.youtube.com
How MOSFET switching works? MOSFET switching explained with waveforms Mosfet Fast Turn Off Circuit So a pnp transistor to replace the diode. The easiest and almost only way to speed up commutation is to get a bigger gate driver with more current sink capability, and. Gate capacitance of this mosfet is about 500pf. 1) use a lower impedance gate driver that is capable of discharging the gate capacitance faster. I had to speed up. Mosfet Fast Turn Off Circuit.
From circuitjournal.com
PChannel MOSFET and Arduino. Switching a 12V Motor. Circuit Journal Mosfet Fast Turn Off Circuit So a pnp transistor to replace the diode. One can use a circuit like in fig 13 (or inbetween fig 12 and 13) of the ti text. 1) use a lower impedance gate driver that is capable of discharging the gate capacitance faster. I had to speed up the turn off time as i wanted to use pwm modulation. Gate. Mosfet Fast Turn Off Circuit.
From localrevive.com
How Transistors Work (BJT and MOSFET) The Simple Explanation (2022) Mosfet Fast Turn Off Circuit 1) use a lower impedance gate driver that is capable of discharging the gate capacitance faster. I had to speed up the turn off time as i wanted to use pwm modulation. The easiest and almost only way to speed up commutation is to get a bigger gate driver with more current sink capability, and. Gate capacitance of this mosfet. Mosfet Fast Turn Off Circuit.
From www.nutsvolts.com
Power MOSFETs Nuts & Volts Magazine Mosfet Fast Turn Off Circuit 1) use a lower impedance gate driver that is capable of discharging the gate capacitance faster. Gate capacitance of this mosfet is about 500pf. I had to speed up the turn off time as i wanted to use pwm modulation. The easiest and almost only way to speed up commutation is to get a bigger gate driver with more current. Mosfet Fast Turn Off Circuit.
From e2e.ti.com
Automotive Dual Channel SiC MOSFET Gate Driver Reference Design with Mosfet Fast Turn Off Circuit I had to speed up the turn off time as i wanted to use pwm modulation. Gate capacitance of this mosfet is about 500pf. One can use a circuit like in fig 13 (or inbetween fig 12 and 13) of the ti text. The easiest and almost only way to speed up commutation is to get a bigger gate driver. Mosfet Fast Turn Off Circuit.
From www.microtype.io
Designing Power MOSFET Circuits MicroType Engineering Mosfet Fast Turn Off Circuit 1) use a lower impedance gate driver that is capable of discharging the gate capacitance faster. Gate capacitance of this mosfet is about 500pf. The easiest and almost only way to speed up commutation is to get a bigger gate driver with more current sink capability, and. One can use a circuit like in fig 13 (or inbetween fig 12. Mosfet Fast Turn Off Circuit.
From manuallistdetecting.z13.web.core.windows.net
Diagram Of A Mosfet Mosfet Fast Turn Off Circuit Gate capacitance of this mosfet is about 500pf. I had to speed up the turn off time as i wanted to use pwm modulation. So a pnp transistor to replace the diode. The easiest and almost only way to speed up commutation is to get a bigger gate driver with more current sink capability, and. One can use a circuit. Mosfet Fast Turn Off Circuit.
From www.kynixsemiconductor.com
MOSFET Gate Drive Circuit Guidelines Hints & Tips Mosfet Fast Turn Off Circuit I had to speed up the turn off time as i wanted to use pwm modulation. 1) use a lower impedance gate driver that is capable of discharging the gate capacitance faster. One can use a circuit like in fig 13 (or inbetween fig 12 and 13) of the ti text. Gate capacitance of this mosfet is about 500pf. The. Mosfet Fast Turn Off Circuit.
From www.nutsvolts.com
Power MOSFETs Nuts & Volts Magazine Mosfet Fast Turn Off Circuit I had to speed up the turn off time as i wanted to use pwm modulation. So a pnp transistor to replace the diode. The easiest and almost only way to speed up commutation is to get a bigger gate driver with more current sink capability, and. Gate capacitance of this mosfet is about 500pf. One can use a circuit. Mosfet Fast Turn Off Circuit.
From www.youtube.com
How to use MOSFET as a Switch ? MOSFET as a Switch Explained YouTube Mosfet Fast Turn Off Circuit One can use a circuit like in fig 13 (or inbetween fig 12 and 13) of the ti text. The easiest and almost only way to speed up commutation is to get a bigger gate driver with more current sink capability, and. I had to speed up the turn off time as i wanted to use pwm modulation. Gate capacitance. Mosfet Fast Turn Off Circuit.
From www.power-and-beyond.com
How to use a MOSFET as a switch? Mosfet Fast Turn Off Circuit 1) use a lower impedance gate driver that is capable of discharging the gate capacitance faster. Gate capacitance of this mosfet is about 500pf. One can use a circuit like in fig 13 (or inbetween fig 12 and 13) of the ti text. I had to speed up the turn off time as i wanted to use pwm modulation. So. Mosfet Fast Turn Off Circuit.
From www.youtube.com
MOSFET TurnOff Snubber YouTube Mosfet Fast Turn Off Circuit One can use a circuit like in fig 13 (or inbetween fig 12 and 13) of the ti text. 1) use a lower impedance gate driver that is capable of discharging the gate capacitance faster. Gate capacitance of this mosfet is about 500pf. The easiest and almost only way to speed up commutation is to get a bigger gate driver. Mosfet Fast Turn Off Circuit.
From itecnotes.com
Electrical HighPower Switching using MOSFETs Valuable Tech Notes Mosfet Fast Turn Off Circuit One can use a circuit like in fig 13 (or inbetween fig 12 and 13) of the ti text. The easiest and almost only way to speed up commutation is to get a bigger gate driver with more current sink capability, and. 1) use a lower impedance gate driver that is capable of discharging the gate capacitance faster. I had. Mosfet Fast Turn Off Circuit.
From electronics.stackexchange.com
power supply How does this PNP transistor improve the switching Mosfet Fast Turn Off Circuit The easiest and almost only way to speed up commutation is to get a bigger gate driver with more current sink capability, and. 1) use a lower impedance gate driver that is capable of discharging the gate capacitance faster. One can use a circuit like in fig 13 (or inbetween fig 12 and 13) of the ti text. Gate capacitance. Mosfet Fast Turn Off Circuit.
From electel.blogspot.com
LowSide MOSFET Drive Circuits and Techniques 7 Practical Circuits Mosfet Fast Turn Off Circuit So a pnp transistor to replace the diode. Gate capacitance of this mosfet is about 500pf. The easiest and almost only way to speed up commutation is to get a bigger gate driver with more current sink capability, and. I had to speed up the turn off time as i wanted to use pwm modulation. One can use a circuit. Mosfet Fast Turn Off Circuit.
From circuitdigest.com
Simple MOSFET Switching Circuit How to turn on / turn off NChannel Mosfet Fast Turn Off Circuit Gate capacitance of this mosfet is about 500pf. I had to speed up the turn off time as i wanted to use pwm modulation. 1) use a lower impedance gate driver that is capable of discharging the gate capacitance faster. One can use a circuit like in fig 13 (or inbetween fig 12 and 13) of the ti text. So. Mosfet Fast Turn Off Circuit.
From www.researchgate.net
MOSFET turnoff waveforms Download Scientific Diagram Mosfet Fast Turn Off Circuit Gate capacitance of this mosfet is about 500pf. 1) use a lower impedance gate driver that is capable of discharging the gate capacitance faster. One can use a circuit like in fig 13 (or inbetween fig 12 and 13) of the ti text. So a pnp transistor to replace the diode. The easiest and almost only way to speed up. Mosfet Fast Turn Off Circuit.
From blog.csdn.net
MOS管栅极驱动电路_mosfet栅极驱动电容CSDN博客 Mosfet Fast Turn Off Circuit Gate capacitance of this mosfet is about 500pf. The easiest and almost only way to speed up commutation is to get a bigger gate driver with more current sink capability, and. One can use a circuit like in fig 13 (or inbetween fig 12 and 13) of the ti text. So a pnp transistor to replace the diode. I had. Mosfet Fast Turn Off Circuit.
From www.reddit.com
Using a slide switch and mosfet to turn on/off battery circuit? r Mosfet Fast Turn Off Circuit 1) use a lower impedance gate driver that is capable of discharging the gate capacitance faster. One can use a circuit like in fig 13 (or inbetween fig 12 and 13) of the ti text. I had to speed up the turn off time as i wanted to use pwm modulation. So a pnp transistor to replace the diode. Gate. Mosfet Fast Turn Off Circuit.
From www.researchgate.net
MOSFET turnoff waveforms Download Scientific Diagram Mosfet Fast Turn Off Circuit The easiest and almost only way to speed up commutation is to get a bigger gate driver with more current sink capability, and. So a pnp transistor to replace the diode. One can use a circuit like in fig 13 (or inbetween fig 12 and 13) of the ti text. 1) use a lower impedance gate driver that is capable. Mosfet Fast Turn Off Circuit.
From www.youtube.com
How to increase MOSFET switching speed? MOSFET gate driver YouTube Mosfet Fast Turn Off Circuit I had to speed up the turn off time as i wanted to use pwm modulation. Gate capacitance of this mosfet is about 500pf. The easiest and almost only way to speed up commutation is to get a bigger gate driver with more current sink capability, and. 1) use a lower impedance gate driver that is capable of discharging the. Mosfet Fast Turn Off Circuit.
From itecnotes.com
MOSFET discharge (turn off) Valuable Tech Notes Mosfet Fast Turn Off Circuit Gate capacitance of this mosfet is about 500pf. One can use a circuit like in fig 13 (or inbetween fig 12 and 13) of the ti text. 1) use a lower impedance gate driver that is capable of discharging the gate capacitance faster. The easiest and almost only way to speed up commutation is to get a bigger gate driver. Mosfet Fast Turn Off Circuit.
From www.wiringdigital.com
Mosfet Switch Circuit Examples Wiring Digital and Schematic Mosfet Fast Turn Off Circuit I had to speed up the turn off time as i wanted to use pwm modulation. One can use a circuit like in fig 13 (or inbetween fig 12 and 13) of the ti text. Gate capacitance of this mosfet is about 500pf. So a pnp transistor to replace the diode. The easiest and almost only way to speed up. Mosfet Fast Turn Off Circuit.
From itecnotes.com
MOSFET How to Drive a High Side MOSFET with an Optocoupler Valuable Mosfet Fast Turn Off Circuit One can use a circuit like in fig 13 (or inbetween fig 12 and 13) of the ti text. The easiest and almost only way to speed up commutation is to get a bigger gate driver with more current sink capability, and. So a pnp transistor to replace the diode. I had to speed up the turn off time as. Mosfet Fast Turn Off Circuit.
From www.pcb-hero.com
Designing Power MOSFET Circuits PCB HERO Mosfet Fast Turn Off Circuit 1) use a lower impedance gate driver that is capable of discharging the gate capacitance faster. I had to speed up the turn off time as i wanted to use pwm modulation. One can use a circuit like in fig 13 (or inbetween fig 12 and 13) of the ti text. Gate capacitance of this mosfet is about 500pf. The. Mosfet Fast Turn Off Circuit.
From www.researchgate.net
14 MOSFET turnoff transient including voltage overshoot Download Mosfet Fast Turn Off Circuit So a pnp transistor to replace the diode. Gate capacitance of this mosfet is about 500pf. 1) use a lower impedance gate driver that is capable of discharging the gate capacitance faster. The easiest and almost only way to speed up commutation is to get a bigger gate driver with more current sink capability, and. I had to speed up. Mosfet Fast Turn Off Circuit.
From www.nutsvolts.com
Power MOSFETs Nuts & Volts Magazine Mosfet Fast Turn Off Circuit The easiest and almost only way to speed up commutation is to get a bigger gate driver with more current sink capability, and. I had to speed up the turn off time as i wanted to use pwm modulation. So a pnp transistor to replace the diode. Gate capacitance of this mosfet is about 500pf. One can use a circuit. Mosfet Fast Turn Off Circuit.
From www.electroniclinic.com
MOSFET as a Switch Explained with Circuit Diagrams Mosfet Fast Turn Off Circuit Gate capacitance of this mosfet is about 500pf. So a pnp transistor to replace the diode. One can use a circuit like in fig 13 (or inbetween fig 12 and 13) of the ti text. I had to speed up the turn off time as i wanted to use pwm modulation. 1) use a lower impedance gate driver that is. Mosfet Fast Turn Off Circuit.
From www.elcircuit.com
Mosfet Timer Circuit Simple and Easy to Make Electronic Circuit Mosfet Fast Turn Off Circuit One can use a circuit like in fig 13 (or inbetween fig 12 and 13) of the ti text. 1) use a lower impedance gate driver that is capable of discharging the gate capacitance faster. The easiest and almost only way to speed up commutation is to get a bigger gate driver with more current sink capability, and. So a. Mosfet Fast Turn Off Circuit.
From www.organised-sound.com
Mosfet Switch Circuit Examples Wiring Diagram Mosfet Fast Turn Off Circuit So a pnp transistor to replace the diode. 1) use a lower impedance gate driver that is capable of discharging the gate capacitance faster. Gate capacitance of this mosfet is about 500pf. The easiest and almost only way to speed up commutation is to get a bigger gate driver with more current sink capability, and. One can use a circuit. Mosfet Fast Turn Off Circuit.
From www.circuitdiagram.co
Mosfet Power Switch Circuit Circuit Diagram Mosfet Fast Turn Off Circuit One can use a circuit like in fig 13 (or inbetween fig 12 and 13) of the ti text. Gate capacitance of this mosfet is about 500pf. 1) use a lower impedance gate driver that is capable of discharging the gate capacitance faster. So a pnp transistor to replace the diode. I had to speed up the turn off time. Mosfet Fast Turn Off Circuit.
From www.my-boardclub.com
Optically isolated MOSFET gate driver features fast turnoff circuit Mosfet Fast Turn Off Circuit One can use a circuit like in fig 13 (or inbetween fig 12 and 13) of the ti text. 1) use a lower impedance gate driver that is capable of discharging the gate capacitance faster. I had to speed up the turn off time as i wanted to use pwm modulation. Gate capacitance of this mosfet is about 500pf. The. Mosfet Fast Turn Off Circuit.
From www.aaelectron.com
Electronics Today International Links Mosfet Fast Turn Off Circuit The easiest and almost only way to speed up commutation is to get a bigger gate driver with more current sink capability, and. 1) use a lower impedance gate driver that is capable of discharging the gate capacitance faster. So a pnp transistor to replace the diode. Gate capacitance of this mosfet is about 500pf. I had to speed up. Mosfet Fast Turn Off Circuit.
From www.onelectrontech.com
MOSFETs for Load Switch Applications OnElectronTech Mosfet Fast Turn Off Circuit I had to speed up the turn off time as i wanted to use pwm modulation. One can use a circuit like in fig 13 (or inbetween fig 12 and 13) of the ti text. Gate capacitance of this mosfet is about 500pf. So a pnp transistor to replace the diode. The easiest and almost only way to speed up. Mosfet Fast Turn Off Circuit.