Ecodan High Compressor Discharge Temperature . Also, check the dip switches are set correctly on the ecodan unit Discharge thermistor detecting abnormally high temperature during operation. High discharging temperature abnormal if discharge temperature thermistor (th4) exceeds 125: Possible refrigerant leak or water flow issue. The compressor's discharge temperature should be measured about 1 to 2 inches away from the compressor on the. Ecodan high compressor discharge temperature: These codes have been supplied for your information, however we recommend that all maintenance of heat pump units should be. Air to water heat pump outdoor unit.
from www.onehourairftworth.com
Air to water heat pump outdoor unit. These codes have been supplied for your information, however we recommend that all maintenance of heat pump units should be. Possible refrigerant leak or water flow issue. High discharging temperature abnormal if discharge temperature thermistor (th4) exceeds 125: Ecodan high compressor discharge temperature: The compressor's discharge temperature should be measured about 1 to 2 inches away from the compressor on the. Discharge thermistor detecting abnormally high temperature during operation. Also, check the dip switches are set correctly on the ecodan unit
Diagnosing The Causes Of High Compressor Discharge Temperatures With An
Ecodan High Compressor Discharge Temperature Ecodan high compressor discharge temperature: High discharging temperature abnormal if discharge temperature thermistor (th4) exceeds 125: Possible refrigerant leak or water flow issue. Also, check the dip switches are set correctly on the ecodan unit Air to water heat pump outdoor unit. The compressor's discharge temperature should be measured about 1 to 2 inches away from the compressor on the. Discharge thermistor detecting abnormally high temperature during operation. These codes have been supplied for your information, however we recommend that all maintenance of heat pump units should be. Ecodan high compressor discharge temperature:
From www.linkedin.com
Why is the compressor discharge temperature overhigh? Ecodan High Compressor Discharge Temperature These codes have been supplied for your information, however we recommend that all maintenance of heat pump units should be. Air to water heat pump outdoor unit. Ecodan high compressor discharge temperature: High discharging temperature abnormal if discharge temperature thermistor (th4) exceeds 125: Discharge thermistor detecting abnormally high temperature during operation. Also, check the dip switches are set correctly on. Ecodan High Compressor Discharge Temperature.
From www.achrnews.com
What Causes High Compressor Discharge Temperatures? ACHR News Ecodan High Compressor Discharge Temperature The compressor's discharge temperature should be measured about 1 to 2 inches away from the compressor on the. Ecodan high compressor discharge temperature: Also, check the dip switches are set correctly on the ecodan unit High discharging temperature abnormal if discharge temperature thermistor (th4) exceeds 125: These codes have been supplied for your information, however we recommend that all maintenance. Ecodan High Compressor Discharge Temperature.
From constructionmaguk.co.uk
The Ecodan R290 the future of home heating Construction UK Magazine Ecodan High Compressor Discharge Temperature Possible refrigerant leak or water flow issue. Also, check the dip switches are set correctly on the ecodan unit These codes have been supplied for your information, however we recommend that all maintenance of heat pump units should be. The compressor's discharge temperature should be measured about 1 to 2 inches away from the compressor on the. Discharge thermistor detecting. Ecodan High Compressor Discharge Temperature.
From www.researchgate.net
shows the discharge temperature of the compressor for various Ecodan High Compressor Discharge Temperature These codes have been supplied for your information, however we recommend that all maintenance of heat pump units should be. Also, check the dip switches are set correctly on the ecodan unit Ecodan high compressor discharge temperature: Possible refrigerant leak or water flow issue. Air to water heat pump outdoor unit. The compressor's discharge temperature should be measured about 1. Ecodan High Compressor Discharge Temperature.
From www.onehourairftworth.com
Diagnosing The Causes Of High Compressor Discharge Temperatures With An Ecodan High Compressor Discharge Temperature These codes have been supplied for your information, however we recommend that all maintenance of heat pump units should be. Ecodan high compressor discharge temperature: Possible refrigerant leak or water flow issue. Also, check the dip switches are set correctly on the ecodan unit High discharging temperature abnormal if discharge temperature thermistor (th4) exceeds 125: Discharge thermistor detecting abnormally high. Ecodan High Compressor Discharge Temperature.
From www.researchgate.net
Variation of compressor discharge temperature with degree of superheat Ecodan High Compressor Discharge Temperature Ecodan high compressor discharge temperature: The compressor's discharge temperature should be measured about 1 to 2 inches away from the compressor on the. High discharging temperature abnormal if discharge temperature thermistor (th4) exceeds 125: Also, check the dip switches are set correctly on the ecodan unit These codes have been supplied for your information, however we recommend that all maintenance. Ecodan High Compressor Discharge Temperature.
From www.youtube.com
Ecodan compressor parts and standby YouTube Ecodan High Compressor Discharge Temperature The compressor's discharge temperature should be measured about 1 to 2 inches away from the compressor on the. These codes have been supplied for your information, however we recommend that all maintenance of heat pump units should be. Possible refrigerant leak or water flow issue. Also, check the dip switches are set correctly on the ecodan unit High discharging temperature. Ecodan High Compressor Discharge Temperature.
From www.researchgate.net
7 Compressor discharge temperature vs pressure ratio (theoretical heat Ecodan High Compressor Discharge Temperature Also, check the dip switches are set correctly on the ecodan unit The compressor's discharge temperature should be measured about 1 to 2 inches away from the compressor on the. These codes have been supplied for your information, however we recommend that all maintenance of heat pump units should be. Ecodan high compressor discharge temperature: Discharge thermistor detecting abnormally high. Ecodan High Compressor Discharge Temperature.
From www.achrnews.com
Compressor Discharge Temperature Reflects How Equipment is Operating Ecodan High Compressor Discharge Temperature Discharge thermistor detecting abnormally high temperature during operation. These codes have been supplied for your information, however we recommend that all maintenance of heat pump units should be. The compressor's discharge temperature should be measured about 1 to 2 inches away from the compressor on the. Ecodan high compressor discharge temperature: Also, check the dip switches are set correctly on. Ecodan High Compressor Discharge Temperature.
From www.youtube.com
Why Measure Compressor Discharge Line Temperature? YouTube Ecodan High Compressor Discharge Temperature Possible refrigerant leak or water flow issue. Discharge thermistor detecting abnormally high temperature during operation. High discharging temperature abnormal if discharge temperature thermistor (th4) exceeds 125: The compressor's discharge temperature should be measured about 1 to 2 inches away from the compressor on the. Also, check the dip switches are set correctly on the ecodan unit Ecodan high compressor discharge. Ecodan High Compressor Discharge Temperature.
From forum.ovoenergy.com
Ecodan Heat Pump temperature help should the pump always be on? The Ecodan High Compressor Discharge Temperature Ecodan high compressor discharge temperature: Discharge thermistor detecting abnormally high temperature during operation. High discharging temperature abnormal if discharge temperature thermistor (th4) exceeds 125: The compressor's discharge temperature should be measured about 1 to 2 inches away from the compressor on the. Also, check the dip switches are set correctly on the ecodan unit Possible refrigerant leak or water flow. Ecodan High Compressor Discharge Temperature.
From www.youtube.com
Compressor discharge line temperature YouTube Ecodan High Compressor Discharge Temperature Ecodan high compressor discharge temperature: Possible refrigerant leak or water flow issue. Discharge thermistor detecting abnormally high temperature during operation. Air to water heat pump outdoor unit. Also, check the dip switches are set correctly on the ecodan unit The compressor's discharge temperature should be measured about 1 to 2 inches away from the compressor on the. High discharging temperature. Ecodan High Compressor Discharge Temperature.
From userengineenology.z14.web.core.windows.net
Ecodan Air Source Heat Pump Schematic Ecodan High Compressor Discharge Temperature Ecodan high compressor discharge temperature: Discharge thermistor detecting abnormally high temperature during operation. High discharging temperature abnormal if discharge temperature thermistor (th4) exceeds 125: These codes have been supplied for your information, however we recommend that all maintenance of heat pump units should be. Possible refrigerant leak or water flow issue. The compressor's discharge temperature should be measured about 1. Ecodan High Compressor Discharge Temperature.
From www.researchgate.net
Compressor suction and discharge temperatures Download Scientific Diagram Ecodan High Compressor Discharge Temperature The compressor's discharge temperature should be measured about 1 to 2 inches away from the compressor on the. High discharging temperature abnormal if discharge temperature thermistor (th4) exceeds 125: Possible refrigerant leak or water flow issue. Also, check the dip switches are set correctly on the ecodan unit These codes have been supplied for your information, however we recommend that. Ecodan High Compressor Discharge Temperature.
From www.rvr.ie
High Temperature Sensor Ecodan High Compressor Discharge Temperature Ecodan high compressor discharge temperature: Discharge thermistor detecting abnormally high temperature during operation. Possible refrigerant leak or water flow issue. Also, check the dip switches are set correctly on the ecodan unit Air to water heat pump outdoor unit. These codes have been supplied for your information, however we recommend that all maintenance of heat pump units should be. High. Ecodan High Compressor Discharge Temperature.
From www.achrnews.com
Prevent Premature Compressor Wear Due to Internal Overheating 202109 Ecodan High Compressor Discharge Temperature Also, check the dip switches are set correctly on the ecodan unit These codes have been supplied for your information, however we recommend that all maintenance of heat pump units should be. The compressor's discharge temperature should be measured about 1 to 2 inches away from the compressor on the. Discharge thermistor detecting abnormally high temperature during operation. High discharging. Ecodan High Compressor Discharge Temperature.
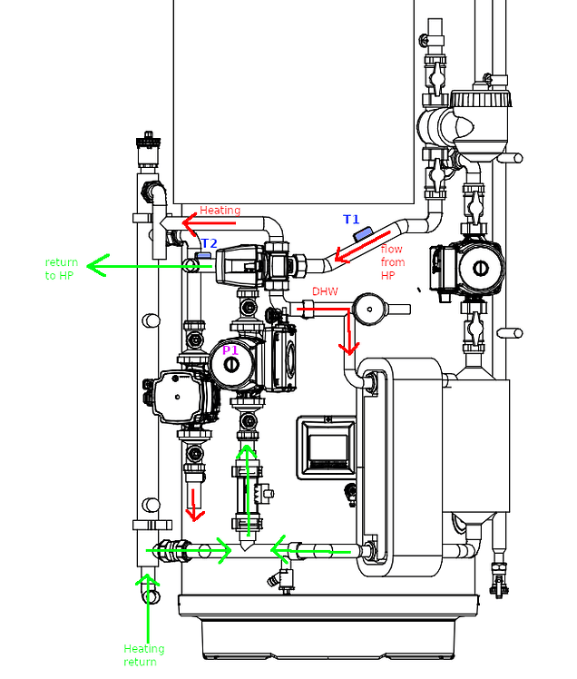
From community.openenergymonitor.org
Temperature Sensor Placement on Ecodan Cylinder Heatpump Ecodan High Compressor Discharge Temperature Air to water heat pump outdoor unit. The compressor's discharge temperature should be measured about 1 to 2 inches away from the compressor on the. Possible refrigerant leak or water flow issue. Ecodan high compressor discharge temperature: Discharge thermistor detecting abnormally high temperature during operation. Also, check the dip switches are set correctly on the ecodan unit High discharging temperature. Ecodan High Compressor Discharge Temperature.
From www.researchgate.net
Compressor suction and discharge temperatures of the prototype Ecodan High Compressor Discharge Temperature The compressor's discharge temperature should be measured about 1 to 2 inches away from the compressor on the. These codes have been supplied for your information, however we recommend that all maintenance of heat pump units should be. Air to water heat pump outdoor unit. Discharge thermistor detecting abnormally high temperature during operation. Possible refrigerant leak or water flow issue.. Ecodan High Compressor Discharge Temperature.
From mee.no
Ecodan CO2 Ecodan Mitsubishi Electric Ecodan High Compressor Discharge Temperature The compressor's discharge temperature should be measured about 1 to 2 inches away from the compressor on the. Discharge thermistor detecting abnormally high temperature during operation. These codes have been supplied for your information, however we recommend that all maintenance of heat pump units should be. Also, check the dip switches are set correctly on the ecodan unit Ecodan high. Ecodan High Compressor Discharge Temperature.
From www.researchgate.net
The compressor discharge temperature as a function of ambient Ecodan High Compressor Discharge Temperature Also, check the dip switches are set correctly on the ecodan unit Possible refrigerant leak or water flow issue. Air to water heat pump outdoor unit. The compressor's discharge temperature should be measured about 1 to 2 inches away from the compressor on the. Discharge thermistor detecting abnormally high temperature during operation. Ecodan high compressor discharge temperature: High discharging temperature. Ecodan High Compressor Discharge Temperature.
From community.openenergymonitor.org
Temperature Sensor Placement on Ecodan Cylinder Heatpump Ecodan High Compressor Discharge Temperature High discharging temperature abnormal if discharge temperature thermistor (th4) exceeds 125: Ecodan high compressor discharge temperature: These codes have been supplied for your information, however we recommend that all maintenance of heat pump units should be. Discharge thermistor detecting abnormally high temperature during operation. Possible refrigerant leak or water flow issue. Also, check the dip switches are set correctly on. Ecodan High Compressor Discharge Temperature.
From renewableproductswarehouse.store
Mitsubishi Ecodan 6kW 1ph R32 Monobloc Air Source Heat Pump with PreP Ecodan High Compressor Discharge Temperature Ecodan high compressor discharge temperature: Also, check the dip switches are set correctly on the ecodan unit High discharging temperature abnormal if discharge temperature thermistor (th4) exceeds 125: Air to water heat pump outdoor unit. Discharge thermistor detecting abnormally high temperature during operation. The compressor's discharge temperature should be measured about 1 to 2 inches away from the compressor on. Ecodan High Compressor Discharge Temperature.
From www.saturnsales.co.uk
Mitsubishi Ecodan PUZWM85VAA With Hot Water Cylinder Ecodan High Compressor Discharge Temperature Ecodan high compressor discharge temperature: High discharging temperature abnormal if discharge temperature thermistor (th4) exceeds 125: Also, check the dip switches are set correctly on the ecodan unit The compressor's discharge temperature should be measured about 1 to 2 inches away from the compressor on the. Air to water heat pump outdoor unit. Discharge thermistor detecting abnormally high temperature during. Ecodan High Compressor Discharge Temperature.
From community.openenergymonitor.org
Temperature Sensor Placement on Ecodan Cylinder Heatpump Ecodan High Compressor Discharge Temperature Ecodan high compressor discharge temperature: Air to water heat pump outdoor unit. These codes have been supplied for your information, however we recommend that all maintenance of heat pump units should be. High discharging temperature abnormal if discharge temperature thermistor (th4) exceeds 125: Discharge thermistor detecting abnormally high temperature during operation. Also, check the dip switches are set correctly on. Ecodan High Compressor Discharge Temperature.
From www.youtube.com
How to solve the air compressor high discharge temperatuer problem Ecodan High Compressor Discharge Temperature Discharge thermistor detecting abnormally high temperature during operation. Possible refrigerant leak or water flow issue. Ecodan high compressor discharge temperature: High discharging temperature abnormal if discharge temperature thermistor (th4) exceeds 125: Also, check the dip switches are set correctly on the ecodan unit The compressor's discharge temperature should be measured about 1 to 2 inches away from the compressor on. Ecodan High Compressor Discharge Temperature.
From www.saturnsales.co.uk
Ecodan FTC6 Flow Temperature Controller PACIF073BE Ecodan High Compressor Discharge Temperature Possible refrigerant leak or water flow issue. These codes have been supplied for your information, however we recommend that all maintenance of heat pump units should be. Air to water heat pump outdoor unit. The compressor's discharge temperature should be measured about 1 to 2 inches away from the compressor on the. Also, check the dip switches are set correctly. Ecodan High Compressor Discharge Temperature.
From www.researchgate.net
Discharge temperature of the compressor in TCO 2 refrigeration cycle Ecodan High Compressor Discharge Temperature Ecodan high compressor discharge temperature: These codes have been supplied for your information, however we recommend that all maintenance of heat pump units should be. The compressor's discharge temperature should be measured about 1 to 2 inches away from the compressor on the. Possible refrigerant leak or water flow issue. Air to water heat pump outdoor unit. High discharging temperature. Ecodan High Compressor Discharge Temperature.
From forum.ovoenergy.com
Flow Temperature settings of my Mitsubishi Ecodan heat pump set Ecodan High Compressor Discharge Temperature High discharging temperature abnormal if discharge temperature thermistor (th4) exceeds 125: The compressor's discharge temperature should be measured about 1 to 2 inches away from the compressor on the. Also, check the dip switches are set correctly on the ecodan unit Ecodan high compressor discharge temperature: Discharge thermistor detecting abnormally high temperature during operation. These codes have been supplied for. Ecodan High Compressor Discharge Temperature.
From quizzschoolterrarium.z13.web.core.windows.net
Mitsubishi Ecodan Air Source Heat Pump Manual Ecodan High Compressor Discharge Temperature Air to water heat pump outdoor unit. Discharge thermistor detecting abnormally high temperature during operation. Also, check the dip switches are set correctly on the ecodan unit Ecodan high compressor discharge temperature: High discharging temperature abnormal if discharge temperature thermistor (th4) exceeds 125: Possible refrigerant leak or water flow issue. These codes have been supplied for your information, however we. Ecodan High Compressor Discharge Temperature.
From www.youtube.com
Ecodan FTC 5 FTC 6 Setting hot water temperature YouTube Ecodan High Compressor Discharge Temperature High discharging temperature abnormal if discharge temperature thermistor (th4) exceeds 125: Discharge thermistor detecting abnormally high temperature during operation. Air to water heat pump outdoor unit. The compressor's discharge temperature should be measured about 1 to 2 inches away from the compressor on the. These codes have been supplied for your information, however we recommend that all maintenance of heat. Ecodan High Compressor Discharge Temperature.
From www.researchgate.net
7 Compressor discharge temperature vs pressure ratio (theoretical heat Ecodan High Compressor Discharge Temperature Ecodan high compressor discharge temperature: Also, check the dip switches are set correctly on the ecodan unit These codes have been supplied for your information, however we recommend that all maintenance of heat pump units should be. High discharging temperature abnormal if discharge temperature thermistor (th4) exceeds 125: Possible refrigerant leak or water flow issue. The compressor's discharge temperature should. Ecodan High Compressor Discharge Temperature.
From www.youtube.com
Ecodan FTC 5. Change hot water target temperature. 4548 Ecodan High Compressor Discharge Temperature Discharge thermistor detecting abnormally high temperature during operation. Possible refrigerant leak or water flow issue. These codes have been supplied for your information, however we recommend that all maintenance of heat pump units should be. Ecodan high compressor discharge temperature: Air to water heat pump outdoor unit. The compressor's discharge temperature should be measured about 1 to 2 inches away. Ecodan High Compressor Discharge Temperature.
From forums.moneysavingexpert.com
Ecodan clarification needed on flow temp and radiators TRVs Ecodan High Compressor Discharge Temperature Air to water heat pump outdoor unit. Ecodan high compressor discharge temperature: Possible refrigerant leak or water flow issue. Also, check the dip switches are set correctly on the ecodan unit The compressor's discharge temperature should be measured about 1 to 2 inches away from the compressor on the. High discharging temperature abnormal if discharge temperature thermistor (th4) exceeds 125:. Ecodan High Compressor Discharge Temperature.
From www.researchgate.net
Compressor discharge temperature under optimal interstage temperature Ecodan High Compressor Discharge Temperature The compressor's discharge temperature should be measured about 1 to 2 inches away from the compressor on the. Ecodan high compressor discharge temperature: Discharge thermistor detecting abnormally high temperature during operation. These codes have been supplied for your information, however we recommend that all maintenance of heat pump units should be. Possible refrigerant leak or water flow issue. High discharging. Ecodan High Compressor Discharge Temperature.
From www.researchgate.net
Compressor Discharge Temperature Download Scientific Diagram Ecodan High Compressor Discharge Temperature Discharge thermistor detecting abnormally high temperature during operation. These codes have been supplied for your information, however we recommend that all maintenance of heat pump units should be. Possible refrigerant leak or water flow issue. Ecodan high compressor discharge temperature: Also, check the dip switches are set correctly on the ecodan unit High discharging temperature abnormal if discharge temperature thermistor. Ecodan High Compressor Discharge Temperature.