Electric Life Power Window Installation Instructions . Power window installation instructions this power window system is the friendliest kit on the market today! The electric life power window system is a complete kit that allows you to convert manual windows into power windows for your vehicle. Measure the distance between the glass and the door. A minimum of 1 inch is needed to mount the new regulator.
from www.motortrend.com
The electric life power window system is a complete kit that allows you to convert manual windows into power windows for your vehicle. Power window installation instructions this power window system is the friendliest kit on the market today! Measure the distance between the glass and the door. A minimum of 1 inch is needed to mount the new regulator.
ElectricLife Power Window Kit Installation Custom Classic Trucks
Electric Life Power Window Installation Instructions Measure the distance between the glass and the door. A minimum of 1 inch is needed to mount the new regulator. Measure the distance between the glass and the door. The electric life power window system is a complete kit that allows you to convert manual windows into power windows for your vehicle. Power window installation instructions this power window system is the friendliest kit on the market today!
From www.youtube.com
Manual to Power Window Conversion Kit YouTube Electric Life Power Window Installation Instructions Measure the distance between the glass and the door. A minimum of 1 inch is needed to mount the new regulator. Power window installation instructions this power window system is the friendliest kit on the market today! The electric life power window system is a complete kit that allows you to convert manual windows into power windows for your vehicle. Electric Life Power Window Installation Instructions.
From www.summitracing.com
ElectricLife 99020 ElectricLife Power Window Switch Kits Summit Racing Electric Life Power Window Installation Instructions The electric life power window system is a complete kit that allows you to convert manual windows into power windows for your vehicle. A minimum of 1 inch is needed to mount the new regulator. Power window installation instructions this power window system is the friendliest kit on the market today! Measure the distance between the glass and the door. Electric Life Power Window Installation Instructions.
From www.electric-life.com
4 Window Switch Kits Electric Life Power Window Systems & Accessories Electric Life Power Window Installation Instructions Measure the distance between the glass and the door. Power window installation instructions this power window system is the friendliest kit on the market today! A minimum of 1 inch is needed to mount the new regulator. The electric life power window system is a complete kit that allows you to convert manual windows into power windows for your vehicle. Electric Life Power Window Installation Instructions.
From www.summitracing.com
ElectricLife 499010421 ElectricLife Power Window Switch Kits Electric Life Power Window Installation Instructions The electric life power window system is a complete kit that allows you to convert manual windows into power windows for your vehicle. A minimum of 1 inch is needed to mount the new regulator. Measure the distance between the glass and the door. Power window installation instructions this power window system is the friendliest kit on the market today! Electric Life Power Window Installation Instructions.
From www.caretxdigital.com
Universal Power Window Wiring Diagram Wiring Diagram and Schematics Electric Life Power Window Installation Instructions A minimum of 1 inch is needed to mount the new regulator. The electric life power window system is a complete kit that allows you to convert manual windows into power windows for your vehicle. Measure the distance between the glass and the door. Power window installation instructions this power window system is the friendliest kit on the market today! Electric Life Power Window Installation Instructions.
From www.caretxdigital.com
Wiring Diagram Power Window Kit Wiring Diagram and Schematics Electric Life Power Window Installation Instructions A minimum of 1 inch is needed to mount the new regulator. Measure the distance between the glass and the door. Power window installation instructions this power window system is the friendliest kit on the market today! The electric life power window system is a complete kit that allows you to convert manual windows into power windows for your vehicle. Electric Life Power Window Installation Instructions.
From www.hotrod.com
ElectricLife Power Window Kit Installation Custom Classic Trucks Electric Life Power Window Installation Instructions Power window installation instructions this power window system is the friendliest kit on the market today! Measure the distance between the glass and the door. The electric life power window system is a complete kit that allows you to convert manual windows into power windows for your vehicle. A minimum of 1 inch is needed to mount the new regulator. Electric Life Power Window Installation Instructions.
From www.a1electric.com
Electric Life Power Window Kits Electric Life Power Window Installation Instructions A minimum of 1 inch is needed to mount the new regulator. Measure the distance between the glass and the door. Power window installation instructions this power window system is the friendliest kit on the market today! The electric life power window system is a complete kit that allows you to convert manual windows into power windows for your vehicle. Electric Life Power Window Installation Instructions.
From www.tankbig.com
Electric Life Power Window Switch Electric Life Power Window Installation Instructions The electric life power window system is a complete kit that allows you to convert manual windows into power windows for your vehicle. Measure the distance between the glass and the door. Power window installation instructions this power window system is the friendliest kit on the market today! A minimum of 1 inch is needed to mount the new regulator. Electric Life Power Window Installation Instructions.
From www.summitracing.com
ElectricLife 499050356 ElectricLife Power Window Switch Kits Electric Life Power Window Installation Instructions A minimum of 1 inch is needed to mount the new regulator. Power window installation instructions this power window system is the friendliest kit on the market today! Measure the distance between the glass and the door. The electric life power window system is a complete kit that allows you to convert manual windows into power windows for your vehicle. Electric Life Power Window Installation Instructions.
From www.caretxdigital.com
Universal Power Window Wiring Diagram Wiring Diagram and Schematics Electric Life Power Window Installation Instructions Measure the distance between the glass and the door. A minimum of 1 inch is needed to mount the new regulator. Power window installation instructions this power window system is the friendliest kit on the market today! The electric life power window system is a complete kit that allows you to convert manual windows into power windows for your vehicle. Electric Life Power Window Installation Instructions.
From wiringdiagramdoe.z13.web.core.windows.net
Electric Life Power Window Wiring Diagram Electric Life Power Window Installation Instructions Measure the distance between the glass and the door. A minimum of 1 inch is needed to mount the new regulator. The electric life power window system is a complete kit that allows you to convert manual windows into power windows for your vehicle. Power window installation instructions this power window system is the friendliest kit on the market today! Electric Life Power Window Installation Instructions.
From www.manualslib.com
ELECTRIC LIFE 94100 GENERAL INSTALLATION INSTRUCTIONS Pdf Download Electric Life Power Window Installation Instructions Power window installation instructions this power window system is the friendliest kit on the market today! A minimum of 1 inch is needed to mount the new regulator. The electric life power window system is a complete kit that allows you to convert manual windows into power windows for your vehicle. Measure the distance between the glass and the door. Electric Life Power Window Installation Instructions.
From www.hotrod.com
ElectricLife Power Window Kit Installation Custom Classic Trucks Electric Life Power Window Installation Instructions The electric life power window system is a complete kit that allows you to convert manual windows into power windows for your vehicle. Power window installation instructions this power window system is the friendliest kit on the market today! Measure the distance between the glass and the door. A minimum of 1 inch is needed to mount the new regulator. Electric Life Power Window Installation Instructions.
From manualdbgordon.z21.web.core.windows.net
How To Wire A Power Window Switch Electric Life Power Window Installation Instructions The electric life power window system is a complete kit that allows you to convert manual windows into power windows for your vehicle. A minimum of 1 inch is needed to mount the new regulator. Measure the distance between the glass and the door. Power window installation instructions this power window system is the friendliest kit on the market today! Electric Life Power Window Installation Instructions.
From techschematic.com
How to Install Electric Life Power Window System A Complete Wiring Diagram Electric Life Power Window Installation Instructions Measure the distance between the glass and the door. Power window installation instructions this power window system is the friendliest kit on the market today! A minimum of 1 inch is needed to mount the new regulator. The electric life power window system is a complete kit that allows you to convert manual windows into power windows for your vehicle. Electric Life Power Window Installation Instructions.
From fixenginenumbers.z6.web.core.windows.net
Electric Life Wiring Window Diagram Electric Life Power Window Installation Instructions Measure the distance between the glass and the door. Power window installation instructions this power window system is the friendliest kit on the market today! A minimum of 1 inch is needed to mount the new regulator. The electric life power window system is a complete kit that allows you to convert manual windows into power windows for your vehicle. Electric Life Power Window Installation Instructions.
From www.electric-life.com
Electric Life Power Window Systems & Accessories Electric Life Power Window Installation Instructions Measure the distance between the glass and the door. The electric life power window system is a complete kit that allows you to convert manual windows into power windows for your vehicle. A minimum of 1 inch is needed to mount the new regulator. Power window installation instructions this power window system is the friendliest kit on the market today! Electric Life Power Window Installation Instructions.
From www.youtube.com
2016 jeep wrangler Electric Life Power Windows and locks installation Electric Life Power Window Installation Instructions A minimum of 1 inch is needed to mount the new regulator. Power window installation instructions this power window system is the friendliest kit on the market today! The electric life power window system is a complete kit that allows you to convert manual windows into power windows for your vehicle. Measure the distance between the glass and the door. Electric Life Power Window Installation Instructions.
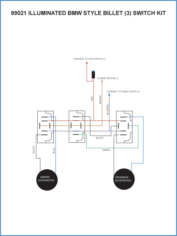
From www.summitracing.com
ElectricLife 99021 ElectricLife Power Window Switch Kits Summit Racing Electric Life Power Window Installation Instructions Measure the distance between the glass and the door. Power window installation instructions this power window system is the friendliest kit on the market today! A minimum of 1 inch is needed to mount the new regulator. The electric life power window system is a complete kit that allows you to convert manual windows into power windows for your vehicle. Electric Life Power Window Installation Instructions.
From www.motortrend.com
ElectricLife Power Window Kit Installation Custom Classic Trucks Electric Life Power Window Installation Instructions Measure the distance between the glass and the door. Power window installation instructions this power window system is the friendliest kit on the market today! The electric life power window system is a complete kit that allows you to convert manual windows into power windows for your vehicle. A minimum of 1 inch is needed to mount the new regulator. Electric Life Power Window Installation Instructions.
From wiredatadefleppard8p.z21.web.core.windows.net
Convert Manual Windows To Electric Electric Life Power Window Installation Instructions The electric life power window system is a complete kit that allows you to convert manual windows into power windows for your vehicle. A minimum of 1 inch is needed to mount the new regulator. Measure the distance between the glass and the door. Power window installation instructions this power window system is the friendliest kit on the market today! Electric Life Power Window Installation Instructions.
From www.hotrod.com
ElectricLife Power Window Kit Installation Custom Classic Trucks Electric Life Power Window Installation Instructions Power window installation instructions this power window system is the friendliest kit on the market today! Measure the distance between the glass and the door. A minimum of 1 inch is needed to mount the new regulator. The electric life power window system is a complete kit that allows you to convert manual windows into power windows for your vehicle. Electric Life Power Window Installation Instructions.
From www.summitracing.com
ElectricLife 499050421 ElectricLife Power Window Switch Kits Electric Life Power Window Installation Instructions Power window installation instructions this power window system is the friendliest kit on the market today! A minimum of 1 inch is needed to mount the new regulator. The electric life power window system is a complete kit that allows you to convert manual windows into power windows for your vehicle. Measure the distance between the glass and the door. Electric Life Power Window Installation Instructions.
From www.summitracing.com
ElectricLife 45821 ElectricLife Power Window Switch Kits Summit Racing Electric Life Power Window Installation Instructions The electric life power window system is a complete kit that allows you to convert manual windows into power windows for your vehicle. Measure the distance between the glass and the door. Power window installation instructions this power window system is the friendliest kit on the market today! A minimum of 1 inch is needed to mount the new regulator. Electric Life Power Window Installation Instructions.
From www.youtube.com
How To Install Universal Power Windows In Depth Tutorial Manual to Electric Life Power Window Installation Instructions Measure the distance between the glass and the door. Power window installation instructions this power window system is the friendliest kit on the market today! The electric life power window system is a complete kit that allows you to convert manual windows into power windows for your vehicle. A minimum of 1 inch is needed to mount the new regulator. Electric Life Power Window Installation Instructions.
From www.summitracing.com
ElectricLife 498021007 ElectricLife Power Window Switch Kits Electric Life Power Window Installation Instructions The electric life power window system is a complete kit that allows you to convert manual windows into power windows for your vehicle. A minimum of 1 inch is needed to mount the new regulator. Power window installation instructions this power window system is the friendliest kit on the market today! Measure the distance between the glass and the door. Electric Life Power Window Installation Instructions.
From www.summitracing.com
ElectricLife 499010356 ElectricLife Power Window Switch Kits Electric Life Power Window Installation Instructions Measure the distance between the glass and the door. Power window installation instructions this power window system is the friendliest kit on the market today! The electric life power window system is a complete kit that allows you to convert manual windows into power windows for your vehicle. A minimum of 1 inch is needed to mount the new regulator. Electric Life Power Window Installation Instructions.
From www.summitracing.com
ElectricLife 499010142 ElectricLife Power Window Switch Kits Electric Life Power Window Installation Instructions Power window installation instructions this power window system is the friendliest kit on the market today! The electric life power window system is a complete kit that allows you to convert manual windows into power windows for your vehicle. A minimum of 1 inch is needed to mount the new regulator. Measure the distance between the glass and the door. Electric Life Power Window Installation Instructions.
From www.youtube.com
How to Universal Electric Window Conversion Power window installation Electric Life Power Window Installation Instructions The electric life power window system is a complete kit that allows you to convert manual windows into power windows for your vehicle. A minimum of 1 inch is needed to mount the new regulator. Measure the distance between the glass and the door. Power window installation instructions this power window system is the friendliest kit on the market today! Electric Life Power Window Installation Instructions.
From www.summitracing.com
ElectricLife 499010201 ElectricLife Power Window Switch Kits Electric Life Power Window Installation Instructions A minimum of 1 inch is needed to mount the new regulator. The electric life power window system is a complete kit that allows you to convert manual windows into power windows for your vehicle. Power window installation instructions this power window system is the friendliest kit on the market today! Measure the distance between the glass and the door. Electric Life Power Window Installation Instructions.
From www.hotrod.com
ElectricLife Power Window Kit Installation Custom Classic Trucks Electric Life Power Window Installation Instructions Measure the distance between the glass and the door. The electric life power window system is a complete kit that allows you to convert manual windows into power windows for your vehicle. A minimum of 1 inch is needed to mount the new regulator. Power window installation instructions this power window system is the friendliest kit on the market today! Electric Life Power Window Installation Instructions.
From schematicqantas.z13.web.core.windows.net
How To Install Power Windows Electric Life Power Window Installation Instructions A minimum of 1 inch is needed to mount the new regulator. Measure the distance between the glass and the door. Power window installation instructions this power window system is the friendliest kit on the market today! The electric life power window system is a complete kit that allows you to convert manual windows into power windows for your vehicle. Electric Life Power Window Installation Instructions.
From www.hotrod.com
ElectricLife Power Window Kit Installation Custom Classic Trucks Electric Life Power Window Installation Instructions Power window installation instructions this power window system is the friendliest kit on the market today! A minimum of 1 inch is needed to mount the new regulator. Measure the distance between the glass and the door. The electric life power window system is a complete kit that allows you to convert manual windows into power windows for your vehicle. Electric Life Power Window Installation Instructions.
From wiringfixevictor.z19.web.core.windows.net
Electric Life Power Window Wiring Diagram Electric Life Power Window Installation Instructions A minimum of 1 inch is needed to mount the new regulator. The electric life power window system is a complete kit that allows you to convert manual windows into power windows for your vehicle. Measure the distance between the glass and the door. Power window installation instructions this power window system is the friendliest kit on the market today! Electric Life Power Window Installation Instructions.