Electric Window Not Working Vw T4 . Driver side electric window (lhd) not working. Try using the key in the drivers door lock, turn and hold the key and the windows go up or down, depending which way you turn the key. On my 2003 t4 the passanger power window stopped working. I pulled the door panel hoping to see a bad wire, but i get voltage to the. When i operate the switch i hear a feint relay click but window doesn't work. Troubleshooting volkswagen electric windows that are not working can be a frustrating experience, but it’s usually easy to fix if you know what to look for. Chasing another electrical gremlin with very limited success (read none). If the electric windows do not work, there are several possible causes. A typical fault is a blown fuse, which can happen if there is a power surge or if. By following the steps in this article,. Does this sound like it needs a new motor rather than a broken wire in the loom from a pillar to the. Basically, my window would not go up and down with the use of the switch, i could hear the motor. A few months ago my drivers side power window failed (just as i was pulling up to us customs and border protection.
from wiringdiagram.2bitboer.com
I pulled the door panel hoping to see a bad wire, but i get voltage to the. If the electric windows do not work, there are several possible causes. By following the steps in this article,. Troubleshooting volkswagen electric windows that are not working can be a frustrating experience, but it’s usually easy to fix if you know what to look for. Basically, my window would not go up and down with the use of the switch, i could hear the motor. A few months ago my drivers side power window failed (just as i was pulling up to us customs and border protection. Does this sound like it needs a new motor rather than a broken wire in the loom from a pillar to the. On my 2003 t4 the passanger power window stopped working. A typical fault is a blown fuse, which can happen if there is a power surge or if. Try using the key in the drivers door lock, turn and hold the key and the windows go up or down, depending which way you turn the key.
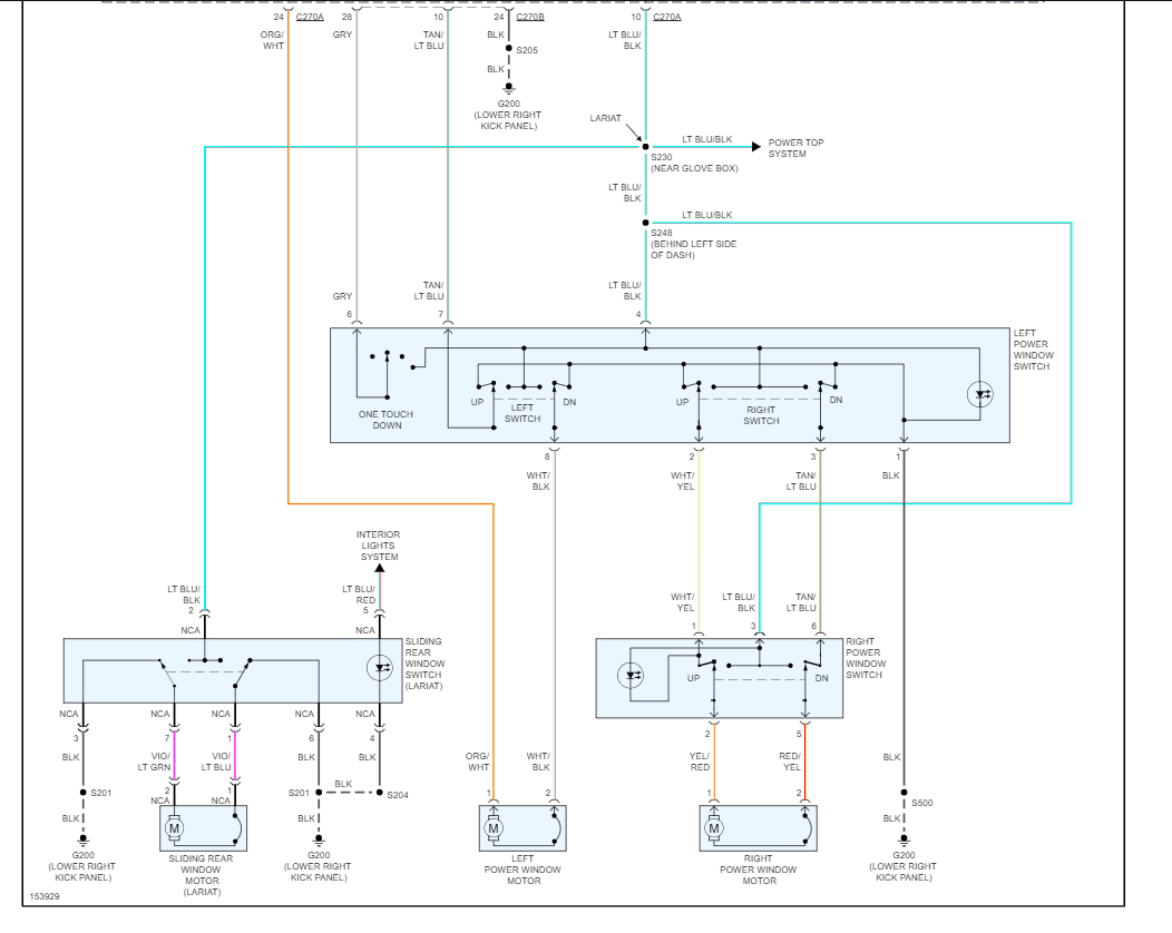
Wiring Diagram Vw T4 Electric Windows Wiring Diagram
Electric Window Not Working Vw T4 On my 2003 t4 the passanger power window stopped working. By following the steps in this article,. Try using the key in the drivers door lock, turn and hold the key and the windows go up or down, depending which way you turn the key. A typical fault is a blown fuse, which can happen if there is a power surge or if. I pulled the door panel hoping to see a bad wire, but i get voltage to the. Driver side electric window (lhd) not working. Troubleshooting volkswagen electric windows that are not working can be a frustrating experience, but it’s usually easy to fix if you know what to look for. On my 2003 t4 the passanger power window stopped working. If the electric windows do not work, there are several possible causes. Does this sound like it needs a new motor rather than a broken wire in the loom from a pillar to the. A few months ago my drivers side power window failed (just as i was pulling up to us customs and border protection. Basically, my window would not go up and down with the use of the switch, i could hear the motor. Chasing another electrical gremlin with very limited success (read none). When i operate the switch i hear a feint relay click but window doesn't work.
From www.vwt4forum.co.uk
T4 Electric Window Kit VW T4 Forum VW T5 Forum Electric Window Not Working Vw T4 Troubleshooting volkswagen electric windows that are not working can be a frustrating experience, but it’s usually easy to fix if you know what to look for. Basically, my window would not go up and down with the use of the switch, i could hear the motor. I pulled the door panel hoping to see a bad wire, but i get. Electric Window Not Working Vw T4.
From www.2carpros.com
Electric Windows Not Working Properly I Keep Hearing a Clicking Electric Window Not Working Vw T4 If the electric windows do not work, there are several possible causes. Driver side electric window (lhd) not working. Chasing another electrical gremlin with very limited success (read none). I pulled the door panel hoping to see a bad wire, but i get voltage to the. A typical fault is a blown fuse, which can happen if there is a. Electric Window Not Working Vw T4.
From www.vanstyle.co.uk
VW T4 Transporter Caravelle Electric Window Kit Vanstyle Electric Window Not Working Vw T4 Chasing another electrical gremlin with very limited success (read none). On my 2003 t4 the passanger power window stopped working. Try using the key in the drivers door lock, turn and hold the key and the windows go up or down, depending which way you turn the key. When i operate the switch i hear a feint relay click but. Electric Window Not Working Vw T4.
From www.youtube.com
VW A4 Power Windows not working YouTube Electric Window Not Working Vw T4 Try using the key in the drivers door lock, turn and hold the key and the windows go up or down, depending which way you turn the key. Troubleshooting volkswagen electric windows that are not working can be a frustrating experience, but it’s usually easy to fix if you know what to look for. If the electric windows do not. Electric Window Not Working Vw T4.
From www.2carpros.com
Electric Windows Not Working? My Truck Has An Electrical Issue. I... Electric Window Not Working Vw T4 A few months ago my drivers side power window failed (just as i was pulling up to us customs and border protection. Basically, my window would not go up and down with the use of the switch, i could hear the motor. Troubleshooting volkswagen electric windows that are not working can be a frustrating experience, but it’s usually easy to. Electric Window Not Working Vw T4.
From www.youtube.com
VW Polo Fix for all electric windows not working. YouTube Electric Window Not Working Vw T4 A typical fault is a blown fuse, which can happen if there is a power surge or if. Try using the key in the drivers door lock, turn and hold the key and the windows go up or down, depending which way you turn the key. Basically, my window would not go up and down with the use of the. Electric Window Not Working Vw T4.
From www.vwt4forum.co.uk
T5 offside sidelight not working VW T4 Forum VW T5 Forum Electric Window Not Working Vw T4 I pulled the door panel hoping to see a bad wire, but i get voltage to the. A few months ago my drivers side power window failed (just as i was pulling up to us customs and border protection. By following the steps in this article,. A typical fault is a blown fuse, which can happen if there is a. Electric Window Not Working Vw T4.
From www.youtube.com
Power Windows Not Working? Check for Broken Wires! YouTube Electric Window Not Working Vw T4 Troubleshooting volkswagen electric windows that are not working can be a frustrating experience, but it’s usually easy to fix if you know what to look for. Basically, my window would not go up and down with the use of the switch, i could hear the motor. On my 2003 t4 the passanger power window stopped working. By following the steps. Electric Window Not Working Vw T4.
From www.vwt4forum.co.uk
Electric windows Page 2 VW T4 Forum VW T5 Forum Electric Window Not Working Vw T4 Does this sound like it needs a new motor rather than a broken wire in the loom from a pillar to the. Chasing another electrical gremlin with very limited success (read none). If the electric windows do not work, there are several possible causes. Driver side electric window (lhd) not working. A typical fault is a blown fuse, which can. Electric Window Not Working Vw T4.
From www.youtube.com
Volkswagen Window Switch Replacement YouTube Electric Window Not Working Vw T4 By following the steps in this article,. A typical fault is a blown fuse, which can happen if there is a power surge or if. Driver side electric window (lhd) not working. A few months ago my drivers side power window failed (just as i was pulling up to us customs and border protection. Basically, my window would not go. Electric Window Not Working Vw T4.
From www.youtube.com
🔴 427 Car electric window not working how to test it and fix power Electric Window Not Working Vw T4 Does this sound like it needs a new motor rather than a broken wire in the loom from a pillar to the. On my 2003 t4 the passanger power window stopped working. Troubleshooting volkswagen electric windows that are not working can be a frustrating experience, but it’s usually easy to fix if you know what to look for. Basically, my. Electric Window Not Working Vw T4.
From www.briskoda.net
passenger's side electric windows not working with normal wires in both Electric Window Not Working Vw T4 By following the steps in this article,. Does this sound like it needs a new motor rather than a broken wire in the loom from a pillar to the. Chasing another electrical gremlin with very limited success (read none). I pulled the door panel hoping to see a bad wire, but i get voltage to the. Try using the key. Electric Window Not Working Vw T4.
From www.toyotaownersclub.com
Electric Window Not Working Corolla & Corolla Cross Club Toyota Electric Window Not Working Vw T4 Does this sound like it needs a new motor rather than a broken wire in the loom from a pillar to the. Chasing another electrical gremlin with very limited success (read none). When i operate the switch i hear a feint relay click but window doesn't work. Troubleshooting volkswagen electric windows that are not working can be a frustrating experience,. Electric Window Not Working Vw T4.
From www.youtube.com
vw polo electric windows not working Central locking not working both Electric Window Not Working Vw T4 On my 2003 t4 the passanger power window stopped working. A few months ago my drivers side power window failed (just as i was pulling up to us customs and border protection. Chasing another electrical gremlin with very limited success (read none). Basically, my window would not go up and down with the use of the switch, i could hear. Electric Window Not Working Vw T4.
From www.youtube.com
How to Diagnose a Failed Electric Window. Electric Window not working Electric Window Not Working Vw T4 I pulled the door panel hoping to see a bad wire, but i get voltage to the. A typical fault is a blown fuse, which can happen if there is a power surge or if. When i operate the switch i hear a feint relay click but window doesn't work. A few months ago my drivers side power window failed. Electric Window Not Working Vw T4.
From www.youtube.com
How to cut a window in a vw t4 YouTube Electric Window Not Working Vw T4 When i operate the switch i hear a feint relay click but window doesn't work. On my 2003 t4 the passanger power window stopped working. Troubleshooting volkswagen electric windows that are not working can be a frustrating experience, but it’s usually easy to fix if you know what to look for. Chasing another electrical gremlin with very limited success (read. Electric Window Not Working Vw T4.
From www.youtube.com
power window not working easy step to solve power window problem Electric Window Not Working Vw T4 Basically, my window would not go up and down with the use of the switch, i could hear the motor. Troubleshooting volkswagen electric windows that are not working can be a frustrating experience, but it’s usually easy to fix if you know what to look for. By following the steps in this article,. Try using the key in the drivers. Electric Window Not Working Vw T4.
From automotiveglory.com
Volkswagen Polo Electric Windows Not Working [Causes & Proven Electric Window Not Working Vw T4 A few months ago my drivers side power window failed (just as i was pulling up to us customs and border protection. A typical fault is a blown fuse, which can happen if there is a power surge or if. Chasing another electrical gremlin with very limited success (read none). By following the steps in this article,. I pulled the. Electric Window Not Working Vw T4.
From www.youtube.com
Power window not working? Try this power window motor repair method at Electric Window Not Working Vw T4 By following the steps in this article,. When i operate the switch i hear a feint relay click but window doesn't work. Chasing another electrical gremlin with very limited success (read none). Driver side electric window (lhd) not working. Basically, my window would not go up and down with the use of the switch, i could hear the motor. Troubleshooting. Electric Window Not Working Vw T4.
From automotiveglory.com
Volkswagen Electric Windows Not Working [Causes & Proven Solutions Electric Window Not Working Vw T4 A typical fault is a blown fuse, which can happen if there is a power surge or if. Does this sound like it needs a new motor rather than a broken wire in the loom from a pillar to the. Chasing another electrical gremlin with very limited success (read none). By following the steps in this article,. A few months. Electric Window Not Working Vw T4.
From www.2carpros.com
Driver's Side Power Window Not Working Electric Window Not Working Vw T4 By following the steps in this article,. Troubleshooting volkswagen electric windows that are not working can be a frustrating experience, but it’s usually easy to fix if you know what to look for. A few months ago my drivers side power window failed (just as i was pulling up to us customs and border protection. Basically, my window would not. Electric Window Not Working Vw T4.
From www.2carpros.com
Electric Windows Not Working? My Truck Has An Electrical Issue. I... Electric Window Not Working Vw T4 If the electric windows do not work, there are several possible causes. On my 2003 t4 the passanger power window stopped working. Driver side electric window (lhd) not working. Troubleshooting volkswagen electric windows that are not working can be a frustrating experience, but it’s usually easy to fix if you know what to look for. When i operate the switch. Electric Window Not Working Vw T4.
From userdiagramramsey.z13.web.core.windows.net
How To Fix Vw Jetta Power Window Electric Window Not Working Vw T4 A typical fault is a blown fuse, which can happen if there is a power surge or if. Try using the key in the drivers door lock, turn and hold the key and the windows go up or down, depending which way you turn the key. Driver side electric window (lhd) not working. Does this sound like it needs a. Electric Window Not Working Vw T4.
From www.youtube.com
power window not working YouTube Electric Window Not Working Vw T4 On my 2003 t4 the passanger power window stopped working. Does this sound like it needs a new motor rather than a broken wire in the loom from a pillar to the. By following the steps in this article,. If the electric windows do not work, there are several possible causes. Troubleshooting volkswagen electric windows that are not working can. Electric Window Not Working Vw T4.
From www.vwt4forum.co.uk
Vw t5.1 interior light not working VW T4 Forum VW T5 Forum Electric Window Not Working Vw T4 Does this sound like it needs a new motor rather than a broken wire in the loom from a pillar to the. When i operate the switch i hear a feint relay click but window doesn't work. I pulled the door panel hoping to see a bad wire, but i get voltage to the. On my 2003 t4 the passanger. Electric Window Not Working Vw T4.
From wiringdiagram.2bitboer.com
Wiring Diagram Vw T4 Electric Windows Wiring Diagram Electric Window Not Working Vw T4 A typical fault is a blown fuse, which can happen if there is a power surge or if. Troubleshooting volkswagen electric windows that are not working can be a frustrating experience, but it’s usually easy to fix if you know what to look for. On my 2003 t4 the passanger power window stopped working. Driver side electric window (lhd) not. Electric Window Not Working Vw T4.
From fordtransit.org
Ford Transit Forum • View topic N/S electric window not working problem Electric Window Not Working Vw T4 Chasing another electrical gremlin with very limited success (read none). Driver side electric window (lhd) not working. When i operate the switch i hear a feint relay click but window doesn't work. I pulled the door panel hoping to see a bad wire, but i get voltage to the. By following the steps in this article,. On my 2003 t4. Electric Window Not Working Vw T4.
From www.caretxdigital.com
vw t4 electric window wiring diagram Wiring Diagram and Schematics Electric Window Not Working Vw T4 Basically, my window would not go up and down with the use of the switch, i could hear the motor. When i operate the switch i hear a feint relay click but window doesn't work. If the electric windows do not work, there are several possible causes. Chasing another electrical gremlin with very limited success (read none). Driver side electric. Electric Window Not Working Vw T4.
From www.youtube.com
power windows not working (VW Audi Skoda Seat) YouTube Electric Window Not Working Vw T4 Basically, my window would not go up and down with the use of the switch, i could hear the motor. Does this sound like it needs a new motor rather than a broken wire in the loom from a pillar to the. Driver side electric window (lhd) not working. I pulled the door panel hoping to see a bad wire,. Electric Window Not Working Vw T4.
From www.volkswagenforum.co.uk
drivers side electric window not working UK Volkswagen Forum Electric Window Not Working Vw T4 Try using the key in the drivers door lock, turn and hold the key and the windows go up or down, depending which way you turn the key. Basically, my window would not go up and down with the use of the switch, i could hear the motor. On my 2003 t4 the passanger power window stopped working. A typical. Electric Window Not Working Vw T4.
From www.youtube.com
VW t5 electric window not close YouTube Electric Window Not Working Vw T4 I pulled the door panel hoping to see a bad wire, but i get voltage to the. Basically, my window would not go up and down with the use of the switch, i could hear the motor. A few months ago my drivers side power window failed (just as i was pulling up to us customs and border protection. By. Electric Window Not Working Vw T4.
From www.youtube.com
MK2 Golf Electric Window not working YouTube Electric Window Not Working Vw T4 Chasing another electrical gremlin with very limited success (read none). Basically, my window would not go up and down with the use of the switch, i could hear the motor. If the electric windows do not work, there are several possible causes. A few months ago my drivers side power window failed (just as i was pulling up to us. Electric Window Not Working Vw T4.
From volkswagenbuddy.com
Volkswagen Electric Windows Not Working [Causes & Proven Solutions Electric Window Not Working Vw T4 If the electric windows do not work, there are several possible causes. A typical fault is a blown fuse, which can happen if there is a power surge or if. When i operate the switch i hear a feint relay click but window doesn't work. Driver side electric window (lhd) not working. Chasing another electrical gremlin with very limited success. Electric Window Not Working Vw T4.
From www.youtube.com
Electric Windows Not Working Troubleshooting YouTube Electric Window Not Working Vw T4 Chasing another electrical gremlin with very limited success (read none). Troubleshooting volkswagen electric windows that are not working can be a frustrating experience, but it’s usually easy to fix if you know what to look for. Driver side electric window (lhd) not working. Try using the key in the drivers door lock, turn and hold the key and the windows. Electric Window Not Working Vw T4.
From www.vwt4forum.co.uk
T4 Nearside tail light not working VW T4 Forum VW T5 Forum Electric Window Not Working Vw T4 Does this sound like it needs a new motor rather than a broken wire in the loom from a pillar to the. On my 2003 t4 the passanger power window stopped working. I pulled the door panel hoping to see a bad wire, but i get voltage to the. Chasing another electrical gremlin with very limited success (read none). A. Electric Window Not Working Vw T4.