Ir Remote Control Nec Protocol . Decoded results are displayed on 16x2 lcd. When transmitting or receiving remote control codes using the nec ir transmission protocol, the wb_irrc performs optimally when the carrier. Supports both nec and extended nec. There are various types of ir protocols out there but among them,. What are the different ir protocols and how can you decode it? The original purpose of this. This little project will demonstrate how you can build nec protocol based infrared remote control to use with various nec protocol ir receivers. The nec code starts the transmission using a so called leader code, a burst with a length of 9 ms, followed by a pause of 4.5 ms and then the data word. When transmitting or receiving remote control codes using the nec ir transmission protocol, the wb_irrc performs. Arduino nec ir remote control decoder with circuit diagram and code. The holtek infrared remote controller workshop is a design software for the fast design of infrared remote controllers.
from www.aliexpress.com
What are the different ir protocols and how can you decode it? Supports both nec and extended nec. When transmitting or receiving remote control codes using the nec ir transmission protocol, the wb_irrc performs. This little project will demonstrate how you can build nec protocol based infrared remote control to use with various nec protocol ir receivers. There are various types of ir protocols out there but among them,. When transmitting or receiving remote control codes using the nec ir transmission protocol, the wb_irrc performs optimally when the carrier. The nec code starts the transmission using a so called leader code, a burst with a length of 9 ms, followed by a pause of 4.5 ms and then the data word. Decoded results are displayed on 16x2 lcd. The original purpose of this. Arduino nec ir remote control decoder with circuit diagram and code.
38khz MCU learning board IR remote control Infrared decoder for NEC
Ir Remote Control Nec Protocol When transmitting or receiving remote control codes using the nec ir transmission protocol, the wb_irrc performs optimally when the carrier. This little project will demonstrate how you can build nec protocol based infrared remote control to use with various nec protocol ir receivers. The original purpose of this. Supports both nec and extended nec. The holtek infrared remote controller workshop is a design software for the fast design of infrared remote controllers. What are the different ir protocols and how can you decode it? There are various types of ir protocols out there but among them,. The nec code starts the transmission using a so called leader code, a burst with a length of 9 ms, followed by a pause of 4.5 ms and then the data word. When transmitting or receiving remote control codes using the nec ir transmission protocol, the wb_irrc performs. Arduino nec ir remote control decoder with circuit diagram and code. Decoded results are displayed on 16x2 lcd. When transmitting or receiving remote control codes using the nec ir transmission protocol, the wb_irrc performs optimally when the carrier.
From www.electronicsinfoline.com
NEC Protocol IR (Infrared) Remote Control With a Microcontroller Ir Remote Control Nec Protocol When transmitting or receiving remote control codes using the nec ir transmission protocol, the wb_irrc performs optimally when the carrier. The original purpose of this. The nec code starts the transmission using a so called leader code, a burst with a length of 9 ms, followed by a pause of 4.5 ms and then the data word. What are the. Ir Remote Control Nec Protocol.
From store.nledshop.com
Infrared Remote Control NEC Protocol 24 Key Ir Remote Control Nec Protocol The nec code starts the transmission using a so called leader code, a burst with a length of 9 ms, followed by a pause of 4.5 ms and then the data word. When transmitting or receiving remote control codes using the nec ir transmission protocol, the wb_irrc performs. Decoded results are displayed on 16x2 lcd. The original purpose of this.. Ir Remote Control Nec Protocol.
From controllerstech.blogspot.com
InfraRed remote and STM32 CONTROLLERSTECH Ir Remote Control Nec Protocol This little project will demonstrate how you can build nec protocol based infrared remote control to use with various nec protocol ir receivers. The holtek infrared remote controller workshop is a design software for the fast design of infrared remote controllers. When transmitting or receiving remote control codes using the nec ir transmission protocol, the wb_irrc performs. What are the. Ir Remote Control Nec Protocol.
From simple-circuit.com
Arduino NEC IR remote control decoder Simple Circuit Ir Remote Control Nec Protocol Supports both nec and extended nec. This little project will demonstrate how you can build nec protocol based infrared remote control to use with various nec protocol ir receivers. Decoded results are displayed on 16x2 lcd. The holtek infrared remote controller workshop is a design software for the fast design of infrared remote controllers. The nec code starts the transmission. Ir Remote Control Nec Protocol.
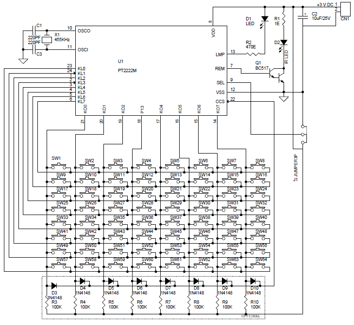
From www.electronics-lab.com
64 Key Infrared Remote Controller using PT2222M NEC Code Ir Remote Control Nec Protocol What are the different ir protocols and how can you decode it? The original purpose of this. Supports both nec and extended nec. There are various types of ir protocols out there but among them,. This little project will demonstrate how you can build nec protocol based infrared remote control to use with various nec protocol ir receivers. When transmitting. Ir Remote Control Nec Protocol.
From www.circuitvalley.com
Embedded Engineering NEC Protocol IR (Infrared) Remote Control With a Ir Remote Control Nec Protocol What are the different ir protocols and how can you decode it? Supports both nec and extended nec. The nec code starts the transmission using a so called leader code, a burst with a length of 9 ms, followed by a pause of 4.5 ms and then the data word. The holtek infrared remote controller workshop is a design software. Ir Remote Control Nec Protocol.
From botland.store
IR remote NEC 38kHz 2 keys Botland Robotic Shop Ir Remote Control Nec Protocol There are various types of ir protocols out there but among them,. Decoded results are displayed on 16x2 lcd. Supports both nec and extended nec. The holtek infrared remote controller workshop is a design software for the fast design of infrared remote controllers. The nec code starts the transmission using a so called leader code, a burst with a length. Ir Remote Control Nec Protocol.
From www.techdesign.be
011 Programmable IR remote control Ir Remote Control Nec Protocol Arduino nec ir remote control decoder with circuit diagram and code. The nec code starts the transmission using a so called leader code, a burst with a length of 9 ms, followed by a pause of 4.5 ms and then the data word. What are the different ir protocols and how can you decode it? Decoded results are displayed on. Ir Remote Control Nec Protocol.
From ccspicc.blogspot.com
IR Remote control transmitter and receiver using PIC12F1822 microcontroller Ir Remote Control Nec Protocol There are various types of ir protocols out there but among them,. The nec code starts the transmission using a so called leader code, a burst with a length of 9 ms, followed by a pause of 4.5 ms and then the data word. Decoded results are displayed on 16x2 lcd. The holtek infrared remote controller workshop is a design. Ir Remote Control Nec Protocol.
From www.circuitvalley.com
Embedded Engineering NEC Protocol IR (Infrared) Remote Control With a Ir Remote Control Nec Protocol The original purpose of this. The holtek infrared remote controller workshop is a design software for the fast design of infrared remote controllers. There are various types of ir protocols out there but among them,. The nec code starts the transmission using a so called leader code, a burst with a length of 9 ms, followed by a pause of. Ir Remote Control Nec Protocol.
From www.circuitvalley.com
Embedded Engineering NEC Protocol IR (Infrared) Remote Control With a Ir Remote Control Nec Protocol The holtek infrared remote controller workshop is a design software for the fast design of infrared remote controllers. When transmitting or receiving remote control codes using the nec ir transmission protocol, the wb_irrc performs optimally when the carrier. Supports both nec and extended nec. When transmitting or receiving remote control codes using the nec ir transmission protocol, the wb_irrc performs.. Ir Remote Control Nec Protocol.
From simple-circuit.com
IR remote control system based on PIC microcontroller CCS C compiler Ir Remote Control Nec Protocol This little project will demonstrate how you can build nec protocol based infrared remote control to use with various nec protocol ir receivers. Decoded results are displayed on 16x2 lcd. The holtek infrared remote controller workshop is a design software for the fast design of infrared remote controllers. There are various types of ir protocols out there but among them,.. Ir Remote Control Nec Protocol.
From www.circuitvalley.com
Embedded Engineering IR(infrared) Remote Control Relay Board with PIC Ir Remote Control Nec Protocol When transmitting or receiving remote control codes using the nec ir transmission protocol, the wb_irrc performs optimally when the carrier. The holtek infrared remote controller workshop is a design software for the fast design of infrared remote controllers. This little project will demonstrate how you can build nec protocol based infrared remote control to use with various nec protocol ir. Ir Remote Control Nec Protocol.
From electronica.guru
Control remoto NEC de Arduino IR Electronica Ir Remote Control Nec Protocol The holtek infrared remote controller workshop is a design software for the fast design of infrared remote controllers. When transmitting or receiving remote control codes using the nec ir transmission protocol, the wb_irrc performs. The nec code starts the transmission using a so called leader code, a burst with a length of 9 ms, followed by a pause of 4.5. Ir Remote Control Nec Protocol.
From circuitdigest.com
IR Remote Controlled Home Automation Project using Arduino Ir Remote Control Nec Protocol When transmitting or receiving remote control codes using the nec ir transmission protocol, the wb_irrc performs optimally when the carrier. There are various types of ir protocols out there but among them,. This little project will demonstrate how you can build nec protocol based infrared remote control to use with various nec protocol ir receivers. Decoded results are displayed on. Ir Remote Control Nec Protocol.
From ccspicc.blogspot.com
NEC Protocol IR remote control decoder with PIC16F877A microcontroller Ir Remote Control Nec Protocol When transmitting or receiving remote control codes using the nec ir transmission protocol, the wb_irrc performs. Supports both nec and extended nec. The nec code starts the transmission using a so called leader code, a burst with a length of 9 ms, followed by a pause of 4.5 ms and then the data word. The holtek infrared remote controller workshop. Ir Remote Control Nec Protocol.
From ccspicc.blogspot.com
IR Remote control transmitter and receiver using PIC12F1822 microcontroller Ir Remote Control Nec Protocol The original purpose of this. Arduino nec ir remote control decoder with circuit diagram and code. There are various types of ir protocols out there but among them,. Decoded results are displayed on 16x2 lcd. The nec code starts the transmission using a so called leader code, a burst with a length of 9 ms, followed by a pause of. Ir Remote Control Nec Protocol.
From store.wicard.net
IR Remote Control (infrared) Programmable and With Code Learn Ir Remote Control Nec Protocol What are the different ir protocols and how can you decode it? There are various types of ir protocols out there but among them,. When transmitting or receiving remote control codes using the nec ir transmission protocol, the wb_irrc performs optimally when the carrier. The holtek infrared remote controller workshop is a design software for the fast design of infrared. Ir Remote Control Nec Protocol.
From surplustek.ca
Infrared Remote Control module Kit HX1838 NEC Code VS1838B Receiver Ir Remote Control Nec Protocol Arduino nec ir remote control decoder with circuit diagram and code. What are the different ir protocols and how can you decode it? Decoded results are displayed on 16x2 lcd. Supports both nec and extended nec. The nec code starts the transmission using a so called leader code, a burst with a length of 9 ms, followed by a pause. Ir Remote Control Nec Protocol.
From www.circuitvalley.com
Embedded Engineering NEC Protocol IR (Infrared) Remote Control With a Ir Remote Control Nec Protocol Supports both nec and extended nec. This little project will demonstrate how you can build nec protocol based infrared remote control to use with various nec protocol ir receivers. What are the different ir protocols and how can you decode it? When transmitting or receiving remote control codes using the nec ir transmission protocol, the wb_irrc performs optimally when the. Ir Remote Control Nec Protocol.
From www.engineersgarage.com
Home Automation using NEC IR Remote EngineersGarage Ir Remote Control Nec Protocol Decoded results are displayed on 16x2 lcd. Arduino nec ir remote control decoder with circuit diagram and code. The holtek infrared remote controller workshop is a design software for the fast design of infrared remote controllers. The nec code starts the transmission using a so called leader code, a burst with a length of 9 ms, followed by a pause. Ir Remote Control Nec Protocol.
From forum.arduino.cc
Lightweight Arduino IR library for NEC remote control devices Ir Remote Control Nec Protocol The nec code starts the transmission using a so called leader code, a burst with a length of 9 ms, followed by a pause of 4.5 ms and then the data word. Decoded results are displayed on 16x2 lcd. When transmitting or receiving remote control codes using the nec ir transmission protocol, the wb_irrc performs optimally when the carrier. What. Ir Remote Control Nec Protocol.
From www.youtube.com
NEC_DECODE Library for decoding NEC IR Remote protocol YouTube Ir Remote Control Nec Protocol The holtek infrared remote controller workshop is a design software for the fast design of infrared remote controllers. When transmitting or receiving remote control codes using the nec ir transmission protocol, the wb_irrc performs. This little project will demonstrate how you can build nec protocol based infrared remote control to use with various nec protocol ir receivers. Arduino nec ir. Ir Remote Control Nec Protocol.
From ccspicc.blogspot.com
NEC Remote control decoder with PIC16F84A Ir Remote Control Nec Protocol When transmitting or receiving remote control codes using the nec ir transmission protocol, the wb_irrc performs optimally when the carrier. The nec code starts the transmission using a so called leader code, a burst with a length of 9 ms, followed by a pause of 4.5 ms and then the data word. Decoded results are displayed on 16x2 lcd. The. Ir Remote Control Nec Protocol.
From www.aliexpress.com
new, 10pcs 38khz MCU learning board IR remote control Infrared decoder Ir Remote Control Nec Protocol When transmitting or receiving remote control codes using the nec ir transmission protocol, the wb_irrc performs. Decoded results are displayed on 16x2 lcd. When transmitting or receiving remote control codes using the nec ir transmission protocol, the wb_irrc performs optimally when the carrier. The nec code starts the transmission using a so called leader code, a burst with a length. Ir Remote Control Nec Protocol.
From simple-circuit.com
Arduino NEC IR remote control decoder Ir Remote Control Nec Protocol There are various types of ir protocols out there but among them,. The original purpose of this. Supports both nec and extended nec. When transmitting or receiving remote control codes using the nec ir transmission protocol, the wb_irrc performs. Decoded results are displayed on 16x2 lcd. When transmitting or receiving remote control codes using the nec ir transmission protocol, the. Ir Remote Control Nec Protocol.
From www.engineersgarage.com
Home Automation using NEC IR Remote EngineersGarage Ir Remote Control Nec Protocol The nec code starts the transmission using a so called leader code, a burst with a length of 9 ms, followed by a pause of 4.5 ms and then the data word. There are various types of ir protocols out there but among them,. This little project will demonstrate how you can build nec protocol based infrared remote control to. Ir Remote Control Nec Protocol.
From ccspicc.blogspot.com
Extended NEC Protocol Decoder Using PIC12F1822 Microcontroller Ir Remote Control Nec Protocol This little project will demonstrate how you can build nec protocol based infrared remote control to use with various nec protocol ir receivers. What are the different ir protocols and how can you decode it? Supports both nec and extended nec. The holtek infrared remote controller workshop is a design software for the fast design of infrared remote controllers. There. Ir Remote Control Nec Protocol.
From www.electro-tech-online.com
44Key IR Remote NEC Codes Electronics Forum (Circuits Ir Remote Control Nec Protocol This little project will demonstrate how you can build nec protocol based infrared remote control to use with various nec protocol ir receivers. When transmitting or receiving remote control codes using the nec ir transmission protocol, the wb_irrc performs. Supports both nec and extended nec. The holtek infrared remote controller workshop is a design software for the fast design of. Ir Remote Control Nec Protocol.
From store.nledshop.com
Infrared Remote Control NEC Protocol 24 Key Ir Remote Control Nec Protocol The original purpose of this. There are various types of ir protocols out there but among them,. This little project will demonstrate how you can build nec protocol based infrared remote control to use with various nec protocol ir receivers. When transmitting or receiving remote control codes using the nec ir transmission protocol, the wb_irrc performs. What are the different. Ir Remote Control Nec Protocol.
From www.youtube.com
EEVblog 506 IR Remote Control Arduino Protocol Tutorial YouTube Ir Remote Control Nec Protocol Decoded results are displayed on 16x2 lcd. What are the different ir protocols and how can you decode it? There are various types of ir protocols out there but among them,. When transmitting or receiving remote control codes using the nec ir transmission protocol, the wb_irrc performs. Arduino nec ir remote control decoder with circuit diagram and code. The original. Ir Remote Control Nec Protocol.
From www.aliexpress.com
38khz MCU learning board IR remote control Infrared decoder for NEC Ir Remote Control Nec Protocol Arduino nec ir remote control decoder with circuit diagram and code. The nec code starts the transmission using a so called leader code, a burst with a length of 9 ms, followed by a pause of 4.5 ms and then the data word. When transmitting or receiving remote control codes using the nec ir transmission protocol, the wb_irrc performs optimally. Ir Remote Control Nec Protocol.
From botland.store
IR remote NEC 38kHz + 1838T infrared receiver + Botland Robotic Shop Ir Remote Control Nec Protocol Supports both nec and extended nec. The holtek infrared remote controller workshop is a design software for the fast design of infrared remote controllers. This little project will demonstrate how you can build nec protocol based infrared remote control to use with various nec protocol ir receivers. There are various types of ir protocols out there but among them,. What. Ir Remote Control Nec Protocol.
From www.electro-tech-online.com
44Key IR Remote NEC Codes Electronics Forum (Circuits Ir Remote Control Nec Protocol Arduino nec ir remote control decoder with circuit diagram and code. The original purpose of this. There are various types of ir protocols out there but among them,. When transmitting or receiving remote control codes using the nec ir transmission protocol, the wb_irrc performs optimally when the carrier. Decoded results are displayed on 16x2 lcd. This little project will demonstrate. Ir Remote Control Nec Protocol.
From www.alibaba.com
Wireless Ir Remote Control With Rc5/nec Protocol Code Buy Remote Ir Remote Control Nec Protocol What are the different ir protocols and how can you decode it? There are various types of ir protocols out there but among them,. When transmitting or receiving remote control codes using the nec ir transmission protocol, the wb_irrc performs optimally when the carrier. The original purpose of this. The holtek infrared remote controller workshop is a design software for. Ir Remote Control Nec Protocol.