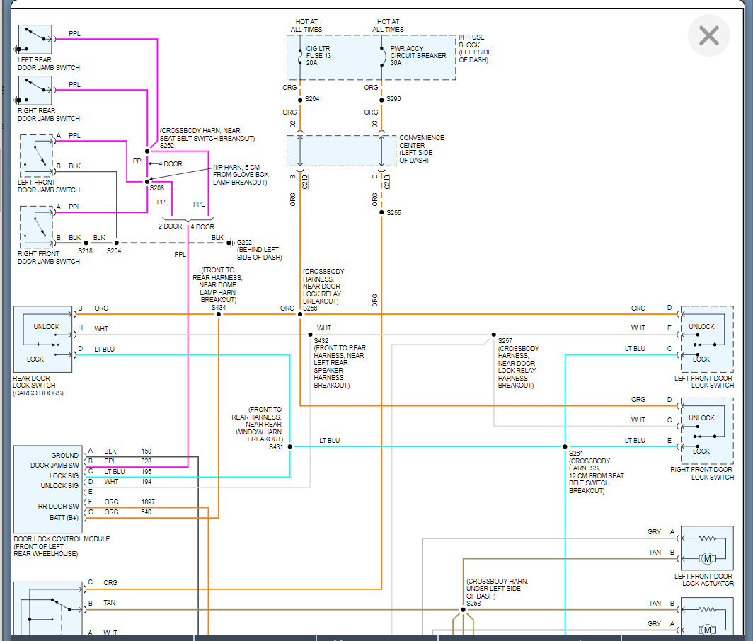
Where Is Door Lock Relay Located . It's pretty common issue and costs. The actual tailgate hot wire is on pin 2 (a blue wire) on. Here's what i have on the relay wiring, most if it's internal to the ip junction box and associated ips control module. When i lock the car, the fuel filler door should also be locked. I know z4 (and also other bmw cars) suffer from door locking/unlocking relay failure. The actuator is present and working (connecting it directly to. Are you replacing an old relay with an existing electrical door lock system, or are you adding new door lock switches, actuators, and relays? The door lock relay acts as a control module for the door lock solenoids, which are responsible for physically locking and unlocking the doors. When you press the lock or unlock button. To replace it you'd either have to replace the whole multiplex.
from enginelibrarybembry.z13.web.core.windows.net
When i lock the car, the fuel filler door should also be locked. To replace it you'd either have to replace the whole multiplex. Here's what i have on the relay wiring, most if it's internal to the ip junction box and associated ips control module. Are you replacing an old relay with an existing electrical door lock system, or are you adding new door lock switches, actuators, and relays? The actual tailgate hot wire is on pin 2 (a blue wire) on. The actuator is present and working (connecting it directly to. I know z4 (and also other bmw cars) suffer from door locking/unlocking relay failure. When you press the lock or unlock button. It's pretty common issue and costs. The door lock relay acts as a control module for the door lock solenoids, which are responsible for physically locking and unlocking the doors.
Door Lock Relay Location
Where Is Door Lock Relay Located It's pretty common issue and costs. When i lock the car, the fuel filler door should also be locked. The actual tailgate hot wire is on pin 2 (a blue wire) on. Here's what i have on the relay wiring, most if it's internal to the ip junction box and associated ips control module. To replace it you'd either have to replace the whole multiplex. It's pretty common issue and costs. I know z4 (and also other bmw cars) suffer from door locking/unlocking relay failure. When you press the lock or unlock button. Are you replacing an old relay with an existing electrical door lock system, or are you adding new door lock switches, actuators, and relays? The door lock relay acts as a control module for the door lock solenoids, which are responsible for physically locking and unlocking the doors. The actuator is present and working (connecting it directly to.
From www.justanswer.com
Ford F250 Power Door Lock Relay Location Q&A for 2001 Powerstroke, 95 Where Is Door Lock Relay Located It's pretty common issue and costs. To replace it you'd either have to replace the whole multiplex. The actuator is present and working (connecting it directly to. Here's what i have on the relay wiring, most if it's internal to the ip junction box and associated ips control module. When you press the lock or unlock button. The actual tailgate. Where Is Door Lock Relay Located.
From www.2carpros.com
Door Lock Relays Location Where Are the Door Lock Relays Located... Where Is Door Lock Relay Located I know z4 (and also other bmw cars) suffer from door locking/unlocking relay failure. The actuator is present and working (connecting it directly to. To replace it you'd either have to replace the whole multiplex. When you press the lock or unlock button. Are you replacing an old relay with an existing electrical door lock system, or are you adding. Where Is Door Lock Relay Located.
From www.justanswer.com
How do I access the Door lock inversion module and the door lock relay Where Is Door Lock Relay Located The actuator is present and working (connecting it directly to. The actual tailgate hot wire is on pin 2 (a blue wire) on. I know z4 (and also other bmw cars) suffer from door locking/unlocking relay failure. It's pretty common issue and costs. Here's what i have on the relay wiring, most if it's internal to the ip junction box. Where Is Door Lock Relay Located.
From www.2carpros.com
Power Door Lock Relay Location Where Is the Location of Door Lock... Where Is Door Lock Relay Located The actuator is present and working (connecting it directly to. When you press the lock or unlock button. It's pretty common issue and costs. Are you replacing an old relay with an existing electrical door lock system, or are you adding new door lock switches, actuators, and relays? Here's what i have on the relay wiring, most if it's internal. Where Is Door Lock Relay Located.
From www.2carpros.com
Location of Door Lock Fuses or Relay Where Is Door Lock Relay Located The actual tailgate hot wire is on pin 2 (a blue wire) on. When you press the lock or unlock button. When i lock the car, the fuel filler door should also be locked. It's pretty common issue and costs. The door lock relay acts as a control module for the door lock solenoids, which are responsible for physically locking. Where Is Door Lock Relay Located.
From www.justanswer.com
Where is the door lock relay located for a 95 Silverado extended cab PU? Where Is Door Lock Relay Located The actuator is present and working (connecting it directly to. The door lock relay acts as a control module for the door lock solenoids, which are responsible for physically locking and unlocking the doors. Are you replacing an old relay with an existing electrical door lock system, or are you adding new door lock switches, actuators, and relays? When i. Where Is Door Lock Relay Located.
From www.2carpros.com
Location of Door Lock Fuses or Relay Where Is Door Lock Relay Located Are you replacing an old relay with an existing electrical door lock system, or are you adding new door lock switches, actuators, and relays? I know z4 (and also other bmw cars) suffer from door locking/unlocking relay failure. When you press the lock or unlock button. To replace it you'd either have to replace the whole multiplex. The actuator is. Where Is Door Lock Relay Located.
From www.autozone.com
Repair Guides Where Is Door Lock Relay Located Are you replacing an old relay with an existing electrical door lock system, or are you adding new door lock switches, actuators, and relays? The actuator is present and working (connecting it directly to. The door lock relay acts as a control module for the door lock solenoids, which are responsible for physically locking and unlocking the doors. To replace. Where Is Door Lock Relay Located.
From www.2carpros.com
Power Door Lock Relay Location Where Is the Location of Door Lock... Where Is Door Lock Relay Located Here's what i have on the relay wiring, most if it's internal to the ip junction box and associated ips control module. The actual tailgate hot wire is on pin 2 (a blue wire) on. It's pretty common issue and costs. I know z4 (and also other bmw cars) suffer from door locking/unlocking relay failure. Are you replacing an old. Where Is Door Lock Relay Located.
From ricksfreeautorepairadvice.com
Power door locks don’t work — Ricks Free Auto Repair Advice Ricks Free Where Is Door Lock Relay Located Here's what i have on the relay wiring, most if it's internal to the ip junction box and associated ips control module. When you press the lock or unlock button. The actual tailgate hot wire is on pin 2 (a blue wire) on. To replace it you'd either have to replace the whole multiplex. When i lock the car, the. Where Is Door Lock Relay Located.
From pezcame.com
Door Power & How To Remove Install Power Door Lock Relay""sc"1"st Where Is Door Lock Relay Located The actuator is present and working (connecting it directly to. To replace it you'd either have to replace the whole multiplex. The door lock relay acts as a control module for the door lock solenoids, which are responsible for physically locking and unlocking the doors. Are you replacing an old relay with an existing electrical door lock system, or are. Where Is Door Lock Relay Located.
From enginelibrarybembry.z13.web.core.windows.net
Door Lock Relay Location Where Is Door Lock Relay Located The actual tailgate hot wire is on pin 2 (a blue wire) on. When you press the lock or unlock button. The actuator is present and working (connecting it directly to. Are you replacing an old relay with an existing electrical door lock system, or are you adding new door lock switches, actuators, and relays? The door lock relay acts. Where Is Door Lock Relay Located.
From www.2carpros.com
Door Lock Relays Location Where Are the Door Lock Relays Located... Where Is Door Lock Relay Located To replace it you'd either have to replace the whole multiplex. The door lock relay acts as a control module for the door lock solenoids, which are responsible for physically locking and unlocking the doors. I know z4 (and also other bmw cars) suffer from door locking/unlocking relay failure. It's pretty common issue and costs. Are you replacing an old. Where Is Door Lock Relay Located.
From www.2carpros.com
Location of Door Lock Fuses or Relay Where Is Door Lock Relay Located Here's what i have on the relay wiring, most if it's internal to the ip junction box and associated ips control module. The actuator is present and working (connecting it directly to. It's pretty common issue and costs. To replace it you'd either have to replace the whole multiplex. The actual tailgate hot wire is on pin 2 (a blue. Where Is Door Lock Relay Located.
From techschematic.com
Unlocking the Secrets A Positive Door Lock Relay Diagram Where Is Door Lock Relay Located It's pretty common issue and costs. Are you replacing an old relay with an existing electrical door lock system, or are you adding new door lock switches, actuators, and relays? When i lock the car, the fuel filler door should also be locked. When you press the lock or unlock button. The door lock relay acts as a control module. Where Is Door Lock Relay Located.
From www.2carpros.com
Door Lock Relay Location When Using Keyless Entry Button or Where Is Door Lock Relay Located To replace it you'd either have to replace the whole multiplex. It's pretty common issue and costs. Here's what i have on the relay wiring, most if it's internal to the ip junction box and associated ips control module. I know z4 (and also other bmw cars) suffer from door locking/unlocking relay failure. Are you replacing an old relay with. Where Is Door Lock Relay Located.
From manualenginegarrison.z13.web.core.windows.net
Door Lock Relay Diagram Where Is Door Lock Relay Located It's pretty common issue and costs. The actuator is present and working (connecting it directly to. The actual tailgate hot wire is on pin 2 (a blue wire) on. Are you replacing an old relay with an existing electrical door lock system, or are you adding new door lock switches, actuators, and relays? When i lock the car, the fuel. Where Is Door Lock Relay Located.
From www.youtube.com
Find the Toyota Tundra Door Lock Relay Location YouTube Where Is Door Lock Relay Located When you press the lock or unlock button. The actual tailgate hot wire is on pin 2 (a blue wire) on. Here's what i have on the relay wiring, most if it's internal to the ip junction box and associated ips control module. When i lock the car, the fuel filler door should also be locked. It's pretty common issue. Where Is Door Lock Relay Located.
From www.justanswer.com
Q&A Power Door Lock Relay Location & Fuse Box Diagram for 1996 Where Is Door Lock Relay Located Here's what i have on the relay wiring, most if it's internal to the ip junction box and associated ips control module. The door lock relay acts as a control module for the door lock solenoids, which are responsible for physically locking and unlocking the doors. To replace it you'd either have to replace the whole multiplex. It's pretty common. Where Is Door Lock Relay Located.
From wiredraw.co
Door Lock Relay Wiring Diagram 2 Wire Wiring Draw Where Is Door Lock Relay Located Here's what i have on the relay wiring, most if it's internal to the ip junction box and associated ips control module. To replace it you'd either have to replace the whole multiplex. It's pretty common issue and costs. The actual tailgate hot wire is on pin 2 (a blue wire) on. The actuator is present and working (connecting it. Where Is Door Lock Relay Located.
From www.justanswer.com
Location door lock relay Where Is Door Lock Relay Located Here's what i have on the relay wiring, most if it's internal to the ip junction box and associated ips control module. It's pretty common issue and costs. The actuator is present and working (connecting it directly to. The door lock relay acts as a control module for the door lock solenoids, which are responsible for physically locking and unlocking. Where Is Door Lock Relay Located.
From answertion.com
How to replace the door lock relay on Honda CRV 2005 Q&A Answertion Where Is Door Lock Relay Located The actuator is present and working (connecting it directly to. The door lock relay acts as a control module for the door lock solenoids, which are responsible for physically locking and unlocking the doors. Here's what i have on the relay wiring, most if it's internal to the ip junction box and associated ips control module. Are you replacing an. Where Is Door Lock Relay Located.
From www.2carpros.com
Power Door Lock Relay Location Where Is the Location of Door Lock... Where Is Door Lock Relay Located When i lock the car, the fuel filler door should also be locked. To replace it you'd either have to replace the whole multiplex. The door lock relay acts as a control module for the door lock solenoids, which are responsible for physically locking and unlocking the doors. When you press the lock or unlock button. Here's what i have. Where Is Door Lock Relay Located.
From garagerepairopal77.z13.web.core.windows.net
Ford F150 Door Lock Relay Location Where Is Door Lock Relay Located The actual tailgate hot wire is on pin 2 (a blue wire) on. Here's what i have on the relay wiring, most if it's internal to the ip junction box and associated ips control module. The actuator is present and working (connecting it directly to. The door lock relay acts as a control module for the door lock solenoids, which. Where Is Door Lock Relay Located.
From www.2carpros.com
Door Lock Relays Location Where Are the Door Lock Relays Located... Where Is Door Lock Relay Located It's pretty common issue and costs. Here's what i have on the relay wiring, most if it's internal to the ip junction box and associated ips control module. I know z4 (and also other bmw cars) suffer from door locking/unlocking relay failure. The actuator is present and working (connecting it directly to. The door lock relay acts as a control. Where Is Door Lock Relay Located.
From www.kia-forums.com
Rear Latch and Door Lock Relay location??? Kia Forum Where Is Door Lock Relay Located To replace it you'd either have to replace the whole multiplex. The actual tailgate hot wire is on pin 2 (a blue wire) on. Are you replacing an old relay with an existing electrical door lock system, or are you adding new door lock switches, actuators, and relays? It's pretty common issue and costs. I know z4 (and also other. Where Is Door Lock Relay Located.
From fixwiringgiuseppe.z13.web.core.windows.net
Door Lock Relay Location Where Is Door Lock Relay Located The actual tailgate hot wire is on pin 2 (a blue wire) on. Are you replacing an old relay with an existing electrical door lock system, or are you adding new door lock switches, actuators, and relays? When you press the lock or unlock button. I know z4 (and also other bmw cars) suffer from door locking/unlocking relay failure. The. Where Is Door Lock Relay Located.
From workshop-manuals.com
Toyota Service and Repair Manuals > RAV4 4WD L42.0L (3SFE Where Is Door Lock Relay Located The door lock relay acts as a control module for the door lock solenoids, which are responsible for physically locking and unlocking the doors. Here's what i have on the relay wiring, most if it's internal to the ip junction box and associated ips control module. When i lock the car, the fuel filler door should also be locked. To. Where Is Door Lock Relay Located.
From www.2carpros.com
Door Lock Relays Location Where Are the Door Lock Relays Located... Where Is Door Lock Relay Located When you press the lock or unlock button. Here's what i have on the relay wiring, most if it's internal to the ip junction box and associated ips control module. To replace it you'd either have to replace the whole multiplex. The door lock relay acts as a control module for the door lock solenoids, which are responsible for physically. Where Is Door Lock Relay Located.
From forum.ih8mud.com
Location of power door lock relay? IH8MUD Forum Where Is Door Lock Relay Located The actual tailgate hot wire is on pin 2 (a blue wire) on. When you press the lock or unlock button. I know z4 (and also other bmw cars) suffer from door locking/unlocking relay failure. Here's what i have on the relay wiring, most if it's internal to the ip junction box and associated ips control module. The actuator is. Where Is Door Lock Relay Located.
From www.circuitdiagram.co
Relay Wiring Diagram Door Locks Circuit Diagram Where Is Door Lock Relay Located To replace it you'd either have to replace the whole multiplex. The actuator is present and working (connecting it directly to. The door lock relay acts as a control module for the door lock solenoids, which are responsible for physically locking and unlocking the doors. When you press the lock or unlock button. It's pretty common issue and costs. When. Where Is Door Lock Relay Located.
From www.kia-forums.com
Rear Latch and Door Lock Relay location??? Kia Forum Where Is Door Lock Relay Located The actual tailgate hot wire is on pin 2 (a blue wire) on. When i lock the car, the fuel filler door should also be locked. It's pretty common issue and costs. The actuator is present and working (connecting it directly to. To replace it you'd either have to replace the whole multiplex. Are you replacing an old relay with. Where Is Door Lock Relay Located.