Hydraulic Flow Divider Troubleshooting . Need to split flow between two actuators? When the driving d03 valve. This is a situation that can occur for many reasons. Use a pressure compensated flow divider, and you'll. Solution to flow dividers keep breaking. Have you noticed that the cylinders connected to the flow divider in your system are not moving at the same time? If the error is less than 3%, this is a physiological. Flow divider has a closed center function which allows a small amount of load holding capability. A flow divider will provide a fairly accurate synchronisation of cylinders whilst oil is flowing but is not a “positive hold” device and should. One of the most common problems that can occur using a flow divider is cylinder misalignment.
from www.jihostroj.com
Solution to flow dividers keep breaking. When the driving d03 valve. If the error is less than 3%, this is a physiological. Use a pressure compensated flow divider, and you'll. Have you noticed that the cylinders connected to the flow divider in your system are not moving at the same time? This is a situation that can occur for many reasons. Flow divider has a closed center function which allows a small amount of load holding capability. Need to split flow between two actuators? One of the most common problems that can occur using a flow divider is cylinder misalignment. A flow divider will provide a fairly accurate synchronisation of cylinders whilst oil is flowing but is not a “positive hold” device and should.
FLOW DIVIDERS Jihostroj Aero technology and hydraulics
Hydraulic Flow Divider Troubleshooting This is a situation that can occur for many reasons. This is a situation that can occur for many reasons. Have you noticed that the cylinders connected to the flow divider in your system are not moving at the same time? Flow divider has a closed center function which allows a small amount of load holding capability. Solution to flow dividers keep breaking. When the driving d03 valve. If the error is less than 3%, this is a physiological. One of the most common problems that can occur using a flow divider is cylinder misalignment. A flow divider will provide a fairly accurate synchronisation of cylinders whilst oil is flowing but is not a “positive hold” device and should. Use a pressure compensated flow divider, and you'll. Need to split flow between two actuators?
From gpmhydraulic.com
What Are those Adjustments on My Flow Divider? GPM HYDRAULIC Hydraulic Flow Divider Troubleshooting Flow divider has a closed center function which allows a small amount of load holding capability. Use a pressure compensated flow divider, and you'll. A flow divider will provide a fairly accurate synchronisation of cylinders whilst oil is flowing but is not a “positive hold” device and should. If the error is less than 3%, this is a physiological. This. Hydraulic Flow Divider Troubleshooting.
From www.jihostroj.com
FLOW DIVIDERS Jihostroj Aero technology and hydraulics Hydraulic Flow Divider Troubleshooting Solution to flow dividers keep breaking. This is a situation that can occur for many reasons. A flow divider will provide a fairly accurate synchronisation of cylinders whilst oil is flowing but is not a “positive hold” device and should. If the error is less than 3%, this is a physiological. Use a pressure compensated flow divider, and you'll. When. Hydraulic Flow Divider Troubleshooting.
From summit-hydraulics.com
Hydraulic Proportional Flow Divider Combiner Valve, 2Way, 5050, 16 Hydraulic Flow Divider Troubleshooting Need to split flow between two actuators? Have you noticed that the cylinders connected to the flow divider in your system are not moving at the same time? A flow divider will provide a fairly accurate synchronisation of cylinders whilst oil is flowing but is not a “positive hold” device and should. Flow divider has a closed center function which. Hydraulic Flow Divider Troubleshooting.
From www.bucherhydraulics.com
Flow Divider MTDA (Standard) Hydraulic Flow Divider Troubleshooting One of the most common problems that can occur using a flow divider is cylinder misalignment. When the driving d03 valve. This is a situation that can occur for many reasons. A flow divider will provide a fairly accurate synchronisation of cylinders whilst oil is flowing but is not a “positive hold” device and should. If the error is less. Hydraulic Flow Divider Troubleshooting.
From www.icfluid.com
Hydraulic Gear Flow Dividers IC Fluid Power Hydraulic Flow Divider Troubleshooting Need to split flow between two actuators? Solution to flow dividers keep breaking. Use a pressure compensated flow divider, and you'll. A flow divider will provide a fairly accurate synchronisation of cylinders whilst oil is flowing but is not a “positive hold” device and should. If the error is less than 3%, this is a physiological. One of the most. Hydraulic Flow Divider Troubleshooting.
From www.duesterloh.de
Flow divider for hydraulic and pneumatic motors Düsterloh Hydraulic Flow Divider Troubleshooting This is a situation that can occur for many reasons. Use a pressure compensated flow divider, and you'll. When the driving d03 valve. A flow divider will provide a fairly accurate synchronisation of cylinders whilst oil is flowing but is not a “positive hold” device and should. Solution to flow dividers keep breaking. Have you noticed that the cylinders connected. Hydraulic Flow Divider Troubleshooting.
From www.powermotiontech.com
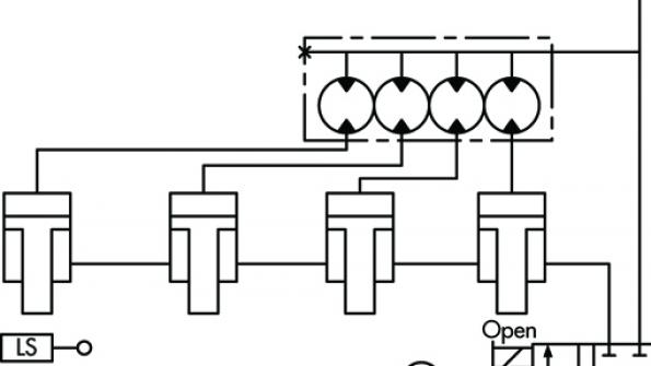
Troubleshooting Challenge Flow dividers keep breaking Power & Motion Hydraulic Flow Divider Troubleshooting Flow divider has a closed center function which allows a small amount of load holding capability. This is a situation that can occur for many reasons. Use a pressure compensated flow divider, and you'll. Need to split flow between two actuators? A flow divider will provide a fairly accurate synchronisation of cylinders whilst oil is flowing but is not a. Hydraulic Flow Divider Troubleshooting.
From www.icfluid.com
Hydraulic Gear Flow Dividers IC Fluid Power Hydraulic Flow Divider Troubleshooting One of the most common problems that can occur using a flow divider is cylinder misalignment. When the driving d03 valve. Have you noticed that the cylinders connected to the flow divider in your system are not moving at the same time? Flow divider has a closed center function which allows a small amount of load holding capability. If the. Hydraulic Flow Divider Troubleshooting.
From www.hydraulicsnetwork.com.au
Gear Flow Dividers 4 Way, Differential Relief Hydraulic Flow Divider Troubleshooting Flow divider has a closed center function which allows a small amount of load holding capability. When the driving d03 valve. This is a situation that can occur for many reasons. One of the most common problems that can occur using a flow divider is cylinder misalignment. Solution to flow dividers keep breaking. Need to split flow between two actuators?. Hydraulic Flow Divider Troubleshooting.
From summit-hydraulics.com
Hydraulic Flow Divider Summit Hydraulics Hydraulic Flow Divider Troubleshooting This is a situation that can occur for many reasons. A flow divider will provide a fairly accurate synchronisation of cylinders whilst oil is flowing but is not a “positive hold” device and should. Use a pressure compensated flow divider, and you'll. Flow divider has a closed center function which allows a small amount of load holding capability. Need to. Hydraulic Flow Divider Troubleshooting.
From dokumen.tips
(PDF) FLOW DIVIDERS Poclain Hydraulics...with a flow divider, you Hydraulic Flow Divider Troubleshooting Solution to flow dividers keep breaking. When the driving d03 valve. A flow divider will provide a fairly accurate synchronisation of cylinders whilst oil is flowing but is not a “positive hold” device and should. This is a situation that can occur for many reasons. Need to split flow between two actuators? Have you noticed that the cylinders connected to. Hydraulic Flow Divider Troubleshooting.
From www.hydraulicspneumatics.com
Troubleshooting Challenge Flow dividers keep breaking Hydraulics Hydraulic Flow Divider Troubleshooting A flow divider will provide a fairly accurate synchronisation of cylinders whilst oil is flowing but is not a “positive hold” device and should. Flow divider has a closed center function which allows a small amount of load holding capability. When the driving d03 valve. Solution to flow dividers keep breaking. Use a pressure compensated flow divider, and you'll. One. Hydraulic Flow Divider Troubleshooting.
From ritmindustry.com
Hydraulic flow divider RITM Industry Hydraulic Flow Divider Troubleshooting If the error is less than 3%, this is a physiological. Need to split flow between two actuators? A flow divider will provide a fairly accurate synchronisation of cylinders whilst oil is flowing but is not a “positive hold” device and should. One of the most common problems that can occur using a flow divider is cylinder misalignment. Solution to. Hydraulic Flow Divider Troubleshooting.
From wiringdbrae.z13.web.core.windows.net
Hydraulic Flow Divider Schematic Hydraulic Flow Divider Troubleshooting This is a situation that can occur for many reasons. Use a pressure compensated flow divider, and you'll. Solution to flow dividers keep breaking. Need to split flow between two actuators? One of the most common problems that can occur using a flow divider is cylinder misalignment. Have you noticed that the cylinders connected to the flow divider in your. Hydraulic Flow Divider Troubleshooting.
From mavink.com
Hydraulic Flow Divider Hydraulic Flow Divider Troubleshooting Use a pressure compensated flow divider, and you'll. If the error is less than 3%, this is a physiological. Have you noticed that the cylinders connected to the flow divider in your system are not moving at the same time? A flow divider will provide a fairly accurate synchronisation of cylinders whilst oil is flowing but is not a “positive. Hydraulic Flow Divider Troubleshooting.
From www.flowfitonline.com
Flowfit Geared Hydraulic Flow Divider 3 Way, 11cc/Rev, with Centre Inlet Hydraulic Flow Divider Troubleshooting Need to split flow between two actuators? Solution to flow dividers keep breaking. Use a pressure compensated flow divider, and you'll. When the driving d03 valve. This is a situation that can occur for many reasons. One of the most common problems that can occur using a flow divider is cylinder misalignment. A flow divider will provide a fairly accurate. Hydraulic Flow Divider Troubleshooting.
From www.magisterhyd.com
2.65.2 GPM hydraulic steel flow divider SAE 6 ports 3600 PSI Hydraulic Flow Divider Troubleshooting Need to split flow between two actuators? One of the most common problems that can occur using a flow divider is cylinder misalignment. If the error is less than 3%, this is a physiological. Use a pressure compensated flow divider, and you'll. Flow divider has a closed center function which allows a small amount of load holding capability. Solution to. Hydraulic Flow Divider Troubleshooting.
From exoaltyrr.blob.core.windows.net
How A Hydraulic Flow Divider Works at Anita Stafford blog Hydraulic Flow Divider Troubleshooting If the error is less than 3%, this is a physiological. Flow divider has a closed center function which allows a small amount of load holding capability. Need to split flow between two actuators? When the driving d03 valve. This is a situation that can occur for many reasons. Have you noticed that the cylinders connected to the flow divider. Hydraulic Flow Divider Troubleshooting.
From www.vivoil.com
How to Choose the Hydraulic Flow Divider Best Suited for You Hydraulic Flow Divider Troubleshooting This is a situation that can occur for many reasons. One of the most common problems that can occur using a flow divider is cylinder misalignment. A flow divider will provide a fairly accurate synchronisation of cylinders whilst oil is flowing but is not a “positive hold” device and should. If the error is less than 3%, this is a. Hydraulic Flow Divider Troubleshooting.
From www.icfluid.com
Hydraulic Gear Flow Dividers IC Fluid Power Hydraulic Flow Divider Troubleshooting This is a situation that can occur for many reasons. Solution to flow dividers keep breaking. If the error is less than 3%, this is a physiological. Have you noticed that the cylinders connected to the flow divider in your system are not moving at the same time? A flow divider will provide a fairly accurate synchronisation of cylinders whilst. Hydraulic Flow Divider Troubleshooting.
From exoaltyrr.blob.core.windows.net
How A Hydraulic Flow Divider Works at Anita Stafford blog Hydraulic Flow Divider Troubleshooting A flow divider will provide a fairly accurate synchronisation of cylinders whilst oil is flowing but is not a “positive hold” device and should. Have you noticed that the cylinders connected to the flow divider in your system are not moving at the same time? Solution to flow dividers keep breaking. If the error is less than 3%, this is. Hydraulic Flow Divider Troubleshooting.
From summit-hydraulics.com
Hydraulic Flow Divider Summit Hydraulics Hydraulic Flow Divider Troubleshooting Flow divider has a closed center function which allows a small amount of load holding capability. Use a pressure compensated flow divider, and you'll. When the driving d03 valve. Need to split flow between two actuators? If the error is less than 3%, this is a physiological. Have you noticed that the cylinders connected to the flow divider in your. Hydraulic Flow Divider Troubleshooting.
From www.flowfitonline.com
Hydraulic 2 Ways Steel Divider, DFL 13 Flow Control & Flow Divider Hydraulic Flow Divider Troubleshooting Have you noticed that the cylinders connected to the flow divider in your system are not moving at the same time? One of the most common problems that can occur using a flow divider is cylinder misalignment. If the error is less than 3%, this is a physiological. Use a pressure compensated flow divider, and you'll. Solution to flow dividers. Hydraulic Flow Divider Troubleshooting.
From www.machinerylubrication.com
Hydraulic Flow Dividers An Overview Hydraulic Flow Divider Troubleshooting When the driving d03 valve. This is a situation that can occur for many reasons. Flow divider has a closed center function which allows a small amount of load holding capability. Have you noticed that the cylinders connected to the flow divider in your system are not moving at the same time? Use a pressure compensated flow divider, and you'll.. Hydraulic Flow Divider Troubleshooting.
From www.vivoil.com
Hydraulic Flow Dividers, Pumps, Motors Vivoil (Bologna, Italy) Hydraulic Flow Divider Troubleshooting Use a pressure compensated flow divider, and you'll. This is a situation that can occur for many reasons. Need to split flow between two actuators? Flow divider has a closed center function which allows a small amount of load holding capability. Solution to flow dividers keep breaking. If the error is less than 3%, this is a physiological. A flow. Hydraulic Flow Divider Troubleshooting.
From www.researchgate.net
Rotary type flow divider valve; (a) detailed construction, (b Hydraulic Flow Divider Troubleshooting When the driving d03 valve. Have you noticed that the cylinders connected to the flow divider in your system are not moving at the same time? Flow divider has a closed center function which allows a small amount of load holding capability. This is a situation that can occur for many reasons. If the error is less than 3%, this. Hydraulic Flow Divider Troubleshooting.
From exoaltyrr.blob.core.windows.net
How A Hydraulic Flow Divider Works at Anita Stafford blog Hydraulic Flow Divider Troubleshooting This is a situation that can occur for many reasons. Flow divider has a closed center function which allows a small amount of load holding capability. One of the most common problems that can occur using a flow divider is cylinder misalignment. Use a pressure compensated flow divider, and you'll. If the error is less than 3%, this is a. Hydraulic Flow Divider Troubleshooting.
From wirefixbryant.z13.web.core.windows.net
Hydraulic Flow Divider Schematic Hydraulic Flow Divider Troubleshooting Solution to flow dividers keep breaking. One of the most common problems that can occur using a flow divider is cylinder misalignment. Use a pressure compensated flow divider, and you'll. A flow divider will provide a fairly accurate synchronisation of cylinders whilst oil is flowing but is not a “positive hold” device and should. If the error is less than. Hydraulic Flow Divider Troubleshooting.
From www.magisterhyd.com
2.65.2 GPM hydraulic steel flow divider SAE 6 ports 3600 PSI Hydraulic Flow Divider Troubleshooting Flow divider has a closed center function which allows a small amount of load holding capability. When the driving d03 valve. Solution to flow dividers keep breaking. Have you noticed that the cylinders connected to the flow divider in your system are not moving at the same time? A flow divider will provide a fairly accurate synchronisation of cylinders whilst. Hydraulic Flow Divider Troubleshooting.
From www.scribd.com
Hydraulic Flow Control & Flow Dividers PDF Valve Gases Hydraulic Flow Divider Troubleshooting One of the most common problems that can occur using a flow divider is cylinder misalignment. Have you noticed that the cylinders connected to the flow divider in your system are not moving at the same time? Use a pressure compensated flow divider, and you'll. Solution to flow dividers keep breaking. Need to split flow between two actuators? If the. Hydraulic Flow Divider Troubleshooting.
From www.powermotiontech.com
Use a flow divider to double cylinder speed Power & Motion Hydraulic Flow Divider Troubleshooting When the driving d03 valve. Solution to flow dividers keep breaking. One of the most common problems that can occur using a flow divider is cylinder misalignment. This is a situation that can occur for many reasons. If the error is less than 3%, this is a physiological. A flow divider will provide a fairly accurate synchronisation of cylinders whilst. Hydraulic Flow Divider Troubleshooting.
From www.flowfitonline.com
"Flowfit Geared Hydraulic Flow Divider 2 Way, 1.2cc/Rev, Left/Right Inlet" Hydraulic Flow Divider Troubleshooting One of the most common problems that can occur using a flow divider is cylinder misalignment. Use a pressure compensated flow divider, and you'll. This is a situation that can occur for many reasons. If the error is less than 3%, this is a physiological. Need to split flow between two actuators? When the driving d03 valve. Flow divider has. Hydraulic Flow Divider Troubleshooting.
From www.scribd.com
Oil Hydraulic Rotary Flow Dividers and Pressure Intensifier PDF Hydraulic Flow Divider Troubleshooting Have you noticed that the cylinders connected to the flow divider in your system are not moving at the same time? One of the most common problems that can occur using a flow divider is cylinder misalignment. If the error is less than 3%, this is a physiological. Use a pressure compensated flow divider, and you'll. This is a situation. Hydraulic Flow Divider Troubleshooting.
From www.flowfitonline.com
Flowfit Geared Hydraulic Flow Divider 2 Way, 26cc/Rev, with Centre Inlet Hydraulic Flow Divider Troubleshooting Solution to flow dividers keep breaking. Have you noticed that the cylinders connected to the flow divider in your system are not moving at the same time? A flow divider will provide a fairly accurate synchronisation of cylinders whilst oil is flowing but is not a “positive hold” device and should. One of the most common problems that can occur. Hydraulic Flow Divider Troubleshooting.
From store7306416.company.site
HYDRAULIC FLOW DIVIDER AND COMBINER TWIN CYLINDER SYNC Hydraulic Flow Divider Troubleshooting A flow divider will provide a fairly accurate synchronisation of cylinders whilst oil is flowing but is not a “positive hold” device and should. Solution to flow dividers keep breaking. Need to split flow between two actuators? Have you noticed that the cylinders connected to the flow divider in your system are not moving at the same time? If the. Hydraulic Flow Divider Troubleshooting.