Labview Multiple Images . This example explains how to create an array of pictures in labview. To display an image on a. Another method would be a single picture control displaying multiple images. I am working on an application on labview where i need to display a live camera and start saving images, in the other hand i want to visualize images from the folder (by clicking on. The image display control is a labview front panel control that allows the user to display the imaq image data type. You would look for two clicks in the same location. An easy method of creating an array of pictures in labview. If you do not have either labview 7.0 or later or ni vision, you can display an image with a labview picture control. This example load multiple jpg images and display them sequentially using the labview picture control function. I am using labview to capture or read in images using imaq or imaqdx vis and i want to save these images into different folder based on different image criteria. You can use the read bitmap file vi, read jpeg file vi, or read png file vi followed by the draw flattened pixmap vi.
from learn.ni.com
You can use the read bitmap file vi, read jpeg file vi, or read png file vi followed by the draw flattened pixmap vi. I am using labview to capture or read in images using imaq or imaqdx vis and i want to save these images into different folder based on different image criteria. The image display control is a labview front panel control that allows the user to display the imaq image data type. To display an image on a. An easy method of creating an array of pictures in labview. This example load multiple jpg images and display them sequentially using the labview picture control function. Another method would be a single picture control displaying multiple images. This example explains how to create an array of pictures in labview. If you do not have either labview 7.0 or later or ni vision, you can display an image with a labview picture control. I am working on an application on labview where i need to display a live camera and start saving images, in the other hand i want to visualize images from the folder (by clicking on.
NI Learning Center NI
Labview Multiple Images An easy method of creating an array of pictures in labview. You would look for two clicks in the same location. The image display control is a labview front panel control that allows the user to display the imaq image data type. To display an image on a. This example load multiple jpg images and display them sequentially using the labview picture control function. I am working on an application on labview where i need to display a live camera and start saving images, in the other hand i want to visualize images from the folder (by clicking on. You can use the read bitmap file vi, read jpeg file vi, or read png file vi followed by the draw flattened pixmap vi. An easy method of creating an array of pictures in labview. I am using labview to capture or read in images using imaq or imaqdx vis and i want to save these images into different folder based on different image criteria. Another method would be a single picture control displaying multiple images. This example explains how to create an array of pictures in labview. If you do not have either labview 7.0 or later or ni vision, you can display an image with a labview picture control.
From bceweb.org
Labview Chart Multiple Plots A Visual Reference of Charts Chart Master Labview Multiple Images To display an image on a. This example explains how to create an array of pictures in labview. I am working on an application on labview where i need to display a live camera and start saving images, in the other hand i want to visualize images from the folder (by clicking on. If you do not have either labview. Labview Multiple Images.
From microcontrollerslab.com
Labview tutorial Getting started with labview first project Labview Multiple Images An easy method of creating an array of pictures in labview. Another method would be a single picture control displaying multiple images. If you do not have either labview 7.0 or later or ni vision, you can display an image with a labview picture control. To display an image on a. I am working on an application on labview where. Labview Multiple Images.
From blog.sasworkshops.com
Using Python Classes In LabVIEW Labview Multiple Images I am working on an application on labview where i need to display a live camera and start saving images, in the other hand i want to visualize images from the folder (by clicking on. This example load multiple jpg images and display them sequentially using the labview picture control function. You would look for two clicks in the same. Labview Multiple Images.
From www.ni.com
7 Essential Features of LabVIEW NXG for Automated Test NI Labview Multiple Images I am using labview to capture or read in images using imaq or imaqdx vis and i want to save these images into different folder based on different image criteria. You would look for two clicks in the same location. If you do not have either labview 7.0 or later or ni vision, you can display an image with a. Labview Multiple Images.
From lavag.org
multiple objects in 3D picture LabVIEW General LAVA Labview Multiple Images If you do not have either labview 7.0 or later or ni vision, you can display an image with a labview picture control. To display an image on a. Another method would be a single picture control displaying multiple images. I am working on an application on labview where i need to display a live camera and start saving images,. Labview Multiple Images.
From knowledge.ni.com
How Do I Use Multiple Custom Scales in LabVIEW? National Instruments Labview Multiple Images You would look for two clicks in the same location. I am working on an application on labview where i need to display a live camera and start saving images, in the other hand i want to visualize images from the folder (by clicking on. I am using labview to capture or read in images using imaq or imaqdx vis. Labview Multiple Images.
From www.youtube.com
IMAQ Multiple ROIs [Labview VISION] YouTube Labview Multiple Images An easy method of creating an array of pictures in labview. You can use the read bitmap file vi, read jpeg file vi, or read png file vi followed by the draw flattened pixmap vi. To display an image on a. The image display control is a labview front panel control that allows the user to display the imaq image. Labview Multiple Images.
From digilent.com
Tips For Creating Professional looking VI’s in LabVIEW Digilent Blog Labview Multiple Images You would look for two clicks in the same location. If you do not have either labview 7.0 or later or ni vision, you can display an image with a labview picture control. This example load multiple jpg images and display them sequentially using the labview picture control function. To display an image on a. This example explains how to. Labview Multiple Images.
From www.youtube.com
Labview overview tutorial 1 YouTube Labview Multiple Images This example explains how to create an array of pictures in labview. I am using labview to capture or read in images using imaq or imaqdx vis and i want to save these images into different folder based on different image criteria. An easy method of creating an array of pictures in labview. This example load multiple jpg images and. Labview Multiple Images.
From ohiores.weebly.com
What is labview ohiores Labview Multiple Images If you do not have either labview 7.0 or later or ni vision, you can display an image with a labview picture control. Another method would be a single picture control displaying multiple images. You would look for two clicks in the same location. You can use the read bitmap file vi, read jpeg file vi, or read png file. Labview Multiple Images.
From owlcation.com
Labview Using Queues to Control Program Flow & Provide Structure Labview Multiple Images To display an image on a. If you do not have either labview 7.0 or later or ni vision, you can display an image with a labview picture control. Another method would be a single picture control displaying multiple images. I am using labview to capture or read in images using imaq or imaqdx vis and i want to save. Labview Multiple Images.
From www.halvorsen.blog
LabVIEW Application Examples Labview Multiple Images The image display control is a labview front panel control that allows the user to display the imaq image data type. An easy method of creating an array of pictures in labview. This example explains how to create an array of pictures in labview. If you do not have either labview 7.0 or later or ni vision, you can display. Labview Multiple Images.
From www.youtube.com
NI LabVIEW Basic image handling techniques YouTube Labview Multiple Images This example load multiple jpg images and display them sequentially using the labview picture control function. Another method would be a single picture control displaying multiple images. I am working on an application on labview where i need to display a live camera and start saving images, in the other hand i want to visualize images from the folder (by. Labview Multiple Images.
From learn.ni.com
NI Learning Center NI Labview Multiple Images You would look for two clicks in the same location. To display an image on a. If you do not have either labview 7.0 or later or ni vision, you can display an image with a labview picture control. I am working on an application on labview where i need to display a live camera and start saving images, in. Labview Multiple Images.
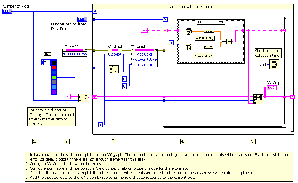
From forums.ni.com
Update XY Graph With Multiple Plots In Real Time Using LabVIEW NI Labview Multiple Images This example load multiple jpg images and display them sequentially using the labview picture control function. An easy method of creating an array of pictures in labview. If you do not have either labview 7.0 or later or ni vision, you can display an image with a labview picture control. I am using labview to capture or read in images. Labview Multiple Images.
From www.youtube.com
LabVIEW for Engineers Control Motor and Measurement Speed YouTube Labview Multiple Images You would look for two clicks in the same location. I am using labview to capture or read in images using imaq or imaqdx vis and i want to save these images into different folder based on different image criteria. To display an image on a. You can use the read bitmap file vi, read jpeg file vi, or read. Labview Multiple Images.
From www.youtube.com
Channelize Multiple RF Signals with LabVIEW and PXI Vector Signal Labview Multiple Images I am working on an application on labview where i need to display a live camera and start saving images, in the other hand i want to visualize images from the folder (by clicking on. I am using labview to capture or read in images using imaq or imaqdx vis and i want to save these images into different folder. Labview Multiple Images.
From www.youtube.com
็็How to interface camera with labview YouTube Labview Multiple Images Another method would be a single picture control displaying multiple images. An easy method of creating an array of pictures in labview. To display an image on a. This example load multiple jpg images and display them sequentially using the labview picture control function. You can use the read bitmap file vi, read jpeg file vi, or read png file. Labview Multiple Images.
From www.youtube.com
LabVIEW code Queued message handler with multiple process loops (walk Labview Multiple Images I am working on an application on labview where i need to display a live camera and start saving images, in the other hand i want to visualize images from the folder (by clicking on. This example load multiple jpg images and display them sequentially using the labview picture control function. You would look for two clicks in the same. Labview Multiple Images.
From exokcljmr.blob.core.windows.net
Labview Guide at Anna James blog Labview Multiple Images This example explains how to create an array of pictures in labview. If you do not have either labview 7.0 or later or ni vision, you can display an image with a labview picture control. To display an image on a. An easy method of creating an array of pictures in labview. This example load multiple jpg images and display. Labview Multiple Images.
From www.youtube.com
Basic Data Acquisition using LabView YouTube Labview Multiple Images Another method would be a single picture control displaying multiple images. If you do not have either labview 7.0 or later or ni vision, you can display an image with a labview picture control. This example explains how to create an array of pictures in labview. You can use the read bitmap file vi, read jpeg file vi, or read. Labview Multiple Images.
From www.youtube.com
LABVIEW Abrir múltiples archivos de imagen a la vez YouTube Labview Multiple Images This example load multiple jpg images and display them sequentially using the labview picture control function. If you do not have either labview 7.0 or later or ni vision, you can display an image with a labview picture control. An easy method of creating an array of pictures in labview. I am working on an application on labview where i. Labview Multiple Images.
From www.youtube.com
LabView Series Using Comparison tools and LEDs (2) YouTube Labview Multiple Images I am using labview to capture or read in images using imaq or imaqdx vis and i want to save these images into different folder based on different image criteria. If you do not have either labview 7.0 or later or ni vision, you can display an image with a labview picture control. I am working on an application on. Labview Multiple Images.
From www.s5solutions.com
LabVIEW Basics S5 Solutions LabVIEW, ATE, Test Engineering Services Labview Multiple Images You can use the read bitmap file vi, read jpeg file vi, or read png file vi followed by the draw flattened pixmap vi. I am working on an application on labview where i need to display a live camera and start saving images, in the other hand i want to visualize images from the folder (by clicking on. This. Labview Multiple Images.
From www.youtube.com
estructura sequence labview & sequence structure labview YouTube Labview Multiple Images This example explains how to create an array of pictures in labview. If you do not have either labview 7.0 or later or ni vision, you can display an image with a labview picture control. An easy method of creating an array of pictures in labview. To display an image on a. This example load multiple jpg images and display. Labview Multiple Images.
From www.youtube.com
FRC Labview Select from Multiple Autonomous routines YouTube Labview Multiple Images You can use the read bitmap file vi, read jpeg file vi, or read png file vi followed by the draw flattened pixmap vi. To display an image on a. The image display control is a labview front panel control that allows the user to display the imaq image data type. This example explains how to create an array of. Labview Multiple Images.
From www.youtube.com
LabVIEW MultipleDocument Interface (MDI) YouTube Labview Multiple Images You can use the read bitmap file vi, read jpeg file vi, or read png file vi followed by the draw flattened pixmap vi. This example explains how to create an array of pictures in labview. I am working on an application on labview where i need to display a live camera and start saving images, in the other hand. Labview Multiple Images.
From keski.condesan-ecoandes.org
labview chart multiple plots Keski Labview Multiple Images An easy method of creating an array of pictures in labview. This example load multiple jpg images and display them sequentially using the labview picture control function. If you do not have either labview 7.0 or later or ni vision, you can display an image with a labview picture control. To display an image on a. I am working on. Labview Multiple Images.
From www.tpsearchtool.com
Labview With Nodemcu Tutorial 1 Nodemcu Interlink Labview Using Tcpip Labview Multiple Images To display an image on a. This example load multiple jpg images and display them sequentially using the labview picture control function. An easy method of creating an array of pictures in labview. I am working on an application on labview where i need to display a live camera and start saving images, in the other hand i want to. Labview Multiple Images.
From microcontrollerslab.com
How use to loops in labview tutorial 3 Labview Multiple Images This example explains how to create an array of pictures in labview. If you do not have either labview 7.0 or later or ni vision, you can display an image with a labview picture control. I am working on an application on labview where i need to display a live camera and start saving images, in the other hand i. Labview Multiple Images.
From bceweb.org
Waveform Chart Labview Multiple Plots A Visual Reference of Charts Labview Multiple Images An easy method of creating an array of pictures in labview. Another method would be a single picture control displaying multiple images. If you do not have either labview 7.0 or later or ni vision, you can display an image with a labview picture control. You would look for two clicks in the same location. To display an image on. Labview Multiple Images.
From chartexamples.com
Labview Chart Multiple Plots Chart Examples Labview Multiple Images You can use the read bitmap file vi, read jpeg file vi, or read png file vi followed by the draw flattened pixmap vi. I am using labview to capture or read in images using imaq or imaqdx vis and i want to save these images into different folder based on different image criteria. You would look for two clicks. Labview Multiple Images.
From www.youtube.com
comparing two files using labview 2 YouTube Labview Multiple Images You would look for two clicks in the same location. An easy method of creating an array of pictures in labview. I am working on an application on labview where i need to display a live camera and start saving images, in the other hand i want to visualize images from the folder (by clicking on. You can use the. Labview Multiple Images.
From microcontrollerslab.com
How use to loops in labview tutorial 3 Labview Multiple Images To display an image on a. You can use the read bitmap file vi, read jpeg file vi, or read png file vi followed by the draw flattened pixmap vi. I am working on an application on labview where i need to display a live camera and start saving images, in the other hand i want to visualize images from. Labview Multiple Images.
From youtube.com
LabView WaveForm Graph YouTube Labview Multiple Images You can use the read bitmap file vi, read jpeg file vi, or read png file vi followed by the draw flattened pixmap vi. The image display control is a labview front panel control that allows the user to display the imaq image data type. You would look for two clicks in the same location. This example explains how to. Labview Multiple Images.