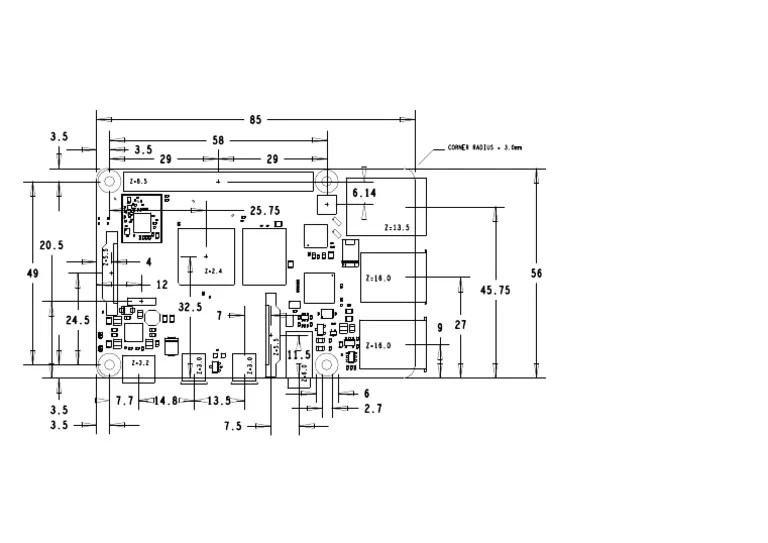
Raspberry Mechanical Drawing . See the mechanical drawings and the. This limit is automatically increased to a. The total power drawn from the four usb ports on the raspberry pi 5 is limited by default to a nominal 600ma,; Find the dimensions and positions of major components for all models of the raspberry pi, including the pi 3, pi 2, pi zero, pi zero w, b+ and. Zero 2 mechanical drawing author: Mechanical drawings for the raspberry pi 3 model a+ are also applicable to the raspberry pi 1 model a+. All dimensions in mm 3.5 30 3.5 3.5 3.5 23 29 65 12.4 41.4 54.
from www.raspberrypi-spy.co.uk
Zero 2 mechanical drawing author: Find the dimensions and positions of major components for all models of the raspberry pi, including the pi 3, pi 2, pi zero, pi zero w, b+ and. See the mechanical drawings and the. The total power drawn from the four usb ports on the raspberry pi 5 is limited by default to a nominal 600ma,; This limit is automatically increased to a. All dimensions in mm 3.5 30 3.5 3.5 3.5 23 29 65 12.4 41.4 54. Mechanical drawings for the raspberry pi 3 model a+ are also applicable to the raspberry pi 1 model a+.
Raspberry Pi Mechanical Drawings & Dimensions Raspberry Pi Spy
Raspberry Mechanical Drawing Find the dimensions and positions of major components for all models of the raspberry pi, including the pi 3, pi 2, pi zero, pi zero w, b+ and. This limit is automatically increased to a. Zero 2 mechanical drawing author: See the mechanical drawings and the. Mechanical drawings for the raspberry pi 3 model a+ are also applicable to the raspberry pi 1 model a+. Find the dimensions and positions of major components for all models of the raspberry pi, including the pi 3, pi 2, pi zero, pi zero w, b+ and. All dimensions in mm 3.5 30 3.5 3.5 3.5 23 29 65 12.4 41.4 54. The total power drawn from the four usb ports on the raspberry pi 5 is limited by default to a nominal 600ma,;
From raspiworld.com
All Raspberry Pi Products Dimension Drawings Raspberry Mechanical Drawing Mechanical drawings for the raspberry pi 3 model a+ are also applicable to the raspberry pi 1 model a+. The total power drawn from the four usb ports on the raspberry pi 5 is limited by default to a nominal 600ma,; All dimensions in mm 3.5 30 3.5 3.5 3.5 23 29 65 12.4 41.4 54. Zero 2 mechanical drawing. Raspberry Mechanical Drawing.
From raspiworld.com
All Raspberry Pi Products Dimension Drawings Raspberry Mechanical Drawing The total power drawn from the four usb ports on the raspberry pi 5 is limited by default to a nominal 600ma,; Zero 2 mechanical drawing author: Mechanical drawings for the raspberry pi 3 model a+ are also applicable to the raspberry pi 1 model a+. All dimensions in mm 3.5 30 3.5 3.5 3.5 23 29 65 12.4 41.4. Raspberry Mechanical Drawing.
From paintingvalley.com
Raspberry Pi Drawing at Explore collection of Raspberry Mechanical Drawing All dimensions in mm 3.5 30 3.5 3.5 3.5 23 29 65 12.4 41.4 54. See the mechanical drawings and the. The total power drawn from the four usb ports on the raspberry pi 5 is limited by default to a nominal 600ma,; Find the dimensions and positions of major components for all models of the raspberry pi, including the. Raspberry Mechanical Drawing.
From paintingvalley.com
Raspberry Pi Drawing at Explore collection of Raspberry Mechanical Drawing The total power drawn from the four usb ports on the raspberry pi 5 is limited by default to a nominal 600ma,; Find the dimensions and positions of major components for all models of the raspberry pi, including the pi 3, pi 2, pi zero, pi zero w, b+ and. See the mechanical drawings and the. Zero 2 mechanical drawing. Raspberry Mechanical Drawing.
From www.victoriana.com
Hausarbeit Administrator Schmelzen raspberry pi 3 mechanical drawing Raspberry Mechanical Drawing The total power drawn from the four usb ports on the raspberry pi 5 is limited by default to a nominal 600ma,; Zero 2 mechanical drawing author: Find the dimensions and positions of major components for all models of the raspberry pi, including the pi 3, pi 2, pi zero, pi zero w, b+ and. See the mechanical drawings and. Raspberry Mechanical Drawing.
From mintwithraspberry.blogspot.com
Raspberry Pi 3 Case Blueprint Raspberry Raspberry Mechanical Drawing The total power drawn from the four usb ports on the raspberry pi 5 is limited by default to a nominal 600ma,; Mechanical drawings for the raspberry pi 3 model a+ are also applicable to the raspberry pi 1 model a+. See the mechanical drawings and the. All dimensions in mm 3.5 30 3.5 3.5 3.5 23 29 65 12.4. Raspberry Mechanical Drawing.
From ras-pi.de
Neues Raspberry Pi Modell Raspberry Pi B+ RasPi Raspberry Mechanical Drawing All dimensions in mm 3.5 30 3.5 3.5 3.5 23 29 65 12.4 41.4 54. Mechanical drawings for the raspberry pi 3 model a+ are also applicable to the raspberry pi 1 model a+. The total power drawn from the four usb ports on the raspberry pi 5 is limited by default to a nominal 600ma,; See the mechanical drawings. Raspberry Mechanical Drawing.
From getdrawings.com
Raspberry Pi Drawing at GetDrawings Free download Raspberry Mechanical Drawing Find the dimensions and positions of major components for all models of the raspberry pi, including the pi 3, pi 2, pi zero, pi zero w, b+ and. All dimensions in mm 3.5 30 3.5 3.5 3.5 23 29 65 12.4 41.4 54. See the mechanical drawings and the. Zero 2 mechanical drawing author: Mechanical drawings for the raspberry pi. Raspberry Mechanical Drawing.
From grabcad.com
Raspberry Pi 3 Model B Reference Design Solidworks CAD RaspberryPi Raspberry Mechanical Drawing All dimensions in mm 3.5 30 3.5 3.5 3.5 23 29 65 12.4 41.4 54. See the mechanical drawings and the. Find the dimensions and positions of major components for all models of the raspberry pi, including the pi 3, pi 2, pi zero, pi zero w, b+ and. Zero 2 mechanical drawing author: This limit is automatically increased to. Raspberry Mechanical Drawing.
From www.freepik.com
Premium Vector Hand drawn vector raspberry doodle of colorful raspberries Raspberry Mechanical Drawing This limit is automatically increased to a. Mechanical drawings for the raspberry pi 3 model a+ are also applicable to the raspberry pi 1 model a+. All dimensions in mm 3.5 30 3.5 3.5 3.5 23 29 65 12.4 41.4 54. Find the dimensions and positions of major components for all models of the raspberry pi, including the pi 3,. Raspberry Mechanical Drawing.
From www.mouser.it
Raspberry Pi Compute Module 4 IO Board Seeed Studio Mouser Raspberry Mechanical Drawing The total power drawn from the four usb ports on the raspberry pi 5 is limited by default to a nominal 600ma,; All dimensions in mm 3.5 30 3.5 3.5 3.5 23 29 65 12.4 41.4 54. See the mechanical drawings and the. This limit is automatically increased to a. Find the dimensions and positions of major components for all. Raspberry Mechanical Drawing.
From howtodrawforkids.com
How to Draw a Raspberry Easy Drawing Tutorial For Kids Raspberry Mechanical Drawing Mechanical drawings for the raspberry pi 3 model a+ are also applicable to the raspberry pi 1 model a+. Zero 2 mechanical drawing author: Find the dimensions and positions of major components for all models of the raspberry pi, including the pi 3, pi 2, pi zero, pi zero w, b+ and. This limit is automatically increased to a. See. Raspberry Mechanical Drawing.
From www.raspberrypi-spy.co.uk
Raspberry Pi Mechanical Drawings & Dimensions Raspberry Pi Spy Raspberry Mechanical Drawing The total power drawn from the four usb ports on the raspberry pi 5 is limited by default to a nominal 600ma,; All dimensions in mm 3.5 30 3.5 3.5 3.5 23 29 65 12.4 41.4 54. Zero 2 mechanical drawing author: See the mechanical drawings and the. Find the dimensions and positions of major components for all models of. Raspberry Mechanical Drawing.
From www.scribd.com
Raspberry Pi 4 Mechanical Drawing PDF Raspberry Mechanical Drawing This limit is automatically increased to a. Mechanical drawings for the raspberry pi 3 model a+ are also applicable to the raspberry pi 1 model a+. The total power drawn from the four usb ports on the raspberry pi 5 is limited by default to a nominal 600ma,; Zero 2 mechanical drawing author: All dimensions in mm 3.5 30 3.5. Raspberry Mechanical Drawing.
From www.raspberrypi-spy.co.uk
Raspberry Pi Mechanical Drawings & Dimensions Raspberry Pi Spy Raspberry Mechanical Drawing Find the dimensions and positions of major components for all models of the raspberry pi, including the pi 3, pi 2, pi zero, pi zero w, b+ and. All dimensions in mm 3.5 30 3.5 3.5 3.5 23 29 65 12.4 41.4 54. The total power drawn from the four usb ports on the raspberry pi 5 is limited by. Raspberry Mechanical Drawing.
From rlx.sk
Serial Pi Zero (AB Electronics UK) Control the Raspberry Pi Zero over Raspberry Mechanical Drawing All dimensions in mm 3.5 30 3.5 3.5 3.5 23 29 65 12.4 41.4 54. Zero 2 mechanical drawing author: Mechanical drawings for the raspberry pi 3 model a+ are also applicable to the raspberry pi 1 model a+. See the mechanical drawings and the. The total power drawn from the four usb ports on the raspberry pi 5 is. Raspberry Mechanical Drawing.
From www.labelektronika.com
MENGENAL SINGLE BOARD MINI KOMPUTER RASPBERRY PI 4 MODEL B LAB Raspberry Mechanical Drawing The total power drawn from the four usb ports on the raspberry pi 5 is limited by default to a nominal 600ma,; Find the dimensions and positions of major components for all models of the raspberry pi, including the pi 3, pi 2, pi zero, pi zero w, b+ and. Zero 2 mechanical drawing author: See the mechanical drawings and. Raspberry Mechanical Drawing.
From www.reddit.com
Raspberry Pi 5 Mechanical Drawings anyone? r/raspberry_pi Raspberry Mechanical Drawing All dimensions in mm 3.5 30 3.5 3.5 3.5 23 29 65 12.4 41.4 54. Mechanical drawings for the raspberry pi 3 model a+ are also applicable to the raspberry pi 1 model a+. Zero 2 mechanical drawing author: This limit is automatically increased to a. Find the dimensions and positions of major components for all models of the raspberry. Raspberry Mechanical Drawing.
From raspiworld.com
All Raspberry Pi Products Dimension Drawings Raspberry Mechanical Drawing All dimensions in mm 3.5 30 3.5 3.5 3.5 23 29 65 12.4 41.4 54. Mechanical drawings for the raspberry pi 3 model a+ are also applicable to the raspberry pi 1 model a+. The total power drawn from the four usb ports on the raspberry pi 5 is limited by default to a nominal 600ma,; This limit is automatically. Raspberry Mechanical Drawing.
From paintingvalley.com
Raspberry Pi Drawing at Explore collection of Raspberry Mechanical Drawing See the mechanical drawings and the. All dimensions in mm 3.5 30 3.5 3.5 3.5 23 29 65 12.4 41.4 54. Zero 2 mechanical drawing author: The total power drawn from the four usb ports on the raspberry pi 5 is limited by default to a nominal 600ma,; Find the dimensions and positions of major components for all models of. Raspberry Mechanical Drawing.
From www.raspberrylovers.com
Raspberry Pi 3 Dimensions Mm Raspberry Raspberry Mechanical Drawing This limit is automatically increased to a. Mechanical drawings for the raspberry pi 3 model a+ are also applicable to the raspberry pi 1 model a+. The total power drawn from the four usb ports on the raspberry pi 5 is limited by default to a nominal 600ma,; All dimensions in mm 3.5 30 3.5 3.5 3.5 23 29 65. Raspberry Mechanical Drawing.
From www.myxxgirl.com
Raspberry Pi 4 Mechanical Drawing My XXX Hot Girl Raspberry Mechanical Drawing The total power drawn from the four usb ports on the raspberry pi 5 is limited by default to a nominal 600ma,; Find the dimensions and positions of major components for all models of the raspberry pi, including the pi 3, pi 2, pi zero, pi zero w, b+ and. All dimensions in mm 3.5 30 3.5 3.5 3.5 23. Raspberry Mechanical Drawing.
From core-electronics.com.au
How to 3D Print Your Own Raspberry Pi 3 Model A+ Case Tutorial Australia Raspberry Mechanical Drawing Find the dimensions and positions of major components for all models of the raspberry pi, including the pi 3, pi 2, pi zero, pi zero w, b+ and. All dimensions in mm 3.5 30 3.5 3.5 3.5 23 29 65 12.4 41.4 54. Mechanical drawings for the raspberry pi 3 model a+ are also applicable to the raspberry pi 1. Raspberry Mechanical Drawing.
From www.animalia-life.club
Raspberry Drawing Raspberry Mechanical Drawing Find the dimensions and positions of major components for all models of the raspberry pi, including the pi 3, pi 2, pi zero, pi zero w, b+ and. See the mechanical drawings and the. All dimensions in mm 3.5 30 3.5 3.5 3.5 23 29 65 12.4 41.4 54. The total power drawn from the four usb ports on the. Raspberry Mechanical Drawing.
From www.raspberrypi-spy.co.uk
Raspberry Pi Mechanical Drawings & Dimensions Raspberry Pi Spy Raspberry Mechanical Drawing This limit is automatically increased to a. The total power drawn from the four usb ports on the raspberry pi 5 is limited by default to a nominal 600ma,; See the mechanical drawings and the. Find the dimensions and positions of major components for all models of the raspberry pi, including the pi 3, pi 2, pi zero, pi zero. Raspberry Mechanical Drawing.
From community.element14.com
Raspberry Pi 5 Technical Specifications and Mechanical Drawings Raspberry Mechanical Drawing Mechanical drawings for the raspberry pi 3 model a+ are also applicable to the raspberry pi 1 model a+. Find the dimensions and positions of major components for all models of the raspberry pi, including the pi 3, pi 2, pi zero, pi zero w, b+ and. The total power drawn from the four usb ports on the raspberry pi. Raspberry Mechanical Drawing.
From www.raspberrypi-spy.co.uk
Raspberry Pi Mechanical Drawings & Dimensions Raspberry Pi Spy Raspberry Mechanical Drawing Mechanical drawings for the raspberry pi 3 model a+ are also applicable to the raspberry pi 1 model a+. See the mechanical drawings and the. All dimensions in mm 3.5 30 3.5 3.5 3.5 23 29 65 12.4 41.4 54. Zero 2 mechanical drawing author: The total power drawn from the four usb ports on the raspberry pi 5 is. Raspberry Mechanical Drawing.
From www.waveshare.com
Raspberry Pi High Quality Camera, 12.3MP IMX477 Sensor, High Raspberry Mechanical Drawing All dimensions in mm 3.5 30 3.5 3.5 3.5 23 29 65 12.4 41.4 54. Find the dimensions and positions of major components for all models of the raspberry pi, including the pi 3, pi 2, pi zero, pi zero w, b+ and. See the mechanical drawings and the. This limit is automatically increased to a. Mechanical drawings for the. Raspberry Mechanical Drawing.
From www.raspberrypi-spy.co.uk
Raspberry Pi Mechanical Drawings & Dimensions Raspberry Pi Spy Raspberry Mechanical Drawing Mechanical drawings for the raspberry pi 3 model a+ are also applicable to the raspberry pi 1 model a+. Zero 2 mechanical drawing author: All dimensions in mm 3.5 30 3.5 3.5 3.5 23 29 65 12.4 41.4 54. The total power drawn from the four usb ports on the raspberry pi 5 is limited by default to a nominal. Raspberry Mechanical Drawing.
From raspiworld.com
All Raspberry Pi Products Dimension Drawings Raspberry Mechanical Drawing Zero 2 mechanical drawing author: Mechanical drawings for the raspberry pi 3 model a+ are also applicable to the raspberry pi 1 model a+. The total power drawn from the four usb ports on the raspberry pi 5 is limited by default to a nominal 600ma,; All dimensions in mm 3.5 30 3.5 3.5 3.5 23 29 65 12.4 41.4. Raspberry Mechanical Drawing.
From www.freepik.com
Premium Vector Cute kawaii raspberry illustration sweet berry art Raspberry Mechanical Drawing Zero 2 mechanical drawing author: Mechanical drawings for the raspberry pi 3 model a+ are also applicable to the raspberry pi 1 model a+. All dimensions in mm 3.5 30 3.5 3.5 3.5 23 29 65 12.4 41.4 54. This limit is automatically increased to a. See the mechanical drawings and the. Find the dimensions and positions of major components. Raspberry Mechanical Drawing.
From getdrawings.com
Raspberry Pi Drawing at GetDrawings Free download Raspberry Mechanical Drawing Find the dimensions and positions of major components for all models of the raspberry pi, including the pi 3, pi 2, pi zero, pi zero w, b+ and. The total power drawn from the four usb ports on the raspberry pi 5 is limited by default to a nominal 600ma,; All dimensions in mm 3.5 30 3.5 3.5 3.5 23. Raspberry Mechanical Drawing.
From www.raspberrypi-spy.co.uk
Raspberry Pi Mechanical Drawings & Dimensions Raspberry Pi Spy Raspberry Mechanical Drawing Mechanical drawings for the raspberry pi 3 model a+ are also applicable to the raspberry pi 1 model a+. The total power drawn from the four usb ports on the raspberry pi 5 is limited by default to a nominal 600ma,; This limit is automatically increased to a. All dimensions in mm 3.5 30 3.5 3.5 3.5 23 29 65. Raspberry Mechanical Drawing.
From www.victoriana.com
Hausarbeit Administrator Schmelzen raspberry pi 3 mechanical drawing Raspberry Mechanical Drawing See the mechanical drawings and the. All dimensions in mm 3.5 30 3.5 3.5 3.5 23 29 65 12.4 41.4 54. Zero 2 mechanical drawing author: The total power drawn from the four usb ports on the raspberry pi 5 is limited by default to a nominal 600ma,; This limit is automatically increased to a. Find the dimensions and positions. Raspberry Mechanical Drawing.
From lineartdrawingstattoomen.blogspot.com
raspberry pi 3 technical drawing lineartdrawingstattoomen Raspberry Mechanical Drawing Mechanical drawings for the raspberry pi 3 model a+ are also applicable to the raspberry pi 1 model a+. This limit is automatically increased to a. All dimensions in mm 3.5 30 3.5 3.5 3.5 23 29 65 12.4 41.4 54. Find the dimensions and positions of major components for all models of the raspberry pi, including the pi 3,. Raspberry Mechanical Drawing.