Ca18Det Injector Resistor . Efi says that i just have to remove this resistor pack to. I'm swapping a ca into my 93 coupe and one of the. Post by red93coupe » wed mar 28, 2007 1:55 pm. Oem for ca18 are low impedance injectors + the standard resistor pack. For your reference, on my own ca18 with gtr35 factory 550cc injectors. Replacement ca18 injector resistor connector. Discuss topics related to the ca18de and ca18det series engines. 4 bar fuel pressure while engine off (atmospheric. This engine comes stock with a dropping resistor that comes between the injectors and the 12v supply. Wiring in injector resistor, on a ca18det.
from www.youtube.com
I'm swapping a ca into my 93 coupe and one of the. Replacement ca18 injector resistor connector. Discuss topics related to the ca18de and ca18det series engines. Post by red93coupe » wed mar 28, 2007 1:55 pm. Wiring in injector resistor, on a ca18det. Efi says that i just have to remove this resistor pack to. For your reference, on my own ca18 with gtr35 factory 550cc injectors. Oem for ca18 are low impedance injectors + the standard resistor pack. 4 bar fuel pressure while engine off (atmospheric. This engine comes stock with a dropping resistor that comes between the injectors and the 12v supply.
*Stage 3* Injectors 4 x 444cc S13 CA18det Silvia KA24DE KA24E 240sx
Ca18Det Injector Resistor Post by red93coupe » wed mar 28, 2007 1:55 pm. I'm swapping a ca into my 93 coupe and one of the. Replacement ca18 injector resistor connector. For your reference, on my own ca18 with gtr35 factory 550cc injectors. Oem for ca18 are low impedance injectors + the standard resistor pack. 4 bar fuel pressure while engine off (atmospheric. Wiring in injector resistor, on a ca18det. Efi says that i just have to remove this resistor pack to. Post by red93coupe » wed mar 28, 2007 1:55 pm. This engine comes stock with a dropping resistor that comes between the injectors and the 12v supply. Discuss topics related to the ca18de and ca18det series engines.
From parts.glendalenissan1.com
2269805U10 Nissan Injector Resistor Pack. Electrical Glendale Ca18Det Injector Resistor For your reference, on my own ca18 with gtr35 factory 550cc injectors. This engine comes stock with a dropping resistor that comes between the injectors and the 12v supply. Replacement ca18 injector resistor connector. Oem for ca18 are low impedance injectors + the standard resistor pack. I'm swapping a ca into my 93 coupe and one of the. Discuss topics. Ca18Det Injector Resistor.
From www.brisbanefuelinjection.com.au
Nissan Ca18det Injectors Brisbane Fuel Injection Services Ca18Det Injector Resistor I'm swapping a ca into my 93 coupe and one of the. Post by red93coupe » wed mar 28, 2007 1:55 pm. Replacement ca18 injector resistor connector. For your reference, on my own ca18 with gtr35 factory 550cc injectors. Efi says that i just have to remove this resistor pack to. This engine comes stock with a dropping resistor that. Ca18Det Injector Resistor.
From www.autozone.com
Repair Guides Fuel Injection System Injector Resistor Ca18Det Injector Resistor Post by red93coupe » wed mar 28, 2007 1:55 pm. Wiring in injector resistor, on a ca18det. Efi says that i just have to remove this resistor pack to. Replacement ca18 injector resistor connector. This engine comes stock with a dropping resistor that comes between the injectors and the 12v supply. I'm swapping a ca into my 93 coupe and. Ca18Det Injector Resistor.
From forums.nicoclub.com
dropping resistor where abouts?> Nissan Forum Nissan Forums Ca18Det Injector Resistor This engine comes stock with a dropping resistor that comes between the injectors and the 12v supply. Post by red93coupe » wed mar 28, 2007 1:55 pm. Replacement ca18 injector resistor connector. Efi says that i just have to remove this resistor pack to. For your reference, on my own ca18 with gtr35 factory 550cc injectors. Discuss topics related to. Ca18Det Injector Resistor.
From www.sxoc.com
JECS A15000G01 help! Ca18Det Injector Resistor For your reference, on my own ca18 with gtr35 factory 550cc injectors. Oem for ca18 are low impedance injectors + the standard resistor pack. I'm swapping a ca into my 93 coupe and one of the. Post by red93coupe » wed mar 28, 2007 1:55 pm. Replacement ca18 injector resistor connector. 4 bar fuel pressure while engine off (atmospheric. This. Ca18Det Injector Resistor.
From www.driftworks.com
CA18DET parts/gearbox/444 injectors for sale Driftworks Forum Ca18Det Injector Resistor Post by red93coupe » wed mar 28, 2007 1:55 pm. This engine comes stock with a dropping resistor that comes between the injectors and the 12v supply. For your reference, on my own ca18 with gtr35 factory 550cc injectors. I'm swapping a ca into my 93 coupe and one of the. 4 bar fuel pressure while engine off (atmospheric. Replacement. Ca18Det Injector Resistor.
From www.youtube.com
*Stage 3* Injectors 4 x 444cc S13 CA18det Silvia KA24DE KA24E 240sx Ca18Det Injector Resistor This engine comes stock with a dropping resistor that comes between the injectors and the 12v supply. I'm swapping a ca into my 93 coupe and one of the. Post by red93coupe » wed mar 28, 2007 1:55 pm. Discuss topics related to the ca18de and ca18det series engines. Efi says that i just have to remove this resistor pack. Ca18Det Injector Resistor.
From www.nzefi.com
NZEFI R32R34 Skyline GTR Injector Resistor Delete NZEFI Ca18Det Injector Resistor Replacement ca18 injector resistor connector. Discuss topics related to the ca18de and ca18det series engines. I'm swapping a ca into my 93 coupe and one of the. This engine comes stock with a dropping resistor that comes between the injectors and the 12v supply. Efi says that i just have to remove this resistor pack to. Oem for ca18 are. Ca18Det Injector Resistor.
From www.msextra.com
Megasquirt Support Forum (MSEXTRA) • nissan ca18det help with Ca18Det Injector Resistor Discuss topics related to the ca18de and ca18det series engines. I'm swapping a ca into my 93 coupe and one of the. Wiring in injector resistor, on a ca18det. For your reference, on my own ca18 with gtr35 factory 550cc injectors. Efi says that i just have to remove this resistor pack to. Post by red93coupe » wed mar 28,. Ca18Det Injector Resistor.
From forums.nicoclub.com
CA18DET Injectors Nissan Forum Nissan Forums Ca18Det Injector Resistor Discuss topics related to the ca18de and ca18det series engines. 4 bar fuel pressure while engine off (atmospheric. Oem for ca18 are low impedance injectors + the standard resistor pack. For your reference, on my own ca18 with gtr35 factory 550cc injectors. Post by red93coupe » wed mar 28, 2007 1:55 pm. Replacement ca18 injector resistor connector. Efi says that. Ca18Det Injector Resistor.
From www.cleaninjection.com
Nissan CA18DET GTiR Pulsar S13 CA18 RNN14 BOSCH 1000cc ev14 Fuel Ca18Det Injector Resistor Post by red93coupe » wed mar 28, 2007 1:55 pm. For your reference, on my own ca18 with gtr35 factory 550cc injectors. Discuss topics related to the ca18de and ca18det series engines. Wiring in injector resistor, on a ca18det. Efi says that i just have to remove this resistor pack to. Oem for ca18 are low impedance injectors + the. Ca18Det Injector Resistor.
From www.nzefi.com
Nissan CA18DET and SR20DET (GTiR only) 1000cc/min Direct Fit Fuel Ca18Det Injector Resistor 4 bar fuel pressure while engine off (atmospheric. Post by red93coupe » wed mar 28, 2007 1:55 pm. Wiring in injector resistor, on a ca18det. For your reference, on my own ca18 with gtr35 factory 550cc injectors. I'm swapping a ca into my 93 coupe and one of the. Replacement ca18 injector resistor connector. Oem for ca18 are low impedance. Ca18Det Injector Resistor.
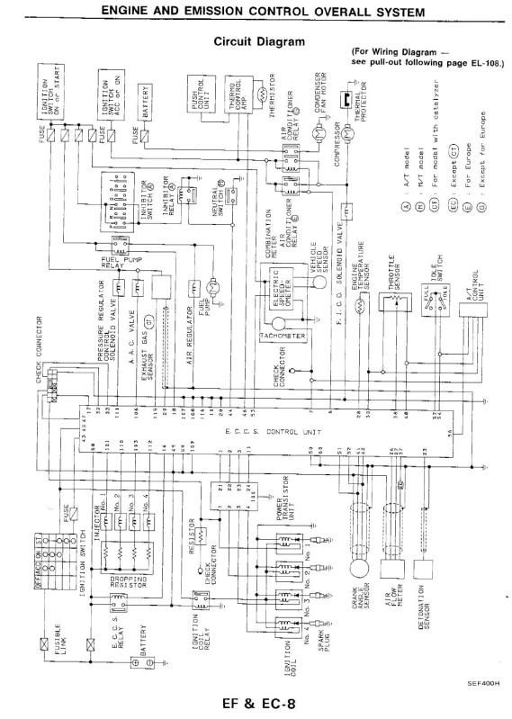
From www.diagramcircuit.com
Ca18det Engine Wiring Diagram Diagram Circuit Ca18Det Injector Resistor Efi says that i just have to remove this resistor pack to. For your reference, on my own ca18 with gtr35 factory 550cc injectors. Discuss topics related to the ca18de and ca18det series engines. Replacement ca18 injector resistor connector. I'm swapping a ca into my 93 coupe and one of the. Oem for ca18 are low impedance injectors + the. Ca18Det Injector Resistor.
From www.driftworks.com
For Sale Ca18det engine and parts Driftworks Forum Ca18Det Injector Resistor This engine comes stock with a dropping resistor that comes between the injectors and the 12v supply. I'm swapping a ca into my 93 coupe and one of the. 4 bar fuel pressure while engine off (atmospheric. Wiring in injector resistor, on a ca18det. Discuss topics related to the ca18de and ca18det series engines. Replacement ca18 injector resistor connector. Post. Ca18Det Injector Resistor.
From www.kennovation-services.com
JECS A15000008 DROPPING RESISTORS VINTAGE 19751983 DATSUN 280ZX NEW Ca18Det Injector Resistor Efi says that i just have to remove this resistor pack to. Discuss topics related to the ca18de and ca18det series engines. This engine comes stock with a dropping resistor that comes between the injectors and the 12v supply. Oem for ca18 are low impedance injectors + the standard resistor pack. Wiring in injector resistor, on a ca18det. For your. Ca18Det Injector Resistor.
From www.efisolutions.com.au
Genuine Nissan Fuel Injector (CA18DET) "S13, 180sx, U12" Silvia Ca18Det Injector Resistor Oem for ca18 are low impedance injectors + the standard resistor pack. Efi says that i just have to remove this resistor pack to. 4 bar fuel pressure while engine off (atmospheric. I'm swapping a ca into my 93 coupe and one of the. Replacement ca18 injector resistor connector. Wiring in injector resistor, on a ca18det. For your reference, on. Ca18Det Injector Resistor.
From datsun1200.com
ID1000 VS stock CA18DET injector Datsun 1200 Club Ca18Det Injector Resistor Efi says that i just have to remove this resistor pack to. Wiring in injector resistor, on a ca18det. Post by red93coupe » wed mar 28, 2007 1:55 pm. Oem for ca18 are low impedance injectors + the standard resistor pack. This engine comes stock with a dropping resistor that comes between the injectors and the 12v supply. Discuss topics. Ca18Det Injector Resistor.
From www.wiringspecialties.com
CA18 injector resistor connector Wiring Specialties Ca18Det Injector Resistor I'm swapping a ca into my 93 coupe and one of the. Replacement ca18 injector resistor connector. This engine comes stock with a dropping resistor that comes between the injectors and the 12v supply. Oem for ca18 are low impedance injectors + the standard resistor pack. Discuss topics related to the ca18de and ca18det series engines. Efi says that i. Ca18Det Injector Resistor.
From www.youtube.com
Ca18det Fuel Injector Replacement YouTube Ca18Det Injector Resistor Wiring in injector resistor, on a ca18det. This engine comes stock with a dropping resistor that comes between the injectors and the 12v supply. I'm swapping a ca into my 93 coupe and one of the. Replacement ca18 injector resistor connector. Efi says that i just have to remove this resistor pack to. Post by red93coupe » wed mar 28,. Ca18Det Injector Resistor.
From www.driftworks.com
Wanted Needed ASAP S13 CA18DET Injector Resistor Pack Driftworks Forum Ca18Det Injector Resistor Efi says that i just have to remove this resistor pack to. Wiring in injector resistor, on a ca18det. Oem for ca18 are low impedance injectors + the standard resistor pack. I'm swapping a ca into my 93 coupe and one of the. Post by red93coupe » wed mar 28, 2007 1:55 pm. Replacement ca18 injector resistor connector. Discuss topics. Ca18Det Injector Resistor.
From www.youtube.com
s13 CA18DET INJECTOR CLEANING Project RATTRAP PART 3 YouTube Ca18Det Injector Resistor This engine comes stock with a dropping resistor that comes between the injectors and the 12v supply. Post by red93coupe » wed mar 28, 2007 1:55 pm. Wiring in injector resistor, on a ca18det. Replacement ca18 injector resistor connector. Discuss topics related to the ca18de and ca18det series engines. Oem for ca18 are low impedance injectors + the standard resistor. Ca18Det Injector Resistor.
From www.efisolutions.com.au
Genuine Bosch 980cc / 1100cc Fuel Injector Kit x4 (CA18) "S13, 180sx Ca18Det Injector Resistor Post by red93coupe » wed mar 28, 2007 1:55 pm. Wiring in injector resistor, on a ca18det. Discuss topics related to the ca18de and ca18det series engines. 4 bar fuel pressure while engine off (atmospheric. For your reference, on my own ca18 with gtr35 factory 550cc injectors. Oem for ca18 are low impedance injectors + the standard resistor pack. This. Ca18Det Injector Resistor.
From zilvia.net
CA WTS/WTT CA18DET 1000cc injector dynamics!!! X n60 MAF Ca18Det Injector Resistor Oem for ca18 are low impedance injectors + the standard resistor pack. Post by red93coupe » wed mar 28, 2007 1:55 pm. This engine comes stock with a dropping resistor that comes between the injectors and the 12v supply. Wiring in injector resistor, on a ca18det. 4 bar fuel pressure while engine off (atmospheric. For your reference, on my own. Ca18Det Injector Resistor.
From carpartsfaq.com
How to Bypass Fuel Injectors Ca18Det Injector Resistor 4 bar fuel pressure while engine off (atmospheric. Efi says that i just have to remove this resistor pack to. Replacement ca18 injector resistor connector. Post by red93coupe » wed mar 28, 2007 1:55 pm. For your reference, on my own ca18 with gtr35 factory 550cc injectors. This engine comes stock with a dropping resistor that comes between the injectors. Ca18Det Injector Resistor.
From www.youtube.com
NISMO injectors 4x 444cc GTR R32 RB26DETT CA18DET YouTube Ca18Det Injector Resistor This engine comes stock with a dropping resistor that comes between the injectors and the 12v supply. For your reference, on my own ca18 with gtr35 factory 550cc injectors. Efi says that i just have to remove this resistor pack to. Discuss topics related to the ca18de and ca18det series engines. Replacement ca18 injector resistor connector. 4 bar fuel pressure. Ca18Det Injector Resistor.
From www.evolutionm.net
How to bypass the injector resistor box Ca18Det Injector Resistor This engine comes stock with a dropping resistor that comes between the injectors and the 12v supply. 4 bar fuel pressure while engine off (atmospheric. I'm swapping a ca into my 93 coupe and one of the. Discuss topics related to the ca18de and ca18det series engines. Oem for ca18 are low impedance injectors + the standard resistor pack. Efi. Ca18Det Injector Resistor.
From www.carousell.com.my
Honda H22a Injector resistor box, Auto Accessories on Carousell Ca18Det Injector Resistor Wiring in injector resistor, on a ca18det. Oem for ca18 are low impedance injectors + the standard resistor pack. Discuss topics related to the ca18de and ca18det series engines. I'm swapping a ca into my 93 coupe and one of the. 4 bar fuel pressure while engine off (atmospheric. Replacement ca18 injector resistor connector. For your reference, on my own. Ca18Det Injector Resistor.
From www.efisolutions.com.au
Genuine Bosch 980cc / 1100cc Fuel Injector Kit x4 (CA18) "S13, 180sx Ca18Det Injector Resistor I'm swapping a ca into my 93 coupe and one of the. Wiring in injector resistor, on a ca18det. This engine comes stock with a dropping resistor that comes between the injectors and the 12v supply. Post by red93coupe » wed mar 28, 2007 1:55 pm. 4 bar fuel pressure while engine off (atmospheric. Efi says that i just have. Ca18Det Injector Resistor.
From www.wiringspecialties.com
CA18 Injector connector Wiring Specialties Ca18Det Injector Resistor I'm swapping a ca into my 93 coupe and one of the. Post by red93coupe » wed mar 28, 2007 1:55 pm. 4 bar fuel pressure while engine off (atmospheric. Oem for ca18 are low impedance injectors + the standard resistor pack. This engine comes stock with a dropping resistor that comes between the injectors and the 12v supply. Wiring. Ca18Det Injector Resistor.
From www.jdmgarageuk.com
Genuine Nissan OEM Injector Seal Kit For Silvia S13 200SX CA18DET Ca18Det Injector Resistor Efi says that i just have to remove this resistor pack to. This engine comes stock with a dropping resistor that comes between the injectors and the 12v supply. Oem for ca18 are low impedance injectors + the standard resistor pack. Post by red93coupe » wed mar 28, 2007 1:55 pm. For your reference, on my own ca18 with gtr35. Ca18Det Injector Resistor.
From www.eng-tips.com
Splitting the output from one knock sensor into two for the ECU Ca18Det Injector Resistor Oem for ca18 are low impedance injectors + the standard resistor pack. Discuss topics related to the ca18de and ca18det series engines. 4 bar fuel pressure while engine off (atmospheric. This engine comes stock with a dropping resistor that comes between the injectors and the 12v supply. I'm swapping a ca into my 93 coupe and one of the. Efi. Ca18Det Injector Resistor.
From www.cb7tuner.com
ENG DSM Injector Install CB7Tuner Forums Ca18Det Injector Resistor I'm swapping a ca into my 93 coupe and one of the. This engine comes stock with a dropping resistor that comes between the injectors and the 12v supply. Oem for ca18 are low impedance injectors + the standard resistor pack. Post by red93coupe » wed mar 28, 2007 1:55 pm. For your reference, on my own ca18 with gtr35. Ca18Det Injector Resistor.
From www.nzefi.com
NZEFI GTiR Pulsar and S13 CA18 Injector Resistor Delete NZEFI Ca18Det Injector Resistor 4 bar fuel pressure while engine off (atmospheric. This engine comes stock with a dropping resistor that comes between the injectors and the 12v supply. I'm swapping a ca into my 93 coupe and one of the. Discuss topics related to the ca18de and ca18det series engines. Efi says that i just have to remove this resistor pack to. For. Ca18Det Injector Resistor.
From www.bonanza.com
HIPerformance Fuel Injector Fits Nissan CA18DET Pulsar GTiR (4)(900cc Ca18Det Injector Resistor 4 bar fuel pressure while engine off (atmospheric. Post by red93coupe » wed mar 28, 2007 1:55 pm. Oem for ca18 are low impedance injectors + the standard resistor pack. Discuss topics related to the ca18de and ca18det series engines. For your reference, on my own ca18 with gtr35 factory 550cc injectors. I'm swapping a ca into my 93 coupe. Ca18Det Injector Resistor.
From www.msextra.com
Megasquirt Support Forum (MSEXTRA) • Help thread for my CA18DET project Ca18Det Injector Resistor Post by red93coupe » wed mar 28, 2007 1:55 pm. Discuss topics related to the ca18de and ca18det series engines. Replacement ca18 injector resistor connector. Efi says that i just have to remove this resistor pack to. Oem for ca18 are low impedance injectors + the standard resistor pack. For your reference, on my own ca18 with gtr35 factory 550cc. Ca18Det Injector Resistor.