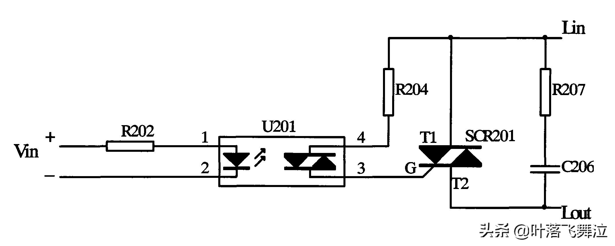
Solid State Relay Checking . This is the easiest and accurate way to check and troubleshoot an ssr (solid state relay). Testing a solid state relay (ssr) is an important process to ensure that it’s functioning correctly and safely in your electronic circuits. In the end, we'll explain different. Testing parameters such as response time, input & output characteristics, and others are common testing. This testing procedure will guide you through the steps needed to assess an ssr’s performance thoroughly. To test a solid state relay, follow figure. We'll show you the solid state wiring with a practical example. The relays should be open, switched to ol, and closed (0.2 , the internal resistance of the ohmmeter) when control power is applied.
from www.electricaltechnology.org
Testing a solid state relay (ssr) is an important process to ensure that it’s functioning correctly and safely in your electronic circuits. The relays should be open, switched to ol, and closed (0.2 , the internal resistance of the ohmmeter) when control power is applied. This is the easiest and accurate way to check and troubleshoot an ssr (solid state relay). We'll show you the solid state wiring with a practical example. This testing procedure will guide you through the steps needed to assess an ssr’s performance thoroughly. In the end, we'll explain different. Testing parameters such as response time, input & output characteristics, and others are common testing. To test a solid state relay, follow figure.
How to Test a Relay? Troubleshooting SSR & Coil Relays by DMM
Solid State Relay Checking This testing procedure will guide you through the steps needed to assess an ssr’s performance thoroughly. We'll show you the solid state wiring with a practical example. The relays should be open, switched to ol, and closed (0.2 , the internal resistance of the ohmmeter) when control power is applied. This testing procedure will guide you through the steps needed to assess an ssr’s performance thoroughly. This is the easiest and accurate way to check and troubleshoot an ssr (solid state relay). In the end, we'll explain different. To test a solid state relay, follow figure. Testing parameters such as response time, input & output characteristics, and others are common testing. Testing a solid state relay (ssr) is an important process to ensure that it’s functioning correctly and safely in your electronic circuits.
From iconic.com.bd
Relay Testing Iconic Engineering Limited Solid State Relay Checking This is the easiest and accurate way to check and troubleshoot an ssr (solid state relay). In the end, we'll explain different. The relays should be open, switched to ol, and closed (0.2 , the internal resistance of the ohmmeter) when control power is applied. We'll show you the solid state wiring with a practical example. To test a solid. Solid State Relay Checking.
From www.designworldonline.com
Solidstate relay characteristics and applications Solid State Relay Checking We'll show you the solid state wiring with a practical example. Testing parameters such as response time, input & output characteristics, and others are common testing. This testing procedure will guide you through the steps needed to assess an ssr’s performance thoroughly. In the end, we'll explain different. Testing a solid state relay (ssr) is an important process to ensure. Solid State Relay Checking.
From www.stechguide.com
Understanding The Key Advantages That Solid State Relays Provide Over Solid State Relay Checking In the end, we'll explain different. This testing procedure will guide you through the steps needed to assess an ssr’s performance thoroughly. This is the easiest and accurate way to check and troubleshoot an ssr (solid state relay). We'll show you the solid state wiring with a practical example. The relays should be open, switched to ol, and closed (0.2. Solid State Relay Checking.
From www.huimultd.com
An introduction to solid state relays (Get started to an expert Solid State Relay Checking We'll show you the solid state wiring with a practical example. Testing a solid state relay (ssr) is an important process to ensure that it’s functioning correctly and safely in your electronic circuits. In the end, we'll explain different. This testing procedure will guide you through the steps needed to assess an ssr’s performance thoroughly. This is the easiest and. Solid State Relay Checking.
From hadiakhmad7.blogspot.com
How To Test A Solid State Relay / Emc Compliant Low Noise Solid State Solid State Relay Checking Testing parameters such as response time, input & output characteristics, and others are common testing. We'll show you the solid state wiring with a practical example. To test a solid state relay, follow figure. In the end, we'll explain different. This is the easiest and accurate way to check and troubleshoot an ssr (solid state relay). This testing procedure will. Solid State Relay Checking.
From www.youtube.com
MECHANICAL relay V.S. SOLIDSTATE relay (clearly explained) YouTube Solid State Relay Checking In the end, we'll explain different. The relays should be open, switched to ol, and closed (0.2 , the internal resistance of the ohmmeter) when control power is applied. Testing a solid state relay (ssr) is an important process to ensure that it’s functioning correctly and safely in your electronic circuits. We'll show you the solid state wiring with a. Solid State Relay Checking.
From www.electricity-magnetism.org
¿Qué es un relevador de estado sólido? Solid State Relay Checking Testing parameters such as response time, input & output characteristics, and others are common testing. In the end, we'll explain different. This is the easiest and accurate way to check and troubleshoot an ssr (solid state relay). The relays should be open, switched to ol, and closed (0.2 , the internal resistance of the ohmmeter) when control power is applied.. Solid State Relay Checking.
From www.electricaltechnology.org
How to Test a Relay? Troubleshooting SSR & Coil Relays by DMM Solid State Relay Checking To test a solid state relay, follow figure. Testing parameters such as response time, input & output characteristics, and others are common testing. This is the easiest and accurate way to check and troubleshoot an ssr (solid state relay). The relays should be open, switched to ol, and closed (0.2 , the internal resistance of the ohmmeter) when control power. Solid State Relay Checking.
From www.electricity-magnetism.org
SolidState Relays How it works, Application & Advantages Solid State Relay Checking The relays should be open, switched to ol, and closed (0.2 , the internal resistance of the ohmmeter) when control power is applied. This is the easiest and accurate way to check and troubleshoot an ssr (solid state relay). This testing procedure will guide you through the steps needed to assess an ssr’s performance thoroughly. Testing parameters such as response. Solid State Relay Checking.
From control.com
Five Key Advantages of Solid State Relays Technical Articles Solid State Relay Checking The relays should be open, switched to ol, and closed (0.2 , the internal resistance of the ohmmeter) when control power is applied. To test a solid state relay, follow figure. This testing procedure will guide you through the steps needed to assess an ssr’s performance thoroughly. Testing a solid state relay (ssr) is an important process to ensure that. Solid State Relay Checking.
From www.huimultd.com
How to wire the solid state relay? HUIMU Electronics Solid State Relay Checking Testing parameters such as response time, input & output characteristics, and others are common testing. The relays should be open, switched to ol, and closed (0.2 , the internal resistance of the ohmmeter) when control power is applied. We'll show you the solid state wiring with a practical example. Testing a solid state relay (ssr) is an important process to. Solid State Relay Checking.
From inf.news
Characteristics and testing of solid state relays iNEWS Solid State Relay Checking We'll show you the solid state wiring with a practical example. Testing parameters such as response time, input & output characteristics, and others are common testing. Testing a solid state relay (ssr) is an important process to ensure that it’s functioning correctly and safely in your electronic circuits. To test a solid state relay, follow figure. This is the easiest. Solid State Relay Checking.
From toolsweek.com
How to Wire a Solid State Relay? Solid State Relay Checking This is the easiest and accurate way to check and troubleshoot an ssr (solid state relay). Testing parameters such as response time, input & output characteristics, and others are common testing. Testing a solid state relay (ssr) is an important process to ensure that it’s functioning correctly and safely in your electronic circuits. In the end, we'll explain different. This. Solid State Relay Checking.
From electricala2z.com
Solid State Relay Problems Electrical A2Z Solid State Relay Checking In the end, we'll explain different. The relays should be open, switched to ol, and closed (0.2 , the internal resistance of the ohmmeter) when control power is applied. This testing procedure will guide you through the steps needed to assess an ssr’s performance thoroughly. This is the easiest and accurate way to check and troubleshoot an ssr (solid state. Solid State Relay Checking.
From www.youtube.com
Solid state Relay working and wiring full details SSR vs Contactor Solid State Relay Checking We'll show you the solid state wiring with a practical example. Testing a solid state relay (ssr) is an important process to ensure that it’s functioning correctly and safely in your electronic circuits. In the end, we'll explain different. Testing parameters such as response time, input & output characteristics, and others are common testing. To test a solid state relay,. Solid State Relay Checking.
From inf.news
Characteristics and testing of solid state relays iNEWS Solid State Relay Checking Testing a solid state relay (ssr) is an important process to ensure that it’s functioning correctly and safely in your electronic circuits. This is the easiest and accurate way to check and troubleshoot an ssr (solid state relay). We'll show you the solid state wiring with a practical example. In the end, we'll explain different. To test a solid state. Solid State Relay Checking.
From www.circuits-diy.com
12 Volt DC Solid State Relay using BUZ71A Solid State Relay Checking In the end, we'll explain different. We'll show you the solid state wiring with a practical example. This testing procedure will guide you through the steps needed to assess an ssr’s performance thoroughly. The relays should be open, switched to ol, and closed (0.2 , the internal resistance of the ohmmeter) when control power is applied. Testing parameters such as. Solid State Relay Checking.
From www.youtube.com
WHAT IS SOLID STATE RELAY? AND HOW SOLID STATE RELAY WORKS? YouTube Solid State Relay Checking To test a solid state relay, follow figure. This is the easiest and accurate way to check and troubleshoot an ssr (solid state relay). This testing procedure will guide you through the steps needed to assess an ssr’s performance thoroughly. Testing a solid state relay (ssr) is an important process to ensure that it’s functioning correctly and safely in your. Solid State Relay Checking.
From buildbotics.com
How to use an SSR (Solid State Relay) Solid State Relay Checking This testing procedure will guide you through the steps needed to assess an ssr’s performance thoroughly. Testing a solid state relay (ssr) is an important process to ensure that it’s functioning correctly and safely in your electronic circuits. We'll show you the solid state wiring with a practical example. Testing parameters such as response time, input & output characteristics, and. Solid State Relay Checking.
From www.youtube.com
Solid State Relay Explained How Solid State Relays Work? Solid Solid State Relay Checking To test a solid state relay, follow figure. This testing procedure will guide you through the steps needed to assess an ssr’s performance thoroughly. The relays should be open, switched to ol, and closed (0.2 , the internal resistance of the ohmmeter) when control power is applied. This is the easiest and accurate way to check and troubleshoot an ssr. Solid State Relay Checking.
From www.youtube.com
How Solid State Relays Work Testing Solid State Relay with Multimeter Solid State Relay Checking We'll show you the solid state wiring with a practical example. The relays should be open, switched to ol, and closed (0.2 , the internal resistance of the ohmmeter) when control power is applied. This is the easiest and accurate way to check and troubleshoot an ssr (solid state relay). This testing procedure will guide you through the steps needed. Solid State Relay Checking.
From reversepcb.com
Solid State Relay What is it and How does it Work? Reversepcb Solid State Relay Checking The relays should be open, switched to ol, and closed (0.2 , the internal resistance of the ohmmeter) when control power is applied. We'll show you the solid state wiring with a practical example. In the end, we'll explain different. Testing parameters such as response time, input & output characteristics, and others are common testing. This is the easiest and. Solid State Relay Checking.
From www.youtube.com
How to Connection SSR Relay with Load SSR Relay Connection Solid Solid State Relay Checking We'll show you the solid state wiring with a practical example. To test a solid state relay, follow figure. Testing a solid state relay (ssr) is an important process to ensure that it’s functioning correctly and safely in your electronic circuits. In the end, we'll explain different. This testing procedure will guide you through the steps needed to assess an. Solid State Relay Checking.
From www.huimultd.com
An introduction to solid state relays what is a solid state relay/how Solid State Relay Checking The relays should be open, switched to ol, and closed (0.2 , the internal resistance of the ohmmeter) when control power is applied. Testing a solid state relay (ssr) is an important process to ensure that it’s functioning correctly and safely in your electronic circuits. This is the easiest and accurate way to check and troubleshoot an ssr (solid state. Solid State Relay Checking.
From lorentzzi.com
How To Wire A Solid State Relay? Solid State Relay Checking Testing parameters such as response time, input & output characteristics, and others are common testing. This testing procedure will guide you through the steps needed to assess an ssr’s performance thoroughly. The relays should be open, switched to ol, and closed (0.2 , the internal resistance of the ohmmeter) when control power is applied. We'll show you the solid state. Solid State Relay Checking.
From www.apogeeweb.net
Solid State Relays A Basic Overview Solid State Relay Checking The relays should be open, switched to ol, and closed (0.2 , the internal resistance of the ohmmeter) when control power is applied. This testing procedure will guide you through the steps needed to assess an ssr’s performance thoroughly. In the end, we'll explain different. To test a solid state relay, follow figure. Testing a solid state relay (ssr) is. Solid State Relay Checking.
From toolsweek.com
How to Wire a Solid State Relay? Solid State Relay Checking This testing procedure will guide you through the steps needed to assess an ssr’s performance thoroughly. We'll show you the solid state wiring with a practical example. Testing parameters such as response time, input & output characteristics, and others are common testing. To test a solid state relay, follow figure. Testing a solid state relay (ssr) is an important process. Solid State Relay Checking.
From www.youtube.com
Simple Solid state Relay circuit YouTube Solid State Relay Checking To test a solid state relay, follow figure. In the end, we'll explain different. We'll show you the solid state wiring with a practical example. The relays should be open, switched to ol, and closed (0.2 , the internal resistance of the ohmmeter) when control power is applied. Testing parameters such as response time, input & output characteristics, and others. Solid State Relay Checking.
From www.dynamicrep.com
Advantages of Solid State Relays over Electromechanical Relays Solid State Relay Checking We'll show you the solid state wiring with a practical example. This testing procedure will guide you through the steps needed to assess an ssr’s performance thoroughly. In the end, we'll explain different. The relays should be open, switched to ol, and closed (0.2 , the internal resistance of the ohmmeter) when control power is applied. Testing parameters such as. Solid State Relay Checking.
From guidelibziegler.z19.web.core.windows.net
Wiring Solid State Relay Solid State Relay Checking In the end, we'll explain different. Testing a solid state relay (ssr) is an important process to ensure that it’s functioning correctly and safely in your electronic circuits. To test a solid state relay, follow figure. Testing parameters such as response time, input & output characteristics, and others are common testing. The relays should be open, switched to ol, and. Solid State Relay Checking.
From www.wikihow.com
3 Ways to Test a Relay wikiHow Solid State Relay Checking In the end, we'll explain different. This testing procedure will guide you through the steps needed to assess an ssr’s performance thoroughly. The relays should be open, switched to ol, and closed (0.2 , the internal resistance of the ohmmeter) when control power is applied. Testing a solid state relay (ssr) is an important process to ensure that it’s functioning. Solid State Relay Checking.
From control.com
Troubleshooting Solid State Relays Technical Articles Solid State Relay Checking To test a solid state relay, follow figure. The relays should be open, switched to ol, and closed (0.2 , the internal resistance of the ohmmeter) when control power is applied. We'll show you the solid state wiring with a practical example. This testing procedure will guide you through the steps needed to assess an ssr’s performance thoroughly. Testing a. Solid State Relay Checking.
From reversepcb.com
Solid State Relay What is it and How does it Work? Reversepcb Solid State Relay Checking In the end, we'll explain different. To test a solid state relay, follow figure. This testing procedure will guide you through the steps needed to assess an ssr’s performance thoroughly. Testing parameters such as response time, input & output characteristics, and others are common testing. The relays should be open, switched to ol, and closed (0.2 , the internal resistance. Solid State Relay Checking.
From studylib.net
Solid State Relay Guide Solid State Relay Checking To test a solid state relay, follow figure. Testing a solid state relay (ssr) is an important process to ensure that it’s functioning correctly and safely in your electronic circuits. Testing parameters such as response time, input & output characteristics, and others are common testing. We'll show you the solid state wiring with a practical example. This is the easiest. Solid State Relay Checking.
From www.circuitbread.com
How do Solid State Relays work? CircuitBread Solid State Relay Checking This is the easiest and accurate way to check and troubleshoot an ssr (solid state relay). Testing parameters such as response time, input & output characteristics, and others are common testing. The relays should be open, switched to ol, and closed (0.2 , the internal resistance of the ohmmeter) when control power is applied. In the end, we'll explain different.. Solid State Relay Checking.