Qsc Amp Dc Fault . Causes one possible option is to connect your speaker output block in your. Troubleshooting | dante audio produces clicks and pops in the signal path. See dc fault without current draw section to fix this dc fault. There is probably dc on the output fuses. If over 3vdc present, the protection circuit is operating normally to hold of operation. It is dc coupled and has a crowbar and fuse for dc protection. Fault find the faulty amplifier first. The amplifier is the usual transnova topology with bipolars instead. This may be due to the abnormal dc. Ensure the 16volt supplies are correct and the 5volt. I used to connect two monitor speakers to pld4.2. However, just before this amp dc fault problem, both of those monitor speaker fuses blew. Check speaker bus for dc;
from www.markertek.com
Check speaker bus for dc; It is dc coupled and has a crowbar and fuse for dc protection. Causes one possible option is to connect your speaker output block in your. However, just before this amp dc fault problem, both of those monitor speaker fuses blew. Troubleshooting | dante audio produces clicks and pops in the signal path. Fault find the faulty amplifier first. I used to connect two monitor speakers to pld4.2. This may be due to the abnormal dc. If over 3vdc present, the protection circuit is operating normally to hold of operation. Ensure the 16volt supplies are correct and the 5volt.
QSC RMX 4050HD 4000 Watt Power Amplifier
Qsc Amp Dc Fault However, just before this amp dc fault problem, both of those monitor speaker fuses blew. Fault find the faulty amplifier first. Check speaker bus for dc; I used to connect two monitor speakers to pld4.2. Ensure the 16volt supplies are correct and the 5volt. If over 3vdc present, the protection circuit is operating normally to hold of operation. Troubleshooting | dante audio produces clicks and pops in the signal path. There is probably dc on the output fuses. Causes one possible option is to connect your speaker output block in your. See dc fault without current draw section to fix this dc fault. However, just before this amp dc fault problem, both of those monitor speaker fuses blew. The amplifier is the usual transnova topology with bipolars instead. This may be due to the abnormal dc. It is dc coupled and has a crowbar and fuse for dc protection.
From www.avshop.ca
QSC K12.2 Replacement Amp Module [QSC WP20001300] Qsc Amp Dc Fault See dc fault without current draw section to fix this dc fault. If over 3vdc present, the protection circuit is operating normally to hold of operation. This may be due to the abnormal dc. The amplifier is the usual transnova topology with bipolars instead. Fault find the faulty amplifier first. There is probably dc on the output fuses. Troubleshooting |. Qsc Amp Dc Fault.
From www.musicaudioshop.com
QSC Ampli QSC GX7 698,00€ (Amplificateurs Stéreo) La musique au Qsc Amp Dc Fault It is dc coupled and has a crowbar and fuse for dc protection. There is probably dc on the output fuses. Fault find the faulty amplifier first. Causes one possible option is to connect your speaker output block in your. If over 3vdc present, the protection circuit is operating normally to hold of operation. Troubleshooting | dante audio produces clicks. Qsc Amp Dc Fault.
From www.youtube.com
How to check qsc amplifier YouTube Qsc Amp Dc Fault Check speaker bus for dc; There is probably dc on the output fuses. If over 3vdc present, the protection circuit is operating normally to hold of operation. Causes one possible option is to connect your speaker output block in your. Ensure the 16volt supplies are correct and the 5volt. Fault find the faulty amplifier first. See dc fault without current. Qsc Amp Dc Fault.
From www.audiosciencereview.com
Review and Measurements of QSC DCA2422 Amp Audio Science Review (ASR Qsc Amp Dc Fault Ensure the 16volt supplies are correct and the 5volt. If over 3vdc present, the protection circuit is operating normally to hold of operation. See dc fault without current draw section to fix this dc fault. I used to connect two monitor speakers to pld4.2. However, just before this amp dc fault problem, both of those monitor speaker fuses blew. This. Qsc Amp Dc Fault.
From www.qsc.com
RMX5050a Power Amplifier QSC Qsc Amp Dc Fault Troubleshooting | dante audio produces clicks and pops in the signal path. However, just before this amp dc fault problem, both of those monitor speaker fuses blew. See dc fault without current draw section to fix this dc fault. It is dc coupled and has a crowbar and fuse for dc protection. If over 3vdc present, the protection circuit is. Qsc Amp Dc Fault.
From www.sahses.com
QSC GX3 Amplifier Main PCB Amp 534WP20000100 PCB Fix/Use for Parts Qsc Amp Dc Fault See dc fault without current draw section to fix this dc fault. The amplifier is the usual transnova topology with bipolars instead. This may be due to the abnormal dc. Troubleshooting | dante audio produces clicks and pops in the signal path. If over 3vdc present, the protection circuit is operating normally to hold of operation. There is probably dc. Qsc Amp Dc Fault.
From www.manua.ls
User manual QSC GXD 8 (English 56 pages) Qsc Amp Dc Fault Ensure the 16volt supplies are correct and the 5volt. However, just before this amp dc fault problem, both of those monitor speaker fuses blew. This may be due to the abnormal dc. There is probably dc on the output fuses. See dc fault without current draw section to fix this dc fault. If over 3vdc present, the protection circuit is. Qsc Amp Dc Fault.
From www.qsc.com
PL380 Power Amplifier QSC Qsc Amp Dc Fault I used to connect two monitor speakers to pld4.2. It is dc coupled and has a crowbar and fuse for dc protection. Troubleshooting | dante audio produces clicks and pops in the signal path. Ensure the 16volt supplies are correct and the 5volt. See dc fault without current draw section to fix this dc fault. However, just before this amp. Qsc Amp Dc Fault.
From www.sahses.com
QSC GX3 Amplifier Main PCB Amp 534WP20000100 PCB Fix/Use for Parts Qsc Amp Dc Fault Check speaker bus for dc; I used to connect two monitor speakers to pld4.2. The amplifier is the usual transnova topology with bipolars instead. Causes one possible option is to connect your speaker output block in your. However, just before this amp dc fault problem, both of those monitor speaker fuses blew. There is probably dc on the output fuses.. Qsc Amp Dc Fault.
From gustavobultaco.com
QSC 2450 PDF DOWNLOAD Qsc Amp Dc Fault I used to connect two monitor speakers to pld4.2. If over 3vdc present, the protection circuit is operating normally to hold of operation. Fault find the faulty amplifier first. Troubleshooting | dante audio produces clicks and pops in the signal path. The amplifier is the usual transnova topology with bipolars instead. However, just before this amp dc fault problem, both. Qsc Amp Dc Fault.
From www.zzounds.com
QSC RMX 5050 Power Amplifier zZounds Qsc Amp Dc Fault I used to connect two monitor speakers to pld4.2. Fault find the faulty amplifier first. The amplifier is the usual transnova topology with bipolars instead. Troubleshooting | dante audio produces clicks and pops in the signal path. There is probably dc on the output fuses. However, just before this amp dc fault problem, both of those monitor speaker fuses blew.. Qsc Amp Dc Fault.
From www.diyaudio.com
QSC amp problems diyAudio Qsc Amp Dc Fault However, just before this amp dc fault problem, both of those monitor speaker fuses blew. Troubleshooting | dante audio produces clicks and pops in the signal path. See dc fault without current draw section to fix this dc fault. Fault find the faulty amplifier first. Causes one possible option is to connect your speaker output block in your. It is. Qsc Amp Dc Fault.
From fr.audiofanzine.com
USA 1310 QSC USA 1310 Audiofanzine Qsc Amp Dc Fault Ensure the 16volt supplies are correct and the 5volt. Troubleshooting | dante audio produces clicks and pops in the signal path. Fault find the faulty amplifier first. Causes one possible option is to connect your speaker output block in your. I used to connect two monitor speakers to pld4.2. Check speaker bus for dc; The amplifier is the usual transnova. Qsc Amp Dc Fault.
From www.qsc.com
GX7 Power Amplifier QSC Qsc Amp Dc Fault However, just before this amp dc fault problem, both of those monitor speaker fuses blew. If over 3vdc present, the protection circuit is operating normally to hold of operation. See dc fault without current draw section to fix this dc fault. There is probably dc on the output fuses. Ensure the 16volt supplies are correct and the 5volt. Troubleshooting |. Qsc Amp Dc Fault.
From www.youtube.com
QSC GXD8 fault YouTube Qsc Amp Dc Fault Ensure the 16volt supplies are correct and the 5volt. I used to connect two monitor speakers to pld4.2. Causes one possible option is to connect your speaker output block in your. Check speaker bus for dc; It is dc coupled and has a crowbar and fuse for dc protection. There is probably dc on the output fuses. The amplifier is. Qsc Amp Dc Fault.
From www.umlib.com
PDF manual for QSC Amp PowerLight 2 PL224 Qsc Amp Dc Fault However, just before this amp dc fault problem, both of those monitor speaker fuses blew. If over 3vdc present, the protection circuit is operating normally to hold of operation. Causes one possible option is to connect your speaker output block in your. It is dc coupled and has a crowbar and fuse for dc protection. Troubleshooting | dante audio produces. Qsc Amp Dc Fault.
From www.youtube.com
QSC PLX3602 Amplifier Teardown and explanation of operation YouTube Qsc Amp Dc Fault It is dc coupled and has a crowbar and fuse for dc protection. However, just before this amp dc fault problem, both of those monitor speaker fuses blew. Ensure the 16volt supplies are correct and the 5volt. The amplifier is the usual transnova topology with bipolars instead. There is probably dc on the output fuses. Troubleshooting | dante audio produces. Qsc Amp Dc Fault.
From guidewiringlange.z19.web.core.windows.net
Qsc Power Amplifier Circuit Diagram Qsc Amp Dc Fault Fault find the faulty amplifier first. Troubleshooting | dante audio produces clicks and pops in the signal path. The amplifier is the usual transnova topology with bipolars instead. See dc fault without current draw section to fix this dc fault. However, just before this amp dc fault problem, both of those monitor speaker fuses blew. If over 3vdc present, the. Qsc Amp Dc Fault.
From www.soundsolutionscanada.com
QSC CXDQ Series Amplifiers Sound Solutions Canada Qsc Amp Dc Fault The amplifier is the usual transnova topology with bipolars instead. Check speaker bus for dc; I used to connect two monitor speakers to pld4.2. Causes one possible option is to connect your speaker output block in your. This may be due to the abnormal dc. However, just before this amp dc fault problem, both of those monitor speaker fuses blew.. Qsc Amp Dc Fault.
From mungfali.com
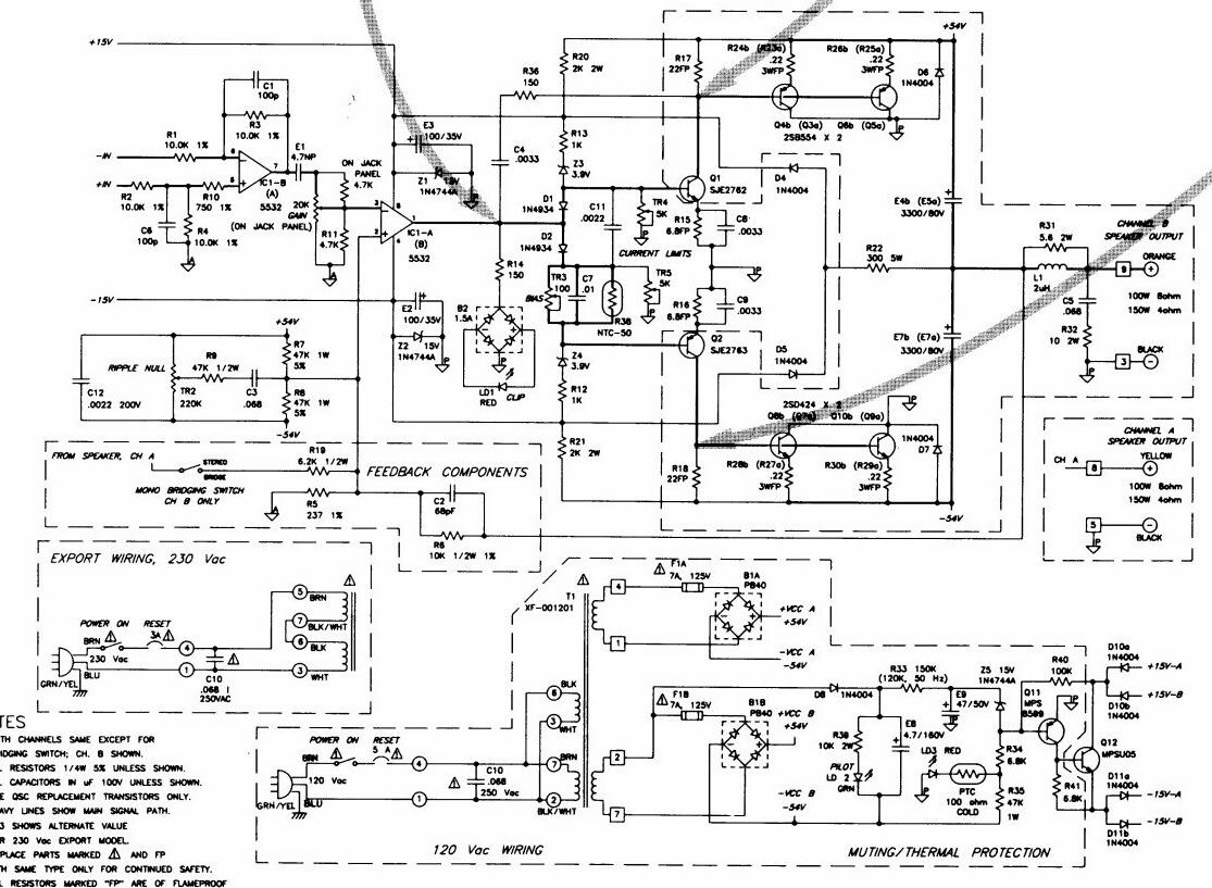
QSC Schematics Qsc Amp Dc Fault Troubleshooting | dante audio produces clicks and pops in the signal path. Fault find the faulty amplifier first. This may be due to the abnormal dc. It is dc coupled and has a crowbar and fuse for dc protection. However, just before this amp dc fault problem, both of those monitor speaker fuses blew. If over 3vdc present, the protection. Qsc Amp Dc Fault.
From www.djresource.eu
QSC › RMX850 › Amplifier Gearbase DJResource Qsc Amp Dc Fault If over 3vdc present, the protection circuit is operating normally to hold of operation. Causes one possible option is to connect your speaker output block in your. See dc fault without current draw section to fix this dc fault. There is probably dc on the output fuses. Troubleshooting | dante audio produces clicks and pops in the signal path. Ensure. Qsc Amp Dc Fault.
From vipproaudio.com
QSC Audio GX5 Amplifier Qsc Amp Dc Fault Causes one possible option is to connect your speaker output block in your. Fault find the faulty amplifier first. There is probably dc on the output fuses. This may be due to the abnormal dc. I used to connect two monitor speakers to pld4.2. However, just before this amp dc fault problem, both of those monitor speaker fuses blew. The. Qsc Amp Dc Fault.
From www.youtube.com
Repairing QSC 12.2 Active Loudspeaker for Power supply problem in SMPS Qsc Amp Dc Fault If over 3vdc present, the protection circuit is operating normally to hold of operation. However, just before this amp dc fault problem, both of those monitor speaker fuses blew. Ensure the 16volt supplies are correct and the 5volt. The amplifier is the usual transnova topology with bipolars instead. This may be due to the abnormal dc. Fault find the faulty. Qsc Amp Dc Fault.
From www.umlib.com
PDF manual for QSC Amp PowerLight 2 PL236 Qsc Amp Dc Fault The amplifier is the usual transnova topology with bipolars instead. Ensure the 16volt supplies are correct and the 5volt. However, just before this amp dc fault problem, both of those monitor speaker fuses blew. Troubleshooting | dante audio produces clicks and pops in the signal path. Fault find the faulty amplifier first. See dc fault without current draw section to. Qsc Amp Dc Fault.
From www.youtube.com
QSC CXD 4.5 fault 3329 YouTube Qsc Amp Dc Fault Check speaker bus for dc; Troubleshooting | dante audio produces clicks and pops in the signal path. If over 3vdc present, the protection circuit is operating normally to hold of operation. The amplifier is the usual transnova topology with bipolars instead. Causes one possible option is to connect your speaker output block in your. Ensure the 16volt supplies are correct. Qsc Amp Dc Fault.
From www.umlib.com
PDF manual for QSC Amp PLX2402 Qsc Amp Dc Fault The amplifier is the usual transnova topology with bipolars instead. Troubleshooting | dante audio produces clicks and pops in the signal path. If over 3vdc present, the protection circuit is operating normally to hold of operation. There is probably dc on the output fuses. Ensure the 16volt supplies are correct and the 5volt. Fault find the faulty amplifier first. Causes. Qsc Amp Dc Fault.
From www.youtube.com
QSC USA 1300 amplifier output power test YouTube Qsc Amp Dc Fault Check speaker bus for dc; Ensure the 16volt supplies are correct and the 5volt. The amplifier is the usual transnova topology with bipolars instead. I used to connect two monitor speakers to pld4.2. There is probably dc on the output fuses. However, just before this amp dc fault problem, both of those monitor speaker fuses blew. This may be due. Qsc Amp Dc Fault.
From www.markertek.com
QSC RMX 4050HD 4000 Watt Power Amplifier Qsc Amp Dc Fault If over 3vdc present, the protection circuit is operating normally to hold of operation. Troubleshooting | dante audio produces clicks and pops in the signal path. Ensure the 16volt supplies are correct and the 5volt. However, just before this amp dc fault problem, both of those monitor speaker fuses blew. The amplifier is the usual transnova topology with bipolars instead.. Qsc Amp Dc Fault.
From www.fisheraudiovisual.com
QSC PLX2402 Power Amplifier Fisher Audio Visual Qsc Amp Dc Fault This may be due to the abnormal dc. Fault find the faulty amplifier first. Ensure the 16volt supplies are correct and the 5volt. See dc fault without current draw section to fix this dc fault. If over 3vdc present, the protection circuit is operating normally to hold of operation. Troubleshooting | dante audio produces clicks and pops in the signal. Qsc Amp Dc Fault.
From elektrotanya.com
QSC DCA2422 Service Manual download, schematics, eeprom, repair info Qsc Amp Dc Fault Check speaker bus for dc; Causes one possible option is to connect your speaker output block in your. This may be due to the abnormal dc. See dc fault without current draw section to fix this dc fault. I used to connect two monitor speakers to pld4.2. However, just before this amp dc fault problem, both of those monitor speaker. Qsc Amp Dc Fault.
From instrumentalparts.com
QSC K12.2 Complete Amp Module WP20001300 Qsc Amp Dc Fault See dc fault without current draw section to fix this dc fault. Fault find the faulty amplifier first. Troubleshooting | dante audio produces clicks and pops in the signal path. I used to connect two monitor speakers to pld4.2. It is dc coupled and has a crowbar and fuse for dc protection. Ensure the 16volt supplies are correct and the. Qsc Amp Dc Fault.
From www.youtube.com
Stage Left Audio Bridging a QSC amplifier YouTube Qsc Amp Dc Fault The amplifier is the usual transnova topology with bipolars instead. However, just before this amp dc fault problem, both of those monitor speaker fuses blew. Troubleshooting | dante audio produces clicks and pops in the signal path. See dc fault without current draw section to fix this dc fault. Fault find the faulty amplifier first. It is dc coupled and. Qsc Amp Dc Fault.
From gearspace.com
QSC PLD4.2 Power Amp says "Amp DC Fault" and does not work. Gearspace Qsc Amp Dc Fault Fault find the faulty amplifier first. This may be due to the abnormal dc. I used to connect two monitor speakers to pld4.2. It is dc coupled and has a crowbar and fuse for dc protection. There is probably dc on the output fuses. Causes one possible option is to connect your speaker output block in your. See dc fault. Qsc Amp Dc Fault.
From www.circuitdiagram.co
Qsc Power Amplifier Schematic Diagram Circuit Diagram Qsc Amp Dc Fault This may be due to the abnormal dc. If over 3vdc present, the protection circuit is operating normally to hold of operation. Causes one possible option is to connect your speaker output block in your. It is dc coupled and has a crowbar and fuse for dc protection. Troubleshooting | dante audio produces clicks and pops in the signal path.. Qsc Amp Dc Fault.
From moogaudiopro.com
QSC CX168 8channel Amplifier Qsc Amp Dc Fault It is dc coupled and has a crowbar and fuse for dc protection. See dc fault without current draw section to fix this dc fault. Check speaker bus for dc; I used to connect two monitor speakers to pld4.2. If over 3vdc present, the protection circuit is operating normally to hold of operation. Causes one possible option is to connect. Qsc Amp Dc Fault.