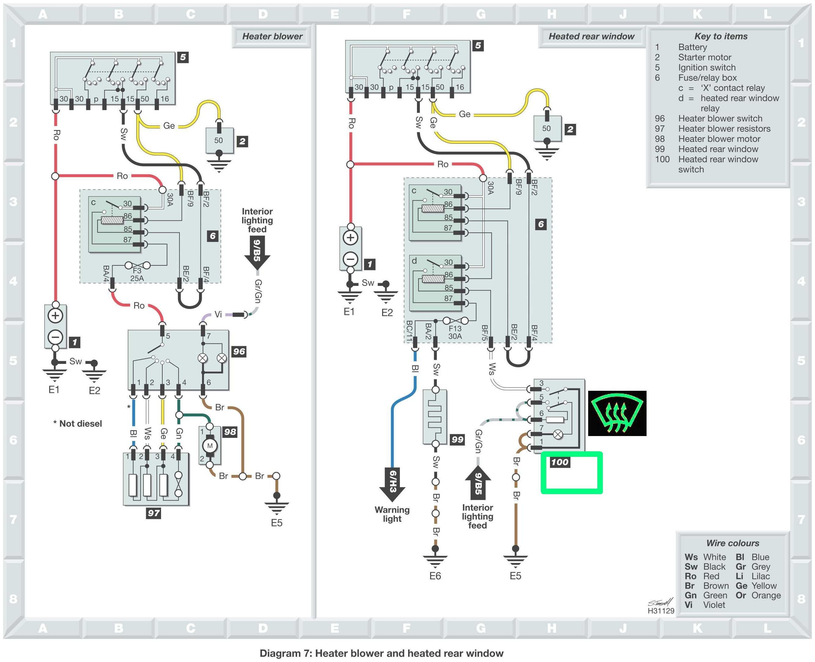
Rear Window Demister Replacement . if your rear window demisters have some lines that don't work, you'll. pick up an inexpensive defogger repair kit and complete the repair in less than 30 minutes. window defroster repair and replacement solutions. Frost fighter® defroster solutions make it easy to repair, replace, and install new rear window. defrosters for all rear windows. by using these tips and through careful troubleshooting, damaged rear window defrosters can be easily and economically repaired, saving hundreds.
from www.renaultbreakers.co.uk
window defroster repair and replacement solutions. defrosters for all rear windows. by using these tips and through careful troubleshooting, damaged rear window defrosters can be easily and economically repaired, saving hundreds. pick up an inexpensive defogger repair kit and complete the repair in less than 30 minutes. Frost fighter® defroster solutions make it easy to repair, replace, and install new rear window. if your rear window demisters have some lines that don't work, you'll.
Renault Megane 19992002 Rear Window Demister Store Renault
Rear Window Demister Replacement by using these tips and through careful troubleshooting, damaged rear window defrosters can be easily and economically repaired, saving hundreds. by using these tips and through careful troubleshooting, damaged rear window defrosters can be easily and economically repaired, saving hundreds. if your rear window demisters have some lines that don't work, you'll. window defroster repair and replacement solutions. defrosters for all rear windows. pick up an inexpensive defogger repair kit and complete the repair in less than 30 minutes. Frost fighter® defroster solutions make it easy to repair, replace, and install new rear window.
From www.renaultbreakers.co.uk
Renault Megane 19992002 Rear Window Demister Store Renault Rear Window Demister Replacement Frost fighter® defroster solutions make it easy to repair, replace, and install new rear window. defrosters for all rear windows. by using these tips and through careful troubleshooting, damaged rear window defrosters can be easily and economically repaired, saving hundreds. if your rear window demisters have some lines that don't work, you'll. window defroster repair and. Rear Window Demister Replacement.
From www.babybmw.net
M235i Rear Window Demister Issue ? Rear Window Demister Replacement by using these tips and through careful troubleshooting, damaged rear window defrosters can be easily and economically repaired, saving hundreds. pick up an inexpensive defogger repair kit and complete the repair in less than 30 minutes. defrosters for all rear windows. if your rear window demisters have some lines that don't work, you'll. Frost fighter® defroster. Rear Window Demister Replacement.
From www.4blok.com.au
VB VC VH Rear Window Demister Extension Rear Window Demister Replacement window defroster repair and replacement solutions. by using these tips and through careful troubleshooting, damaged rear window defrosters can be easily and economically repaired, saving hundreds. pick up an inexpensive defogger repair kit and complete the repair in less than 30 minutes. if your rear window demisters have some lines that don't work, you'll. defrosters. Rear Window Demister Replacement.
From www.amazon.com.au
Rear Window Demister Repair Kit Conductive Paint Screen Defogger DIY Rear Window Demister Replacement Frost fighter® defroster solutions make it easy to repair, replace, and install new rear window. pick up an inexpensive defogger repair kit and complete the repair in less than 30 minutes. window defroster repair and replacement solutions. defrosters for all rear windows. if your rear window demisters have some lines that don't work, you'll. by. Rear Window Demister Replacement.
From www.rodsnsods.co.uk
Rear window demister Rear Window Demister Replacement if your rear window demisters have some lines that don't work, you'll. Frost fighter® defroster solutions make it easy to repair, replace, and install new rear window. pick up an inexpensive defogger repair kit and complete the repair in less than 30 minutes. by using these tips and through careful troubleshooting, damaged rear window defrosters can be. Rear Window Demister Replacement.
From oldschool.co.nz
Hemi's guide to fixing your broken rear window demister Tech Articles Rear Window Demister Replacement if your rear window demisters have some lines that don't work, you'll. by using these tips and through careful troubleshooting, damaged rear window defrosters can be easily and economically repaired, saving hundreds. defrosters for all rear windows. window defroster repair and replacement solutions. Frost fighter® defroster solutions make it easy to repair, replace, and install new. Rear Window Demister Replacement.
From vehicletint.blogspot.com
How To Test Rear Window Defroster With Multimeter Vehicle Window Film Rear Window Demister Replacement window defroster repair and replacement solutions. Frost fighter® defroster solutions make it easy to repair, replace, and install new rear window. defrosters for all rear windows. by using these tips and through careful troubleshooting, damaged rear window defrosters can be easily and economically repaired, saving hundreds. pick up an inexpensive defogger repair kit and complete the. Rear Window Demister Replacement.
From www.ozbuyitnow.com
LOCBONDSO Complete Rear Window Defogger/Demister Repair Kit Rear Window Demister Replacement defrosters for all rear windows. pick up an inexpensive defogger repair kit and complete the repair in less than 30 minutes. by using these tips and through careful troubleshooting, damaged rear window defrosters can be easily and economically repaired, saving hundreds. window defroster repair and replacement solutions. if your rear window demisters have some lines. Rear Window Demister Replacement.
From www.briskoda.net
Rear window demister switch light bulb replacement Skoda Favorit Rear Window Demister Replacement window defroster repair and replacement solutions. pick up an inexpensive defogger repair kit and complete the repair in less than 30 minutes. by using these tips and through careful troubleshooting, damaged rear window defrosters can be easily and economically repaired, saving hundreds. defrosters for all rear windows. if your rear window demisters have some lines. Rear Window Demister Replacement.
From www.ebay.com.au
Permatex Complete Rear Window Defogger/Demister Repair Kit 09117 Rear Window Demister Replacement by using these tips and through careful troubleshooting, damaged rear window defrosters can be easily and economically repaired, saving hundreds. Frost fighter® defroster solutions make it easy to repair, replace, and install new rear window. window defroster repair and replacement solutions. if your rear window demisters have some lines that don't work, you'll. pick up an. Rear Window Demister Replacement.
From www.amazon.co.uk
SueSupply Rear Window Defogger Repair Kit Rear Demisters Fog Line Rear Window Demister Replacement defrosters for all rear windows. if your rear window demisters have some lines that don't work, you'll. window defroster repair and replacement solutions. pick up an inexpensive defogger repair kit and complete the repair in less than 30 minutes. Frost fighter® defroster solutions make it easy to repair, replace, and install new rear window. by. Rear Window Demister Replacement.
From www.rodsnsods.co.uk
Rear window demister Rear Window Demister Replacement by using these tips and through careful troubleshooting, damaged rear window defrosters can be easily and economically repaired, saving hundreds. window defroster repair and replacement solutions. pick up an inexpensive defogger repair kit and complete the repair in less than 30 minutes. defrosters for all rear windows. if your rear window demisters have some lines. Rear Window Demister Replacement.
From www.ozbuyitnow.com
LOCBONDSO Complete Rear Window Defogger/Demister Repair Kit Rear Window Demister Replacement if your rear window demisters have some lines that don't work, you'll. by using these tips and through careful troubleshooting, damaged rear window defrosters can be easily and economically repaired, saving hundreds. defrosters for all rear windows. Frost fighter® defroster solutions make it easy to repair, replace, and install new rear window. window defroster repair and. Rear Window Demister Replacement.
From housegrail.com
How To Fix A Rear Window Defroster In 11 Steps (with Pictures) House Rear Window Demister Replacement if your rear window demisters have some lines that don't work, you'll. pick up an inexpensive defogger repair kit and complete the repair in less than 30 minutes. defrosters for all rear windows. by using these tips and through careful troubleshooting, damaged rear window defrosters can be easily and economically repaired, saving hundreds. Frost fighter® defroster. Rear Window Demister Replacement.
From mycarportmodel.blogspot.com
Car Rear Window Demister Repair Kit Carport Catalog Rear Window Demister Replacement window defroster repair and replacement solutions. pick up an inexpensive defogger repair kit and complete the repair in less than 30 minutes. if your rear window demisters have some lines that don't work, you'll. Frost fighter® defroster solutions make it easy to repair, replace, and install new rear window. by using these tips and through careful. Rear Window Demister Replacement.
From lriautoparts.com.au
BMW 5 SERIES E34 A/C AND REAR WINDOW DEMISTER SWITCH 1391764 LRI Rear Window Demister Replacement pick up an inexpensive defogger repair kit and complete the repair in less than 30 minutes. defrosters for all rear windows. by using these tips and through careful troubleshooting, damaged rear window defrosters can be easily and economically repaired, saving hundreds. if your rear window demisters have some lines that don't work, you'll. Frost fighter® defroster. Rear Window Demister Replacement.
From www.tiguanforums.co.uk
Rear window demister / sticker Volkswagen Tiguan MK2 Forum Rear Window Demister Replacement Frost fighter® defroster solutions make it easy to repair, replace, and install new rear window. window defroster repair and replacement solutions. if your rear window demisters have some lines that don't work, you'll. pick up an inexpensive defogger repair kit and complete the repair in less than 30 minutes. by using these tips and through careful. Rear Window Demister Replacement.
From www.youtube.com
How to Fix large Gaps on Rear Window Demisters YouTube Rear Window Demister Replacement Frost fighter® defroster solutions make it easy to repair, replace, and install new rear window. pick up an inexpensive defogger repair kit and complete the repair in less than 30 minutes. window defroster repair and replacement solutions. defrosters for all rear windows. if your rear window demisters have some lines that don't work, you'll. by. Rear Window Demister Replacement.
From www.aussiefrogs.com
Rear window demister on 505 aussiefrogs The Australian French Car Rear Window Demister Replacement Frost fighter® defroster solutions make it easy to repair, replace, and install new rear window. window defroster repair and replacement solutions. defrosters for all rear windows. if your rear window demisters have some lines that don't work, you'll. pick up an inexpensive defogger repair kit and complete the repair in less than 30 minutes. by. Rear Window Demister Replacement.
From www.walmart.com
12V Car Heater Window Windscreen Defroster Demister Fan Rear Window Demister Replacement defrosters for all rear windows. by using these tips and through careful troubleshooting, damaged rear window defrosters can be easily and economically repaired, saving hundreds. Frost fighter® defroster solutions make it easy to repair, replace, and install new rear window. window defroster repair and replacement solutions. pick up an inexpensive defogger repair kit and complete the. Rear Window Demister Replacement.
From www.briskoda.net
Rear window demister switch light bulb replacement Skoda Favorit Rear Window Demister Replacement window defroster repair and replacement solutions. pick up an inexpensive defogger repair kit and complete the repair in less than 30 minutes. defrosters for all rear windows. by using these tips and through careful troubleshooting, damaged rear window defrosters can be easily and economically repaired, saving hundreds. if your rear window demisters have some lines. Rear Window Demister Replacement.
From www.ozbuyitnow.com
LOCBONDSO Complete Rear Window Defogger/Demister Repair Kit Rear Window Demister Replacement by using these tips and through careful troubleshooting, damaged rear window defrosters can be easily and economically repaired, saving hundreds. window defroster repair and replacement solutions. defrosters for all rear windows. pick up an inexpensive defogger repair kit and complete the repair in less than 30 minutes. if your rear window demisters have some lines. Rear Window Demister Replacement.
From diagramlisthavens.z21.web.core.windows.net
How To Replace Rear Window Defroster Rear Window Demister Replacement pick up an inexpensive defogger repair kit and complete the repair in less than 30 minutes. defrosters for all rear windows. by using these tips and through careful troubleshooting, damaged rear window defrosters can be easily and economically repaired, saving hundreds. if your rear window demisters have some lines that don't work, you'll. Frost fighter® defroster. Rear Window Demister Replacement.
From www.ebay.co.uk
Simply Xtreme Demister Element Repair Kit Heated Car Rear Window Screen Rear Window Demister Replacement pick up an inexpensive defogger repair kit and complete the repair in less than 30 minutes. defrosters for all rear windows. window defroster repair and replacement solutions. by using these tips and through careful troubleshooting, damaged rear window defrosters can be easily and economically repaired, saving hundreds. if your rear window demisters have some lines. Rear Window Demister Replacement.
From www.youtube.com
How To Repair a Rear Window Defrost Grid Panel YouTube Rear Window Demister Replacement pick up an inexpensive defogger repair kit and complete the repair in less than 30 minutes. if your rear window demisters have some lines that don't work, you'll. defrosters for all rear windows. by using these tips and through careful troubleshooting, damaged rear window defrosters can be easily and economically repaired, saving hundreds. Frost fighter® defroster. Rear Window Demister Replacement.
From incayellow.com
Rear window demister fix Inca Yellow Rear Window Demister Replacement pick up an inexpensive defogger repair kit and complete the repair in less than 30 minutes. by using these tips and through careful troubleshooting, damaged rear window defrosters can be easily and economically repaired, saving hundreds. if your rear window demisters have some lines that don't work, you'll. window defroster repair and replacement solutions. defrosters. Rear Window Demister Replacement.
From www.ozbuyitnow.com
LOCBONDSO Complete Rear Window Defogger/Demister Repair Kit Rear Window Demister Replacement window defroster repair and replacement solutions. pick up an inexpensive defogger repair kit and complete the repair in less than 30 minutes. defrosters for all rear windows. Frost fighter® defroster solutions make it easy to repair, replace, and install new rear window. if your rear window demisters have some lines that don't work, you'll. by. Rear Window Demister Replacement.
From www.pelicanparts.com
MercedesBenz W123 Rear Window Defroster Relay Replacement W123 (1977 Rear Window Demister Replacement pick up an inexpensive defogger repair kit and complete the repair in less than 30 minutes. defrosters for all rear windows. if your rear window demisters have some lines that don't work, you'll. window defroster repair and replacement solutions. Frost fighter® defroster solutions make it easy to repair, replace, and install new rear window. by. Rear Window Demister Replacement.
From www.ozbuyitnow.com
LOCBONDSO Complete Rear Window Defogger/Demister Repair Kit Rear Window Demister Replacement Frost fighter® defroster solutions make it easy to repair, replace, and install new rear window. if your rear window demisters have some lines that don't work, you'll. pick up an inexpensive defogger repair kit and complete the repair in less than 30 minutes. by using these tips and through careful troubleshooting, damaged rear window defrosters can be. Rear Window Demister Replacement.
From www.renaultbreakers.co.uk
Renault Megane 19992002 Rear Window Demister 429990 Store Renault Rear Window Demister Replacement pick up an inexpensive defogger repair kit and complete the repair in less than 30 minutes. defrosters for all rear windows. window defroster repair and replacement solutions. Frost fighter® defroster solutions make it easy to repair, replace, and install new rear window. if your rear window demisters have some lines that don't work, you'll. by. Rear Window Demister Replacement.
From www.ebay.com.au
Rear Window Demister Repair Kit Conductive Paint Screen Defogger DIY Rear Window Demister Replacement if your rear window demisters have some lines that don't work, you'll. Frost fighter® defroster solutions make it easy to repair, replace, and install new rear window. window defroster repair and replacement solutions. pick up an inexpensive defogger repair kit and complete the repair in less than 30 minutes. by using these tips and through careful. Rear Window Demister Replacement.
From oldschool.co.nz
Hemi's guide to fixing your broken rear window demister Tech Articles Rear Window Demister Replacement window defroster repair and replacement solutions. if your rear window demisters have some lines that don't work, you'll. pick up an inexpensive defogger repair kit and complete the repair in less than 30 minutes. by using these tips and through careful troubleshooting, damaged rear window defrosters can be easily and economically repaired, saving hundreds. Frost fighter®. Rear Window Demister Replacement.
From www.ebay.com.au
Mustang XY Falcon Rear Window Demister Genuine Ford eBay Rear Window Demister Replacement window defroster repair and replacement solutions. by using these tips and through careful troubleshooting, damaged rear window defrosters can be easily and economically repaired, saving hundreds. defrosters for all rear windows. if your rear window demisters have some lines that don't work, you'll. Frost fighter® defroster solutions make it easy to repair, replace, and install new. Rear Window Demister Replacement.
From www.flyingspares.com
REAR WINDOW DEMISTER RELAY (UD4340) Flying Spares Rear Window Demister Replacement pick up an inexpensive defogger repair kit and complete the repair in less than 30 minutes. Frost fighter® defroster solutions make it easy to repair, replace, and install new rear window. window defroster repair and replacement solutions. defrosters for all rear windows. by using these tips and through careful troubleshooting, damaged rear window defrosters can be. Rear Window Demister Replacement.
From www.ebay.com.au
Rear Window Demister Repair Kit Conductive Paint Screen Defogger DIY Rear Window Demister Replacement defrosters for all rear windows. if your rear window demisters have some lines that don't work, you'll. window defroster repair and replacement solutions. Frost fighter® defroster solutions make it easy to repair, replace, and install new rear window. pick up an inexpensive defogger repair kit and complete the repair in less than 30 minutes. by. Rear Window Demister Replacement.