Ford Starter Diode . learn how to connect the electrical components of a ford starter solenoid correctly to ensure smooth and reliable vehicle operation. watch a video tutorial on how to wire an old ford's starter solenoid correctly. See standard wiring diagrams, terminal functions, and troubleshooting steps for different models. Have your mechanic check the dark blue/ orange wire running. The common cause for the diode to melt is usually caused by a ground in the circuit. i found this: See the wiring diagram and understand the. learn how to diagnose and repair 4 pole starter solenoid wiring issues on ford vehicles. The solenoid is a relay that controls the flow. learn how the starter relay and solenoid control the flow of electrical current from the battery to the starter motor in a ford vehicle. The solenoid is a switch that controls the. users discuss the problem of starter diode (otis) blowing or melting in late model f150s with one touch integrated start feature. 4/5 (38k) 4/5 (38k)
from www.justanswer.com
See the wiring diagram and understand the. See standard wiring diagrams, terminal functions, and troubleshooting steps for different models. learn how to connect the electrical components of a ford starter solenoid correctly to ensure smooth and reliable vehicle operation. learn how the starter relay and solenoid control the flow of electrical current from the battery to the starter motor in a ford vehicle. users discuss the problem of starter diode (otis) blowing or melting in late model f150s with one touch integrated start feature. The common cause for the diode to melt is usually caused by a ground in the circuit. Have your mechanic check the dark blue/ orange wire running. 4/5 (38k) The solenoid is a relay that controls the flow. The solenoid is a switch that controls the.
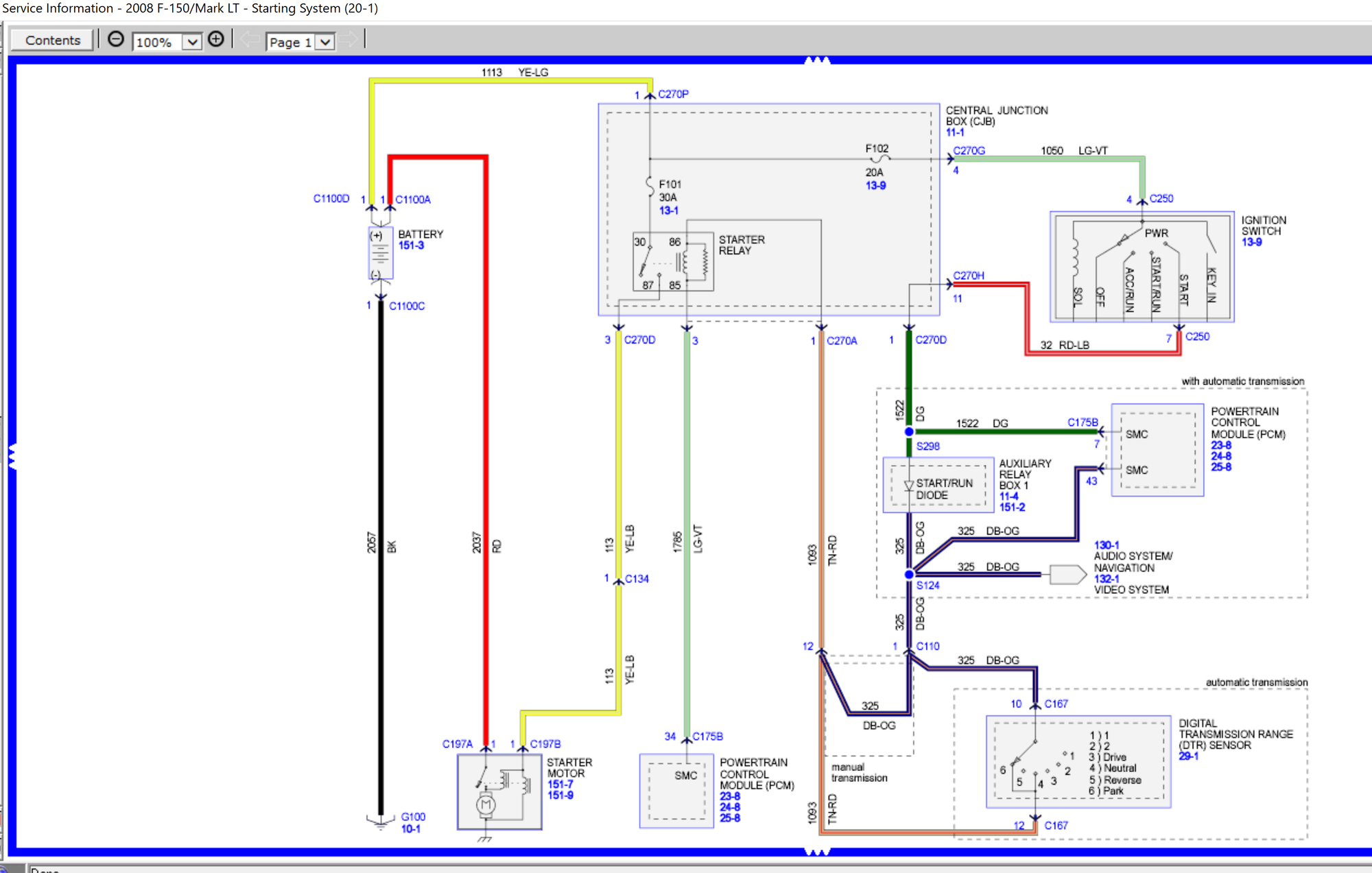
Starter diode 2008 f150. Where or what is the most likely place for a
Ford Starter Diode The solenoid is a relay that controls the flow. The solenoid is a switch that controls the. See standard wiring diagrams, terminal functions, and troubleshooting steps for different models. Have your mechanic check the dark blue/ orange wire running. users discuss the problem of starter diode (otis) blowing or melting in late model f150s with one touch integrated start feature. See the wiring diagram and understand the. learn how the starter relay and solenoid control the flow of electrical current from the battery to the starter motor in a ford vehicle. watch a video tutorial on how to wire an old ford's starter solenoid correctly. The common cause for the diode to melt is usually caused by a ground in the circuit. learn how to diagnose and repair 4 pole starter solenoid wiring issues on ford vehicles. 4/5 (38k) learn how to connect the electrical components of a ford starter solenoid correctly to ensure smooth and reliable vehicle operation. The solenoid is a relay that controls the flow. i found this: 4/5 (38k)
From www.justanswer.com
Starter diode 2008 f150. Where or what is the most likely place for a Ford Starter Diode 4/5 (38k) See standard wiring diagrams, terminal functions, and troubleshooting steps for different models. learn how to connect the electrical components of a ford starter solenoid correctly to ensure smooth and reliable vehicle operation. The solenoid is a relay that controls the flow. i found this: The common cause for the diode to melt is usually caused. Ford Starter Diode.
From www.bonanza.com
FORD DIODE OEM F2TF14A604AA F2TF14A604A FREE SHIPPING 6 MONTH Ford Starter Diode The common cause for the diode to melt is usually caused by a ground in the circuit. The solenoid is a relay that controls the flow. See standard wiring diagrams, terminal functions, and troubleshooting steps for different models. i found this: See the wiring diagram and understand the. The solenoid is a switch that controls the. learn how. Ford Starter Diode.
From www.ford-trucks.com
no start; melting starter diodes in aux fuse box Ford Truck Ford Starter Diode See the wiring diagram and understand the. Have your mechanic check the dark blue/ orange wire running. learn how to diagnose and repair 4 pole starter solenoid wiring issues on ford vehicles. learn how to connect the electrical components of a ford starter solenoid correctly to ensure smooth and reliable vehicle operation. The solenoid is a relay that. Ford Starter Diode.
From www.youtube.com
Ford Truck Starter Solenoid Replacement Won't Crank, no start YouTube Ford Starter Diode The common cause for the diode to melt is usually caused by a ground in the circuit. See the wiring diagram and understand the. Have your mechanic check the dark blue/ orange wire running. learn how to connect the electrical components of a ford starter solenoid correctly to ensure smooth and reliable vehicle operation. watch a video tutorial. Ford Starter Diode.
From userlibmarkus.z19.web.core.windows.net
How To Wire Ford Starter Solenoid Ford Starter Diode The solenoid is a relay that controls the flow. learn how the starter relay and solenoid control the flow of electrical current from the battery to the starter motor in a ford vehicle. See standard wiring diagrams, terminal functions, and troubleshooting steps for different models. See the wiring diagram and understand the. The solenoid is a switch that controls. Ford Starter Diode.
From wiringsmugglers.z19.web.core.windows.net
Ford Starter Relay Wiring Ford Starter Diode learn how to diagnose and repair 4 pole starter solenoid wiring issues on ford vehicles. The solenoid is a relay that controls the flow. users discuss the problem of starter diode (otis) blowing or melting in late model f150s with one touch integrated start feature. 4/5 (38k) learn how the starter relay and solenoid control the. Ford Starter Diode.
From fixlibraul.z21.web.core.windows.net
Ford Starter Solenoid Wiring Ford Starter Diode users discuss the problem of starter diode (otis) blowing or melting in late model f150s with one touch integrated start feature. The solenoid is a switch that controls the. learn how the starter relay and solenoid control the flow of electrical current from the battery to the starter motor in a ford vehicle. The solenoid is a relay. Ford Starter Diode.
From circuitfixhueber.z19.web.core.windows.net
Ford Starter Solenoid Wiring Diagram Ford Starter Diode 4/5 (38k) users discuss the problem of starter diode (otis) blowing or melting in late model f150s with one touch integrated start feature. The solenoid is a relay that controls the flow. 4/5 (38k) See the wiring diagram and understand the. See standard wiring diagrams, terminal functions, and troubleshooting steps for different models. The common cause for. Ford Starter Diode.
From wirelistpellitory.z14.web.core.windows.net
Ford Fuse Box Diode Ford Starter Diode learn how to diagnose and repair 4 pole starter solenoid wiring issues on ford vehicles. The common cause for the diode to melt is usually caused by a ground in the circuit. See the wiring diagram and understand the. See standard wiring diagrams, terminal functions, and troubleshooting steps for different models. learn how the starter relay and solenoid. Ford Starter Diode.
From www.ebay.es
FORD OEM DIODE 96FG10374AA TESTED 1 YEAR WARRANTY FREE SHIPPING! F1 Ford Starter Diode Have your mechanic check the dark blue/ orange wire running. See standard wiring diagrams, terminal functions, and troubleshooting steps for different models. i found this: learn how to diagnose and repair 4 pole starter solenoid wiring issues on ford vehicles. learn how to connect the electrical components of a ford starter solenoid correctly to ensure smooth and. Ford Starter Diode.
From www.youtube.com
2008 Ford F250 Starter Relay & Fuses, Starter Circuit Explained YouTube Ford Starter Diode Have your mechanic check the dark blue/ orange wire running. learn how to diagnose and repair 4 pole starter solenoid wiring issues on ford vehicles. 4/5 (38k) The solenoid is a relay that controls the flow. See standard wiring diagrams, terminal functions, and troubleshooting steps for different models. The common cause for the diode to melt is usually. Ford Starter Diode.
From www.justanswer.com
Starter diode 2008 f150. Where or what is the most likely place for a Ford Starter Diode 4/5 (38k) learn how the starter relay and solenoid control the flow of electrical current from the battery to the starter motor in a ford vehicle. See the wiring diagram and understand the. See standard wiring diagrams, terminal functions, and troubleshooting steps for different models. i found this: The solenoid is a relay that controls the flow.. Ford Starter Diode.
From garagerepairelfriede55.z19.web.core.windows.net
2007 Ford Fusion Starter Relay Location Ford Starter Diode See standard wiring diagrams, terminal functions, and troubleshooting steps for different models. learn how to diagnose and repair 4 pole starter solenoid wiring issues on ford vehicles. 4/5 (38k) See the wiring diagram and understand the. users discuss the problem of starter diode (otis) blowing or melting in late model f150s with one touch integrated start feature.. Ford Starter Diode.
From www.tascaparts.com
DIODE Genuine Ford F5TZ14A604A Ford Starter Diode See the wiring diagram and understand the. watch a video tutorial on how to wire an old ford's starter solenoid correctly. Have your mechanic check the dark blue/ orange wire running. See standard wiring diagrams, terminal functions, and troubleshooting steps for different models. 4/5 (38k) The solenoid is a switch that controls the. learn how to connect. Ford Starter Diode.
From www.f150forum.com
No crank no start Starter diode (OTIS) keeps blowing Ford F150 Forum Ford Starter Diode learn how the starter relay and solenoid control the flow of electrical current from the battery to the starter motor in a ford vehicle. learn how to diagnose and repair 4 pole starter solenoid wiring issues on ford vehicles. Have your mechanic check the dark blue/ orange wire running. users discuss the problem of starter diode (otis). Ford Starter Diode.
From www.youtube.com
Ford Escape starter removal EASY! How to in 2 minutes! YouTube Ford Starter Diode See the wiring diagram and understand the. users discuss the problem of starter diode (otis) blowing or melting in late model f150s with one touch integrated start feature. Have your mechanic check the dark blue/ orange wire running. learn how the starter relay and solenoid control the flow of electrical current from the battery to the starter motor. Ford Starter Diode.
From www.autocardesign.org
Ford Starter solenoid Wiring Diagram Sas 4201 12 Volt solenoid Wiring Ford Starter Diode users discuss the problem of starter diode (otis) blowing or melting in late model f150s with one touch integrated start feature. 4/5 (38k) watch a video tutorial on how to wire an old ford's starter solenoid correctly. 4/5 (38k) See the wiring diagram and understand the. learn how the starter relay and solenoid control the. Ford Starter Diode.
From forums.corral.net
1988 GT Starter Solenoid Wiring Ford Mustang Forums Ford Starter Diode learn how to connect the electrical components of a ford starter solenoid correctly to ensure smooth and reliable vehicle operation. The common cause for the diode to melt is usually caused by a ground in the circuit. users discuss the problem of starter diode (otis) blowing or melting in late model f150s with one touch integrated start feature.. Ford Starter Diode.
From userfixverla.z4.web.core.windows.net
Ford F150 Starter Relay Location Ford Starter Diode learn how the starter relay and solenoid control the flow of electrical current from the battery to the starter motor in a ford vehicle. users discuss the problem of starter diode (otis) blowing or melting in late model f150s with one touch integrated start feature. watch a video tutorial on how to wire an old ford's starter. Ford Starter Diode.
From schematiccurarmevj9cu.z19.web.core.windows.net
How To Change A Starter On A 1999 Ford F150 Ford Starter Diode 4/5 (38k) learn how to diagnose and repair 4 pole starter solenoid wiring issues on ford vehicles. See the wiring diagram and understand the. i found this: The solenoid is a relay that controls the flow. watch a video tutorial on how to wire an old ford's starter solenoid correctly. learn how to connect the. Ford Starter Diode.
From www.youtube.com
2012 Ford Focus S.E Starter Location YouTube Ford Starter Diode See standard wiring diagrams, terminal functions, and troubleshooting steps for different models. The solenoid is a relay that controls the flow. 4/5 (38k) watch a video tutorial on how to wire an old ford's starter solenoid correctly. See the wiring diagram and understand the. learn how the starter relay and solenoid control the flow of electrical current. Ford Starter Diode.
From www.f150forum.com
No crank no start Starter diode (OTIS) keeps blowing Ford F150 Forum Ford Starter Diode 4/5 (38k) i found this: See standard wiring diagrams, terminal functions, and troubleshooting steps for different models. learn how to connect the electrical components of a ford starter solenoid correctly to ensure smooth and reliable vehicle operation. 4/5 (38k) watch a video tutorial on how to wire an old ford's starter solenoid correctly. The solenoid. Ford Starter Diode.
From circuitwiringsumer77.z22.web.core.windows.net
Starter Solenoid Wiring Diagram Battery Ford Starter Diode i found this: See the wiring diagram and understand the. learn how to connect the electrical components of a ford starter solenoid correctly to ensure smooth and reliable vehicle operation. 4/5 (38k) See standard wiring diagrams, terminal functions, and troubleshooting steps for different models. The common cause for the diode to melt is usually caused by a. Ford Starter Diode.
From www.ford-trucks.com
08 F150 no start; melting starter diode in aux relay box Ford Truck Ford Starter Diode The common cause for the diode to melt is usually caused by a ground in the circuit. learn how to connect the electrical components of a ford starter solenoid correctly to ensure smooth and reliable vehicle operation. learn how the starter relay and solenoid control the flow of electrical current from the battery to the starter motor in. Ford Starter Diode.
From www.rareelectrical.com
New Starter Fits Ford Tractor 8N11001 8N11002 9N11001 9N11002 Ford Starter Diode The solenoid is a switch that controls the. learn how to diagnose and repair 4 pole starter solenoid wiring issues on ford vehicles. 4/5 (38k) learn how to connect the electrical components of a ford starter solenoid correctly to ensure smooth and reliable vehicle operation. Have your mechanic check the dark blue/ orange wire running. The common. Ford Starter Diode.
From circuitfixhueber.z19.web.core.windows.net
Ford Starter Solenoid Wiring Diagram Ford Starter Diode watch a video tutorial on how to wire an old ford's starter solenoid correctly. learn how to connect the electrical components of a ford starter solenoid correctly to ensure smooth and reliable vehicle operation. 4/5 (38k) 4/5 (38k) learn how the starter relay and solenoid control the flow of electrical current from the battery to. Ford Starter Diode.
From www.explorerforum.com
Where is my pcm power diode? Ford Explorer Forums Serious Explorations Ford Starter Diode The solenoid is a relay that controls the flow. See the wiring diagram and understand the. learn how to diagnose and repair 4 pole starter solenoid wiring issues on ford vehicles. i found this: See standard wiring diagrams, terminal functions, and troubleshooting steps for different models. watch a video tutorial on how to wire an old ford's. Ford Starter Diode.
From www.f150online.com
Starter diode (OTIS/Intellistart) keeps blowing. Zero information found Ford Starter Diode watch a video tutorial on how to wire an old ford's starter solenoid correctly. See standard wiring diagrams, terminal functions, and troubleshooting steps for different models. 4/5 (38k) learn how the starter relay and solenoid control the flow of electrical current from the battery to the starter motor in a ford vehicle. The solenoid is a switch. Ford Starter Diode.
From electraschematics.com
How to Wire a Ford Starter Solenoid A StepbyStep Guide Ford Starter Diode The solenoid is a switch that controls the. See the wiring diagram and understand the. Have your mechanic check the dark blue/ orange wire running. learn how the starter relay and solenoid control the flow of electrical current from the battery to the starter motor in a ford vehicle. watch a video tutorial on how to wire an. Ford Starter Diode.
From schematiclistrhoda99.z4.web.core.windows.net
How To Wire Ford Starter Solenoid Ford Starter Diode 4/5 (38k) The solenoid is a switch that controls the. learn how to diagnose and repair 4 pole starter solenoid wiring issues on ford vehicles. users discuss the problem of starter diode (otis) blowing or melting in late model f150s with one touch integrated start feature. learn how to connect the electrical components of a ford. Ford Starter Diode.
From engineida88.z21.web.core.windows.net
2011 Ford F150 Starter Relay Location Ford Starter Diode i found this: See standard wiring diagrams, terminal functions, and troubleshooting steps for different models. 4/5 (38k) The common cause for the diode to melt is usually caused by a ground in the circuit. See the wiring diagram and understand the. watch a video tutorial on how to wire an old ford's starter solenoid correctly. 4/5 . Ford Starter Diode.
From www.ford-trucks.com
Help! PCM relay fuse (position I/9) keeps blowing! No idea where to Ford Starter Diode learn how to connect the electrical components of a ford starter solenoid correctly to ensure smooth and reliable vehicle operation. 4/5 (38k) The solenoid is a relay that controls the flow. The solenoid is a switch that controls the. See standard wiring diagrams, terminal functions, and troubleshooting steps for different models. The common cause for the diode to. Ford Starter Diode.
From schematicwillysonff.z22.web.core.windows.net
Starter Wiring Diagram Ford Ford Starter Diode 4/5 (38k) 4/5 (38k) The solenoid is a relay that controls the flow. See standard wiring diagrams, terminal functions, and troubleshooting steps for different models. The common cause for the diode to melt is usually caused by a ground in the circuit. The solenoid is a switch that controls the. learn how to diagnose and repair 4. Ford Starter Diode.
From fixrepairsnyderraphis.z21.web.core.windows.net
2012 Ford F150 Starter Relay Location Ford Starter Diode learn how the starter relay and solenoid control the flow of electrical current from the battery to the starter motor in a ford vehicle. See the wiring diagram and understand the. users discuss the problem of starter diode (otis) blowing or melting in late model f150s with one touch integrated start feature. See standard wiring diagrams, terminal functions,. Ford Starter Diode.
From www.justanswer.com
Starter diode 2008 f150. Where or what is the most likely place for a Ford Starter Diode 4/5 (38k) See the wiring diagram and understand the. The common cause for the diode to melt is usually caused by a ground in the circuit. The solenoid is a relay that controls the flow. The solenoid is a switch that controls the. Have your mechanic check the dark blue/ orange wire running. users discuss the problem of. Ford Starter Diode.