Wipers Not Working Fuse . Buy a replacement fuse of the correct amperage,. heavy snow on the wiper blades or a wiper blade or arm caught on something or snagged together can cause the fuse to blow. find the fuse diagram for your vehicle, then locate the wiper fuse. when your windshield wipers fail to work but you can hear the motor running, the issue might lie in the wiper. Check your owner’s manual for the location of your fuses, and to identify. Common causes of wiper blades that won’t turn off. common signs include windshield wipers not turning on or off, not changing speed or settings, and the turn.
from www.2carpros.com
Check your owner’s manual for the location of your fuses, and to identify. Common causes of wiper blades that won’t turn off. Buy a replacement fuse of the correct amperage,. heavy snow on the wiper blades or a wiper blade or arm caught on something or snagged together can cause the fuse to blow. find the fuse diagram for your vehicle, then locate the wiper fuse. common signs include windshield wipers not turning on or off, not changing speed or settings, and the turn. when your windshield wipers fail to work but you can hear the motor running, the issue might lie in the wiper.
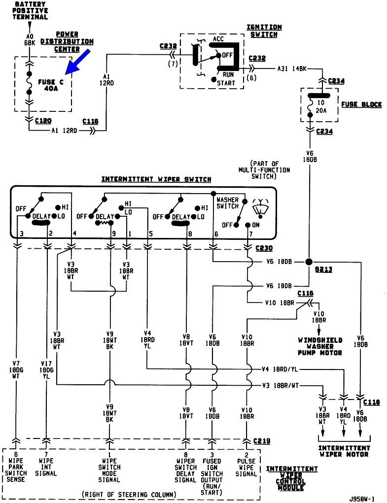
Rear Windshield Wiper Not Working Stopped Working. Fuses Okay.
Wipers Not Working Fuse heavy snow on the wiper blades or a wiper blade or arm caught on something or snagged together can cause the fuse to blow. common signs include windshield wipers not turning on or off, not changing speed or settings, and the turn. Buy a replacement fuse of the correct amperage,. Common causes of wiper blades that won’t turn off. find the fuse diagram for your vehicle, then locate the wiper fuse. heavy snow on the wiper blades or a wiper blade or arm caught on something or snagged together can cause the fuse to blow. when your windshield wipers fail to work but you can hear the motor running, the issue might lie in the wiper. Check your owner’s manual for the location of your fuses, and to identify.
From www.youtube.com
WINDSHIELD WIPERS FUSE LOCATION REPLACEMENT WIPERS NOT WORKING BMW Wipers Not Working Fuse find the fuse diagram for your vehicle, then locate the wiper fuse. common signs include windshield wipers not turning on or off, not changing speed or settings, and the turn. Common causes of wiper blades that won’t turn off. heavy snow on the wiper blades or a wiper blade or arm caught on something or snagged together. Wipers Not Working Fuse.
From ricksfreeautorepairadvice.com
Windshield wipers not working — Ricks Free Auto Repair Advice Ricks Wipers Not Working Fuse Buy a replacement fuse of the correct amperage,. find the fuse diagram for your vehicle, then locate the wiper fuse. heavy snow on the wiper blades or a wiper blade or arm caught on something or snagged together can cause the fuse to blow. when your windshield wipers fail to work but you can hear the motor. Wipers Not Working Fuse.
From www.2carpros.com
Wipers Quit Working Windshield Wipers Quit Working, Fuses, Relay... Wipers Not Working Fuse Common causes of wiper blades that won’t turn off. common signs include windshield wipers not turning on or off, not changing speed or settings, and the turn. find the fuse diagram for your vehicle, then locate the wiper fuse. when your windshield wipers fail to work but you can hear the motor running, the issue might lie. Wipers Not Working Fuse.
From www.2carpros.com
Wipers Not Working My Wipers Stopped Working. I Checked the Fuse Wipers Not Working Fuse heavy snow on the wiper blades or a wiper blade or arm caught on something or snagged together can cause the fuse to blow. when your windshield wipers fail to work but you can hear the motor running, the issue might lie in the wiper. Buy a replacement fuse of the correct amperage,. Check your owner’s manual for. Wipers Not Working Fuse.
From www.justanswer.com
My windshield wipers are not working correctly. I have checked the Wipers Not Working Fuse find the fuse diagram for your vehicle, then locate the wiper fuse. common signs include windshield wipers not turning on or off, not changing speed or settings, and the turn. Common causes of wiper blades that won’t turn off. when your windshield wipers fail to work but you can hear the motor running, the issue might lie. Wipers Not Working Fuse.
From www.justanswer.com
2013 passat TDI SE wipers are not working and I do not have a legend Wipers Not Working Fuse Common causes of wiper blades that won’t turn off. when your windshield wipers fail to work but you can hear the motor running, the issue might lie in the wiper. Buy a replacement fuse of the correct amperage,. common signs include windshield wipers not turning on or off, not changing speed or settings, and the turn. find. Wipers Not Working Fuse.
From www.youtube.com
CHRYSLER 300 WINDSHIELD WIPERS FUSE LOCATION REPLACEMENT, WIPERS NOT Wipers Not Working Fuse Check your owner’s manual for the location of your fuses, and to identify. Buy a replacement fuse of the correct amperage,. Common causes of wiper blades that won’t turn off. find the fuse diagram for your vehicle, then locate the wiper fuse. heavy snow on the wiper blades or a wiper blade or arm caught on something or. Wipers Not Working Fuse.
From www.2carpros.com
Windshield Wipers Not Working? Looking for Info on Fuse Needed/... Wipers Not Working Fuse when your windshield wipers fail to work but you can hear the motor running, the issue might lie in the wiper. common signs include windshield wipers not turning on or off, not changing speed or settings, and the turn. Buy a replacement fuse of the correct amperage,. Check your owner’s manual for the location of your fuses, and. Wipers Not Working Fuse.
From www.2carpros.com
Windshield Wipers Not Working? Looking for Info on Fuse Needed/... Wipers Not Working Fuse common signs include windshield wipers not turning on or off, not changing speed or settings, and the turn. find the fuse diagram for your vehicle, then locate the wiper fuse. Common causes of wiper blades that won’t turn off. Check your owner’s manual for the location of your fuses, and to identify. heavy snow on the wiper. Wipers Not Working Fuse.
From www.youtube.com
Renault Clio 2006 wipers not working. Fault finding and repair. YouTube Wipers Not Working Fuse Check your owner’s manual for the location of your fuses, and to identify. common signs include windshield wipers not turning on or off, not changing speed or settings, and the turn. Common causes of wiper blades that won’t turn off. find the fuse diagram for your vehicle, then locate the wiper fuse. when your windshield wipers fail. Wipers Not Working Fuse.
From www.youtube.com
DODGE CHARGER WINDSHIELD WIPERS FUSE LOCATION REPLACEMENT, WIPERS NOT Wipers Not Working Fuse Common causes of wiper blades that won’t turn off. Buy a replacement fuse of the correct amperage,. when your windshield wipers fail to work but you can hear the motor running, the issue might lie in the wiper. common signs include windshield wipers not turning on or off, not changing speed or settings, and the turn. heavy. Wipers Not Working Fuse.
From www.justanswer.com
Front wipers not working trying locate fuse for this to see if it is Wipers Not Working Fuse Common causes of wiper blades that won’t turn off. find the fuse diagram for your vehicle, then locate the wiper fuse. Buy a replacement fuse of the correct amperage,. common signs include windshield wipers not turning on or off, not changing speed or settings, and the turn. when your windshield wipers fail to work but you can. Wipers Not Working Fuse.
From www.2carpros.com
Windshield Wipers Are Not Working I Checked the Fuse; I Think It&... Wipers Not Working Fuse find the fuse diagram for your vehicle, then locate the wiper fuse. when your windshield wipers fail to work but you can hear the motor running, the issue might lie in the wiper. Buy a replacement fuse of the correct amperage,. heavy snow on the wiper blades or a wiper blade or arm caught on something or. Wipers Not Working Fuse.
From www.youtube.com
CHEVROLET CRUZE WINDSHIELD WIPERS FUSE LOCATION REPLACEMENT. WINDSHIELD Wipers Not Working Fuse common signs include windshield wipers not turning on or off, not changing speed or settings, and the turn. find the fuse diagram for your vehicle, then locate the wiper fuse. Check your owner’s manual for the location of your fuses, and to identify. when your windshield wipers fail to work but you can hear the motor running,. Wipers Not Working Fuse.
From www.youtube.com
KIA OPTIMA WINDHSIELD WIPERS FUSE LOCATION REPLACEMENT, WIPERS NOT Wipers Not Working Fuse common signs include windshield wipers not turning on or off, not changing speed or settings, and the turn. Common causes of wiper blades that won’t turn off. when your windshield wipers fail to work but you can hear the motor running, the issue might lie in the wiper. heavy snow on the wiper blades or a wiper. Wipers Not Working Fuse.
From www.2carpros.com
Windshield Wipers Are Not Working I Checked the Fuse; I Think It&... Wipers Not Working Fuse Check your owner’s manual for the location of your fuses, and to identify. heavy snow on the wiper blades or a wiper blade or arm caught on something or snagged together can cause the fuse to blow. Common causes of wiper blades that won’t turn off. Buy a replacement fuse of the correct amperage,. when your windshield wipers. Wipers Not Working Fuse.
From www.youtube.com
HONDA ODYSSEY WINDSHIELD WIPERS FUSE LOCATION, WIPERS NOT WORKING FUSE Wipers Not Working Fuse Common causes of wiper blades that won’t turn off. when your windshield wipers fail to work but you can hear the motor running, the issue might lie in the wiper. Check your owner’s manual for the location of your fuses, and to identify. common signs include windshield wipers not turning on or off, not changing speed or settings,. Wipers Not Working Fuse.
From www.2carpros.com
Windshield Wipers Not Working Fuse Keep Blowing. with New One Wipers Not Working Fuse when your windshield wipers fail to work but you can hear the motor running, the issue might lie in the wiper. Common causes of wiper blades that won’t turn off. heavy snow on the wiper blades or a wiper blade or arm caught on something or snagged together can cause the fuse to blow. find the fuse. Wipers Not Working Fuse.
From www.youtube.com
HONDA CIVIC WINDSHIELD WIPERS FUSE LOCATION, WIPERS NOT WORKING FUSE Wipers Not Working Fuse Common causes of wiper blades that won’t turn off. Check your owner’s manual for the location of your fuses, and to identify. heavy snow on the wiper blades or a wiper blade or arm caught on something or snagged together can cause the fuse to blow. find the fuse diagram for your vehicle, then locate the wiper fuse.. Wipers Not Working Fuse.
From www.2carpros.com
Wipers Not Working? I Have No Wipers, I Have Checked All Fuses, Wipers Not Working Fuse Check your owner’s manual for the location of your fuses, and to identify. common signs include windshield wipers not turning on or off, not changing speed or settings, and the turn. when your windshield wipers fail to work but you can hear the motor running, the issue might lie in the wiper. Buy a replacement fuse of the. Wipers Not Working Fuse.
From www.youtube.com
LINCOLN MKX WINDSHIELD WIPERS FUSE LOCATION REPLACEMENT. WIPERS NOT Wipers Not Working Fuse find the fuse diagram for your vehicle, then locate the wiper fuse. common signs include windshield wipers not turning on or off, not changing speed or settings, and the turn. when your windshield wipers fail to work but you can hear the motor running, the issue might lie in the wiper. Check your owner’s manual for the. Wipers Not Working Fuse.
From www.youtube.com
FORD EDGE WINDSHIELD WIPER FUSE LOCATION REPLACEMENT. WIPERS DO NOT Wipers Not Working Fuse Buy a replacement fuse of the correct amperage,. heavy snow on the wiper blades or a wiper blade or arm caught on something or snagged together can cause the fuse to blow. when your windshield wipers fail to work but you can hear the motor running, the issue might lie in the wiper. Check your owner’s manual for. Wipers Not Working Fuse.
From www.2carpros.com
Rear Windshield Wiper Not Working Stopped Working. Fuses Okay. Wipers Not Working Fuse common signs include windshield wipers not turning on or off, not changing speed or settings, and the turn. Check your owner’s manual for the location of your fuses, and to identify. Buy a replacement fuse of the correct amperage,. heavy snow on the wiper blades or a wiper blade or arm caught on something or snagged together can. Wipers Not Working Fuse.
From www.2carpros.com
Wipers Not Working? I Have No Wipers, I Have Checked All Fuses, Wipers Not Working Fuse Check your owner’s manual for the location of your fuses, and to identify. heavy snow on the wiper blades or a wiper blade or arm caught on something or snagged together can cause the fuse to blow. find the fuse diagram for your vehicle, then locate the wiper fuse. Buy a replacement fuse of the correct amperage,. . Wipers Not Working Fuse.
From www.youtube.com
Windshield Wipers Not Working? Easy Fix! YouTube Wipers Not Working Fuse find the fuse diagram for your vehicle, then locate the wiper fuse. when your windshield wipers fail to work but you can hear the motor running, the issue might lie in the wiper. heavy snow on the wiper blades or a wiper blade or arm caught on something or snagged together can cause the fuse to blow.. Wipers Not Working Fuse.
From www.youtube.com
2003 Buick windshield wipers not working no power to the fuse YouTube Wipers Not Working Fuse Check your owner’s manual for the location of your fuses, and to identify. common signs include windshield wipers not turning on or off, not changing speed or settings, and the turn. heavy snow on the wiper blades or a wiper blade or arm caught on something or snagged together can cause the fuse to blow. Common causes of. Wipers Not Working Fuse.
From www.youtube.com
CHEVROLET CRUZE WINDSHIELD WIPERS FUSE LOCATION 20112016 REPLACEMENT Wipers Not Working Fuse when your windshield wipers fail to work but you can hear the motor running, the issue might lie in the wiper. Check your owner’s manual for the location of your fuses, and to identify. Common causes of wiper blades that won’t turn off. common signs include windshield wipers not turning on or off, not changing speed or settings,. Wipers Not Working Fuse.
From wiringdiagramlodz.z21.web.core.windows.net
Chevrolet Windshield Wipers Not Working Wipers Not Working Fuse Buy a replacement fuse of the correct amperage,. find the fuse diagram for your vehicle, then locate the wiper fuse. when your windshield wipers fail to work but you can hear the motor running, the issue might lie in the wiper. Common causes of wiper blades that won’t turn off. heavy snow on the wiper blades or. Wipers Not Working Fuse.
From www.youtube.com
HONDA CRV CRV WINDSHIELD WIPERS FUSE LOCATION, WIPERS NOT WORKING FUSE Wipers Not Working Fuse when your windshield wipers fail to work but you can hear the motor running, the issue might lie in the wiper. find the fuse diagram for your vehicle, then locate the wiper fuse. Check your owner’s manual for the location of your fuses, and to identify. Common causes of wiper blades that won’t turn off. Buy a replacement. Wipers Not Working Fuse.
From www.justanswer.com
2003 ford Focus fzx windshield wipers not working. Fuse was. Replaced Wipers Not Working Fuse when your windshield wipers fail to work but you can hear the motor running, the issue might lie in the wiper. common signs include windshield wipers not turning on or off, not changing speed or settings, and the turn. find the fuse diagram for your vehicle, then locate the wiper fuse. Common causes of wiper blades that. Wipers Not Working Fuse.
From www.youtube.com
TOYOTA CAMRY WINDSHIELD WIPERS FUSE LOCATION, WIPERS NOT WORKING 2015 Wipers Not Working Fuse Common causes of wiper blades that won’t turn off. common signs include windshield wipers not turning on or off, not changing speed or settings, and the turn. when your windshield wipers fail to work but you can hear the motor running, the issue might lie in the wiper. Buy a replacement fuse of the correct amperage,. find. Wipers Not Working Fuse.
From www.youtube.com
HONDA ACCORD WINDSHIELD WIPERS FUSE LOCATION, WIPERS NOT WORKING FUSE Wipers Not Working Fuse heavy snow on the wiper blades or a wiper blade or arm caught on something or snagged together can cause the fuse to blow. Check your owner’s manual for the location of your fuses, and to identify. when your windshield wipers fail to work but you can hear the motor running, the issue might lie in the wiper.. Wipers Not Working Fuse.
From carfusebox.blogspot.com
CarFusebox lincoln town car wipers not working (Wiper controlling Fuse) Wipers Not Working Fuse Check your owner’s manual for the location of your fuses, and to identify. common signs include windshield wipers not turning on or off, not changing speed or settings, and the turn. heavy snow on the wiper blades or a wiper blade or arm caught on something or snagged together can cause the fuse to blow. find the. Wipers Not Working Fuse.
From www.acadiaforum.net
Gen 2 Acadia Rear Wiper not working, Fuse 48 Missing on Fuse Block Wipers Not Working Fuse common signs include windshield wipers not turning on or off, not changing speed or settings, and the turn. when your windshield wipers fail to work but you can hear the motor running, the issue might lie in the wiper. find the fuse diagram for your vehicle, then locate the wiper fuse. heavy snow on the wiper. Wipers Not Working Fuse.
From www.justanswer.com
Wipers and light shifters are not working and wipers continously Wipers Not Working Fuse when your windshield wipers fail to work but you can hear the motor running, the issue might lie in the wiper. common signs include windshield wipers not turning on or off, not changing speed or settings, and the turn. find the fuse diagram for your vehicle, then locate the wiper fuse. Common causes of wiper blades that. Wipers Not Working Fuse.