Ignition System Circuit . the key components of an ignition system include the ignition coil, distributor, spark plugs, and control module. A schematic diagram of an electronic ignition system is shown in figure 2.36. The primary circuit carries low voltage. in this article, we'll learn about ignition systems, starting with spark timing. It consists of a battery,. Then we'll look at all of the components. construction of electronic ignition system: Also, we will cover the ignition components and. In a spark ignition versions of the. The ignition coil is the heart of the system.
from www.wiringview.co
in this article, we'll learn about ignition systems, starting with spark timing. construction of electronic ignition system: The ignition coil is the heart of the system. Also, we will cover the ignition components and. In a spark ignition versions of the. The primary circuit carries low voltage. It consists of a battery,. Then we'll look at all of the components. the key components of an ignition system include the ignition coil, distributor, spark plugs, and control module. A schematic diagram of an electronic ignition system is shown in figure 2.36.
Operation Of Transistor Ignition Circuit Diagram Wiring View and Schematics Diagram
Ignition System Circuit Also, we will cover the ignition components and. It consists of a battery,. Then we'll look at all of the components. The ignition coil is the heart of the system. construction of electronic ignition system: the key components of an ignition system include the ignition coil, distributor, spark plugs, and control module. Also, we will cover the ignition components and. In a spark ignition versions of the. The primary circuit carries low voltage. in this article, we'll learn about ignition systems, starting with spark timing. A schematic diagram of an electronic ignition system is shown in figure 2.36.
From www.slideserve.com
PPT Automotive Ignition Systems PowerPoint Presentation, free download ID6743029 Ignition System Circuit the key components of an ignition system include the ignition coil, distributor, spark plugs, and control module. Then we'll look at all of the components. It consists of a battery,. A schematic diagram of an electronic ignition system is shown in figure 2.36. The ignition coil is the heart of the system. in this article, we'll learn about. Ignition System Circuit.
From themechanicalengineering.com
Electronic Ignition System Definition, Parts, Working, Advantages, Application [Notes & PDF] Ignition System Circuit Then we'll look at all of the components. It consists of a battery,. the key components of an ignition system include the ignition coil, distributor, spark plugs, and control module. construction of electronic ignition system: In a spark ignition versions of the. A schematic diagram of an electronic ignition system is shown in figure 2.36. in this. Ignition System Circuit.
From carfromjapan.com
The 4 Types Of Ignition System And How They Work Ignition System Circuit It consists of a battery,. Also, we will cover the ignition components and. In a spark ignition versions of the. Then we'll look at all of the components. The ignition coil is the heart of the system. construction of electronic ignition system: The primary circuit carries low voltage. in this article, we'll learn about ignition systems, starting with. Ignition System Circuit.
From fixdatabarth.z19.web.core.windows.net
Simple Ignition System Circuit Diagram Ignition System Circuit construction of electronic ignition system: It consists of a battery,. the key components of an ignition system include the ignition coil, distributor, spark plugs, and control module. The primary circuit carries low voltage. Then we'll look at all of the components. In a spark ignition versions of the. Also, we will cover the ignition components and. A schematic. Ignition System Circuit.
From www.artofit.org
How the ignition system works Artofit Ignition System Circuit The ignition coil is the heart of the system. the key components of an ignition system include the ignition coil, distributor, spark plugs, and control module. A schematic diagram of an electronic ignition system is shown in figure 2.36. It consists of a battery,. In a spark ignition versions of the. Also, we will cover the ignition components and.. Ignition System Circuit.
From learnmechanical.com
Ignition System Definition, Parts, Working, Advantages, Disadvantages, and Applications Ignition System Circuit construction of electronic ignition system: In a spark ignition versions of the. It consists of a battery,. The primary circuit carries low voltage. Then we'll look at all of the components. The ignition coil is the heart of the system. A schematic diagram of an electronic ignition system is shown in figure 2.36. in this article, we'll learn. Ignition System Circuit.
From enginelistute.z19.web.core.windows.net
Battery Ignition System Circuit Diagram Ignition System Circuit It consists of a battery,. the key components of an ignition system include the ignition coil, distributor, spark plugs, and control module. Also, we will cover the ignition components and. A schematic diagram of an electronic ignition system is shown in figure 2.36. Then we'll look at all of the components. in this article, we'll learn about ignition. Ignition System Circuit.
From in.pinterest.com
this is an overview of an engine and all its components Ignition system, Automotive repair Ignition System Circuit construction of electronic ignition system: In a spark ignition versions of the. The ignition coil is the heart of the system. the key components of an ignition system include the ignition coil, distributor, spark plugs, and control module. Then we'll look at all of the components. It consists of a battery,. Also, we will cover the ignition components. Ignition System Circuit.
From fixfixdoreen.z19.web.core.windows.net
Ignition System Circuit Diagram Ignition System Circuit Then we'll look at all of the components. construction of electronic ignition system: the key components of an ignition system include the ignition coil, distributor, spark plugs, and control module. In a spark ignition versions of the. in this article, we'll learn about ignition systems, starting with spark timing. A schematic diagram of an electronic ignition system. Ignition System Circuit.
From guidediagrammarco.z19.web.core.windows.net
Ignition System Schematic Diagram Ignition System Circuit the key components of an ignition system include the ignition coil, distributor, spark plugs, and control module. It consists of a battery,. in this article, we'll learn about ignition systems, starting with spark timing. A schematic diagram of an electronic ignition system is shown in figure 2.36. In a spark ignition versions of the. The ignition coil is. Ignition System Circuit.
From fixdatabarth.z19.web.core.windows.net
Simple Ignition System Circuit Diagram Ignition System Circuit Then we'll look at all of the components. In a spark ignition versions of the. The primary circuit carries low voltage. A schematic diagram of an electronic ignition system is shown in figure 2.36. Also, we will cover the ignition components and. in this article, we'll learn about ignition systems, starting with spark timing. It consists of a battery,.. Ignition System Circuit.
From www.youtube.com
How Ignition System Works Explained with Animation, Wiring Diagram, and Parts Overview YouTube Ignition System Circuit the key components of an ignition system include the ignition coil, distributor, spark plugs, and control module. in this article, we'll learn about ignition systems, starting with spark timing. Also, we will cover the ignition components and. A schematic diagram of an electronic ignition system is shown in figure 2.36. construction of electronic ignition system: In a. Ignition System Circuit.
From www.smarts4k.com
Understanding the Wiring Diagram of an Automotive Ignition System Ignition System Circuit A schematic diagram of an electronic ignition system is shown in figure 2.36. The ignition coil is the heart of the system. In a spark ignition versions of the. the key components of an ignition system include the ignition coil, distributor, spark plugs, and control module. It consists of a battery,. Also, we will cover the ignition components and.. Ignition System Circuit.
From axleaddict.com
Ignition Systems and How They Work AxleAddict Ignition System Circuit The primary circuit carries low voltage. Also, we will cover the ignition components and. A schematic diagram of an electronic ignition system is shown in figure 2.36. The ignition coil is the heart of the system. the key components of an ignition system include the ignition coil, distributor, spark plugs, and control module. in this article, we'll learn. Ignition System Circuit.
From www.mechanicalbooster.com
How Electronic Ignition System Works? Mechanical Booster Ignition System Circuit It consists of a battery,. construction of electronic ignition system: Then we'll look at all of the components. in this article, we'll learn about ignition systems, starting with spark timing. The primary circuit carries low voltage. Also, we will cover the ignition components and. A schematic diagram of an electronic ignition system is shown in figure 2.36. The. Ignition System Circuit.
From learnmechanical.com
Ignition System Definition, Parts, Working, Advantages, Disadvantages, and Applications Ignition System Circuit The primary circuit carries low voltage. the key components of an ignition system include the ignition coil, distributor, spark plugs, and control module. A schematic diagram of an electronic ignition system is shown in figure 2.36. Also, we will cover the ignition components and. In a spark ignition versions of the. construction of electronic ignition system: The ignition. Ignition System Circuit.
From www.wiringview.co
Operation Of Transistor Ignition Circuit Diagram Wiring View and Schematics Diagram Ignition System Circuit in this article, we'll learn about ignition systems, starting with spark timing. The primary circuit carries low voltage. A schematic diagram of an electronic ignition system is shown in figure 2.36. The ignition coil is the heart of the system. It consists of a battery,. construction of electronic ignition system: the key components of an ignition system. Ignition System Circuit.
From learnmech.com
Ignition System Parts, Diagram, Working, Advantages Ignition System Circuit A schematic diagram of an electronic ignition system is shown in figure 2.36. in this article, we'll learn about ignition systems, starting with spark timing. The ignition coil is the heart of the system. The primary circuit carries low voltage. In a spark ignition versions of the. It consists of a battery,. Also, we will cover the ignition components. Ignition System Circuit.
From engineeringlearn.com
What is Electronic Ignition System? Engineering Learn Ignition System Circuit Also, we will cover the ignition components and. The primary circuit carries low voltage. In a spark ignition versions of the. in this article, we'll learn about ignition systems, starting with spark timing. the key components of an ignition system include the ignition coil, distributor, spark plugs, and control module. Then we'll look at all of the components.. Ignition System Circuit.
From www.scribd.com
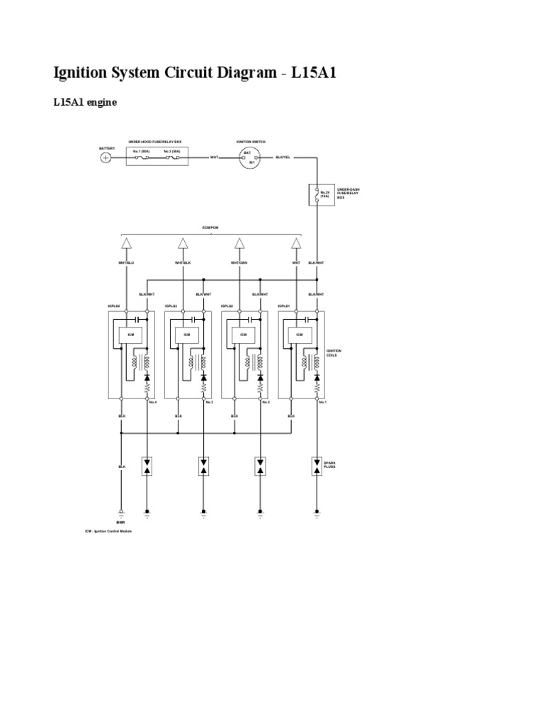
Ignition System Circuit Diagram L15A1 PDF Ignition System Electrical Equipment Ignition System Circuit Also, we will cover the ignition components and. A schematic diagram of an electronic ignition system is shown in figure 2.36. the key components of an ignition system include the ignition coil, distributor, spark plugs, and control module. The primary circuit carries low voltage. In a spark ignition versions of the. Then we'll look at all of the components.. Ignition System Circuit.
From www.circuitdiagram.co
Battery Ignition System Schematic Diagram Circuit Diagram Ignition System Circuit In a spark ignition versions of the. the key components of an ignition system include the ignition coil, distributor, spark plugs, and control module. Also, we will cover the ignition components and. The primary circuit carries low voltage. A schematic diagram of an electronic ignition system is shown in figure 2.36. in this article, we'll learn about ignition. Ignition System Circuit.
From www.howacarworks.com
How the ignition system works How a Car Works Ignition System Circuit Also, we will cover the ignition components and. It consists of a battery,. In a spark ignition versions of the. the key components of an ignition system include the ignition coil, distributor, spark plugs, and control module. in this article, we'll learn about ignition systems, starting with spark timing. Then we'll look at all of the components. A. Ignition System Circuit.
From www.shutterstock.com
Schematic Representation Conventional Ignition System Circuit Stock Vector (Royalty Free Ignition System Circuit Also, we will cover the ignition components and. the key components of an ignition system include the ignition coil, distributor, spark plugs, and control module. in this article, we'll learn about ignition systems, starting with spark timing. In a spark ignition versions of the. A schematic diagram of an electronic ignition system is shown in figure 2.36. Then. Ignition System Circuit.
From easyautodiagnostics.com
Ignition System Circuit Diagram (1995 3.1L V6 Chevy Lumina, Monte Carlo) Ignition System Circuit construction of electronic ignition system: In a spark ignition versions of the. A schematic diagram of an electronic ignition system is shown in figure 2.36. The ignition coil is the heart of the system. in this article, we'll learn about ignition systems, starting with spark timing. It consists of a battery,. the key components of an ignition. Ignition System Circuit.
From www.onallcylinders.com
Guide to Automotive Ignition System Designs Ignition System Circuit the key components of an ignition system include the ignition coil, distributor, spark plugs, and control module. The primary circuit carries low voltage. Then we'll look at all of the components. The ignition coil is the heart of the system. A schematic diagram of an electronic ignition system is shown in figure 2.36. In a spark ignition versions of. Ignition System Circuit.
From diagramenginepropst.z19.web.core.windows.net
Car Ignition System Circuit Diagram Ignition System Circuit Also, we will cover the ignition components and. in this article, we'll learn about ignition systems, starting with spark timing. The primary circuit carries low voltage. In a spark ignition versions of the. the key components of an ignition system include the ignition coil, distributor, spark plugs, and control module. construction of electronic ignition system: It consists. Ignition System Circuit.
From userlistedna.z6.web.core.windows.net
Simple Ignition System Circuit Diagram Ignition System Circuit construction of electronic ignition system: Then we'll look at all of the components. The ignition coil is the heart of the system. It consists of a battery,. the key components of an ignition system include the ignition coil, distributor, spark plugs, and control module. Also, we will cover the ignition components and. A schematic diagram of an electronic. Ignition System Circuit.
From www.autozone.com
Repair Guides Point Type Ignition Breaker Points And Condenser Ignition System Circuit The ignition coil is the heart of the system. In a spark ignition versions of the. It consists of a battery,. construction of electronic ignition system: Then we'll look at all of the components. the key components of an ignition system include the ignition coil, distributor, spark plugs, and control module. Also, we will cover the ignition components. Ignition System Circuit.
From betawiring.blogspot.com
Electronic Ignition Schematic Diagram design diagrom for firing Ignition System Circuit construction of electronic ignition system: It consists of a battery,. In a spark ignition versions of the. Also, we will cover the ignition components and. A schematic diagram of an electronic ignition system is shown in figure 2.36. Then we'll look at all of the components. The ignition coil is the heart of the system. the key components. Ignition System Circuit.
From userlibackermann.z19.web.core.windows.net
Ignition System Circuit Diagram Ignition System Circuit the key components of an ignition system include the ignition coil, distributor, spark plugs, and control module. in this article, we'll learn about ignition systems, starting with spark timing. The primary circuit carries low voltage. It consists of a battery,. Also, we will cover the ignition components and. The ignition coil is the heart of the system. Then. Ignition System Circuit.
From carfromjapan.com
The 4 Types Of Ignition System And How They Work Ignition System Circuit A schematic diagram of an electronic ignition system is shown in figure 2.36. the key components of an ignition system include the ignition coil, distributor, spark plugs, and control module. The ignition coil is the heart of the system. Also, we will cover the ignition components and. In a spark ignition versions of the. in this article, we'll. Ignition System Circuit.
From circuitdiagramcentre.blogspot.com
How to Make a Capacitive Discharge Ignition (CDI) Circuit for TwoWheelers Circuit Diagram Centre Ignition System Circuit Also, we will cover the ignition components and. A schematic diagram of an electronic ignition system is shown in figure 2.36. the key components of an ignition system include the ignition coil, distributor, spark plugs, and control module. The ignition coil is the heart of the system. in this article, we'll learn about ignition systems, starting with spark. Ignition System Circuit.
From hubpages.com
DIY Auto Service Ignition Systems Operation Diagnosis and Repair AxleAddict Ignition System Circuit the key components of an ignition system include the ignition coil, distributor, spark plugs, and control module. The ignition coil is the heart of the system. Then we'll look at all of the components. The primary circuit carries low voltage. It consists of a battery,. A schematic diagram of an electronic ignition system is shown in figure 2.36. . Ignition System Circuit.
From themechanicalengineering.com
Ignition System Definition, Parts, Working, Advantages, Application [Notes & PDF] Ignition System Circuit The ignition coil is the heart of the system. in this article, we'll learn about ignition systems, starting with spark timing. construction of electronic ignition system: Also, we will cover the ignition components and. A schematic diagram of an electronic ignition system is shown in figure 2.36. The primary circuit carries low voltage. In a spark ignition versions. Ignition System Circuit.
From carbiketech.com
How The Ignition System Of A Car Works? Read More CarBikeTech Ignition System Circuit Also, we will cover the ignition components and. It consists of a battery,. in this article, we'll learn about ignition systems, starting with spark timing. The ignition coil is the heart of the system. Then we'll look at all of the components. A schematic diagram of an electronic ignition system is shown in figure 2.36. construction of electronic. Ignition System Circuit.