Arp 2000 Rod Bolts Torque Specs . Arp 2000 3/8 x 1.600. 30 rows want to check a torque or stretch value? The specification is based on. What is an arp 2000 bolt torque specs? We provide the stretch and torque values below as a general guide. Please contact the rod manufacturer using the chart below for the exact values for. Enter your kit number in the field below and click “submit.” important: Using a torque wrench, measuring the. • the arp 2000 rod bolt is an excellent value, considering how good its strength and fatigue life are. There are three methods that can be employed to determine how much tension is exerted on a fastener; The arp 2000 rod bolt torque specs are a measure of the rotational strength and stiffness of the bolt. Of the 5 rod bolts above: I have found some ambiguity it the torque spec for the above bolts. The leaflet included with the rods. If you have an aftermarket.
from guideaficat7z.z4.web.core.windows.net
If you have an aftermarket. Please contact the rod manufacturer using the chart below for the exact values for. What is an arp 2000 bolt torque specs? The leaflet included with the rods. There are three methods that can be employed to determine how much tension is exerted on a fastener; The arp 2000 rod bolt torque specs are a measure of the rotational strength and stiffness of the bolt. Of the 5 rod bolts above: We provide the stretch and torque values below as a general guide. Arp 2000 3/8 x 1.600. I have found some ambiguity it the torque spec for the above bolts.
Sbc Arp Head Bolt Torque Specs
Arp 2000 Rod Bolts Torque Specs There are three methods that can be employed to determine how much tension is exerted on a fastener; The arp 2000 rod bolt torque specs are a measure of the rotational strength and stiffness of the bolt. There are three methods that can be employed to determine how much tension is exerted on a fastener; Arp 2000 3/8 x 1.600. Please contact the rod manufacturer using the chart below for the exact values for. Enter your kit number in the field below and click “submit.” important: What is an arp 2000 bolt torque specs? Of the 5 rod bolts above: I have found some ambiguity it the torque spec for the above bolts. If you have an aftermarket. 30 rows want to check a torque or stretch value? Using a torque wrench, measuring the. • the arp 2000 rod bolt is an excellent value, considering how good its strength and fatigue life are. The leaflet included with the rods. We provide the stretch and torque values below as a general guide. The specification is based on.
From wiredatarostaratza2.z22.web.core.windows.net
Arp Bolts Torque Specs Chart Arp 2000 Rod Bolts Torque Specs Please contact the rod manufacturer using the chart below for the exact values for. I have found some ambiguity it the torque spec for the above bolts. The leaflet included with the rods. Using a torque wrench, measuring the. • the arp 2000 rod bolt is an excellent value, considering how good its strength and fatigue life are. Enter your. Arp 2000 Rod Bolts Torque Specs.
From schematicodiallgz5.z21.web.core.windows.net
Arp Rocker Stud Bolt Torque Specs Arp Arp 2000 Rod Bolts Torque Specs Of the 5 rod bolts above: Arp 2000 3/8 x 1.600. The arp 2000 rod bolt torque specs are a measure of the rotational strength and stiffness of the bolt. Please contact the rod manufacturer using the chart below for the exact values for. 30 rows want to check a torque or stretch value? The specification is based on. I. Arp 2000 Rod Bolts Torque Specs.
From circuitpradlena4t.z14.web.core.windows.net
Arp Bolts Torque Specs Arp 2000 Rod Bolts Torque Specs The arp 2000 rod bolt torque specs are a measure of the rotational strength and stiffness of the bolt. What is an arp 2000 bolt torque specs? There are three methods that can be employed to determine how much tension is exerted on a fastener; I have found some ambiguity it the torque spec for the above bolts. If you. Arp 2000 Rod Bolts Torque Specs.
From www.d-series.org
ARP2000 for p2p0 rod TIGHTENING TORQUE Honda D Series Forum Arp 2000 Rod Bolts Torque Specs Of the 5 rod bolts above: Using a torque wrench, measuring the. If you have an aftermarket. • the arp 2000 rod bolt is an excellent value, considering how good its strength and fatigue life are. 30 rows want to check a torque or stretch value? I have found some ambiguity it the torque spec for the above bolts. Enter. Arp 2000 Rod Bolts Torque Specs.
From eaglerod.com
EAG20000 Rod Bolts Arp 2000 7/16" 1.6" (16) Eagle Specialty Products Arp 2000 Rod Bolts Torque Specs Please contact the rod manufacturer using the chart below for the exact values for. Enter your kit number in the field below and click “submit.” important: • the arp 2000 rod bolt is an excellent value, considering how good its strength and fatigue life are. We provide the stretch and torque values below as a general guide. The arp 2000. Arp 2000 Rod Bolts Torque Specs.
From automotorpad.com
Arp rod bolt torque specs honda Arp 2000 Rod Bolts Torque Specs The leaflet included with the rods. The specification is based on. Of the 5 rod bolts above: Enter your kit number in the field below and click “submit.” important: Using a torque wrench, measuring the. Please contact the rod manufacturer using the chart below for the exact values for. The arp 2000 rod bolt torque specs are a measure of. Arp 2000 Rod Bolts Torque Specs.
From www.justanswer.com
What are the torque specs for head bolts for 2000 ford explorer 4.0l v6 Arp 2000 Rod Bolts Torque Specs I have found some ambiguity it the torque spec for the above bolts. Please contact the rod manufacturer using the chart below for the exact values for. Of the 5 rod bolts above: Using a torque wrench, measuring the. We provide the stretch and torque values below as a general guide. The specification is based on. The arp 2000 rod. Arp 2000 Rod Bolts Torque Specs.
From www.460ford.com
need quick ans. torque settings for eagle SIR piston rod nut 460 Ford Arp 2000 Rod Bolts Torque Specs Arp 2000 3/8 x 1.600. If you have an aftermarket. The leaflet included with the rods. Please contact the rod manufacturer using the chart below for the exact values for. What is an arp 2000 bolt torque specs? The arp 2000 rod bolt torque specs are a measure of the rotational strength and stiffness of the bolt. Enter your kit. Arp 2000 Rod Bolts Torque Specs.
From loefzvaaz.blob.core.windows.net
Arp Head Bolt Torque at Tamara Quinn blog Arp 2000 Rod Bolts Torque Specs The leaflet included with the rods. Using a torque wrench, measuring the. Arp 2000 3/8 x 1.600. The specification is based on. We provide the stretch and torque values below as a general guide. The arp 2000 rod bolt torque specs are a measure of the rotational strength and stiffness of the bolt. Enter your kit number in the field. Arp 2000 Rod Bolts Torque Specs.
From americanmuscle.com
ARP ProSeries 2000 Stock Mustang Connecting Rod Bolts Set of 16 256 Arp 2000 Rod Bolts Torque Specs Enter your kit number in the field below and click “submit.” important: There are three methods that can be employed to determine how much tension is exerted on a fastener; Of the 5 rod bolts above: The specification is based on. Using a torque wrench, measuring the. Please contact the rod manufacturer using the chart below for the exact values. Arp 2000 Rod Bolts Torque Specs.
From wiredataagbettorj3.z4.web.core.windows.net
Arp Bolt Torque Specs Arp 2000 Rod Bolts Torque Specs If you have an aftermarket. • the arp 2000 rod bolt is an excellent value, considering how good its strength and fatigue life are. There are three methods that can be employed to determine how much tension is exerted on a fastener; Using a torque wrench, measuring the. Of the 5 rod bolts above: The leaflet included with the rods.. Arp 2000 Rod Bolts Torque Specs.
From rvpartsexpress.com
ARP 2000 Series 3/8 Rod Bolts 1.500 16pk RV Parts Express Specialty Arp 2000 Rod Bolts Torque Specs • the arp 2000 rod bolt is an excellent value, considering how good its strength and fatigue life are. There are three methods that can be employed to determine how much tension is exerted on a fastener; The arp 2000 rod bolt torque specs are a measure of the rotational strength and stiffness of the bolt. What is an arp. Arp 2000 Rod Bolts Torque Specs.
From schematicghostofbambix1.z21.web.core.windows.net
Arp Rocker Stud Bolt Torque Specs Arp Arp 2000 Rod Bolts Torque Specs We provide the stretch and torque values below as a general guide. The specification is based on. Of the 5 rod bolts above: If you have an aftermarket. The leaflet included with the rods. Arp 2000 3/8 x 1.600. Enter your kit number in the field below and click “submit.” important: • the arp 2000 rod bolt is an excellent. Arp 2000 Rod Bolts Torque Specs.
From schematicpadaczkai6.z19.web.core.windows.net
Arp Bolts Torque Specs Arp 2000 Rod Bolts Torque Specs The specification is based on. Of the 5 rod bolts above: Enter your kit number in the field below and click “submit.” important: Using a torque wrench, measuring the. If you have an aftermarket. Please contact the rod manufacturer using the chart below for the exact values for. The leaflet included with the rods. Arp 2000 3/8 x 1.600. We. Arp 2000 Rod Bolts Torque Specs.
From automotorpad.com
Arp rod bolt torque specs honda Arp 2000 Rod Bolts Torque Specs There are three methods that can be employed to determine how much tension is exerted on a fastener; Of the 5 rod bolts above: I have found some ambiguity it the torque spec for the above bolts. Enter your kit number in the field below and click “submit.” important: Arp 2000 3/8 x 1.600. Please contact the rod manufacturer using. Arp 2000 Rod Bolts Torque Specs.
From circuitstylesbys.z19.web.core.windows.net
Arp Bolt Torque Spec Chart Arp 2000 Rod Bolts Torque Specs The arp 2000 rod bolt torque specs are a measure of the rotational strength and stiffness of the bolt. Please contact the rod manufacturer using the chart below for the exact values for. The specification is based on. There are three methods that can be employed to determine how much tension is exerted on a fastener; If you have an. Arp 2000 Rod Bolts Torque Specs.
From klalqwdfl.blob.core.windows.net
Arp Flywheel Bolts Torque Specs at Carol Orr blog Arp 2000 Rod Bolts Torque Specs Please contact the rod manufacturer using the chart below for the exact values for. What is an arp 2000 bolt torque specs? Arp 2000 3/8 x 1.600. The arp 2000 rod bolt torque specs are a measure of the rotational strength and stiffness of the bolt. Of the 5 rod bolts above: The specification is based on. 30 rows want. Arp 2000 Rod Bolts Torque Specs.
From www.eliseparts.com
8 x ARP 2000 K Series Con Rod Bolts EliseParts Arp 2000 Rod Bolts Torque Specs Please contact the rod manufacturer using the chart below for the exact values for. We provide the stretch and torque values below as a general guide. There are three methods that can be employed to determine how much tension is exerted on a fastener; 30 rows want to check a torque or stretch value? The arp 2000 rod bolt torque. Arp 2000 Rod Bolts Torque Specs.
From www.youtube.com
ARP 2000 rod bolts torque and stretch. G23vtec episode 10 YouTube Arp 2000 Rod Bolts Torque Specs • the arp 2000 rod bolt is an excellent value, considering how good its strength and fatigue life are. 30 rows want to check a torque or stretch value? I have found some ambiguity it the torque spec for the above bolts. We provide the stretch and torque values below as a general guide. The arp 2000 rod bolt torque. Arp 2000 Rod Bolts Torque Specs.
From diagramvideothekg2.z13.web.core.windows.net
Arp Bolts Torque Specs Chart Arp 2000 Rod Bolts Torque Specs • the arp 2000 rod bolt is an excellent value, considering how good its strength and fatigue life are. Arp 2000 3/8 x 1.600. Enter your kit number in the field below and click “submit.” important: What is an arp 2000 bolt torque specs? Using a torque wrench, measuring the. If you have an aftermarket. The leaflet included with the. Arp 2000 Rod Bolts Torque Specs.
From dxoepalnw.blob.core.windows.net
Gm 3.4 Head Bolt Torque Specs at Thaddeus Mee blog Arp 2000 Rod Bolts Torque Specs • the arp 2000 rod bolt is an excellent value, considering how good its strength and fatigue life are. There are three methods that can be employed to determine how much tension is exerted on a fastener; The leaflet included with the rods. Enter your kit number in the field below and click “submit.” important: Using a torque wrench, measuring. Arp 2000 Rod Bolts Torque Specs.
From www.cbperformance.com
1260 Rod Bolts ARP 2000 5/16" (each) Arp 2000 Rod Bolts Torque Specs Of the 5 rod bolts above: We provide the stretch and torque values below as a general guide. The arp 2000 rod bolt torque specs are a measure of the rotational strength and stiffness of the bolt. Please contact the rod manufacturer using the chart below for the exact values for. • the arp 2000 rod bolt is an excellent. Arp 2000 Rod Bolts Torque Specs.
From guideaficat7z.z4.web.core.windows.net
Arp Rod Bolt Torque Big Block Chevy Arp 2000 Rod Bolts Torque Specs There are three methods that can be employed to determine how much tension is exerted on a fastener; The leaflet included with the rods. I have found some ambiguity it the torque spec for the above bolts. We provide the stretch and torque values below as a general guide. Arp 2000 3/8 x 1.600. • the arp 2000 rod bolt. Arp 2000 Rod Bolts Torque Specs.
From guideaficat7z.z4.web.core.windows.net
Sbc Arp Head Bolt Torque Specs Arp 2000 Rod Bolts Torque Specs If you have an aftermarket. • the arp 2000 rod bolt is an excellent value, considering how good its strength and fatigue life are. The leaflet included with the rods. 30 rows want to check a torque or stretch value? What is an arp 2000 bolt torque specs? Using a torque wrench, measuring the. Of the 5 rod bolts above:. Arp 2000 Rod Bolts Torque Specs.
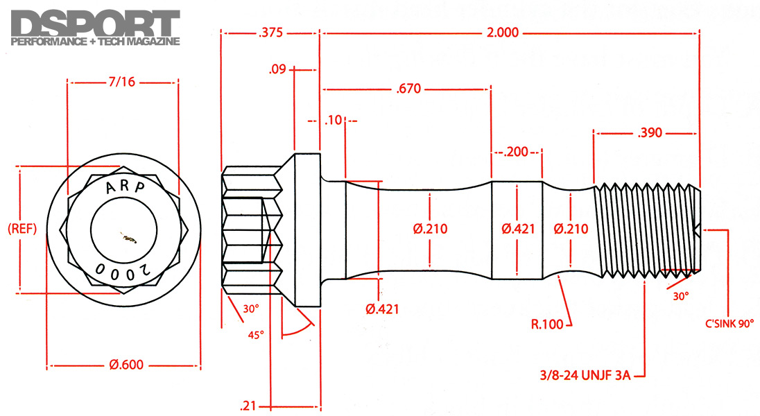
From dsportmag.com
Engine Fasteners 101 Keeping It All Together Arp 2000 Rod Bolts Torque Specs • the arp 2000 rod bolt is an excellent value, considering how good its strength and fatigue life are. Enter your kit number in the field below and click “submit.” important: What is an arp 2000 bolt torque specs? There are three methods that can be employed to determine how much tension is exerted on a fastener; The specification is. Arp 2000 Rod Bolts Torque Specs.
From www.vwclub.co.za
UrgentARP torque specs needed. Arp 2000 Rod Bolts Torque Specs There are three methods that can be employed to determine how much tension is exerted on a fastener; The arp 2000 rod bolt torque specs are a measure of the rotational strength and stiffness of the bolt. The leaflet included with the rods. The specification is based on. Enter your kit number in the field below and click “submit.” important:. Arp 2000 Rod Bolts Torque Specs.
From eaglerod.com
EAG20070 Rod Bolts Arp 2000 3/8" 1.5" (16) Eagle Specialty Products Arp 2000 Rod Bolts Torque Specs The specification is based on. The leaflet included with the rods. Of the 5 rod bolts above: The arp 2000 rod bolt torque specs are a measure of the rotational strength and stiffness of the bolt. If you have an aftermarket. Please contact the rod manufacturer using the chart below for the exact values for. There are three methods that. Arp 2000 Rod Bolts Torque Specs.
From www.cannondigi.com
Sbc Eagle H Beam Rods Torque Specs The Best Picture Of Beam Arp 2000 Rod Bolts Torque Specs I have found some ambiguity it the torque spec for the above bolts. What is an arp 2000 bolt torque specs? Please contact the rod manufacturer using the chart below for the exact values for. Enter your kit number in the field below and click “submit.” important: Of the 5 rod bolts above: There are three methods that can be. Arp 2000 Rod Bolts Torque Specs.
From honda-tech.com
ARP 2000 rod bolts B18C1 Need Torq specs HondaTech Honda Forum Arp 2000 Rod Bolts Torque Specs Of the 5 rod bolts above: What is an arp 2000 bolt torque specs? Please contact the rod manufacturer using the chart below for the exact values for. 30 rows want to check a torque or stretch value? I have found some ambiguity it the torque spec for the above bolts. The leaflet included with the rods. The specification is. Arp 2000 Rod Bolts Torque Specs.
From guideaficat7z.z4.web.core.windows.net
Arp Main Bolt Torque Specs Sbc Arp 2000 Rod Bolts Torque Specs Of the 5 rod bolts above: I have found some ambiguity it the torque spec for the above bolts. 30 rows want to check a torque or stretch value? Enter your kit number in the field below and click “submit.” important: We provide the stretch and torque values below as a general guide. The specification is based on. The arp. Arp 2000 Rod Bolts Torque Specs.
From wiredataagbettorj3.z4.web.core.windows.net
Arp Head Bolts Torque Specs Arp 2000 Rod Bolts Torque Specs Using a torque wrench, measuring the. The specification is based on. We provide the stretch and torque values below as a general guide. Please contact the rod manufacturer using the chart below for the exact values for. I have found some ambiguity it the torque spec for the above bolts. Enter your kit number in the field below and click. Arp 2000 Rod Bolts Torque Specs.
From www.miataturbo.net
ARP Rod bolts reuse? Miata Turbo Forum Boost cars, acquire cats. Arp 2000 Rod Bolts Torque Specs We provide the stretch and torque values below as a general guide. • the arp 2000 rod bolt is an excellent value, considering how good its strength and fatigue life are. The specification is based on. There are three methods that can be employed to determine how much tension is exerted on a fastener; What is an arp 2000 bolt. Arp 2000 Rod Bolts Torque Specs.
From board.moparts.org
ARP 2407302 converter to flexplate bolt torque? Moparts Question and Arp 2000 Rod Bolts Torque Specs We provide the stretch and torque values below as a general guide. • the arp 2000 rod bolt is an excellent value, considering how good its strength and fatigue life are. Enter your kit number in the field below and click “submit.” important: The specification is based on. There are three methods that can be employed to determine how much. Arp 2000 Rod Bolts Torque Specs.
From www.aliexpress.com
Buy arp 4340 steel conncting rod bolt kit gen Arp 2000 Rod Bolts Torque Specs • the arp 2000 rod bolt is an excellent value, considering how good its strength and fatigue life are. Please contact the rod manufacturer using the chart below for the exact values for. There are three methods that can be employed to determine how much tension is exerted on a fastener; Of the 5 rod bolts above: Arp 2000 3/8. Arp 2000 Rod Bolts Torque Specs.
From wiredatasouldxj.z4.web.core.windows.net
Arp Main Bolt Torque Specs Sbc Arp 2000 Rod Bolts Torque Specs What is an arp 2000 bolt torque specs? The leaflet included with the rods. • the arp 2000 rod bolt is an excellent value, considering how good its strength and fatigue life are. There are three methods that can be employed to determine how much tension is exerted on a fastener; I have found some ambiguity it the torque spec. Arp 2000 Rod Bolts Torque Specs.