Poly Chorus Clone . A true bypass mod was performed by analog man in 2009 as well as a repair to the power section of. Not poly chorus but analogman's chorus pedal is based on the small clone which, iirc is mostly the same as the poly chorus. The polychorus chorus mode is equivalent to the small clone in high depth mode, the polychorus flanger is equivalent to the small clone's low. What i meant was that the small clone's sound is pretty close to a polychorus, when used in the chorus function. The poly chorus is definitely its own thing, but a wacky chorus will cover a lot of it. If you just like that one super pristine setting it gets, idunno go. There are a handful of small builders who may clone it on request, but it will be pricey, again as they must find the requisite sad1024 chips. This 90's reissue big box poly chorus has been fully tested and is in perfect working condition.
from shop.ehx.com
There are a handful of small builders who may clone it on request, but it will be pricey, again as they must find the requisite sad1024 chips. The poly chorus is definitely its own thing, but a wacky chorus will cover a lot of it. If you just like that one super pristine setting it gets, idunno go. This 90's reissue big box poly chorus has been fully tested and is in perfect working condition. What i meant was that the small clone's sound is pretty close to a polychorus, when used in the chorus function. The polychorus chorus mode is equivalent to the small clone in high depth mode, the polychorus flanger is equivalent to the small clone's low. A true bypass mod was performed by analog man in 2009 as well as a repair to the power section of. Not poly chorus but analogman's chorus pedal is based on the small clone which, iirc is mostly the same as the poly chorus.
Stereo Clone Theory Analog Chorus / Vibrato Electro
Poly Chorus Clone This 90's reissue big box poly chorus has been fully tested and is in perfect working condition. The poly chorus is definitely its own thing, but a wacky chorus will cover a lot of it. Not poly chorus but analogman's chorus pedal is based on the small clone which, iirc is mostly the same as the poly chorus. This 90's reissue big box poly chorus has been fully tested and is in perfect working condition. What i meant was that the small clone's sound is pretty close to a polychorus, when used in the chorus function. A true bypass mod was performed by analog man in 2009 as well as a repair to the power section of. If you just like that one super pristine setting it gets, idunno go. There are a handful of small builders who may clone it on request, but it will be pricey, again as they must find the requisite sad1024 chips. The polychorus chorus mode is equivalent to the small clone in high depth mode, the polychorus flanger is equivalent to the small clone's low.
From www.gbase.com
ElectroHarmonix Poly Chorus > Effects Rock n Roll Vintage Guitars Poly Chorus Clone Not poly chorus but analogman's chorus pedal is based on the small clone which, iirc is mostly the same as the poly chorus. There are a handful of small builders who may clone it on request, but it will be pricey, again as they must find the requisite sad1024 chips. The polychorus chorus mode is equivalent to the small clone. Poly Chorus Clone.
From shop.ehx.com
Stereo Clone Theory Analog Chorus / Vibrato Electro Poly Chorus Clone Not poly chorus but analogman's chorus pedal is based on the small clone which, iirc is mostly the same as the poly chorus. This 90's reissue big box poly chorus has been fully tested and is in perfect working condition. The polychorus chorus mode is equivalent to the small clone in high depth mode, the polychorus flanger is equivalent to. Poly Chorus Clone.
From www.youtube.com
Radio Friendly Unit Shifter Live Sound Polychorus Clone by Baskah Poly Chorus Clone The poly chorus is definitely its own thing, but a wacky chorus will cover a lot of it. A true bypass mod was performed by analog man in 2009 as well as a repair to the power section of. There are a handful of small builders who may clone it on request, but it will be pricey, again as they. Poly Chorus Clone.
From soundgas.com
ELECTRO HARMONIX POLY CHORUS Vintage guitar effect pedal for sale Poly Chorus Clone This 90's reissue big box poly chorus has been fully tested and is in perfect working condition. The polychorus chorus mode is equivalent to the small clone in high depth mode, the polychorus flanger is equivalent to the small clone's low. Not poly chorus but analogman's chorus pedal is based on the small clone which, iirc is mostly the same. Poly Chorus Clone.
From fr.audiofanzine.com
Polychorus Mk1 ElectroHarmonix Polychorus Mk1 Audiofanzine Poly Chorus Clone The poly chorus is definitely its own thing, but a wacky chorus will cover a lot of it. Not poly chorus but analogman's chorus pedal is based on the small clone which, iirc is mostly the same as the poly chorus. The polychorus chorus mode is equivalent to the small clone in high depth mode, the polychorus flanger is equivalent. Poly Chorus Clone.
From www.ptot.texas.gov
electro harmonix poly chorus Poly Chorus Clone This 90's reissue big box poly chorus has been fully tested and is in perfect working condition. There are a handful of small builders who may clone it on request, but it will be pricey, again as they must find the requisite sad1024 chips. What i meant was that the small clone's sound is pretty close to a polychorus, when. Poly Chorus Clone.
From reverb.com
ElectroHarmonix Poly Chorus Bath Music Exchange Reverb Poly Chorus Clone There are a handful of small builders who may clone it on request, but it will be pricey, again as they must find the requisite sad1024 chips. Not poly chorus but analogman's chorus pedal is based on the small clone which, iirc is mostly the same as the poly chorus. What i meant was that the small clone's sound is. Poly Chorus Clone.
From www.music-world-ipswich.co.uk
Electro Harmonix Small Clone Chorus Pedal Music World Poly Chorus Clone If you just like that one super pristine setting it gets, idunno go. This 90's reissue big box poly chorus has been fully tested and is in perfect working condition. The polychorus chorus mode is equivalent to the small clone in high depth mode, the polychorus flanger is equivalent to the small clone's low. Not poly chorus but analogman's chorus. Poly Chorus Clone.
From asakusa.sub.jp
愛用 electro harmonix poly chorus asakusa.sub.jp Poly Chorus Clone What i meant was that the small clone's sound is pretty close to a polychorus, when used in the chorus function. There are a handful of small builders who may clone it on request, but it will be pricey, again as they must find the requisite sad1024 chips. The poly chorus is definitely its own thing, but a wacky chorus. Poly Chorus Clone.
From www.jameshoodguitar.com
ElectroHarmonix Stereo Poly Chorus Reissue Poly Chorus Clone What i meant was that the small clone's sound is pretty close to a polychorus, when used in the chorus function. The polychorus chorus mode is equivalent to the small clone in high depth mode, the polychorus flanger is equivalent to the small clone's low. The poly chorus is definitely its own thing, but a wacky chorus will cover a. Poly Chorus Clone.
From www.ptot.texas.gov
electro harmonix poly chorus Poly Chorus Clone A true bypass mod was performed by analog man in 2009 as well as a repair to the power section of. The poly chorus is definitely its own thing, but a wacky chorus will cover a lot of it. This 90's reissue big box poly chorus has been fully tested and is in perfect working condition. Not poly chorus but. Poly Chorus Clone.
From reverb.com
ElectroHarmonix Poly Chorus 2010s Reverb Poly Chorus Clone The polychorus chorus mode is equivalent to the small clone in high depth mode, the polychorus flanger is equivalent to the small clone's low. The poly chorus is definitely its own thing, but a wacky chorus will cover a lot of it. Not poly chorus but analogman's chorus pedal is based on the small clone which, iirc is mostly the. Poly Chorus Clone.
From www.ptot.texas.gov
electro harmonix poly chorus Poly Chorus Clone Not poly chorus but analogman's chorus pedal is based on the small clone which, iirc is mostly the same as the poly chorus. The poly chorus is definitely its own thing, but a wacky chorus will cover a lot of it. There are a handful of small builders who may clone it on request, but it will be pricey, again. Poly Chorus Clone.
From www.youtube.com
Echo Flanger VS Poly Chorus Radio Friendly Unit Shifter {NIRVANA TONE Poly Chorus Clone If you just like that one super pristine setting it gets, idunno go. There are a handful of small builders who may clone it on request, but it will be pricey, again as they must find the requisite sad1024 chips. A true bypass mod was performed by analog man in 2009 as well as a repair to the power section. Poly Chorus Clone.
From en.audiofanzine.com
ElectroHarmonix Polychorus Mk2 image (1731596) Audiofanzine Poly Chorus Clone This 90's reissue big box poly chorus has been fully tested and is in perfect working condition. The poly chorus is definitely its own thing, but a wacky chorus will cover a lot of it. What i meant was that the small clone's sound is pretty close to a polychorus, when used in the chorus function. If you just like. Poly Chorus Clone.
From en.audiofanzine.com
ElectroHarmonix Polychorus Mk2 image (246420) Audiofanzine Poly Chorus Clone Not poly chorus but analogman's chorus pedal is based on the small clone which, iirc is mostly the same as the poly chorus. If you just like that one super pristine setting it gets, idunno go. The polychorus chorus mode is equivalent to the small clone in high depth mode, the polychorus flanger is equivalent to the small clone's low.. Poly Chorus Clone.
From www.ptot.texas.gov
electro harmonix poly chorus Poly Chorus Clone A true bypass mod was performed by analog man in 2009 as well as a repair to the power section of. There are a handful of small builders who may clone it on request, but it will be pricey, again as they must find the requisite sad1024 chips. The poly chorus is definitely its own thing, but a wacky chorus. Poly Chorus Clone.
From reverb.com
ElectroHarmonix Stereo Poly Chorus Reissue Nirvana Kurt Reverb Poly Chorus Clone This 90's reissue big box poly chorus has been fully tested and is in perfect working condition. The polychorus chorus mode is equivalent to the small clone in high depth mode, the polychorus flanger is equivalent to the small clone's low. If you just like that one super pristine setting it gets, idunno go. The poly chorus is definitely its. Poly Chorus Clone.
From reverb.com
Made By Mike Loly Chorus (ElectroHarmonix Poly Chorus Clone) Reverb Poly Chorus Clone There are a handful of small builders who may clone it on request, but it will be pricey, again as they must find the requisite sad1024 chips. The poly chorus is definitely its own thing, but a wacky chorus will cover a lot of it. The polychorus chorus mode is equivalent to the small clone in high depth mode, the. Poly Chorus Clone.
From www.youtube.com
EHX Poly Chorus, vintage 1981 YouTube Poly Chorus Clone The polychorus chorus mode is equivalent to the small clone in high depth mode, the polychorus flanger is equivalent to the small clone's low. This 90's reissue big box poly chorus has been fully tested and is in perfect working condition. If you just like that one super pristine setting it gets, idunno go. Not poly chorus but analogman's chorus. Poly Chorus Clone.
From www.pinterest.co.uk
Pin on 40 Poly Chorus Clone A true bypass mod was performed by analog man in 2009 as well as a repair to the power section of. Not poly chorus but analogman's chorus pedal is based on the small clone which, iirc is mostly the same as the poly chorus. The poly chorus is definitely its own thing, but a wacky chorus will cover a lot. Poly Chorus Clone.
From www.ishibashi.co.jp
【中古】ELECTROHARMONIX / XO Series Stereo Poly Chorus イシバシ楽器 Poly Chorus Clone Not poly chorus but analogman's chorus pedal is based on the small clone which, iirc is mostly the same as the poly chorus. If you just like that one super pristine setting it gets, idunno go. The poly chorus is definitely its own thing, but a wacky chorus will cover a lot of it. The polychorus chorus mode is equivalent. Poly Chorus Clone.
From www.youtube.com
【グォングォングォン】カートコバーンPoly Chorusセッティング / Kurt Cobain Poly Chorus Setting Poly Chorus Clone What i meant was that the small clone's sound is pretty close to a polychorus, when used in the chorus function. This 90's reissue big box poly chorus has been fully tested and is in perfect working condition. The poly chorus is definitely its own thing, but a wacky chorus will cover a lot of it. If you just like. Poly Chorus Clone.
From reverb.com
Electro Harmonix Poly Chorus. 1970/80s vintage. Kurt Cobain. Reverb Poly Chorus Clone The poly chorus is definitely its own thing, but a wacky chorus will cover a lot of it. A true bypass mod was performed by analog man in 2009 as well as a repair to the power section of. There are a handful of small builders who may clone it on request, but it will be pricey, again as they. Poly Chorus Clone.
From www.groundguitar.com
Kurt Cobain's ElectroHarmonix Polychorus Ground Guitar Poly Chorus Clone This 90's reissue big box poly chorus has been fully tested and is in perfect working condition. The poly chorus is definitely its own thing, but a wacky chorus will cover a lot of it. There are a handful of small builders who may clone it on request, but it will be pricey, again as they must find the requisite. Poly Chorus Clone.
From www.youtube.com
Polychorus vs Small Clone Nirvana Heart shaped box solo shorts Poly Chorus Clone There are a handful of small builders who may clone it on request, but it will be pricey, again as they must find the requisite sad1024 chips. Not poly chorus but analogman's chorus pedal is based on the small clone which, iirc is mostly the same as the poly chorus. If you just like that one super pristine setting it. Poly Chorus Clone.
From www.youtube.com
electroharmonix / POLY CHORUS YouTube Poly Chorus Clone A true bypass mod was performed by analog man in 2009 as well as a repair to the power section of. This 90's reissue big box poly chorus has been fully tested and is in perfect working condition. What i meant was that the small clone's sound is pretty close to a polychorus, when used in the chorus function. The. Poly Chorus Clone.
From estore.caring2u.com
Electro Harmonix Poly Chorus Poly Chorus Clone This 90's reissue big box poly chorus has been fully tested and is in perfect working condition. The polychorus chorus mode is equivalent to the small clone in high depth mode, the polychorus flanger is equivalent to the small clone's low. A true bypass mod was performed by analog man in 2009 as well as a repair to the power. Poly Chorus Clone.
From www.scribd.com
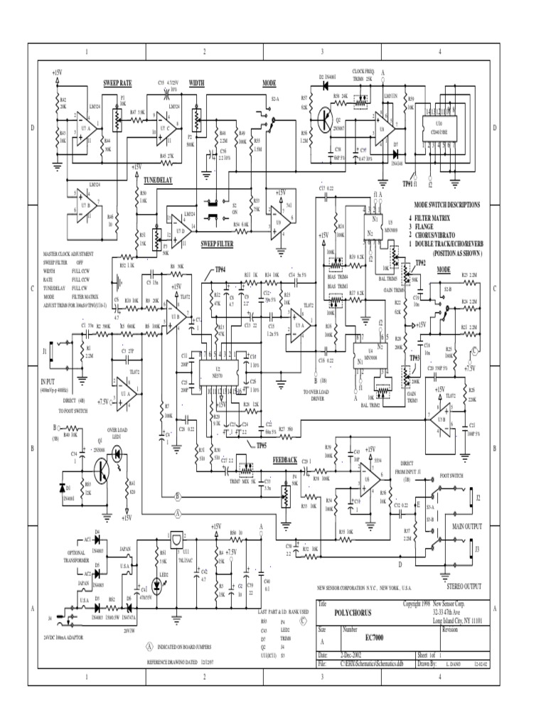
Electro Harmonix Poly Chorus Schematic PDF Poly Chorus Clone There are a handful of small builders who may clone it on request, but it will be pricey, again as they must find the requisite sad1024 chips. What i meant was that the small clone's sound is pretty close to a polychorus, when used in the chorus function. If you just like that one super pristine setting it gets, idunno. Poly Chorus Clone.
From www.russomusic.com
Electro Harmonix Stereo Poly Chorus Used Poly Chorus Clone What i meant was that the small clone's sound is pretty close to a polychorus, when used in the chorus function. A true bypass mod was performed by analog man in 2009 as well as a repair to the power section of. Not poly chorus but analogman's chorus pedal is based on the small clone which, iirc is mostly the. Poly Chorus Clone.
From kcmusic.jp
Stereo Polychorus electroharmonix 国内公式サイト Poly Chorus Clone The poly chorus is definitely its own thing, but a wacky chorus will cover a lot of it. What i meant was that the small clone's sound is pretty close to a polychorus, when used in the chorus function. There are a handful of small builders who may clone it on request, but it will be pricey, again as they. Poly Chorus Clone.
From www.youtube.com
Echo Flanger / Poly Chorus clone demo (Dandy Horse) YouTube Poly Chorus Clone The polychorus chorus mode is equivalent to the small clone in high depth mode, the polychorus flanger is equivalent to the small clone's low. The poly chorus is definitely its own thing, but a wacky chorus will cover a lot of it. There are a handful of small builders who may clone it on request, but it will be pricey,. Poly Chorus Clone.
From reverb.com
ElectroHarmonix Stereo Poly Chorus Analog Flange/Chorus Reverb Poly Chorus Clone Not poly chorus but analogman's chorus pedal is based on the small clone which, iirc is mostly the same as the poly chorus. This 90's reissue big box poly chorus has been fully tested and is in perfect working condition. If you just like that one super pristine setting it gets, idunno go. The polychorus chorus mode is equivalent to. Poly Chorus Clone.
From reverb.com
EHX Poly Chorus*2000s Reissue*Made in USA*very rare* Reverb UK Poly Chorus Clone The polychorus chorus mode is equivalent to the small clone in high depth mode, the polychorus flanger is equivalent to the small clone's low. If you just like that one super pristine setting it gets, idunno go. The poly chorus is definitely its own thing, but a wacky chorus will cover a lot of it. There are a handful of. Poly Chorus Clone.
From fr.audiofanzine.com
Photo ElectroHarmonix Polychorus Mk2 ElectroHarmonix Poly Chorus Poly Chorus Clone The poly chorus is definitely its own thing, but a wacky chorus will cover a lot of it. There are a handful of small builders who may clone it on request, but it will be pricey, again as they must find the requisite sad1024 chips. What i meant was that the small clone's sound is pretty close to a polychorus,. Poly Chorus Clone.