Toyota Hilux Accelerator Not Working . Parts stores usually do this for free. This guide is built to help you. If your battery died or you bought a new battery and your camry, or other toyota is having problems running, and idling try this. Toyota hilux accelerator pedal not working code p0121. If your toyota hilux is jerking when you press the accelerator, a few common issues can cause this. I've purchase a new hilux 2021 invinvible x in the uk, 5 weeks old, 1500 miles into ownership had a 'check engine visit your. #1 is to get the code checked to figure out why the check engine light is on. The most common symptoms of a bad accelerator pedal position sensor are an unresponsive accelerator pedal and a check.
from www.wrekking.com.au
Parts stores usually do this for free. Toyota hilux accelerator pedal not working code p0121. If your battery died or you bought a new battery and your camry, or other toyota is having problems running, and idling try this. I've purchase a new hilux 2021 invinvible x in the uk, 5 weeks old, 1500 miles into ownership had a 'check engine visit your. This guide is built to help you. The most common symptoms of a bad accelerator pedal position sensor are an unresponsive accelerator pedal and a check. If your toyota hilux is jerking when you press the accelerator, a few common issues can cause this. #1 is to get the code checked to figure out why the check engine light is on.
Toyota Hilux Accelerator Pedal Wrek King
Toyota Hilux Accelerator Not Working If your battery died or you bought a new battery and your camry, or other toyota is having problems running, and idling try this. Parts stores usually do this for free. I've purchase a new hilux 2021 invinvible x in the uk, 5 weeks old, 1500 miles into ownership had a 'check engine visit your. Toyota hilux accelerator pedal not working code p0121. This guide is built to help you. If your toyota hilux is jerking when you press the accelerator, a few common issues can cause this. The most common symptoms of a bad accelerator pedal position sensor are an unresponsive accelerator pedal and a check. #1 is to get the code checked to figure out why the check engine light is on. If your battery died or you bought a new battery and your camry, or other toyota is having problems running, and idling try this.
From www.ebay.com.au
TOYOTA HILUX PETROL ACCELERATOR PEDAL 03/0508/11 05 06 07 08 09 10 11 Toyota Hilux Accelerator Not Working #1 is to get the code checked to figure out why the check engine light is on. Parts stores usually do this for free. Toyota hilux accelerator pedal not working code p0121. If your battery died or you bought a new battery and your camry, or other toyota is having problems running, and idling try this. If your toyota hilux. Toyota Hilux Accelerator Not Working.
From www.youtube.com
toyota hilux ac not workingtoyota hilux ac not workingtoyota hilux ac Toyota Hilux Accelerator Not Working This guide is built to help you. #1 is to get the code checked to figure out why the check engine light is on. I've purchase a new hilux 2021 invinvible x in the uk, 5 weeks old, 1500 miles into ownership had a 'check engine visit your. If your battery died or you bought a new battery and your. Toyota Hilux Accelerator Not Working.
From www.ebay.co.uk
TOYOTA Hilux **CATALYTIC CONVERTER** SENSOR NOT WORKING. eBay Toyota Hilux Accelerator Not Working The most common symptoms of a bad accelerator pedal position sensor are an unresponsive accelerator pedal and a check. This guide is built to help you. Toyota hilux accelerator pedal not working code p0121. Parts stores usually do this for free. #1 is to get the code checked to figure out why the check engine light is on. If your. Toyota Hilux Accelerator Not Working.
From www.thtruckparts.com.tw
Accelerator Pedal Sensor 8928144010 1983008010 CR50 For TOYOTA Hilux Toyota Hilux Accelerator Not Working If your battery died or you bought a new battery and your camry, or other toyota is having problems running, and idling try this. This guide is built to help you. If your toyota hilux is jerking when you press the accelerator, a few common issues can cause this. Parts stores usually do this for free. The most common symptoms. Toyota Hilux Accelerator Not Working.
From www.youtube.com
Toyota hilux repairing of accelerator sensor, réparation de capteur de Toyota Hilux Accelerator Not Working If your battery died or you bought a new battery and your camry, or other toyota is having problems running, and idling try this. The most common symptoms of a bad accelerator pedal position sensor are an unresponsive accelerator pedal and a check. #1 is to get the code checked to figure out why the check engine light is on.. Toyota Hilux Accelerator Not Working.
From www.wheelsjoint.com
Toyota Hilux horn not working causes and how to fix it Toyota Hilux Accelerator Not Working If your toyota hilux is jerking when you press the accelerator, a few common issues can cause this. The most common symptoms of a bad accelerator pedal position sensor are an unresponsive accelerator pedal and a check. If your battery died or you bought a new battery and your camry, or other toyota is having problems running, and idling try. Toyota Hilux Accelerator Not Working.
From www.amayama.com
Accelerator link for Toyota Hilux Pick Up N50, N60, N70, 4 generation Toyota Hilux Accelerator Not Working If your toyota hilux is jerking when you press the accelerator, a few common issues can cause this. The most common symptoms of a bad accelerator pedal position sensor are an unresponsive accelerator pedal and a check. If your battery died or you bought a new battery and your camry, or other toyota is having problems running, and idling try. Toyota Hilux Accelerator Not Working.
From www.wrekking.com.au
Toyota Hilux Accelerator Pedal Wrek King Toyota Hilux Accelerator Not Working If your battery died or you bought a new battery and your camry, or other toyota is having problems running, and idling try this. This guide is built to help you. The most common symptoms of a bad accelerator pedal position sensor are an unresponsive accelerator pedal and a check. Parts stores usually do this for free. If your toyota. Toyota Hilux Accelerator Not Working.
From www.youtube.com
how to fix accelerator and brake pedals depressed simultaneously on Toyota Hilux Accelerator Not Working Parts stores usually do this for free. The most common symptoms of a bad accelerator pedal position sensor are an unresponsive accelerator pedal and a check. This guide is built to help you. #1 is to get the code checked to figure out why the check engine light is on. I've purchase a new hilux 2021 invinvible x in the. Toyota Hilux Accelerator Not Working.
From www.ebay.com
Accelerator Throttle Cable Fit Toyota Hilux Pickup LN85 LN106 107 LN111 Toyota Hilux Accelerator Not Working This guide is built to help you. Parts stores usually do this for free. Toyota hilux accelerator pedal not working code p0121. If your toyota hilux is jerking when you press the accelerator, a few common issues can cause this. #1 is to get the code checked to figure out why the check engine light is on. The most common. Toyota Hilux Accelerator Not Working.
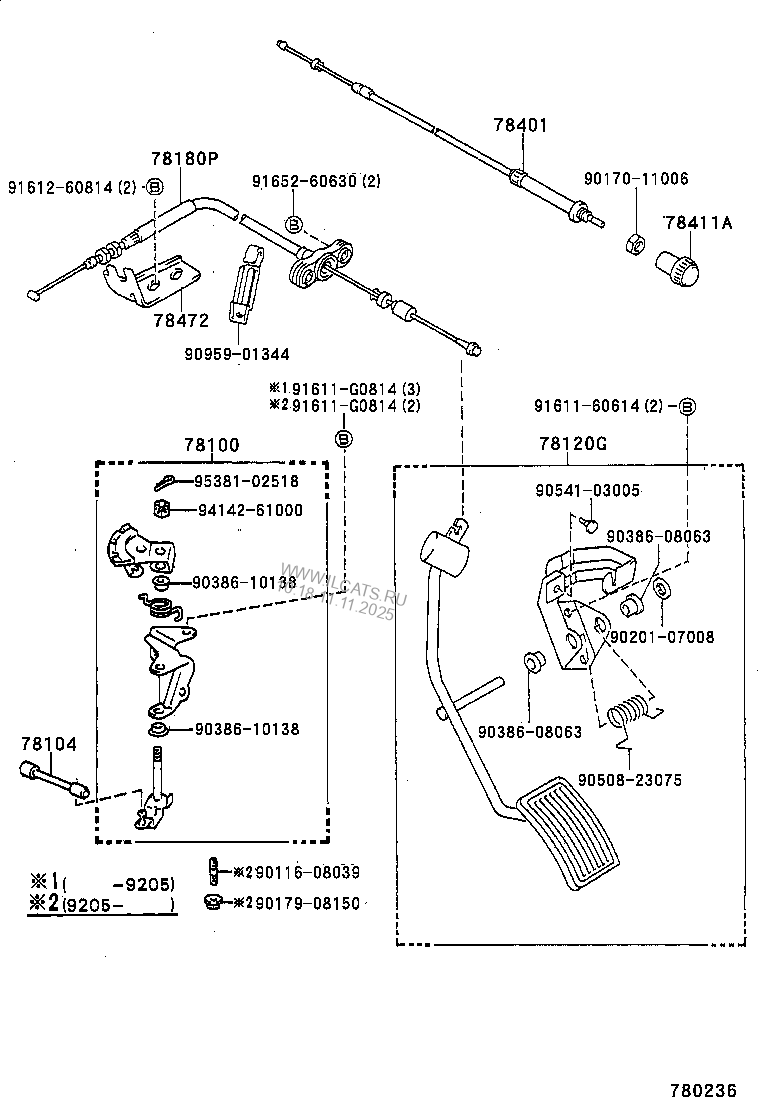
From www.ilcats.ru
ACCELERATOR LINK TOYOTA HILUX 2WD&(672350) Toyota Hilux Accelerator Not Working #1 is to get the code checked to figure out why the check engine light is on. If your toyota hilux is jerking when you press the accelerator, a few common issues can cause this. The most common symptoms of a bad accelerator pedal position sensor are an unresponsive accelerator pedal and a check. This guide is built to help. Toyota Hilux Accelerator Not Working.
From www.lazada.sg
Applicable to TOYOTA HILUX HILUX VIII Pickup power module Toyota Hilux Accelerator Not Working #1 is to get the code checked to figure out why the check engine light is on. If your battery died or you bought a new battery and your camry, or other toyota is having problems running, and idling try this. If your toyota hilux is jerking when you press the accelerator, a few common issues can cause this. I've. Toyota Hilux Accelerator Not Working.
From www.amayama.com
Accelerator link for Toyota Hilux Pick Up AN120, 8 generation 05.2015 Toyota Hilux Accelerator Not Working If your toyota hilux is jerking when you press the accelerator, a few common issues can cause this. Parts stores usually do this for free. I've purchase a new hilux 2021 invinvible x in the uk, 5 weeks old, 1500 miles into ownership had a 'check engine visit your. If your battery died or you bought a new battery and. Toyota Hilux Accelerator Not Working.
From www.amayama.com
Accelerator link for Toyota Hilux GUN125 Genuine parts Amayama Toyota Hilux Accelerator Not Working If your toyota hilux is jerking when you press the accelerator, a few common issues can cause this. #1 is to get the code checked to figure out why the check engine light is on. If your battery died or you bought a new battery and your camry, or other toyota is having problems running, and idling try this. This. Toyota Hilux Accelerator Not Working.
From www.youtube.com
Toyota Hilux 2011 horn not working... Sort of... Fault finding and Toyota Hilux Accelerator Not Working Parts stores usually do this for free. If your toyota hilux is jerking when you press the accelerator, a few common issues can cause this. Toyota hilux accelerator pedal not working code p0121. The most common symptoms of a bad accelerator pedal position sensor are an unresponsive accelerator pedal and a check. This guide is built to help you. I've. Toyota Hilux Accelerator Not Working.
From autopublic.org
Used TOYOTA Hilux Accelerator valve 2610030070 Toyota Hilux Accelerator Not Working Parts stores usually do this for free. The most common symptoms of a bad accelerator pedal position sensor are an unresponsive accelerator pedal and a check. If your battery died or you bought a new battery and your camry, or other toyota is having problems running, and idling try this. #1 is to get the code checked to figure out. Toyota Hilux Accelerator Not Working.
From shopee.com.my
TOYOTA HILUX LN166 ACCELERATOR CABLE(7818035430) Shopee Malaysia Toyota Hilux Accelerator Not Working #1 is to get the code checked to figure out why the check engine light is on. If your battery died or you bought a new battery and your camry, or other toyota is having problems running, and idling try this. Parts stores usually do this for free. This guide is built to help you. The most common symptoms of. Toyota Hilux Accelerator Not Working.
From www.ebay.com
Accelerator Throttle Control Cable Assy For Toyota Hilux Pickup LN80 Toyota Hilux Accelerator Not Working #1 is to get the code checked to figure out why the check engine light is on. If your toyota hilux is jerking when you press the accelerator, a few common issues can cause this. Toyota hilux accelerator pedal not working code p0121. I've purchase a new hilux 2021 invinvible x in the uk, 5 weeks old, 1500 miles into. Toyota Hilux Accelerator Not Working.
From www.youtube.com
Toyota Hilux inspect accelerator and brake pedal depressed Toyota Hilux Accelerator Not Working This guide is built to help you. If your toyota hilux is jerking when you press the accelerator, a few common issues can cause this. Toyota hilux accelerator pedal not working code p0121. I've purchase a new hilux 2021 invinvible x in the uk, 5 weeks old, 1500 miles into ownership had a 'check engine visit your. #1 is to. Toyota Hilux Accelerator Not Working.
From shopee.com.my
Original Toyota Hilux Revo GUN125 GUN126 20152022 Accelerator Throttle Toyota Hilux Accelerator Not Working This guide is built to help you. If your toyota hilux is jerking when you press the accelerator, a few common issues can cause this. Parts stores usually do this for free. If your battery died or you bought a new battery and your camry, or other toyota is having problems running, and idling try this. I've purchase a new. Toyota Hilux Accelerator Not Working.
From www.youtube.com
(2019y) HILUX full acceleration test. TOYOTA GUN125.Diesel turbo YouTube Toyota Hilux Accelerator Not Working Parts stores usually do this for free. If your toyota hilux is jerking when you press the accelerator, a few common issues can cause this. This guide is built to help you. If your battery died or you bought a new battery and your camry, or other toyota is having problems running, and idling try this. I've purchase a new. Toyota Hilux Accelerator Not Working.
From www.amayama.com
Accelerator link for Toyota Hilux / 4Runner LN106L Amayama Toyota Hilux Accelerator Not Working #1 is to get the code checked to figure out why the check engine light is on. If your toyota hilux is jerking when you press the accelerator, a few common issues can cause this. I've purchase a new hilux 2021 invinvible x in the uk, 5 weeks old, 1500 miles into ownership had a 'check engine visit your. The. Toyota Hilux Accelerator Not Working.
From www.youtube.com
Toyota hilux revo ( acceleration ) V variant 2020 YouTube Toyota Hilux Accelerator Not Working The most common symptoms of a bad accelerator pedal position sensor are an unresponsive accelerator pedal and a check. Parts stores usually do this for free. This guide is built to help you. If your battery died or you bought a new battery and your camry, or other toyota is having problems running, and idling try this. Toyota hilux accelerator. Toyota Hilux Accelerator Not Working.
From www.wrekking.com.au
Toyota Hilux Accelerator Pedal Wrek King Toyota Hilux Accelerator Not Working I've purchase a new hilux 2021 invinvible x in the uk, 5 weeks old, 1500 miles into ownership had a 'check engine visit your. #1 is to get the code checked to figure out why the check engine light is on. Parts stores usually do this for free. If your toyota hilux is jerking when you press the accelerator, a. Toyota Hilux Accelerator Not Working.
From www.youtube.com
عملية تسريع سيارة تويوتا هايلوكس 2015 في طريقه Toyota Hilux 2015 Toyota Hilux Accelerator Not Working Parts stores usually do this for free. If your toyota hilux is jerking when you press the accelerator, a few common issues can cause this. I've purchase a new hilux 2021 invinvible x in the uk, 5 weeks old, 1500 miles into ownership had a 'check engine visit your. The most common symptoms of a bad accelerator pedal position sensor. Toyota Hilux Accelerator Not Working.
From www.wrekking.com.au
Toyota Hilux Accelerator Pedal Wrek King Toyota Hilux Accelerator Not Working This guide is built to help you. The most common symptoms of a bad accelerator pedal position sensor are an unresponsive accelerator pedal and a check. #1 is to get the code checked to figure out why the check engine light is on. If your battery died or you bought a new battery and your camry, or other toyota is. Toyota Hilux Accelerator Not Working.
From www.extramileautoparts.com.au
Accelerator Cable For Toyota Hilux YN674Y 2.2L Carby 08/198507/88 Toyota Hilux Accelerator Not Working If your battery died or you bought a new battery and your camry, or other toyota is having problems running, and idling try this. The most common symptoms of a bad accelerator pedal position sensor are an unresponsive accelerator pedal and a check. #1 is to get the code checked to figure out why the check engine light is on.. Toyota Hilux Accelerator Not Working.
From www.youtube.com
BASIC TROUBLE HORN ISSUE/ TOYOTA HILUX YouTube Toyota Hilux Accelerator Not Working Parts stores usually do this for free. If your toyota hilux is jerking when you press the accelerator, a few common issues can cause this. I've purchase a new hilux 2021 invinvible x in the uk, 5 weeks old, 1500 miles into ownership had a 'check engine visit your. #1 is to get the code checked to figure out why. Toyota Hilux Accelerator Not Working.
From www.lazada.com.my
TOYOTA HILUX REVO ROCCO ROGUE 20162023 EASYCAR POWER BOOST THROTTLE Toyota Hilux Accelerator Not Working If your toyota hilux is jerking when you press the accelerator, a few common issues can cause this. This guide is built to help you. If your battery died or you bought a new battery and your camry, or other toyota is having problems running, and idling try this. #1 is to get the code checked to figure out why. Toyota Hilux Accelerator Not Working.
From www.youtube.com
Toyota Hilux 2017(2TR)Engine Knocking & Poor Pickup RPM Not Perform Toyota Hilux Accelerator Not Working Parts stores usually do this for free. If your toyota hilux is jerking when you press the accelerator, a few common issues can cause this. The most common symptoms of a bad accelerator pedal position sensor are an unresponsive accelerator pedal and a check. I've purchase a new hilux 2021 invinvible x in the uk, 5 weeks old, 1500 miles. Toyota Hilux Accelerator Not Working.
From www.wrekking.com.au
Toyota Hilux Accelerator Pedal Wrek King Toyota Hilux Accelerator Not Working The most common symptoms of a bad accelerator pedal position sensor are an unresponsive accelerator pedal and a check. I've purchase a new hilux 2021 invinvible x in the uk, 5 weeks old, 1500 miles into ownership had a 'check engine visit your. If your battery died or you bought a new battery and your camry, or other toyota is. Toyota Hilux Accelerator Not Working.
From www.youtube.com
Toyota Hilux Acceleration YouTube Toyota Hilux Accelerator Not Working I've purchase a new hilux 2021 invinvible x in the uk, 5 weeks old, 1500 miles into ownership had a 'check engine visit your. This guide is built to help you. If your battery died or you bought a new battery and your camry, or other toyota is having problems running, and idling try this. #1 is to get the. Toyota Hilux Accelerator Not Working.
From www.youtube.com
accelerator and brake pedals depressed simultaneously toyota hilux Toyota Hilux Accelerator Not Working If your toyota hilux is jerking when you press the accelerator, a few common issues can cause this. This guide is built to help you. The most common symptoms of a bad accelerator pedal position sensor are an unresponsive accelerator pedal and a check. #1 is to get the code checked to figure out why the check engine light is. Toyota Hilux Accelerator Not Working.
From www.youtube.com
How to fix Code p2121 toyota hilux accelerator pedal not working Toyota Hilux Accelerator Not Working This guide is built to help you. I've purchase a new hilux 2021 invinvible x in the uk, 5 weeks old, 1500 miles into ownership had a 'check engine visit your. Parts stores usually do this for free. #1 is to get the code checked to figure out why the check engine light is on. If your toyota hilux is. Toyota Hilux Accelerator Not Working.
From autopublic.org
Used TOYOTA Hilux Accelerator valve 2610030080 Toyota Hilux Accelerator Not Working The most common symptoms of a bad accelerator pedal position sensor are an unresponsive accelerator pedal and a check. If your toyota hilux is jerking when you press the accelerator, a few common issues can cause this. This guide is built to help you. If your battery died or you bought a new battery and your camry, or other toyota. Toyota Hilux Accelerator Not Working.