Inboard Boat Motor Heat Exchanger . this configuration utilizes contained antifreeze in the main part of the motor and also uses a heat exchanger much like the purpose of a radiator in an automotive. However, larger commercial application will. bespoke cooling solutions for a range of popular marine engines from major oems, including coolant heat exchangers, charge air coolers, plus combined heat exchangers and exhaust manifolds, suitable for cooling marine engines up to 1 mw. For most marine applications the tube and shell type of heat exchanger is used. The bowman heat exchanger is combined with the. boat heat exchangers by orca marine cooling systems. They play the same role in shedding heat. The heat exchanger is the heart of the closed cooling system. how to service a marine engine cooling system: It uses raw lake or ocean water brought in from the raw water pump to act. Heat exchangers for marine engines are critical components. new replacement heat exchangers are offered for your inboard powered boat with an aging or worn marine heat exchanger,. think of the heat exchanger on your boat engine as the radiator on your car:
from arrow-om.com
Heat exchangers for marine engines are critical components. It uses raw lake or ocean water brought in from the raw water pump to act. new replacement heat exchangers are offered for your inboard powered boat with an aging or worn marine heat exchanger,. However, larger commercial application will. this configuration utilizes contained antifreeze in the main part of the motor and also uses a heat exchanger much like the purpose of a radiator in an automotive. boat heat exchangers by orca marine cooling systems. bespoke cooling solutions for a range of popular marine engines from major oems, including coolant heat exchangers, charge air coolers, plus combined heat exchangers and exhaust manifolds, suitable for cooling marine engines up to 1 mw. For most marine applications the tube and shell type of heat exchanger is used. how to service a marine engine cooling system: They play the same role in shedding heat.
Small marine inboard boat propulsion engines heat exchanger ZH2110C
Inboard Boat Motor Heat Exchanger For most marine applications the tube and shell type of heat exchanger is used. think of the heat exchanger on your boat engine as the radiator on your car: boat heat exchangers by orca marine cooling systems. this configuration utilizes contained antifreeze in the main part of the motor and also uses a heat exchanger much like the purpose of a radiator in an automotive. The heat exchanger is the heart of the closed cooling system. new replacement heat exchangers are offered for your inboard powered boat with an aging or worn marine heat exchanger,. bespoke cooling solutions for a range of popular marine engines from major oems, including coolant heat exchangers, charge air coolers, plus combined heat exchangers and exhaust manifolds, suitable for cooling marine engines up to 1 mw. It uses raw lake or ocean water brought in from the raw water pump to act. For most marine applications the tube and shell type of heat exchanger is used. However, larger commercial application will. Heat exchangers for marine engines are critical components. The bowman heat exchanger is combined with the. They play the same role in shedding heat. how to service a marine engine cooling system:
From maxmarineoutlet.com
Marine Diesel Inboard Boat Motor Water Heat Exchanger Converter Max Inboard Boat Motor Heat Exchanger this configuration utilizes contained antifreeze in the main part of the motor and also uses a heat exchanger much like the purpose of a radiator in an automotive. think of the heat exchanger on your boat engine as the radiator on your car: Heat exchangers for marine engines are critical components. bespoke cooling solutions for a range. Inboard Boat Motor Heat Exchanger.
From www.boats.com
Inboard Engine Cooling Systems Inboard Boat Motor Heat Exchanger For most marine applications the tube and shell type of heat exchanger is used. The heat exchanger is the heart of the closed cooling system. However, larger commercial application will. They play the same role in shedding heat. bespoke cooling solutions for a range of popular marine engines from major oems, including coolant heat exchangers, charge air coolers, plus. Inboard Boat Motor Heat Exchanger.
From arrow-om.com
Small marine inboard boat propulsion engines heat exchanger ZH2110C Inboard Boat Motor Heat Exchanger this configuration utilizes contained antifreeze in the main part of the motor and also uses a heat exchanger much like the purpose of a radiator in an automotive. They play the same role in shedding heat. new replacement heat exchangers are offered for your inboard powered boat with an aging or worn marine heat exchanger,. boat heat. Inboard Boat Motor Heat Exchanger.
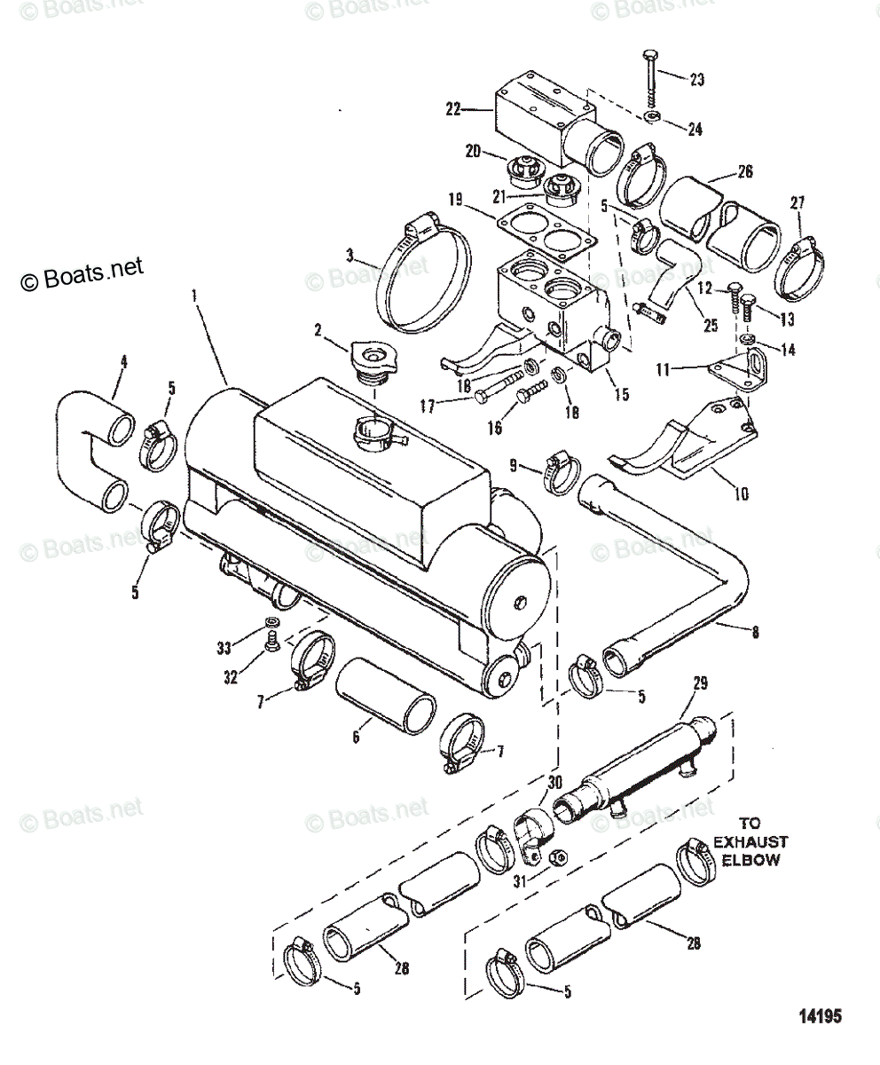
From www.boats.net
Mercruiser Sterndrive Diesel Engines OEM Parts Diagram for HEAT Inboard Boat Motor Heat Exchanger think of the heat exchanger on your boat engine as the radiator on your car: Heat exchangers for marine engines are critical components. how to service a marine engine cooling system: It uses raw lake or ocean water brought in from the raw water pump to act. The heat exchanger is the heart of the closed cooling system.. Inboard Boat Motor Heat Exchanger.
From maxmarineoutlet.com
Marine Diesel Inboard Boat Motor Water Heat Exchanger Converter Max Inboard Boat Motor Heat Exchanger think of the heat exchanger on your boat engine as the radiator on your car: They play the same role in shedding heat. The bowman heat exchanger is combined with the. The heat exchanger is the heart of the closed cooling system. new replacement heat exchangers are offered for your inboard powered boat with an aging or worn. Inboard Boat Motor Heat Exchanger.
From maxmarineoutlet.com
Marine Diesel Inboard Boat Motor Water Heat Exchanger Converter Max Inboard Boat Motor Heat Exchanger However, larger commercial application will. boat heat exchangers by orca marine cooling systems. For most marine applications the tube and shell type of heat exchanger is used. Heat exchangers for marine engines are critical components. new replacement heat exchangers are offered for your inboard powered boat with an aging or worn marine heat exchanger,. It uses raw lake. Inboard Boat Motor Heat Exchanger.
From ab-marineservice.com
Volvo Penta 2002 (heat exchanger) 18hp Inboard engine AB Marine service Inboard Boat Motor Heat Exchanger Heat exchangers for marine engines are critical components. The bowman heat exchanger is combined with the. However, larger commercial application will. how to service a marine engine cooling system: think of the heat exchanger on your boat engine as the radiator on your car: this configuration utilizes contained antifreeze in the main part of the motor and. Inboard Boat Motor Heat Exchanger.
From maxmarineoutlet.com
Marine Diesel Inboard Boat Motor Water Heat Exchanger Converter Max Inboard Boat Motor Heat Exchanger new replacement heat exchangers are offered for your inboard powered boat with an aging or worn marine heat exchanger,. Heat exchangers for marine engines are critical components. bespoke cooling solutions for a range of popular marine engines from major oems, including coolant heat exchangers, charge air coolers, plus combined heat exchangers and exhaust manifolds, suitable for cooling marine. Inboard Boat Motor Heat Exchanger.
From maxmarineoutlet.com
Marine Diesel Inboard Boat Motor Water Heat Exchanger Converter Max Inboard Boat Motor Heat Exchanger However, larger commercial application will. boat heat exchangers by orca marine cooling systems. Heat exchangers for marine engines are critical components. They play the same role in shedding heat. think of the heat exchanger on your boat engine as the radiator on your car: new replacement heat exchangers are offered for your inboard powered boat with an. Inboard Boat Motor Heat Exchanger.
From www.precisionmarine.com.au
Heat Exchangers SAVAGE Precision Marine Inboard Ski Boat Specialist Inboard Boat Motor Heat Exchanger bespoke cooling solutions for a range of popular marine engines from major oems, including coolant heat exchangers, charge air coolers, plus combined heat exchangers and exhaust manifolds, suitable for cooling marine engines up to 1 mw. The heat exchanger is the heart of the closed cooling system. However, larger commercial application will. For most marine applications the tube and. Inboard Boat Motor Heat Exchanger.
From maxmarineoutlet.com
Marine Diesel Inboard Boat Motor Water Heat Exchanger Converter Max Inboard Boat Motor Heat Exchanger The bowman heat exchanger is combined with the. bespoke cooling solutions for a range of popular marine engines from major oems, including coolant heat exchangers, charge air coolers, plus combined heat exchangers and exhaust manifolds, suitable for cooling marine engines up to 1 mw. The heat exchanger is the heart of the closed cooling system. new replacement heat. Inboard Boat Motor Heat Exchanger.
From igloomarine.netlify.app
Mr cool marine heat exchangers Inboard Boat Motor Heat Exchanger The heat exchanger is the heart of the closed cooling system. Heat exchangers for marine engines are critical components. For most marine applications the tube and shell type of heat exchanger is used. boat heat exchangers by orca marine cooling systems. However, larger commercial application will. new replacement heat exchangers are offered for your inboard powered boat with. Inboard Boat Motor Heat Exchanger.
From www.precisionmarine.com.au
Heat Exchangers SAVAGE Precision Marine Inboard Ski Boat Specialist Inboard Boat Motor Heat Exchanger bespoke cooling solutions for a range of popular marine engines from major oems, including coolant heat exchangers, charge air coolers, plus combined heat exchangers and exhaust manifolds, suitable for cooling marine engines up to 1 mw. Heat exchangers for marine engines are critical components. this configuration utilizes contained antifreeze in the main part of the motor and also. Inboard Boat Motor Heat Exchanger.
From marineenginedepot.com
Marine Engine Depot. 7.4L to 8.2L Inboard and Jet Application Heat Inboard Boat Motor Heat Exchanger For most marine applications the tube and shell type of heat exchanger is used. bespoke cooling solutions for a range of popular marine engines from major oems, including coolant heat exchangers, charge air coolers, plus combined heat exchangers and exhaust manifolds, suitable for cooling marine engines up to 1 mw. The heat exchanger is the heart of the closed. Inboard Boat Motor Heat Exchanger.
From www.precisionmarine.com.au
Heat Exchangers, Cooling What You Need To Know About Your Boat Inboard Boat Motor Heat Exchanger think of the heat exchanger on your boat engine as the radiator on your car: However, larger commercial application will. boat heat exchangers by orca marine cooling systems. It uses raw lake or ocean water brought in from the raw water pump to act. For most marine applications the tube and shell type of heat exchanger is used.. Inboard Boat Motor Heat Exchanger.
From maxmarineoutlet.com
Marine Diesel Inboard Boat Motor Water Heat Exchanger Converter Max Inboard Boat Motor Heat Exchanger For most marine applications the tube and shell type of heat exchanger is used. It uses raw lake or ocean water brought in from the raw water pump to act. The bowman heat exchanger is combined with the. Heat exchangers for marine engines are critical components. boat heat exchangers by orca marine cooling systems. However, larger commercial application will.. Inboard Boat Motor Heat Exchanger.
From arrow-om.com
Small marine inboard boat propulsion engines heat exchanger ZH2110C Inboard Boat Motor Heat Exchanger how to service a marine engine cooling system: It uses raw lake or ocean water brought in from the raw water pump to act. The bowman heat exchanger is combined with the. think of the heat exchanger on your boat engine as the radiator on your car: new replacement heat exchangers are offered for your inboard powered. Inboard Boat Motor Heat Exchanger.
From maxmarineoutlet.com
Marine Diesel Inboard Boat Motor Water Heat Exchanger Converter Max Inboard Boat Motor Heat Exchanger Heat exchangers for marine engines are critical components. It uses raw lake or ocean water brought in from the raw water pump to act. However, larger commercial application will. how to service a marine engine cooling system: think of the heat exchanger on your boat engine as the radiator on your car: They play the same role in. Inboard Boat Motor Heat Exchanger.
From arrow-om.com
Small marine inboard boat propulsion engines heat exchanger ZH2110C Inboard Boat Motor Heat Exchanger bespoke cooling solutions for a range of popular marine engines from major oems, including coolant heat exchangers, charge air coolers, plus combined heat exchangers and exhaust manifolds, suitable for cooling marine engines up to 1 mw. The heat exchanger is the heart of the closed cooling system. this configuration utilizes contained antifreeze in the main part of the. Inboard Boat Motor Heat Exchanger.
From www.precisionmarine.com.au
Heat Exchangers by SEAKAMP Precision Marine Inboard Ski Boat Specialist Inboard Boat Motor Heat Exchanger boat heat exchangers by orca marine cooling systems. Heat exchangers for marine engines are critical components. think of the heat exchanger on your boat engine as the radiator on your car: new replacement heat exchangers are offered for your inboard powered boat with an aging or worn marine heat exchanger,. The bowman heat exchanger is combined with. Inboard Boat Motor Heat Exchanger.
From www.boats.net
Mercruiser Inboard Gas Engines OEM Parts Diagram for HEAT EXCHANGER Inboard Boat Motor Heat Exchanger They play the same role in shedding heat. this configuration utilizes contained antifreeze in the main part of the motor and also uses a heat exchanger much like the purpose of a radiator in an automotive. The heat exchanger is the heart of the closed cooling system. The bowman heat exchanger is combined with the. However, larger commercial application. Inboard Boat Motor Heat Exchanger.
From www.crowleymarine.com
CLOSED COOLING SYSTEM, HEAT EXCHANGER 1998 Inboard Engine 350 MAG Inboard Boat Motor Heat Exchanger think of the heat exchanger on your boat engine as the radiator on your car: However, larger commercial application will. this configuration utilizes contained antifreeze in the main part of the motor and also uses a heat exchanger much like the purpose of a radiator in an automotive. bespoke cooling solutions for a range of popular marine. Inboard Boat Motor Heat Exchanger.
From arrow-om.com
Small marine inboard boat propulsion engines heat exchanger ZH2110C Inboard Boat Motor Heat Exchanger how to service a marine engine cooling system: They play the same role in shedding heat. For most marine applications the tube and shell type of heat exchanger is used. However, larger commercial application will. The heat exchanger is the heart of the closed cooling system. The bowman heat exchanger is combined with the. bespoke cooling solutions for. Inboard Boat Motor Heat Exchanger.
From www.precisionmarine.com.au
Heat Exchangers by SEAKAMP Precision Marine Inboard Ski Boat Specialist Inboard Boat Motor Heat Exchanger The heat exchanger is the heart of the closed cooling system. It uses raw lake or ocean water brought in from the raw water pump to act. how to service a marine engine cooling system: this configuration utilizes contained antifreeze in the main part of the motor and also uses a heat exchanger much like the purpose of. Inboard Boat Motor Heat Exchanger.
From www.precisionmarine.com.au
Heat Exchangers by SEAKAMP Precision Marine Inboard Ski Boat Specialist Inboard Boat Motor Heat Exchanger this configuration utilizes contained antifreeze in the main part of the motor and also uses a heat exchanger much like the purpose of a radiator in an automotive. bespoke cooling solutions for a range of popular marine engines from major oems, including coolant heat exchangers, charge air coolers, plus combined heat exchangers and exhaust manifolds, suitable for cooling. Inboard Boat Motor Heat Exchanger.
From ab-marineservice.com
Volvo Penta 2002 (heat exchanger) 18hp Inboard engine AB Marine service Inboard Boat Motor Heat Exchanger They play the same role in shedding heat. how to service a marine engine cooling system: The heat exchanger is the heart of the closed cooling system. new replacement heat exchangers are offered for your inboard powered boat with an aging or worn marine heat exchanger,. boat heat exchangers by orca marine cooling systems. this configuration. Inboard Boat Motor Heat Exchanger.
From marineenginedepot.com
Marine Engine Depot. 8.1L Marine Power Inboard and Jet Application Heat Inboard Boat Motor Heat Exchanger how to service a marine engine cooling system: The heat exchanger is the heart of the closed cooling system. It uses raw lake or ocean water brought in from the raw water pump to act. Heat exchangers for marine engines are critical components. think of the heat exchanger on your boat engine as the radiator on your car:. Inboard Boat Motor Heat Exchanger.
From www.precisionmarine.com.au
Heat Exchangers by SEAKAMP Precision Marine Inboard Ski Boat Specialist Inboard Boat Motor Heat Exchanger this configuration utilizes contained antifreeze in the main part of the motor and also uses a heat exchanger much like the purpose of a radiator in an automotive. boat heat exchangers by orca marine cooling systems. Heat exchangers for marine engines are critical components. It uses raw lake or ocean water brought in from the raw water pump. Inboard Boat Motor Heat Exchanger.
From arrow-om.com
Small marine inboard boat propulsion engines heat exchanger ZH2110C Inboard Boat Motor Heat Exchanger They play the same role in shedding heat. However, larger commercial application will. how to service a marine engine cooling system: bespoke cooling solutions for a range of popular marine engines from major oems, including coolant heat exchangers, charge air coolers, plus combined heat exchangers and exhaust manifolds, suitable for cooling marine engines up to 1 mw. The. Inboard Boat Motor Heat Exchanger.
From maxmarineoutlet.com
Marine Diesel Inboard Boat Motor Water Heat Exchanger Converter Max Inboard Boat Motor Heat Exchanger The bowman heat exchanger is combined with the. new replacement heat exchangers are offered for your inboard powered boat with an aging or worn marine heat exchanger,. boat heat exchangers by orca marine cooling systems. They play the same role in shedding heat. this configuration utilizes contained antifreeze in the main part of the motor and also. Inboard Boat Motor Heat Exchanger.
From ruiaomachinery.en.made-in-china.com
Two Twin 2 Cylinder Small Marine Inboard Boat Propulsion Engines Heat Inboard Boat Motor Heat Exchanger They play the same role in shedding heat. However, larger commercial application will. The bowman heat exchanger is combined with the. boat heat exchangers by orca marine cooling systems. how to service a marine engine cooling system: For most marine applications the tube and shell type of heat exchanger is used. think of the heat exchanger on. Inboard Boat Motor Heat Exchanger.
From www.boats.net
Mercruiser Inboard Diesel Engines OEM Parts Diagram for Heat Exchanger Inboard Boat Motor Heat Exchanger boat heat exchangers by orca marine cooling systems. think of the heat exchanger on your boat engine as the radiator on your car: The heat exchanger is the heart of the closed cooling system. It uses raw lake or ocean water brought in from the raw water pump to act. They play the same role in shedding heat.. Inboard Boat Motor Heat Exchanger.
From maxmarineoutlet.com
Marine Diesel Inboard Boat Motor Water Heat Exchanger Converter Max Inboard Boat Motor Heat Exchanger Heat exchangers for marine engines are critical components. bespoke cooling solutions for a range of popular marine engines from major oems, including coolant heat exchangers, charge air coolers, plus combined heat exchangers and exhaust manifolds, suitable for cooling marine engines up to 1 mw. The bowman heat exchanger is combined with the. boat heat exchangers by orca marine. Inboard Boat Motor Heat Exchanger.
From maxmarineoutlet.com
Marine Diesel Inboard Boat Motor Water Heat Exchanger Converter Max Inboard Boat Motor Heat Exchanger They play the same role in shedding heat. new replacement heat exchangers are offered for your inboard powered boat with an aging or worn marine heat exchanger,. boat heat exchangers by orca marine cooling systems. It uses raw lake or ocean water brought in from the raw water pump to act. think of the heat exchanger on. Inboard Boat Motor Heat Exchanger.
From maxmarineoutlet.com
Marine Diesel Inboard Boat Motor Water Heat Exchanger Converter Max Inboard Boat Motor Heat Exchanger Heat exchangers for marine engines are critical components. However, larger commercial application will. They play the same role in shedding heat. The bowman heat exchanger is combined with the. For most marine applications the tube and shell type of heat exchanger is used. this configuration utilizes contained antifreeze in the main part of the motor and also uses a. Inboard Boat Motor Heat Exchanger.