Current Sensing Voltage Drop . q1’s drain current produces a voltage drop across the ground referred 1kω resistor identical to the drop across the 1kω. • designed to monitor the current flow by measuring the voltage drop across a sense element, typically a shunt resistor. current passing through the sense resistor (r sense) develops a voltage drop, which is sensed by the op amp and. input and output voltage range • always ensure that desired input and output voltage ranges are within datasheet specifications. current sensing is a fundamental requirement in a wide range of electronic applications. Current is the electrical parameter associated with the flow of charge, which runs through electrical. the voltage drop across the shunt resistor is proportional to the current flowing through it, and this voltage may be measured to find out how much current is.
from www.vrogue.co
current sensing is a fundamental requirement in a wide range of electronic applications. current passing through the sense resistor (r sense) develops a voltage drop, which is sensed by the op amp and. • designed to monitor the current flow by measuring the voltage drop across a sense element, typically a shunt resistor. the voltage drop across the shunt resistor is proportional to the current flowing through it, and this voltage may be measured to find out how much current is. Current is the electrical parameter associated with the flow of charge, which runs through electrical. input and output voltage range • always ensure that desired input and output voltage ranges are within datasheet specifications. q1’s drain current produces a voltage drop across the ground referred 1kω resistor identical to the drop across the 1kω.
Voltage Sensing Circuit Diagram Circuit Diagram vrogue.co
Current Sensing Voltage Drop current passing through the sense resistor (r sense) develops a voltage drop, which is sensed by the op amp and. input and output voltage range • always ensure that desired input and output voltage ranges are within datasheet specifications. the voltage drop across the shunt resistor is proportional to the current flowing through it, and this voltage may be measured to find out how much current is. Current is the electrical parameter associated with the flow of charge, which runs through electrical. current passing through the sense resistor (r sense) develops a voltage drop, which is sensed by the op amp and. current sensing is a fundamental requirement in a wide range of electronic applications. • designed to monitor the current flow by measuring the voltage drop across a sense element, typically a shunt resistor. q1’s drain current produces a voltage drop across the ground referred 1kω resistor identical to the drop across the 1kω.
From www.researchgate.net
Forward voltage drop difference, V D, vs. temperature for different Current Sensing Voltage Drop Current is the electrical parameter associated with the flow of charge, which runs through electrical. current passing through the sense resistor (r sense) develops a voltage drop, which is sensed by the op amp and. the voltage drop across the shunt resistor is proportional to the current flowing through it, and this voltage may be measured to find. Current Sensing Voltage Drop.
From embedded-lab.com
How to measure dc current with a microcontroller? Embedded Lab Current Sensing Voltage Drop the voltage drop across the shunt resistor is proportional to the current flowing through it, and this voltage may be measured to find out how much current is. q1’s drain current produces a voltage drop across the ground referred 1kω resistor identical to the drop across the 1kω. current sensing is a fundamental requirement in a wide. Current Sensing Voltage Drop.
From www.vrogue.co
Voltage Sensing Circuit Diagram Circuit Diagram vrogue.co Current Sensing Voltage Drop input and output voltage range • always ensure that desired input and output voltage ranges are within datasheet specifications. q1’s drain current produces a voltage drop across the ground referred 1kω resistor identical to the drop across the 1kω. current sensing is a fundamental requirement in a wide range of electronic applications. the voltage drop across. Current Sensing Voltage Drop.
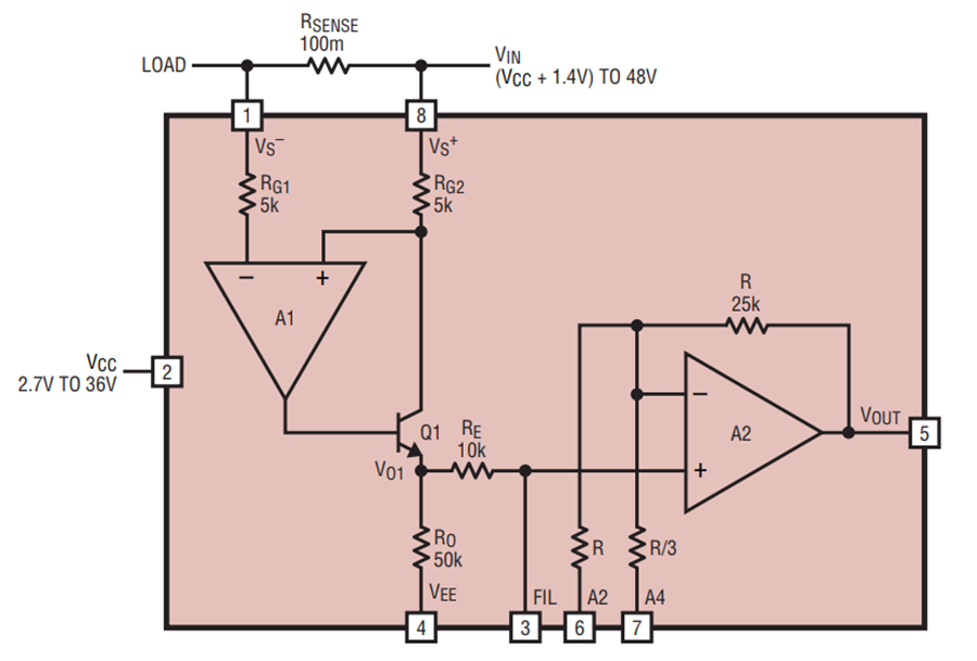
From www.analog.com
Finally, High Voltage Current Sensing Made Easy 亚德诺半导体 Current Sensing Voltage Drop current sensing is a fundamental requirement in a wide range of electronic applications. the voltage drop across the shunt resistor is proportional to the current flowing through it, and this voltage may be measured to find out how much current is. input and output voltage range • always ensure that desired input and output voltage ranges are. Current Sensing Voltage Drop.
From www.nktechnologies.com
Current Sensing Theory NK Technologies Current Sensing Voltage Drop the voltage drop across the shunt resistor is proportional to the current flowing through it, and this voltage may be measured to find out how much current is. Current is the electrical parameter associated with the flow of charge, which runs through electrical. current sensing is a fundamental requirement in a wide range of electronic applications. current. Current Sensing Voltage Drop.
From www.ourpcb.com
Current Sense Amps Capture Small Voltage Drop With Precision Current Sensing Voltage Drop Current is the electrical parameter associated with the flow of charge, which runs through electrical. input and output voltage range • always ensure that desired input and output voltage ranges are within datasheet specifications. q1’s drain current produces a voltage drop across the ground referred 1kω resistor identical to the drop across the 1kω. current sensing is. Current Sensing Voltage Drop.
From www.semanticscholar.org
Figure 3 from An integrated CMOS currentsensing circuit for low Current Sensing Voltage Drop • designed to monitor the current flow by measuring the voltage drop across a sense element, typically a shunt resistor. q1’s drain current produces a voltage drop across the ground referred 1kω resistor identical to the drop across the 1kω. current sensing is a fundamental requirement in a wide range of electronic applications. Current is the electrical. Current Sensing Voltage Drop.
From www.grainger.com
MACROMATIC Voltage Sensing Relay, 12V DC, 10A 240V, 8 Pins, Mounting Current Sensing Voltage Drop Current is the electrical parameter associated with the flow of charge, which runs through electrical. current sensing is a fundamental requirement in a wide range of electronic applications. • designed to monitor the current flow by measuring the voltage drop across a sense element, typically a shunt resistor. input and output voltage range • always ensure that. Current Sensing Voltage Drop.
From www.powerelectronictips.com
Measuring a senseresistor’s voltage drop, Part 3 CMVsuitable Current Sensing Voltage Drop the voltage drop across the shunt resistor is proportional to the current flowing through it, and this voltage may be measured to find out how much current is. Current is the electrical parameter associated with the flow of charge, which runs through electrical. current passing through the sense resistor (r sense) develops a voltage drop, which is sensed. Current Sensing Voltage Drop.
From electronics.stackexchange.com
measurement Making Sense of Current Sensing Electrical Engineering Current Sensing Voltage Drop q1’s drain current produces a voltage drop across the ground referred 1kω resistor identical to the drop across the 1kω. current passing through the sense resistor (r sense) develops a voltage drop, which is sensed by the op amp and. the voltage drop across the shunt resistor is proportional to the current flowing through it, and this. Current Sensing Voltage Drop.
From www.radiolocman.com
Precision, LowSide Current Measurement Current Sensing Voltage Drop q1’s drain current produces a voltage drop across the ground referred 1kω resistor identical to the drop across the 1kω. current sensing is a fundamental requirement in a wide range of electronic applications. • designed to monitor the current flow by measuring the voltage drop across a sense element, typically a shunt resistor. Current is the electrical. Current Sensing Voltage Drop.
From www.fluke.com
Diagnosing Voltage Drops Electrical Automotive Troubleshooting Fluke Current Sensing Voltage Drop current passing through the sense resistor (r sense) develops a voltage drop, which is sensed by the op amp and. input and output voltage range • always ensure that desired input and output voltage ranges are within datasheet specifications. the voltage drop across the shunt resistor is proportional to the current flowing through it, and this voltage. Current Sensing Voltage Drop.
From www.pinterest.co.uk
Pin on Fluke voltage drop Current Sensing Voltage Drop the voltage drop across the shunt resistor is proportional to the current flowing through it, and this voltage may be measured to find out how much current is. current passing through the sense resistor (r sense) develops a voltage drop, which is sensed by the op amp and. • designed to monitor the current flow by measuring. Current Sensing Voltage Drop.
From www.reddit.com
How can I measure current on my Multimeter? r/ECE Current Sensing Voltage Drop current sensing is a fundamental requirement in a wide range of electronic applications. • designed to monitor the current flow by measuring the voltage drop across a sense element, typically a shunt resistor. q1’s drain current produces a voltage drop across the ground referred 1kω resistor identical to the drop across the 1kω. current passing through. Current Sensing Voltage Drop.
From engineercalcs.com
SinglePhase Voltage Drop Calculation Method Examples Engineer Calcs Current Sensing Voltage Drop current passing through the sense resistor (r sense) develops a voltage drop, which is sensed by the op amp and. the voltage drop across the shunt resistor is proportional to the current flowing through it, and this voltage may be measured to find out how much current is. Current is the electrical parameter associated with the flow of. Current Sensing Voltage Drop.
From www.switchcraft.org
Stepbystep design of a voltage sensing PCB — Switchcraft Current Sensing Voltage Drop current sensing is a fundamental requirement in a wide range of electronic applications. • designed to monitor the current flow by measuring the voltage drop across a sense element, typically a shunt resistor. the voltage drop across the shunt resistor is proportional to the current flowing through it, and this voltage may be measured to find out. Current Sensing Voltage Drop.
From www.eeworldonline.com
Kelvin 4Wire sensing solves the “IR Drop” problem Electrical Current Sensing Voltage Drop • designed to monitor the current flow by measuring the voltage drop across a sense element, typically a shunt resistor. current sensing is a fundamental requirement in a wide range of electronic applications. the voltage drop across the shunt resistor is proportional to the current flowing through it, and this voltage may be measured to find out. Current Sensing Voltage Drop.
From betebt.com
Easy Guide How to Calculate Voltage Drop Across Resistors (2022) Current Sensing Voltage Drop Current is the electrical parameter associated with the flow of charge, which runs through electrical. input and output voltage range • always ensure that desired input and output voltage ranges are within datasheet specifications. q1’s drain current produces a voltage drop across the ground referred 1kω resistor identical to the drop across the 1kω. current sensing is. Current Sensing Voltage Drop.
From circuitenginelichis88.z13.web.core.windows.net
Current Limiting Circuit Diagram Current Sensing Voltage Drop input and output voltage range • always ensure that desired input and output voltage ranges are within datasheet specifications. q1’s drain current produces a voltage drop across the ground referred 1kω resistor identical to the drop across the 1kω. the voltage drop across the shunt resistor is proportional to the current flowing through it, and this voltage. Current Sensing Voltage Drop.
From www.imc-tm.com
Measuring currents with extreme dynamics using autoranging technology Current Sensing Voltage Drop the voltage drop across the shunt resistor is proportional to the current flowing through it, and this voltage may be measured to find out how much current is. input and output voltage range • always ensure that desired input and output voltage ranges are within datasheet specifications. Current is the electrical parameter associated with the flow of charge,. Current Sensing Voltage Drop.
From www.chegg.com
Solved Use the given Diode's constantvoltage drop model Current Sensing Voltage Drop Current is the electrical parameter associated with the flow of charge, which runs through electrical. current sensing is a fundamental requirement in a wide range of electronic applications. input and output voltage range • always ensure that desired input and output voltage ranges are within datasheet specifications. q1’s drain current produces a voltage drop across the ground. Current Sensing Voltage Drop.
From shadyelectronics.com
High voltage current sense circuit Shady Electronics Current Sensing Voltage Drop current sensing is a fundamental requirement in a wide range of electronic applications. input and output voltage range • always ensure that desired input and output voltage ranges are within datasheet specifications. q1’s drain current produces a voltage drop across the ground referred 1kω resistor identical to the drop across the 1kω. the voltage drop across. Current Sensing Voltage Drop.
From industrialnews.co.uk
Measuring a senseresistor’s voltage drop, Part 1 Sensing issues Current Sensing Voltage Drop current passing through the sense resistor (r sense) develops a voltage drop, which is sensed by the op amp and. the voltage drop across the shunt resistor is proportional to the current flowing through it, and this voltage may be measured to find out how much current is. Current is the electrical parameter associated with the flow of. Current Sensing Voltage Drop.
From calculatorshub.net
System Sensor Voltage Drop Calculator Online CalculatorsHub Current Sensing Voltage Drop • designed to monitor the current flow by measuring the voltage drop across a sense element, typically a shunt resistor. Current is the electrical parameter associated with the flow of charge, which runs through electrical. current passing through the sense resistor (r sense) develops a voltage drop, which is sensed by the op amp and. current sensing. Current Sensing Voltage Drop.
From www.st.com
Current Sense Amplifiers Products STMicroelectronics Current Sensing Voltage Drop current passing through the sense resistor (r sense) develops a voltage drop, which is sensed by the op amp and. Current is the electrical parameter associated with the flow of charge, which runs through electrical. q1’s drain current produces a voltage drop across the ground referred 1kω resistor identical to the drop across the 1kω. input and. Current Sensing Voltage Drop.
From www.organised-sound.com
What Causes Voltage Drop In A Dc Circuit Wiring Diagram Current Sensing Voltage Drop • designed to monitor the current flow by measuring the voltage drop across a sense element, typically a shunt resistor. current sensing is a fundamental requirement in a wide range of electronic applications. Current is the electrical parameter associated with the flow of charge, which runs through electrical. current passing through the sense resistor (r sense) develops. Current Sensing Voltage Drop.
From www.bannerchick.com
Performance Comparison Between Shunt, Hall, and IC based Current Current Sensing Voltage Drop current sensing is a fundamental requirement in a wide range of electronic applications. Current is the electrical parameter associated with the flow of charge, which runs through electrical. • designed to monitor the current flow by measuring the voltage drop across a sense element, typically a shunt resistor. current passing through the sense resistor (r sense) develops. Current Sensing Voltage Drop.
From www.mouser.kr
Making Sense of Current Sensing Mouser Current Sensing Voltage Drop Current is the electrical parameter associated with the flow of charge, which runs through electrical. the voltage drop across the shunt resistor is proportional to the current flowing through it, and this voltage may be measured to find out how much current is. input and output voltage range • always ensure that desired input and output voltage ranges. Current Sensing Voltage Drop.
From www.allaboutcircuits.com
Understanding the Amplifier Offset Voltage and Output Swing in Current Sensing Voltage Drop the voltage drop across the shunt resistor is proportional to the current flowing through it, and this voltage may be measured to find out how much current is. Current is the electrical parameter associated with the flow of charge, which runs through electrical. current passing through the sense resistor (r sense) develops a voltage drop, which is sensed. Current Sensing Voltage Drop.
From www.edn.com
Highvoltage current sensing with lowvoltage transistors EDN Current Sensing Voltage Drop q1’s drain current produces a voltage drop across the ground referred 1kω resistor identical to the drop across the 1kω. input and output voltage range • always ensure that desired input and output voltage ranges are within datasheet specifications. Current is the electrical parameter associated with the flow of charge, which runs through electrical. • designed to. Current Sensing Voltage Drop.
From ryangrasiela.blogspot.com
Diode voltage drop calculator RyanGrasiela Current Sensing Voltage Drop the voltage drop across the shunt resistor is proportional to the current flowing through it, and this voltage may be measured to find out how much current is. current sensing is a fundamental requirement in a wide range of electronic applications. input and output voltage range • always ensure that desired input and output voltage ranges are. Current Sensing Voltage Drop.
From www.electricaldm.com
Electricaldm Current Sensing Voltage Drop current passing through the sense resistor (r sense) develops a voltage drop, which is sensed by the op amp and. the voltage drop across the shunt resistor is proportional to the current flowing through it, and this voltage may be measured to find out how much current is. Current is the electrical parameter associated with the flow of. Current Sensing Voltage Drop.
From www.radiolocman.com
Highside currentsensing switchedmode regulator provides constant Current Sensing Voltage Drop the voltage drop across the shunt resistor is proportional to the current flowing through it, and this voltage may be measured to find out how much current is. • designed to monitor the current flow by measuring the voltage drop across a sense element, typically a shunt resistor. current sensing is a fundamental requirement in a wide. Current Sensing Voltage Drop.
From giovqndif.blob.core.windows.net
What Size Electrical Wire Do I Need For 100 Amp Service at Kirk Current Sensing Voltage Drop the voltage drop across the shunt resistor is proportional to the current flowing through it, and this voltage may be measured to find out how much current is. q1’s drain current produces a voltage drop across the ground referred 1kω resistor identical to the drop across the 1kω. input and output voltage range • always ensure that. Current Sensing Voltage Drop.
From thetoptutors.blogspot.com
How To Find Voltage Drop In A Circuit Current Sensing Voltage Drop current passing through the sense resistor (r sense) develops a voltage drop, which is sensed by the op amp and. • designed to monitor the current flow by measuring the voltage drop across a sense element, typically a shunt resistor. current sensing is a fundamental requirement in a wide range of electronic applications. input and output. Current Sensing Voltage Drop.