Pacbrake Exhaust Brake Troubleshooting . The line from the top of the pacbrake solenoid goes to the cylinder on the exhaust brake. Www.pacbrake.com/ph3troubleshooting, which includes a more detailed list of potential issues. Exhaust brake controller troubleshooting guide: Looks correct by the pacbrake. Fixed orifice & prxb exhaust brakes pacbrake exhaust brakes are relatively maintenance free when used frequently. Ensure the exhaust brake unit (directmount or downstream) is correct for this application, including the correct engine exhaust valve.
from kareninthewoods-kareninthewoods.blogspot.com
The line from the top of the pacbrake solenoid goes to the cylinder on the exhaust brake. Www.pacbrake.com/ph3troubleshooting, which includes a more detailed list of potential issues. Exhaust brake controller troubleshooting guide: Looks correct by the pacbrake. Ensure the exhaust brake unit (directmount or downstream) is correct for this application, including the correct engine exhaust valve. Fixed orifice & prxb exhaust brakes pacbrake exhaust brakes are relatively maintenance free when used frequently.
RVing The USA is our BIG Backyard Motorhome repair REBUILDING A PAC BRAKE (exhaust brake)
Pacbrake Exhaust Brake Troubleshooting Exhaust brake controller troubleshooting guide: The line from the top of the pacbrake solenoid goes to the cylinder on the exhaust brake. Exhaust brake controller troubleshooting guide: Looks correct by the pacbrake. Fixed orifice & prxb exhaust brakes pacbrake exhaust brakes are relatively maintenance free when used frequently. Ensure the exhaust brake unit (directmount or downstream) is correct for this application, including the correct engine exhaust valve. Www.pacbrake.com/ph3troubleshooting, which includes a more detailed list of potential issues.
From schematron.org
Pac Brake Hp625 Wiring Diagram Pdf Pacbrake Exhaust Brake Troubleshooting Exhaust brake controller troubleshooting guide: Looks correct by the pacbrake. Ensure the exhaust brake unit (directmount or downstream) is correct for this application, including the correct engine exhaust valve. Www.pacbrake.com/ph3troubleshooting, which includes a more detailed list of potential issues. Fixed orifice & prxb exhaust brakes pacbrake exhaust brakes are relatively maintenance free when used frequently. The line from the top. Pacbrake Exhaust Brake Troubleshooting.
From wiringall.com
Pacbrake Exhaust Brake Cummins 2003 Wiring Diagram Pacbrake Exhaust Brake Troubleshooting Looks correct by the pacbrake. The line from the top of the pacbrake solenoid goes to the cylinder on the exhaust brake. Www.pacbrake.com/ph3troubleshooting, which includes a more detailed list of potential issues. Exhaust brake controller troubleshooting guide: Ensure the exhaust brake unit (directmount or downstream) is correct for this application, including the correct engine exhaust valve. Fixed orifice & prxb. Pacbrake Exhaust Brake Troubleshooting.
From midwestmilitaryequipment.com
Pacbrake Exhaust Brake Assembly For LMTV/MTV/FMTV Pacbrake Exhaust Brake Troubleshooting The line from the top of the pacbrake solenoid goes to the cylinder on the exhaust brake. Ensure the exhaust brake unit (directmount or downstream) is correct for this application, including the correct engine exhaust valve. Looks correct by the pacbrake. Fixed orifice & prxb exhaust brakes pacbrake exhaust brakes are relatively maintenance free when used frequently. Exhaust brake controller. Pacbrake Exhaust Brake Troubleshooting.
From rvchassisparts.visonerv.com
RV Chassis Parts USED EXHAUST BRAKE PACBRAKE FOR CUMMINS ENGINE Cummins Diesel Motors RV Pacbrake Exhaust Brake Troubleshooting Www.pacbrake.com/ph3troubleshooting, which includes a more detailed list of potential issues. Fixed orifice & prxb exhaust brakes pacbrake exhaust brakes are relatively maintenance free when used frequently. Exhaust brake controller troubleshooting guide: Looks correct by the pacbrake. The line from the top of the pacbrake solenoid goes to the cylinder on the exhaust brake. Ensure the exhaust brake unit (directmount or. Pacbrake Exhaust Brake Troubleshooting.
From www.walmart.com
Pacbrake InLine Mount 4'' PRXB Exhaust Brake Kit C44064 Pacbrake Exhaust Brake Troubleshooting Fixed orifice & prxb exhaust brakes pacbrake exhaust brakes are relatively maintenance free when used frequently. Looks correct by the pacbrake. Ensure the exhaust brake unit (directmount or downstream) is correct for this application, including the correct engine exhaust valve. The line from the top of the pacbrake solenoid goes to the cylinder on the exhaust brake. Exhaust brake controller. Pacbrake Exhaust Brake Troubleshooting.
From ekgdiesel.com
C40106B Pacbrake PRXB Exhaust Brake Caterpillar 3126B / 3126E / C7 4″ Full Marmon EKG DIESEL Pacbrake Exhaust Brake Troubleshooting Looks correct by the pacbrake. The line from the top of the pacbrake solenoid goes to the cylinder on the exhaust brake. Ensure the exhaust brake unit (directmount or downstream) is correct for this application, including the correct engine exhaust valve. Exhaust brake controller troubleshooting guide: Fixed orifice & prxb exhaust brakes pacbrake exhaust brakes are relatively maintenance free when. Pacbrake Exhaust Brake Troubleshooting.
From puredieselpower.com
PacBrake Exhaust Brake 5.9L Cummins Diesel Pacbrake Exhaust Brake Troubleshooting The line from the top of the pacbrake solenoid goes to the cylinder on the exhaust brake. Exhaust brake controller troubleshooting guide: Looks correct by the pacbrake. Ensure the exhaust brake unit (directmount or downstream) is correct for this application, including the correct engine exhaust valve. Fixed orifice & prxb exhaust brakes pacbrake exhaust brakes are relatively maintenance free when. Pacbrake Exhaust Brake Troubleshooting.
From pacbrakeoem.com
Fixed Orifice Exhaust Brakes Pacbrake Pacbrake Exhaust Brake Troubleshooting Exhaust brake controller troubleshooting guide: The line from the top of the pacbrake solenoid goes to the cylinder on the exhaust brake. Fixed orifice & prxb exhaust brakes pacbrake exhaust brakes are relatively maintenance free when used frequently. Www.pacbrake.com/ph3troubleshooting, which includes a more detailed list of potential issues. Looks correct by the pacbrake. Ensure the exhaust brake unit (directmount or. Pacbrake Exhaust Brake Troubleshooting.
From www.dieselpowerproducts.com
PacBrake PRXB Exhaust Brake Kenworth T300 Cummins ISC Pacbrake Exhaust Brake Troubleshooting The line from the top of the pacbrake solenoid goes to the cylinder on the exhaust brake. Fixed orifice & prxb exhaust brakes pacbrake exhaust brakes are relatively maintenance free when used frequently. Looks correct by the pacbrake. Ensure the exhaust brake unit (directmount or downstream) is correct for this application, including the correct engine exhaust valve. Exhaust brake controller. Pacbrake Exhaust Brake Troubleshooting.
From schematron.org
Pacbrake Exhaust Brake Installation Instructions Wiring Diagram Wiring Diagram Pictures Pacbrake Exhaust Brake Troubleshooting Www.pacbrake.com/ph3troubleshooting, which includes a more detailed list of potential issues. Ensure the exhaust brake unit (directmount or downstream) is correct for this application, including the correct engine exhaust valve. The line from the top of the pacbrake solenoid goes to the cylinder on the exhaust brake. Looks correct by the pacbrake. Exhaust brake controller troubleshooting guide: Fixed orifice & prxb. Pacbrake Exhaust Brake Troubleshooting.
From pacbrakeoem.com
A Quick Look at Exhaust Brakes.. By Diesel Army Pacbrake Pacbrake Exhaust Brake Troubleshooting Looks correct by the pacbrake. Exhaust brake controller troubleshooting guide: The line from the top of the pacbrake solenoid goes to the cylinder on the exhaust brake. Ensure the exhaust brake unit (directmount or downstream) is correct for this application, including the correct engine exhaust valve. Www.pacbrake.com/ph3troubleshooting, which includes a more detailed list of potential issues. Fixed orifice & prxb. Pacbrake Exhaust Brake Troubleshooting.
From wiringall.com
Pacbrake Exhaust Brake Cummins 2003 Wiring Diagram Pacbrake Exhaust Brake Troubleshooting Fixed orifice & prxb exhaust brakes pacbrake exhaust brakes are relatively maintenance free when used frequently. Ensure the exhaust brake unit (directmount or downstream) is correct for this application, including the correct engine exhaust valve. The line from the top of the pacbrake solenoid goes to the cylinder on the exhaust brake. Www.pacbrake.com/ph3troubleshooting, which includes a more detailed list of. Pacbrake Exhaust Brake Troubleshooting.
From www.youtube.com
Pacbrake's PRXB Exhaust Brakes Checking Solenoid Functionality YouTube Pacbrake Exhaust Brake Troubleshooting The line from the top of the pacbrake solenoid goes to the cylinder on the exhaust brake. Www.pacbrake.com/ph3troubleshooting, which includes a more detailed list of potential issues. Looks correct by the pacbrake. Fixed orifice & prxb exhaust brakes pacbrake exhaust brakes are relatively maintenance free when used frequently. Exhaust brake controller troubleshooting guide: Ensure the exhaust brake unit (directmount or. Pacbrake Exhaust Brake Troubleshooting.
From www.youtube.com
PRXB Exhaust Brakes by Pacbrake.. YouTube Pacbrake Exhaust Brake Troubleshooting Looks correct by the pacbrake. Exhaust brake controller troubleshooting guide: Www.pacbrake.com/ph3troubleshooting, which includes a more detailed list of potential issues. Fixed orifice & prxb exhaust brakes pacbrake exhaust brakes are relatively maintenance free when used frequently. Ensure the exhaust brake unit (directmount or downstream) is correct for this application, including the correct engine exhaust valve. The line from the top. Pacbrake Exhaust Brake Troubleshooting.
From ekgdiesel.com
PacBrake Exhaust Brake C20358. Cummins ISB / ISC ISL RV EKG DIESEL Pacbrake Exhaust Brake Troubleshooting Exhaust brake controller troubleshooting guide: Looks correct by the pacbrake. Ensure the exhaust brake unit (directmount or downstream) is correct for this application, including the correct engine exhaust valve. Fixed orifice & prxb exhaust brakes pacbrake exhaust brakes are relatively maintenance free when used frequently. Www.pacbrake.com/ph3troubleshooting, which includes a more detailed list of potential issues. The line from the top. Pacbrake Exhaust Brake Troubleshooting.
From schematron.org
Pacbrake Exhaust Brake Wiring Diagram Wiring Diagram Pictures Pacbrake Exhaust Brake Troubleshooting The line from the top of the pacbrake solenoid goes to the cylinder on the exhaust brake. Looks correct by the pacbrake. Exhaust brake controller troubleshooting guide: Fixed orifice & prxb exhaust brakes pacbrake exhaust brakes are relatively maintenance free when used frequently. Www.pacbrake.com/ph3troubleshooting, which includes a more detailed list of potential issues. Ensure the exhaust brake unit (directmount or. Pacbrake Exhaust Brake Troubleshooting.
From ekgdiesel.com
C40106B Pacbrake PRXB Exhaust Brake Caterpillar 3126B / 3126E / C7 4″ Full Marmon EKG DIESEL Pacbrake Exhaust Brake Troubleshooting Looks correct by the pacbrake. Ensure the exhaust brake unit (directmount or downstream) is correct for this application, including the correct engine exhaust valve. Fixed orifice & prxb exhaust brakes pacbrake exhaust brakes are relatively maintenance free when used frequently. The line from the top of the pacbrake solenoid goes to the cylinder on the exhaust brake. Www.pacbrake.com/ph3troubleshooting, which includes. Pacbrake Exhaust Brake Troubleshooting.
From www.youtube.com
Pacbrake PRXB Exhaust Brake RV Upgrade YouTube Pacbrake Exhaust Brake Troubleshooting Ensure the exhaust brake unit (directmount or downstream) is correct for this application, including the correct engine exhaust valve. Exhaust brake controller troubleshooting guide: The line from the top of the pacbrake solenoid goes to the cylinder on the exhaust brake. Looks correct by the pacbrake. Www.pacbrake.com/ph3troubleshooting, which includes a more detailed list of potential issues. Fixed orifice & prxb. Pacbrake Exhaust Brake Troubleshooting.
From pacbrakeoem.com
PRXB Exhaust Brakes Pacbrake Pacbrake Exhaust Brake Troubleshooting Www.pacbrake.com/ph3troubleshooting, which includes a more detailed list of potential issues. Fixed orifice & prxb exhaust brakes pacbrake exhaust brakes are relatively maintenance free when used frequently. Looks correct by the pacbrake. Ensure the exhaust brake unit (directmount or downstream) is correct for this application, including the correct engine exhaust valve. Exhaust brake controller troubleshooting guide: The line from the top. Pacbrake Exhaust Brake Troubleshooting.
From studylib.net
9640 Pacbrake Pacbrake Exhaust Brake Troubleshooting Exhaust brake controller troubleshooting guide: Ensure the exhaust brake unit (directmount or downstream) is correct for this application, including the correct engine exhaust valve. Looks correct by the pacbrake. Www.pacbrake.com/ph3troubleshooting, which includes a more detailed list of potential issues. Fixed orifice & prxb exhaust brakes pacbrake exhaust brakes are relatively maintenance free when used frequently. The line from the top. Pacbrake Exhaust Brake Troubleshooting.
From www.irv2.com
PAC Brake problem iRV2 Forums Pacbrake Exhaust Brake Troubleshooting Looks correct by the pacbrake. Ensure the exhaust brake unit (directmount or downstream) is correct for this application, including the correct engine exhaust valve. The line from the top of the pacbrake solenoid goes to the cylinder on the exhaust brake. Exhaust brake controller troubleshooting guide: Fixed orifice & prxb exhaust brakes pacbrake exhaust brakes are relatively maintenance free when. Pacbrake Exhaust Brake Troubleshooting.
From www.youtube.com
pacbrake exhaust brake and mbrp exhaust installed on 2003 dodge cummins YouTube Pacbrake Exhaust Brake Troubleshooting The line from the top of the pacbrake solenoid goes to the cylinder on the exhaust brake. Www.pacbrake.com/ph3troubleshooting, which includes a more detailed list of potential issues. Looks correct by the pacbrake. Fixed orifice & prxb exhaust brakes pacbrake exhaust brakes are relatively maintenance free when used frequently. Exhaust brake controller troubleshooting guide: Ensure the exhaust brake unit (directmount or. Pacbrake Exhaust Brake Troubleshooting.
From wiringall.com
Pacbrake Exhaust Brake Installation Instructions Wiring Diagram Pacbrake Exhaust Brake Troubleshooting Exhaust brake controller troubleshooting guide: Fixed orifice & prxb exhaust brakes pacbrake exhaust brakes are relatively maintenance free when used frequently. Looks correct by the pacbrake. The line from the top of the pacbrake solenoid goes to the cylinder on the exhaust brake. Www.pacbrake.com/ph3troubleshooting, which includes a more detailed list of potential issues. Ensure the exhaust brake unit (directmount or. Pacbrake Exhaust Brake Troubleshooting.
From www.youtube.com
Pacbrake Direct & Inline Exhaust Brake Mounts Explained YouTube Pacbrake Exhaust Brake Troubleshooting Exhaust brake controller troubleshooting guide: Looks correct by the pacbrake. Www.pacbrake.com/ph3troubleshooting, which includes a more detailed list of potential issues. Fixed orifice & prxb exhaust brakes pacbrake exhaust brakes are relatively maintenance free when used frequently. The line from the top of the pacbrake solenoid goes to the cylinder on the exhaust brake. Ensure the exhaust brake unit (directmount or. Pacbrake Exhaust Brake Troubleshooting.
From puredieselpower.com
PacBrake Exhaust Brake 5.9L Cummins Diesel Pacbrake Exhaust Brake Troubleshooting Www.pacbrake.com/ph3troubleshooting, which includes a more detailed list of potential issues. Looks correct by the pacbrake. Ensure the exhaust brake unit (directmount or downstream) is correct for this application, including the correct engine exhaust valve. The line from the top of the pacbrake solenoid goes to the cylinder on the exhaust brake. Exhaust brake controller troubleshooting guide: Fixed orifice & prxb. Pacbrake Exhaust Brake Troubleshooting.
From midwestmilitaryequipment.com
Pacbrake Exhaust Brake Assembly For LMTV/MTV/FMTV Pacbrake Exhaust Brake Troubleshooting Looks correct by the pacbrake. Exhaust brake controller troubleshooting guide: Ensure the exhaust brake unit (directmount or downstream) is correct for this application, including the correct engine exhaust valve. Www.pacbrake.com/ph3troubleshooting, which includes a more detailed list of potential issues. The line from the top of the pacbrake solenoid goes to the cylinder on the exhaust brake. Fixed orifice & prxb. Pacbrake Exhaust Brake Troubleshooting.
From edu.svet.gob.gt
Schematic Diagram Of DDEC II Detroit Diesel Troubleshooting Pacbrake Exhaust Brake Troubleshooting Ensure the exhaust brake unit (directmount or downstream) is correct for this application, including the correct engine exhaust valve. Exhaust brake controller troubleshooting guide: Looks correct by the pacbrake. Www.pacbrake.com/ph3troubleshooting, which includes a more detailed list of potential issues. Fixed orifice & prxb exhaust brakes pacbrake exhaust brakes are relatively maintenance free when used frequently. The line from the top. Pacbrake Exhaust Brake Troubleshooting.
From wiringall.com
Pacbrake Exhaust Brake Cummins 2003 Wiring Diagram Pacbrake Exhaust Brake Troubleshooting The line from the top of the pacbrake solenoid goes to the cylinder on the exhaust brake. Www.pacbrake.com/ph3troubleshooting, which includes a more detailed list of potential issues. Ensure the exhaust brake unit (directmount or downstream) is correct for this application, including the correct engine exhaust valve. Fixed orifice & prxb exhaust brakes pacbrake exhaust brakes are relatively maintenance free when. Pacbrake Exhaust Brake Troubleshooting.
From wiringall.com
Pacbrake Exhaust Brake Installation Instructions Wiring Diagram Pacbrake Exhaust Brake Troubleshooting Www.pacbrake.com/ph3troubleshooting, which includes a more detailed list of potential issues. Ensure the exhaust brake unit (directmount or downstream) is correct for this application, including the correct engine exhaust valve. Fixed orifice & prxb exhaust brakes pacbrake exhaust brakes are relatively maintenance free when used frequently. Looks correct by the pacbrake. The line from the top of the pacbrake solenoid goes. Pacbrake Exhaust Brake Troubleshooting.
From midwestmilitaryequipment.com
Pacbrake Exhaust Brake Assembly For LMTV/MTV/FMTV Pacbrake Exhaust Brake Troubleshooting Looks correct by the pacbrake. Ensure the exhaust brake unit (directmount or downstream) is correct for this application, including the correct engine exhaust valve. Www.pacbrake.com/ph3troubleshooting, which includes a more detailed list of potential issues. The line from the top of the pacbrake solenoid goes to the cylinder on the exhaust brake. Fixed orifice & prxb exhaust brakes pacbrake exhaust brakes. Pacbrake Exhaust Brake Troubleshooting.
From guidepartpragmatic.z13.web.core.windows.net
Pacbrake Exhaust Brake Wiring Diagram Pacbrake Exhaust Brake Troubleshooting Www.pacbrake.com/ph3troubleshooting, which includes a more detailed list of potential issues. Exhaust brake controller troubleshooting guide: Looks correct by the pacbrake. Fixed orifice & prxb exhaust brakes pacbrake exhaust brakes are relatively maintenance free when used frequently. The line from the top of the pacbrake solenoid goes to the cylinder on the exhaust brake. Ensure the exhaust brake unit (directmount or. Pacbrake Exhaust Brake Troubleshooting.
From kareninthewoods-kareninthewoods.blogspot.com
RVing The USA is our BIG Backyard Motorhome repair REBUILDING A PAC BRAKE (exhaust brake) Pacbrake Exhaust Brake Troubleshooting Looks correct by the pacbrake. Exhaust brake controller troubleshooting guide: Fixed orifice & prxb exhaust brakes pacbrake exhaust brakes are relatively maintenance free when used frequently. Ensure the exhaust brake unit (directmount or downstream) is correct for this application, including the correct engine exhaust valve. The line from the top of the pacbrake solenoid goes to the cylinder on the. Pacbrake Exhaust Brake Troubleshooting.
From powerdrivendiesel.com
Pacbrake (C44064) PRXB Exhaust Brake Kit (9902 5.9L Cummins w/manual trans) Power Driven Diesel Pacbrake Exhaust Brake Troubleshooting Ensure the exhaust brake unit (directmount or downstream) is correct for this application, including the correct engine exhaust valve. Looks correct by the pacbrake. Fixed orifice & prxb exhaust brakes pacbrake exhaust brakes are relatively maintenance free when used frequently. Exhaust brake controller troubleshooting guide: The line from the top of the pacbrake solenoid goes to the cylinder on the. Pacbrake Exhaust Brake Troubleshooting.
From www.youtube.com
Pacbrake Exhaust Brakes Explained On Light Duty Trucks OnBoard Air vs Existing OnBoard Air Pacbrake Exhaust Brake Troubleshooting Looks correct by the pacbrake. Www.pacbrake.com/ph3troubleshooting, which includes a more detailed list of potential issues. Ensure the exhaust brake unit (directmount or downstream) is correct for this application, including the correct engine exhaust valve. The line from the top of the pacbrake solenoid goes to the cylinder on the exhaust brake. Exhaust brake controller troubleshooting guide: Fixed orifice & prxb. Pacbrake Exhaust Brake Troubleshooting.
From www.scribd.com
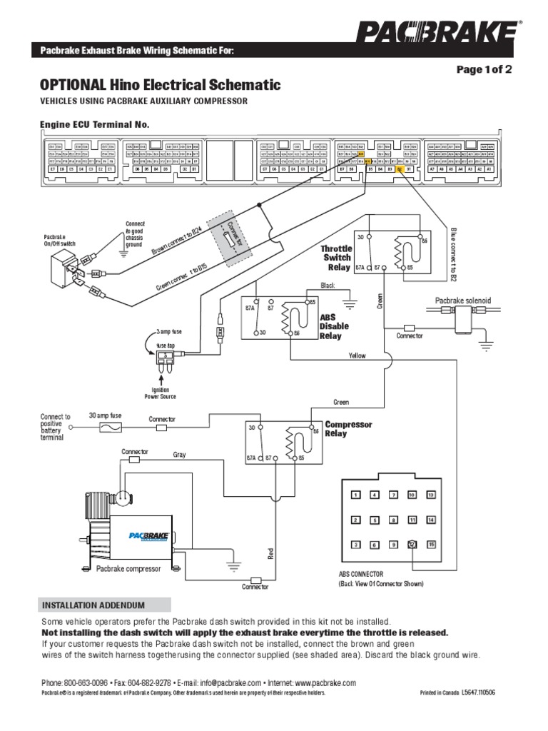
OPTIONAL Hino Electrical Schematic Pacbrake Exhaust Brake Wiring Schematic For PDF Pacbrake Exhaust Brake Troubleshooting The line from the top of the pacbrake solenoid goes to the cylinder on the exhaust brake. Exhaust brake controller troubleshooting guide: Looks correct by the pacbrake. Ensure the exhaust brake unit (directmount or downstream) is correct for this application, including the correct engine exhaust valve. Fixed orifice & prxb exhaust brakes pacbrake exhaust brakes are relatively maintenance free when. Pacbrake Exhaust Brake Troubleshooting.