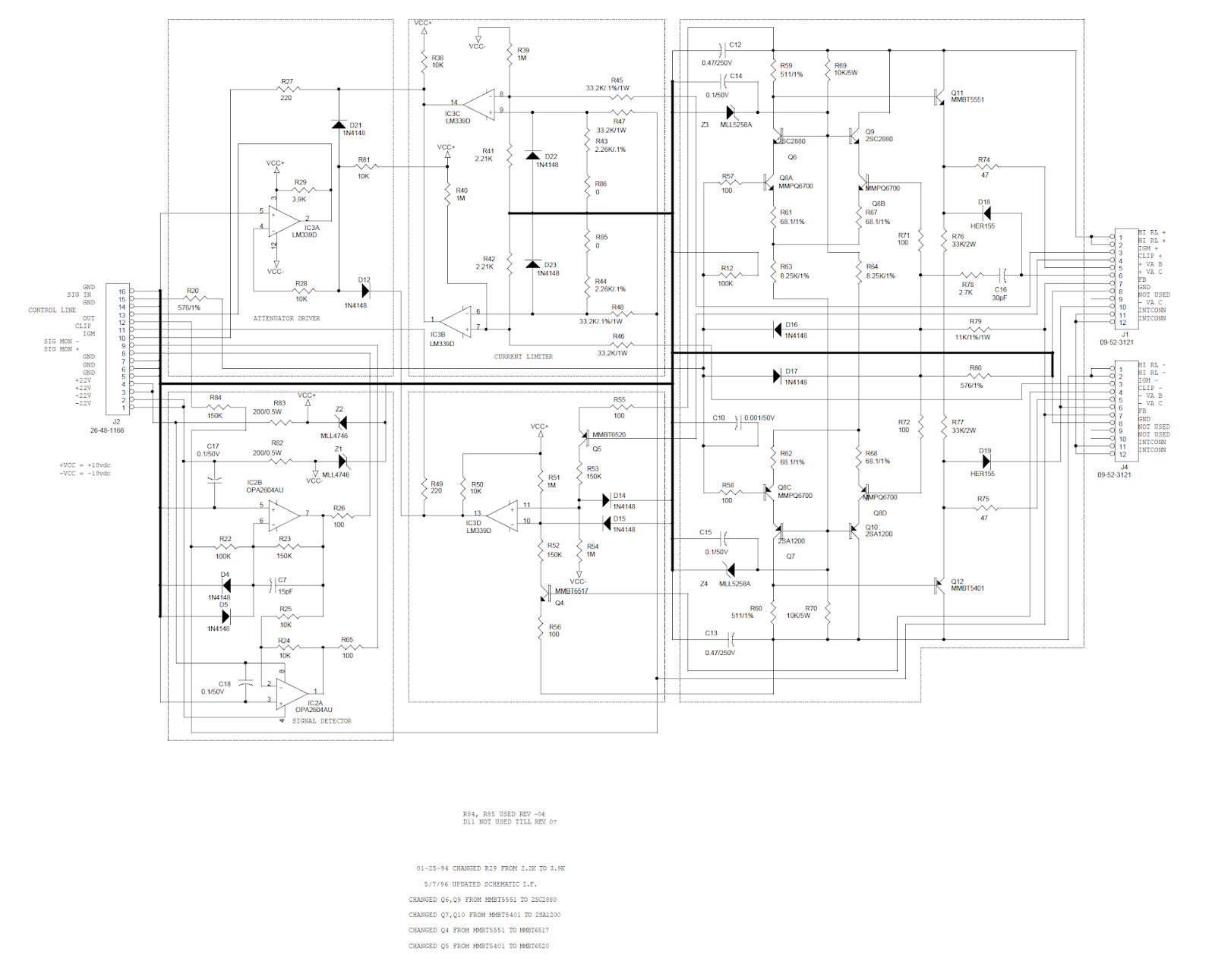
Crest Audio Power Amplifier Circuit . The document is a schematic set for a 10001 professional series power. Ca series amplif iers are designed for high. 1 free download site for high end, hifi, pro & vintage audio schematics & service manuals. Ca4, ca6, ca9, ca12, ca18. Ca12 amplifier pdf manual download. View and download crest audio ca2 specifications online. Ca2, ca4, ca6, ca9, ca18. These amps also have an odd ac line current. Ca2 amplifier pdf manual download. 650 watts per channel into 8ω (stereo), 2200 watts into 8ω (mono) frequency response: View and download crest audio ca12 specifications online. The crest audio ca20 may not be the flashiest power amplifier out there, but it is certainly one of the most reliable. Crest/peavey replaces them with mj21193/4 devices and i can report that works well.
from www.circuitdiagram.co
Ca12 amplifier pdf manual download. Ca series amplif iers are designed for high. View and download crest audio ca12 specifications online. 650 watts per channel into 8ω (stereo), 2200 watts into 8ω (mono) frequency response: Crest/peavey replaces them with mj21193/4 devices and i can report that works well. View and download crest audio ca2 specifications online. Ca2 amplifier pdf manual download. The crest audio ca20 may not be the flashiest power amplifier out there, but it is certainly one of the most reliable. Ca4, ca6, ca9, ca12, ca18. The document is a schematic set for a 10001 professional series power.
Schematic Power Amplifier Crest Audio Fa1201 Circuit Diagram
Crest Audio Power Amplifier Circuit View and download crest audio ca2 specifications online. Ca2 amplifier pdf manual download. Crest/peavey replaces them with mj21193/4 devices and i can report that works well. The document is a schematic set for a 10001 professional series power. 650 watts per channel into 8ω (stereo), 2200 watts into 8ω (mono) frequency response: View and download crest audio ca2 specifications online. These amps also have an odd ac line current. View and download crest audio ca12 specifications online. 1 free download site for high end, hifi, pro & vintage audio schematics & service manuals. The crest audio ca20 may not be the flashiest power amplifier out there, but it is certainly one of the most reliable. Ca2, ca4, ca6, ca9, ca18. Ca series amplif iers are designed for high. Ca12 amplifier pdf manual download. Ca4, ca6, ca9, ca12, ca18.
From www.usaudiomart.com
Legendary Amplifier '' Crest '' 7001 Made in U.S.A Photo 2078339 US Audio Mart Crest Audio Power Amplifier Circuit View and download crest audio ca12 specifications online. Ca2, ca4, ca6, ca9, ca18. These amps also have an odd ac line current. Ca2 amplifier pdf manual download. Ca4, ca6, ca9, ca12, ca18. The document is a schematic set for a 10001 professional series power. Ca series amplif iers are designed for high. 650 watts per channel into 8ω (stereo), 2200. Crest Audio Power Amplifier Circuit.
From speakersandamps.com
Crest Audio 10004 Professional Power Amplifier 10,000 Watt, MONSTER Am Crest Audio Power Amplifier Circuit Ca2 amplifier pdf manual download. 1 free download site for high end, hifi, pro & vintage audio schematics & service manuals. Ca12 amplifier pdf manual download. Ca4, ca6, ca9, ca12, ca18. These amps also have an odd ac line current. View and download crest audio ca2 specifications online. The document is a schematic set for a 10001 professional series power.. Crest Audio Power Amplifier Circuit.
From www.wiringview.co
Schematic Power Amplifier Crest Audio Wiring View And Schematics Diagram Crest Audio Power Amplifier Circuit 650 watts per channel into 8ω (stereo), 2200 watts into 8ω (mono) frequency response: Crest/peavey replaces them with mj21193/4 devices and i can report that works well. Ca2 amplifier pdf manual download. Ca series amplif iers are designed for high. 1 free download site for high end, hifi, pro & vintage audio schematics & service manuals. The crest audio ca20. Crest Audio Power Amplifier Circuit.
From www.circuitdiagram.co
Crest Audio Power Amplifier Schematic Circuit Diagram Crest Audio Power Amplifier Circuit The document is a schematic set for a 10001 professional series power. Ca2 amplifier pdf manual download. 650 watts per channel into 8ω (stereo), 2200 watts into 8ω (mono) frequency response: Ca series amplif iers are designed for high. View and download crest audio ca12 specifications online. Ca2, ca4, ca6, ca9, ca18. View and download crest audio ca2 specifications online.. Crest Audio Power Amplifier Circuit.
From www.circuitdiagram.co
Schematic Power Amplifier Crest Audio Circuit Diagram Crest Audio Power Amplifier Circuit 650 watts per channel into 8ω (stereo), 2200 watts into 8ω (mono) frequency response: View and download crest audio ca2 specifications online. Ca series amplif iers are designed for high. These amps also have an odd ac line current. Crest/peavey replaces them with mj21193/4 devices and i can report that works well. The document is a schematic set for a. Crest Audio Power Amplifier Circuit.
From www.lksaudio.com
wholesale 2 channels ca20 crest audio power amplifier Buy power amplifier circuit Crest Audio Power Amplifier Circuit 650 watts per channel into 8ω (stereo), 2200 watts into 8ω (mono) frequency response: These amps also have an odd ac line current. View and download crest audio ca2 specifications online. Ca2 amplifier pdf manual download. The crest audio ca20 may not be the flashiest power amplifier out there, but it is certainly one of the most reliable. 1 free. Crest Audio Power Amplifier Circuit.
From www.wiringview.co
Schematic Power Amplifier Crest Audio Fa9010 Wiring View and Schematics Diagram Crest Audio Power Amplifier Circuit The document is a schematic set for a 10001 professional series power. Ca4, ca6, ca9, ca12, ca18. Ca2, ca4, ca6, ca9, ca18. 1 free download site for high end, hifi, pro & vintage audio schematics & service manuals. The crest audio ca20 may not be the flashiest power amplifier out there, but it is certainly one of the most reliable.. Crest Audio Power Amplifier Circuit.
From mickle.en.made-in-china.com
Ca2 Ca20 Professional Sound Standard Ca20 Power Amplifier 1350 Watts X/ Ca20 Crest Audio Power Crest Audio Power Amplifier Circuit Ca12 amplifier pdf manual download. View and download crest audio ca2 specifications online. The crest audio ca20 may not be the flashiest power amplifier out there, but it is certainly one of the most reliable. 1 free download site for high end, hifi, pro & vintage audio schematics & service manuals. 650 watts per channel into 8ω (stereo), 2200 watts. Crest Audio Power Amplifier Circuit.
From www.circuitdiagram.co
Schematic Power Amplifier Crest Audio Ca20 Circuit Diagram Crest Audio Power Amplifier Circuit View and download crest audio ca2 specifications online. Ca series amplif iers are designed for high. The crest audio ca20 may not be the flashiest power amplifier out there, but it is certainly one of the most reliable. Ca2, ca4, ca6, ca9, ca18. The document is a schematic set for a 10001 professional series power. View and download crest audio. Crest Audio Power Amplifier Circuit.
From www.176iot.com
Schematic Power Amplifier Crest Audio Ca 18 IOT Wiring Diagram Crest Audio Power Amplifier Circuit 650 watts per channel into 8ω (stereo), 2200 watts into 8ω (mono) frequency response: The document is a schematic set for a 10001 professional series power. View and download crest audio ca2 specifications online. Ca4, ca6, ca9, ca12, ca18. Ca2 amplifier pdf manual download. View and download crest audio ca12 specifications online. Crest/peavey replaces them with mj21193/4 devices and i. Crest Audio Power Amplifier Circuit.
From www.wiringview.co
Schematic Power Amplifier Crest Audio Fa9010 Wiring View and Schematics Diagram Crest Audio Power Amplifier Circuit The crest audio ca20 may not be the flashiest power amplifier out there, but it is certainly one of the most reliable. Ca4, ca6, ca9, ca12, ca18. Ca2, ca4, ca6, ca9, ca18. The document is a schematic set for a 10001 professional series power. Ca2 amplifier pdf manual download. Crest/peavey replaces them with mj21193/4 devices and i can report that. Crest Audio Power Amplifier Circuit.
From www.yumpu.com
8002 power amplifier Crest Audio Crest Audio Power Amplifier Circuit View and download crest audio ca2 specifications online. 1 free download site for high end, hifi, pro & vintage audio schematics & service manuals. The crest audio ca20 may not be the flashiest power amplifier out there, but it is certainly one of the most reliable. Crest/peavey replaces them with mj21193/4 devices and i can report that works well. Ca2. Crest Audio Power Amplifier Circuit.
From www.circuitdiagram.co
Crest Audio Power Amplifier Schematic Circuit Diagram Crest Audio Power Amplifier Circuit The document is a schematic set for a 10001 professional series power. Ca2 amplifier pdf manual download. Ca2, ca4, ca6, ca9, ca18. Ca series amplif iers are designed for high. The crest audio ca20 may not be the flashiest power amplifier out there, but it is certainly one of the most reliable. Ca4, ca6, ca9, ca12, ca18. 650 watts per. Crest Audio Power Amplifier Circuit.
From www.176iot.com
Schematic Power Amplifier Crest Audio Ca 18 IOT Wiring Diagram Crest Audio Power Amplifier Circuit 1 free download site for high end, hifi, pro & vintage audio schematics & service manuals. Ca4, ca6, ca9, ca12, ca18. View and download crest audio ca12 specifications online. Ca series amplif iers are designed for high. View and download crest audio ca2 specifications online. 650 watts per channel into 8ω (stereo), 2200 watts into 8ω (mono) frequency response: These. Crest Audio Power Amplifier Circuit.
From www.wiringview.co
Schematic Power Amplifier Crest Audio Fa9010 Wiring View and Schematics Diagram Crest Audio Power Amplifier Circuit Ca2, ca4, ca6, ca9, ca18. Crest/peavey replaces them with mj21193/4 devices and i can report that works well. View and download crest audio ca2 specifications online. Ca2 amplifier pdf manual download. Ca series amplif iers are designed for high. Ca4, ca6, ca9, ca12, ca18. 1 free download site for high end, hifi, pro & vintage audio schematics & service manuals.. Crest Audio Power Amplifier Circuit.
From www.circuitdiagram.co
Schematic Power Amplifier Crest Audio Fa1201 Circuit Diagram Crest Audio Power Amplifier Circuit View and download crest audio ca12 specifications online. Ca series amplif iers are designed for high. Ca2, ca4, ca6, ca9, ca18. The crest audio ca20 may not be the flashiest power amplifier out there, but it is certainly one of the most reliable. The document is a schematic set for a 10001 professional series power. 650 watts per channel into. Crest Audio Power Amplifier Circuit.
From www.circuitdiagram.co
Schematic Power Amplifier Crest Audio Fa901 Circuit Diagram Crest Audio Power Amplifier Circuit 650 watts per channel into 8ω (stereo), 2200 watts into 8ω (mono) frequency response: 1 free download site for high end, hifi, pro & vintage audio schematics & service manuals. These amps also have an odd ac line current. The crest audio ca20 may not be the flashiest power amplifier out there, but it is certainly one of the most. Crest Audio Power Amplifier Circuit.
From www.wiringdigital.com
Schematic Power Amplifier Crest Audio Ca 18 Wiring Digital and Schematic Crest Audio Power Amplifier Circuit Ca2 amplifier pdf manual download. Ca2, ca4, ca6, ca9, ca18. Ca series amplif iers are designed for high. Crest/peavey replaces them with mj21193/4 devices and i can report that works well. Ca4, ca6, ca9, ca12, ca18. 1 free download site for high end, hifi, pro & vintage audio schematics & service manuals. The crest audio ca20 may not be the. Crest Audio Power Amplifier Circuit.
From www.youtube.com
CREST AUDIO FA1201 POWER AMPLIFIER FULL REVIEW SPECS YouTube Crest Audio Power Amplifier Circuit Ca12 amplifier pdf manual download. These amps also have an odd ac line current. Crest/peavey replaces them with mj21193/4 devices and i can report that works well. 650 watts per channel into 8ω (stereo), 2200 watts into 8ω (mono) frequency response: Ca2, ca4, ca6, ca9, ca18. The crest audio ca20 may not be the flashiest power amplifier out there, but. Crest Audio Power Amplifier Circuit.
From iconicaudiovisual.co.ke
Crest Audio Series CA20 Power Amplifier Iconic Audio Visual Crest Audio Power Amplifier Circuit 1 free download site for high end, hifi, pro & vintage audio schematics & service manuals. These amps also have an odd ac line current. Ca2 amplifier pdf manual download. Crest/peavey replaces them with mj21193/4 devices and i can report that works well. Ca4, ca6, ca9, ca12, ca18. Ca series amplif iers are designed for high. View and download crest. Crest Audio Power Amplifier Circuit.
From beulahsounds.co.ke
Crest Audio CA 12 2800W Power Amplifier Beulah Sounds Crest Audio Power Amplifier Circuit Ca2 amplifier pdf manual download. Ca12 amplifier pdf manual download. Crest/peavey replaces them with mj21193/4 devices and i can report that works well. 1 free download site for high end, hifi, pro & vintage audio schematics & service manuals. Ca2, ca4, ca6, ca9, ca18. These amps also have an odd ac line current. View and download crest audio ca2 specifications. Crest Audio Power Amplifier Circuit.
From www.organised-sound.com
Schematic Power Amplifier Crest Audio Ca 182 Wiring Diagram Crest Audio Power Amplifier Circuit The document is a schematic set for a 10001 professional series power. 650 watts per channel into 8ω (stereo), 2200 watts into 8ω (mono) frequency response: Ca2, ca4, ca6, ca9, ca18. These amps also have an odd ac line current. Ca series amplif iers are designed for high. Ca4, ca6, ca9, ca12, ca18. 1 free download site for high end,. Crest Audio Power Amplifier Circuit.
From www.circuitdiagram.co
Schematic Power Amplifier Crest Audio Ca20 Circuit Diagram Crest Audio Power Amplifier Circuit The document is a schematic set for a 10001 professional series power. Ca2 amplifier pdf manual download. Ca series amplif iers are designed for high. 650 watts per channel into 8ω (stereo), 2200 watts into 8ω (mono) frequency response: 1 free download site for high end, hifi, pro & vintage audio schematics & service manuals. Ca12 amplifier pdf manual download.. Crest Audio Power Amplifier Circuit.
From membangunmimpidiatasmimpi.blogspot.com
15000 WATTS POWER AMPLIFIER CREST AUDIO 10001 Crest Audio Power Amplifier Circuit 1 free download site for high end, hifi, pro & vintage audio schematics & service manuals. Ca series amplif iers are designed for high. The document is a schematic set for a 10001 professional series power. Ca12 amplifier pdf manual download. Crest/peavey replaces them with mj21193/4 devices and i can report that works well. Ca2 amplifier pdf manual download. Ca4,. Crest Audio Power Amplifier Circuit.
From www.circuitdiagram.co
Schematic Power Amplifier Crest Audio Circuit Diagram Crest Audio Power Amplifier Circuit Ca series amplif iers are designed for high. Crest/peavey replaces them with mj21193/4 devices and i can report that works well. View and download crest audio ca2 specifications online. Ca4, ca6, ca9, ca12, ca18. Ca12 amplifier pdf manual download. The crest audio ca20 may not be the flashiest power amplifier out there, but it is certainly one of the most. Crest Audio Power Amplifier Circuit.
From www.made-in-china.com
China Crest Audio Circuit Professional Power Amplifier, High Output Power Amplifier China Crest Audio Power Amplifier Circuit 650 watts per channel into 8ω (stereo), 2200 watts into 8ω (mono) frequency response: View and download crest audio ca12 specifications online. The document is a schematic set for a 10001 professional series power. Ca series amplif iers are designed for high. Crest/peavey replaces them with mj21193/4 devices and i can report that works well. Ca12 amplifier pdf manual download.. Crest Audio Power Amplifier Circuit.
From www.circuitdiagram.co
Crest Audio Power Amplifier Schematic Circuit Diagram Crest Audio Power Amplifier Circuit Ca2 amplifier pdf manual download. Crest/peavey replaces them with mj21193/4 devices and i can report that works well. View and download crest audio ca12 specifications online. Ca4, ca6, ca9, ca12, ca18. Ca2, ca4, ca6, ca9, ca18. Ca12 amplifier pdf manual download. These amps also have an odd ac line current. 650 watts per channel into 8ω (stereo), 2200 watts into. Crest Audio Power Amplifier Circuit.
From www.wiringdigital.com
Schematic Power Amplifier Crest Audio Ca 18 Wiring Digital and Schematic Crest Audio Power Amplifier Circuit View and download crest audio ca2 specifications online. View and download crest audio ca12 specifications online. The document is a schematic set for a 10001 professional series power. These amps also have an odd ac line current. Ca2 amplifier pdf manual download. Crest/peavey replaces them with mj21193/4 devices and i can report that works well. The crest audio ca20 may. Crest Audio Power Amplifier Circuit.
From beulahsounds.co.ke
Crest Audio CA18 Power Amplifier Beulah Sounds Crest Audio Power Amplifier Circuit Crest/peavey replaces them with mj21193/4 devices and i can report that works well. 1 free download site for high end, hifi, pro & vintage audio schematics & service manuals. View and download crest audio ca12 specifications online. View and download crest audio ca2 specifications online. Ca4, ca6, ca9, ca12, ca18. The crest audio ca20 may not be the flashiest power. Crest Audio Power Amplifier Circuit.
From www.circuitdiagram.co
Schematic Power Amplifier Crest Audio 9001 Circuit Diagram Crest Audio Power Amplifier Circuit Ca2, ca4, ca6, ca9, ca18. Ca12 amplifier pdf manual download. The crest audio ca20 may not be the flashiest power amplifier out there, but it is certainly one of the most reliable. 650 watts per channel into 8ω (stereo), 2200 watts into 8ω (mono) frequency response: Ca4, ca6, ca9, ca12, ca18. Ca series amplif iers are designed for high. View. Crest Audio Power Amplifier Circuit.
From www.circuitdiagram.co
Schematic Power Amplifier Crest Audio Circuit Diagram Crest Audio Power Amplifier Circuit Ca2 amplifier pdf manual download. View and download crest audio ca12 specifications online. Ca series amplif iers are designed for high. The crest audio ca20 may not be the flashiest power amplifier out there, but it is certainly one of the most reliable. Ca4, ca6, ca9, ca12, ca18. These amps also have an odd ac line current. View and download. Crest Audio Power Amplifier Circuit.
From www.organised-sound.com
Schematic Power Amplifier Crest Audio Ca 18 Wiring Diagram Crest Audio Power Amplifier Circuit 1 free download site for high end, hifi, pro & vintage audio schematics & service manuals. The crest audio ca20 may not be the flashiest power amplifier out there, but it is certainly one of the most reliable. Crest/peavey replaces them with mj21193/4 devices and i can report that works well. Ca12 amplifier pdf manual download. The document is a. Crest Audio Power Amplifier Circuit.
From www.wiringdigital.com
Schematic Power Amplifier Crest Audio Ca 18 Wiring Digital and Schematic Crest Audio Power Amplifier Circuit View and download crest audio ca2 specifications online. These amps also have an odd ac line current. The document is a schematic set for a 10001 professional series power. The crest audio ca20 may not be the flashiest power amplifier out there, but it is certainly one of the most reliable. Ca2 amplifier pdf manual download. Ca12 amplifier pdf manual. Crest Audio Power Amplifier Circuit.
From www.circuitdiagram.co
Crest Audio Power Amplifier Schematic Circuit Diagram Crest Audio Power Amplifier Circuit Ca2, ca4, ca6, ca9, ca18. The crest audio ca20 may not be the flashiest power amplifier out there, but it is certainly one of the most reliable. These amps also have an odd ac line current. 650 watts per channel into 8ω (stereo), 2200 watts into 8ω (mono) frequency response: Ca series amplif iers are designed for high. View and. Crest Audio Power Amplifier Circuit.
From www.youtube.com
Power amplifier crest audio 8001 YouTube Crest Audio Power Amplifier Circuit Ca2 amplifier pdf manual download. The crest audio ca20 may not be the flashiest power amplifier out there, but it is certainly one of the most reliable. The document is a schematic set for a 10001 professional series power. Ca2, ca4, ca6, ca9, ca18. Ca4, ca6, ca9, ca12, ca18. Ca12 amplifier pdf manual download. View and download crest audio ca2. Crest Audio Power Amplifier Circuit.