What Is Daisy Chain Wiring Diagram . Daisy chain wiring is a method of connecting electrical devices in a series, where each device is connected to the next in a chain. This article explores the advantages and disadvantages of daisy chain. To make a daisy chain, you’ll need a. Take the time to plan, choose the appropriate materials, and test the system to ensure a successful outcome. A daisy chain connects multiple lights to the same circuit so you can control them from one place. Daisy chain wiring involves connecting multiple lighting fixtures in a linear sequence, using a single electrical circuit. In electrical and electronic engineering, a daisy chain is a wiring scheme in which multiple devices are wired together in sequence or in a ring, [1] similar. This method allows for a. Learn how to properly wire a. A daisy chain in electrical wiring refers to the practice of connecting multiple devices or fixtures in a series using a single power source. Daisy chain wiring is a method of connecting electrical devices in a series, where the current passes through each device in sequence.
from www.accreditedelectric.com
This article explores the advantages and disadvantages of daisy chain. In electrical and electronic engineering, a daisy chain is a wiring scheme in which multiple devices are wired together in sequence or in a ring, [1] similar. Learn how to properly wire a. Daisy chain wiring is a method of connecting electrical devices in a series, where the current passes through each device in sequence. This method allows for a. A daisy chain connects multiple lights to the same circuit so you can control them from one place. To make a daisy chain, you’ll need a. Daisy chain wiring is a method of connecting electrical devices in a series, where each device is connected to the next in a chain. A daisy chain in electrical wiring refers to the practice of connecting multiple devices or fixtures in a series using a single power source. Take the time to plan, choose the appropriate materials, and test the system to ensure a successful outcome.
What Is A Daisy Chain In Electric Terms? Accredited Electric
What Is Daisy Chain Wiring Diagram Learn how to properly wire a. Daisy chain wiring is a method of connecting electrical devices in a series, where each device is connected to the next in a chain. Take the time to plan, choose the appropriate materials, and test the system to ensure a successful outcome. Daisy chain wiring involves connecting multiple lighting fixtures in a linear sequence, using a single electrical circuit. This method allows for a. A daisy chain connects multiple lights to the same circuit so you can control them from one place. To make a daisy chain, you’ll need a. A daisy chain in electrical wiring refers to the practice of connecting multiple devices or fixtures in a series using a single power source. Learn how to properly wire a. In electrical and electronic engineering, a daisy chain is a wiring scheme in which multiple devices are wired together in sequence or in a ring, [1] similar. This article explores the advantages and disadvantages of daisy chain. Daisy chain wiring is a method of connecting electrical devices in a series, where the current passes through each device in sequence.
From www.shiksha.com
What is Daisy Chain Topology? What Is Daisy Chain Wiring Diagram Daisy chain wiring is a method of connecting electrical devices in a series, where the current passes through each device in sequence. Daisy chain wiring involves connecting multiple lighting fixtures in a linear sequence, using a single electrical circuit. Daisy chain wiring is a method of connecting electrical devices in a series, where each device is connected to the next. What Is Daisy Chain Wiring Diagram.
From joitmkuve.blob.core.windows.net
What Is A Daisy Chain Electrical at Jeff Bowers blog What Is Daisy Chain Wiring Diagram In electrical and electronic engineering, a daisy chain is a wiring scheme in which multiple devices are wired together in sequence or in a ring, [1] similar. This method allows for a. To make a daisy chain, you’ll need a. This article explores the advantages and disadvantages of daisy chain. Daisy chain wiring is a method of connecting electrical devices. What Is Daisy Chain Wiring Diagram.
From elecschem.com
The Ultimate Guide to Daisy Chain Wiring Lights A StepbyStep Tutorial What Is Daisy Chain Wiring Diagram Daisy chain wiring is a method of connecting electrical devices in a series, where the current passes through each device in sequence. To make a daisy chain, you’ll need a. A daisy chain in electrical wiring refers to the practice of connecting multiple devices or fixtures in a series using a single power source. This method allows for a. A. What Is Daisy Chain Wiring Diagram.
From enginelibmisallying.z14.web.core.windows.net
Lighting Daisy Chain Wiring Diagram What Is Daisy Chain Wiring Diagram A daisy chain in electrical wiring refers to the practice of connecting multiple devices or fixtures in a series using a single power source. Daisy chain wiring involves connecting multiple lighting fixtures in a linear sequence, using a single electrical circuit. In electrical and electronic engineering, a daisy chain is a wiring scheme in which multiple devices are wired together. What Is Daisy Chain Wiring Diagram.
From thebikebookthecheapest.blogspot.com
Daisy Chain Electrical Wiring Diagram OUTSTANDING DIAGRAM What Is Daisy Chain Wiring Diagram Daisy chain wiring involves connecting multiple lighting fixtures in a linear sequence, using a single electrical circuit. Learn how to properly wire a. This method allows for a. This article explores the advantages and disadvantages of daisy chain. To make a daisy chain, you’ll need a. A daisy chain connects multiple lights to the same circuit so you can control. What Is Daisy Chain Wiring Diagram.
From www.educba.com
Daisy Chain Network Why we Use the Daisy Chain in Computer Network? What Is Daisy Chain Wiring Diagram Daisy chain wiring involves connecting multiple lighting fixtures in a linear sequence, using a single electrical circuit. Daisy chain wiring is a method of connecting electrical devices in a series, where each device is connected to the next in a chain. This article explores the advantages and disadvantages of daisy chain. A daisy chain in electrical wiring refers to the. What Is Daisy Chain Wiring Diagram.
From superuser.com
networking How to properly daisy chain network switches? Super User What Is Daisy Chain Wiring Diagram A daisy chain connects multiple lights to the same circuit so you can control them from one place. Daisy chain wiring is a method of connecting electrical devices in a series, where the current passes through each device in sequence. In electrical and electronic engineering, a daisy chain is a wiring scheme in which multiple devices are wired together in. What Is Daisy Chain Wiring Diagram.
From bestard4.blogspot.com
Daisy Chain Electrical Diagram Bestard What Is Daisy Chain Wiring Diagram Learn how to properly wire a. To make a daisy chain, you’ll need a. Daisy chain wiring is a method of connecting electrical devices in a series, where each device is connected to the next in a chain. This method allows for a. A daisy chain connects multiple lights to the same circuit so you can control them from one. What Is Daisy Chain Wiring Diagram.
From schematicmodelers.z13.web.core.windows.net
Daisy Chain Electrical Outlets Diagram What Is Daisy Chain Wiring Diagram This article explores the advantages and disadvantages of daisy chain. In electrical and electronic engineering, a daisy chain is a wiring scheme in which multiple devices are wired together in sequence or in a ring, [1] similar. To make a daisy chain, you’ll need a. Daisy chain wiring involves connecting multiple lighting fixtures in a linear sequence, using a single. What Is Daisy Chain Wiring Diagram.
From guidefixaverang2.z4.web.core.windows.net
Daisy Chain Wiring Diagram Traffic Signals What Is Daisy Chain Wiring Diagram This article explores the advantages and disadvantages of daisy chain. Take the time to plan, choose the appropriate materials, and test the system to ensure a successful outcome. A daisy chain connects multiple lights to the same circuit so you can control them from one place. Daisy chain wiring involves connecting multiple lighting fixtures in a linear sequence, using a. What Is Daisy Chain Wiring Diagram.
From wiringschemas12.blogspot.com
Daisy Chain Wiring Diagram / Https Encrypted Tbn0 Gstatic Com Images Q Tbn What Is Daisy Chain Wiring Diagram Daisy chain wiring is a method of connecting electrical devices in a series, where each device is connected to the next in a chain. This method allows for a. In electrical and electronic engineering, a daisy chain is a wiring scheme in which multiple devices are wired together in sequence or in a ring, [1] similar. To make a daisy. What Is Daisy Chain Wiring Diagram.
From docking-stations.info
What is Monitor DaisyChaining? Guide) What Is Daisy Chain Wiring Diagram Daisy chain wiring is a method of connecting electrical devices in a series, where the current passes through each device in sequence. This article explores the advantages and disadvantages of daisy chain. A daisy chain connects multiple lights to the same circuit so you can control them from one place. Daisy chain wiring is a method of connecting electrical devices. What Is Daisy Chain Wiring Diagram.
From www.circuitbasics.com
How to Use SPI Communication on the Arduino Circuit Basics What Is Daisy Chain Wiring Diagram Daisy chain wiring involves connecting multiple lighting fixtures in a linear sequence, using a single electrical circuit. In electrical and electronic engineering, a daisy chain is a wiring scheme in which multiple devices are wired together in sequence or in a ring, [1] similar. Take the time to plan, choose the appropriate materials, and test the system to ensure a. What Is Daisy Chain Wiring Diagram.
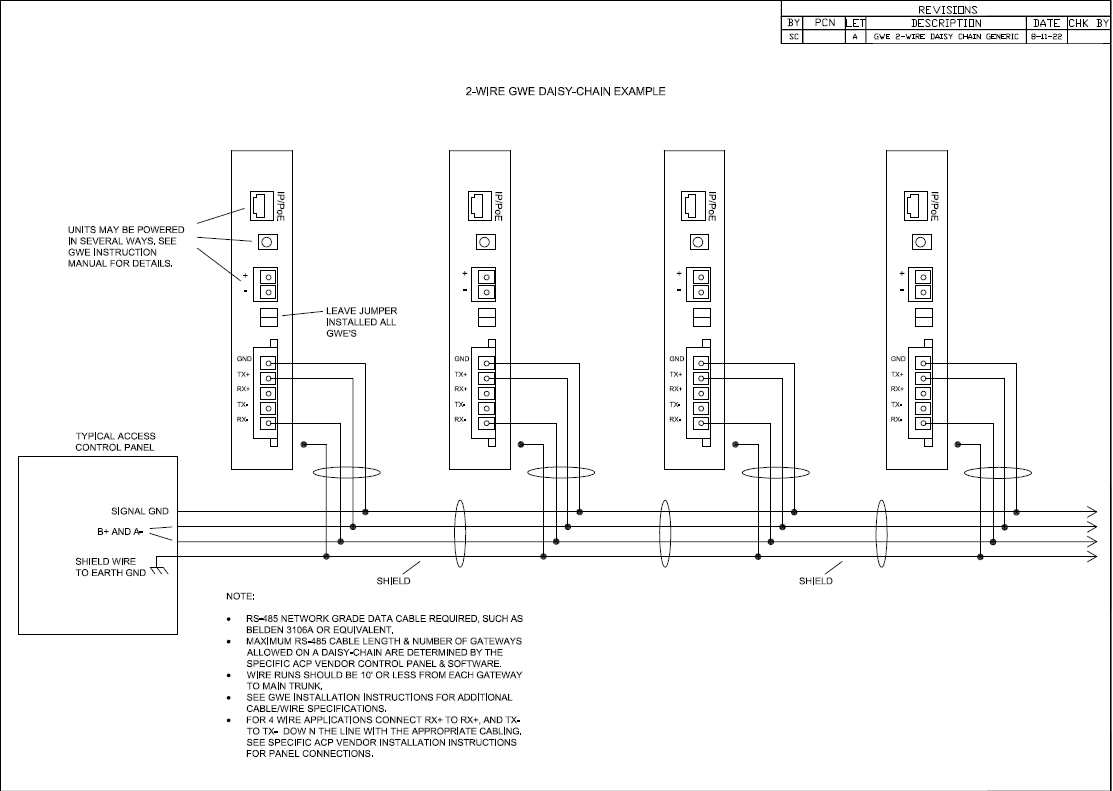
From kc.allegion.com
Is there a wiring diagram showing how to properly daisy chain GWE Gateways What Is Daisy Chain Wiring Diagram In electrical and electronic engineering, a daisy chain is a wiring scheme in which multiple devices are wired together in sequence or in a ring, [1] similar. Take the time to plan, choose the appropriate materials, and test the system to ensure a successful outcome. Daisy chain wiring involves connecting multiple lighting fixtures in a linear sequence, using a single. What Is Daisy Chain Wiring Diagram.
From wiringdiagram.2bitboer.com
Daisy Chain Pot Lights Wiring Diagram Wiring Diagram What Is Daisy Chain Wiring Diagram Take the time to plan, choose the appropriate materials, and test the system to ensure a successful outcome. To make a daisy chain, you’ll need a. In electrical and electronic engineering, a daisy chain is a wiring scheme in which multiple devices are wired together in sequence or in a ring, [1] similar. Daisy chain wiring involves connecting multiple lighting. What Is Daisy Chain Wiring Diagram.
From fjelloghjem.blogspot.com
21 Best Daisy Chain Light Wiring Diagram What Is Daisy Chain Wiring Diagram This method allows for a. Daisy chain wiring is a method of connecting electrical devices in a series, where each device is connected to the next in a chain. A daisy chain in electrical wiring refers to the practice of connecting multiple devices or fixtures in a series using a single power source. In electrical and electronic engineering, a daisy. What Is Daisy Chain Wiring Diagram.
From www.accreditedelectric.com
What Is A Daisy Chain In Electric Terms? Accredited Electric What Is Daisy Chain Wiring Diagram A daisy chain connects multiple lights to the same circuit so you can control them from one place. In electrical and electronic engineering, a daisy chain is a wiring scheme in which multiple devices are wired together in sequence or in a ring, [1] similar. To make a daisy chain, you’ll need a. Daisy chain wiring involves connecting multiple lighting. What Is Daisy Chain Wiring Diagram.
From www.176iot.com
how to daisy chain receptacles IOT Wiring Diagram What Is Daisy Chain Wiring Diagram Daisy chain wiring is a method of connecting electrical devices in a series, where the current passes through each device in sequence. Daisy chain wiring is a method of connecting electrical devices in a series, where each device is connected to the next in a chain. This method allows for a. This article explores the advantages and disadvantages of daisy. What Is Daisy Chain Wiring Diagram.
From kdi-ppi.com
Demystifying Daisy Chain Wiring A Comprehensive Guide What Is Daisy Chain Wiring Diagram Daisy chain wiring is a method of connecting electrical devices in a series, where the current passes through each device in sequence. This method allows for a. Learn how to properly wire a. A daisy chain connects multiple lights to the same circuit so you can control them from one place. This article explores the advantages and disadvantages of daisy. What Is Daisy Chain Wiring Diagram.
From thebikebookthecheapest.blogspot.com
Daisy Chain Electrical Wiring Diagram OUTSTANDING DIAGRAM What Is Daisy Chain Wiring Diagram Take the time to plan, choose the appropriate materials, and test the system to ensure a successful outcome. In electrical and electronic engineering, a daisy chain is a wiring scheme in which multiple devices are wired together in sequence or in a ring, [1] similar. A daisy chain in electrical wiring refers to the practice of connecting multiple devices or. What Is Daisy Chain Wiring Diagram.
From www.panelbuilderus.com
What Does Daisy Chaining Mean for Power Supplies? Panel Builder US What Is Daisy Chain Wiring Diagram In electrical and electronic engineering, a daisy chain is a wiring scheme in which multiple devices are wired together in sequence or in a ring, [1] similar. This method allows for a. Daisy chain wiring is a method of connecting electrical devices in a series, where each device is connected to the next in a chain. Take the time to. What Is Daisy Chain Wiring Diagram.
From tonystrains.com
DCC Specialties PSX Daisy Chain Diagram News & Resources What Is Daisy Chain Wiring Diagram Daisy chain wiring involves connecting multiple lighting fixtures in a linear sequence, using a single electrical circuit. To make a daisy chain, you’ll need a. A daisy chain in electrical wiring refers to the practice of connecting multiple devices or fixtures in a series using a single power source. Daisy chain wiring is a method of connecting electrical devices in. What Is Daisy Chain Wiring Diagram.
From www.eizoglobal.com
Daisy Chain Setup Guide EIZO What Is Daisy Chain Wiring Diagram Daisy chain wiring is a method of connecting electrical devices in a series, where the current passes through each device in sequence. In electrical and electronic engineering, a daisy chain is a wiring scheme in which multiple devices are wired together in sequence or in a ring, [1] similar. Learn how to properly wire a. Daisy chain wiring involves connecting. What Is Daisy Chain Wiring Diagram.
From guideparttimeworn.z21.web.core.windows.net
Daisy Chain Wiring Diagram 120 Volt What Is Daisy Chain Wiring Diagram Daisy chain wiring is a method of connecting electrical devices in a series, where the current passes through each device in sequence. Take the time to plan, choose the appropriate materials, and test the system to ensure a successful outcome. This article explores the advantages and disadvantages of daisy chain. Daisy chain wiring is a method of connecting electrical devices. What Is Daisy Chain Wiring Diagram.
From keilaighjett.blogspot.com
21+ Daisy Chain Wiring Diagram KeilaighJett What Is Daisy Chain Wiring Diagram To make a daisy chain, you’ll need a. Daisy chain wiring is a method of connecting electrical devices in a series, where each device is connected to the next in a chain. Take the time to plan, choose the appropriate materials, and test the system to ensure a successful outcome. Daisy chain wiring is a method of connecting electrical devices. What Is Daisy Chain Wiring Diagram.
From virtuosocentral.com
How to Daisy Chain Active Speakers Virtuoso Central What Is Daisy Chain Wiring Diagram Learn how to properly wire a. This article explores the advantages and disadvantages of daisy chain. This method allows for a. Daisy chain wiring is a method of connecting electrical devices in a series, where each device is connected to the next in a chain. A daisy chain in electrical wiring refers to the practice of connecting multiple devices or. What Is Daisy Chain Wiring Diagram.
From thebikebookthecheapest.blogspot.com
Daisy Chain Speaker Wiring Diagram OUTSTANDING DIAGRAM What Is Daisy Chain Wiring Diagram This method allows for a. A daisy chain connects multiple lights to the same circuit so you can control them from one place. Daisy chain wiring is a method of connecting electrical devices in a series, where the current passes through each device in sequence. This article explores the advantages and disadvantages of daisy chain. To make a daisy chain,. What Is Daisy Chain Wiring Diagram.
From one-layer.blogspot.com
Daisy Chain Wiring Vs Series One Layer What Is Daisy Chain Wiring Diagram To make a daisy chain, you’ll need a. Daisy chain wiring is a method of connecting electrical devices in a series, where the current passes through each device in sequence. Daisy chain wiring is a method of connecting electrical devices in a series, where each device is connected to the next in a chain. This article explores the advantages and. What Is Daisy Chain Wiring Diagram.
From wiringdiagramhets.z19.web.core.windows.net
Daisy Chain Wiring Diagrams Bulbs What Is Daisy Chain Wiring Diagram To make a daisy chain, you’ll need a. Daisy chain wiring is a method of connecting electrical devices in a series, where the current passes through each device in sequence. Daisy chain wiring is a method of connecting electrical devices in a series, where each device is connected to the next in a chain. A daisy chain connects multiple lights. What Is Daisy Chain Wiring Diagram.
From www.alternergy.co.uk
Solar Panel Wiring Techniques DaisyChain and Leapfrog Alternergy What Is Daisy Chain Wiring Diagram Learn how to properly wire a. A daisy chain connects multiple lights to the same circuit so you can control them from one place. Daisy chain wiring involves connecting multiple lighting fixtures in a linear sequence, using a single electrical circuit. Daisy chain wiring is a method of connecting electrical devices in a series, where each device is connected to. What Is Daisy Chain Wiring Diagram.
From www.wikihow.com
How to Daisy Chain Lights 13 Steps (with Pictures) wikiHow What Is Daisy Chain Wiring Diagram This article explores the advantages and disadvantages of daisy chain. Take the time to plan, choose the appropriate materials, and test the system to ensure a successful outcome. Daisy chain wiring is a method of connecting electrical devices in a series, where each device is connected to the next in a chain. This method allows for a. A daisy chain. What Is Daisy Chain Wiring Diagram.
From circuitengineedicts.z21.web.core.windows.net
What Is A Daisy Chain In Electrical Wiring What Is Daisy Chain Wiring Diagram This article explores the advantages and disadvantages of daisy chain. In electrical and electronic engineering, a daisy chain is a wiring scheme in which multiple devices are wired together in sequence or in a ring, [1] similar. Learn how to properly wire a. Daisy chain wiring is a method of connecting electrical devices in a series, where each device is. What Is Daisy Chain Wiring Diagram.
From alohagrace.blogspot.com
Daisy Chain Schematic Wiring Wiring Diagram What Is Daisy Chain Wiring Diagram Learn how to properly wire a. This article explores the advantages and disadvantages of daisy chain. To make a daisy chain, you’ll need a. Daisy chain wiring is a method of connecting electrical devices in a series, where the current passes through each device in sequence. Daisy chain wiring involves connecting multiple lighting fixtures in a linear sequence, using a. What Is Daisy Chain Wiring Diagram.
From www.judgeelectrical.co.uk
Daisy Chaining What Is Daisy Chain Wiring Diagram In electrical and electronic engineering, a daisy chain is a wiring scheme in which multiple devices are wired together in sequence or in a ring, [1] similar. Daisy chain wiring is a method of connecting electrical devices in a series, where each device is connected to the next in a chain. A daisy chain connects multiple lights to the same. What Is Daisy Chain Wiring Diagram.
From joitmkuve.blob.core.windows.net
What Is A Daisy Chain Electrical at Jeff Bowers blog What Is Daisy Chain Wiring Diagram To make a daisy chain, you’ll need a. Learn how to properly wire a. This article explores the advantages and disadvantages of daisy chain. A daisy chain in electrical wiring refers to the practice of connecting multiple devices or fixtures in a series using a single power source. Daisy chain wiring is a method of connecting electrical devices in a. What Is Daisy Chain Wiring Diagram.