Zener Diode Value Calculator . Calculate with examples & formulas. By using this online zener diode power rating calculator, one can easily calculate the resistor value, power rating and resistor power rating based on the input values of source voltage, output voltage. Use our zener diode calculator to determine zener diode values effortlessly. A zener diode calculator is a tool that helps determine the appropriate zener diode for a given application based on various parameters. Zener diode calculator is a free online tool that displays resistance and zener voltage value. Byju’s online zener diode calculator tool performs the. It simplifies the process of selecting the correct zener diode from a. This calculator is used to calculate the parameters of a given zener diode such as voltage regulation, current limiting and circuit design. To find the power dissipation in a zener diode and the resistor linked in series with it, use this online calculator. Calculate zener diode parameters with our zener diode calculator. Determine current, voltage, and power dissipation for zener diode circuits. When current hits the zener voltage, a. Enter value and click on calculate.
from exycxsjon.blob.core.windows.net
This calculator is used to calculate the parameters of a given zener diode such as voltage regulation, current limiting and circuit design. By using this online zener diode power rating calculator, one can easily calculate the resistor value, power rating and resistor power rating based on the input values of source voltage, output voltage. Byju’s online zener diode calculator tool performs the. Enter value and click on calculate. Determine current, voltage, and power dissipation for zener diode circuits. When current hits the zener voltage, a. Calculate zener diode parameters with our zener diode calculator. Zener diode calculator is a free online tool that displays resistance and zener voltage value. It simplifies the process of selecting the correct zener diode from a. Calculate with examples & formulas.
How To Calculate Zener Series Resistor at Paul Gray blog
Zener Diode Value Calculator By using this online zener diode power rating calculator, one can easily calculate the resistor value, power rating and resistor power rating based on the input values of source voltage, output voltage. Byju’s online zener diode calculator tool performs the. By using this online zener diode power rating calculator, one can easily calculate the resistor value, power rating and resistor power rating based on the input values of source voltage, output voltage. It simplifies the process of selecting the correct zener diode from a. Enter value and click on calculate. Determine current, voltage, and power dissipation for zener diode circuits. Calculate zener diode parameters with our zener diode calculator. Calculate with examples & formulas. When current hits the zener voltage, a. This calculator is used to calculate the parameters of a given zener diode such as voltage regulation, current limiting and circuit design. Zener diode calculator is a free online tool that displays resistance and zener voltage value. A zener diode calculator is a tool that helps determine the appropriate zener diode for a given application based on various parameters. To find the power dissipation in a zener diode and the resistor linked in series with it, use this online calculator. Use our zener diode calculator to determine zener diode values effortlessly.
From ncalculators.com
Zener Diode Power Rating Calculator Zener Diode Value Calculator A zener diode calculator is a tool that helps determine the appropriate zener diode for a given application based on various parameters. Enter value and click on calculate. Use our zener diode calculator to determine zener diode values effortlessly. By using this online zener diode power rating calculator, one can easily calculate the resistor value, power rating and resistor power. Zener Diode Value Calculator.
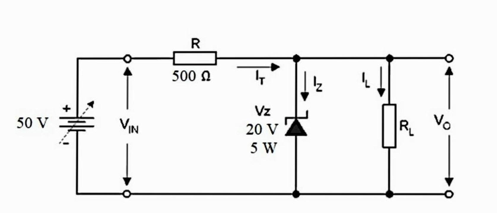
From physicscalculatorpro.com
Zener Diode Calculator How is Zener Diode Value Calculated? Zener Diode Value Calculator Byju’s online zener diode calculator tool performs the. This calculator is used to calculate the parameters of a given zener diode such as voltage regulation, current limiting and circuit design. By using this online zener diode power rating calculator, one can easily calculate the resistor value, power rating and resistor power rating based on the input values of source voltage,. Zener Diode Value Calculator.
From www.chegg.com
Solved In the following circuit Calculate the Zener Zener Diode Value Calculator Use our zener diode calculator to determine zener diode values effortlessly. Zener diode calculator is a free online tool that displays resistance and zener voltage value. By using this online zener diode power rating calculator, one can easily calculate the resistor value, power rating and resistor power rating based on the input values of source voltage, output voltage. Byju’s online. Zener Diode Value Calculator.
From mavink.com
Diode Equivalent Chart Zener Diode Value Calculator By using this online zener diode power rating calculator, one can easily calculate the resistor value, power rating and resistor power rating based on the input values of source voltage, output voltage. A zener diode calculator is a tool that helps determine the appropriate zener diode for a given application based on various parameters. Determine current, voltage, and power dissipation. Zener Diode Value Calculator.
From itecnotes.com
Electronic Understanding Zener diode datasheet Valuable Tech Notes Zener Diode Value Calculator Byju’s online zener diode calculator tool performs the. It simplifies the process of selecting the correct zener diode from a. Calculate zener diode parameters with our zener diode calculator. By using this online zener diode power rating calculator, one can easily calculate the resistor value, power rating and resistor power rating based on the input values of source voltage, output. Zener Diode Value Calculator.
From www.petervis.com
Zener Diode Calculator Theory Zener Diode Value Calculator By using this online zener diode power rating calculator, one can easily calculate the resistor value, power rating and resistor power rating based on the input values of source voltage, output voltage. Use our zener diode calculator to determine zener diode values effortlessly. Enter value and click on calculate. This calculator is used to calculate the parameters of a given. Zener Diode Value Calculator.
From electronics.stackexchange.com
voltage regulator Zener Diode maximum current calculation based on max rated Power dissapation Zener Diode Value Calculator Byju’s online zener diode calculator tool performs the. This calculator is used to calculate the parameters of a given zener diode such as voltage regulation, current limiting and circuit design. Use our zener diode calculator to determine zener diode values effortlessly. Calculate with examples & formulas. Calculate zener diode parameters with our zener diode calculator. To find the power dissipation. Zener Diode Value Calculator.
From www.youtube.com
How to measure zener diode by multimeter using Zener Diode Tester YouTube Zener Diode Value Calculator When current hits the zener voltage, a. A zener diode calculator is a tool that helps determine the appropriate zener diode for a given application based on various parameters. Byju’s online zener diode calculator tool performs the. By using this online zener diode power rating calculator, one can easily calculate the resistor value, power rating and resistor power rating based. Zener Diode Value Calculator.
From efficiencywins.nexperia.com
Understanding the basics of Zener diodes Efficiency Wins Zener Diode Value Calculator To find the power dissipation in a zener diode and the resistor linked in series with it, use this online calculator. Byju’s online zener diode calculator tool performs the. Calculate with examples & formulas. This calculator is used to calculate the parameters of a given zener diode such as voltage regulation, current limiting and circuit design. A zener diode calculator. Zener Diode Value Calculator.
From mungfali.com
Zener Diode Chart Zener Diode Value Calculator Enter value and click on calculate. By using this online zener diode power rating calculator, one can easily calculate the resistor value, power rating and resistor power rating based on the input values of source voltage, output voltage. Zener diode calculator is a free online tool that displays resistance and zener voltage value. Calculate zener diode parameters with our zener. Zener Diode Value Calculator.
From www.homemade-circuits.com
Zener Diode Circuits, Characteristics, Calculations Homemade Circuit Projects Zener Diode Value Calculator Determine current, voltage, and power dissipation for zener diode circuits. A zener diode calculator is a tool that helps determine the appropriate zener diode for a given application based on various parameters. It simplifies the process of selecting the correct zener diode from a. To find the power dissipation in a zener diode and the resistor linked in series with. Zener Diode Value Calculator.
From www.youtube.com
Power Zener Diodes as Voltage Regulators Circuit Analysis & Efficiency YouTube Zener Diode Value Calculator This calculator is used to calculate the parameters of a given zener diode such as voltage regulation, current limiting and circuit design. When current hits the zener voltage, a. Use our zener diode calculator to determine zener diode values effortlessly. Calculate zener diode parameters with our zener diode calculator. Enter value and click on calculate. Zener diode calculator is a. Zener Diode Value Calculator.
From www.chegg.com
Solved Figure 5−4 FullWave Rectifier with Zener Diode Zener Diode Value Calculator Zener diode calculator is a free online tool that displays resistance and zener voltage value. Determine current, voltage, and power dissipation for zener diode circuits. This calculator is used to calculate the parameters of a given zener diode such as voltage regulation, current limiting and circuit design. To find the power dissipation in a zener diode and the resistor linked. Zener Diode Value Calculator.
From exycxsjon.blob.core.windows.net
How To Calculate Zener Series Resistor at Paul Gray blog Zener Diode Value Calculator Calculate zener diode parameters with our zener diode calculator. By using this online zener diode power rating calculator, one can easily calculate the resistor value, power rating and resistor power rating based on the input values of source voltage, output voltage. Enter value and click on calculate. Calculate with examples & formulas. Determine current, voltage, and power dissipation for zener. Zener Diode Value Calculator.
From www.numerade.com
SOLVED (a) A zener diode voltage regulator is shown in Figure Q1 (a). For the zener diode I(ZK Zener Diode Value Calculator Byju’s online zener diode calculator tool performs the. Enter value and click on calculate. Zener diode calculator is a free online tool that displays resistance and zener voltage value. Use our zener diode calculator to determine zener diode values effortlessly. When current hits the zener voltage, a. To find the power dissipation in a zener diode and the resistor linked. Zener Diode Value Calculator.
From www.chegg.com
Solved For the following circuit, the Zener diode has a Zener Diode Value Calculator Calculate with examples & formulas. By using this online zener diode power rating calculator, one can easily calculate the resistor value, power rating and resistor power rating based on the input values of source voltage, output voltage. This calculator is used to calculate the parameters of a given zener diode such as voltage regulation, current limiting and circuit design. Zener. Zener Diode Value Calculator.
From www.scribd.com
zener diode codes.pdf Electricity Electrical Engineering Zener Diode Value Calculator It simplifies the process of selecting the correct zener diode from a. Zener diode calculator is a free online tool that displays resistance and zener voltage value. When current hits the zener voltage, a. This calculator is used to calculate the parameters of a given zener diode such as voltage regulation, current limiting and circuit design. By using this online. Zener Diode Value Calculator.
From haipernews.com
How To Calculate Current Through Zener Diode Haiper Zener Diode Value Calculator When current hits the zener voltage, a. Calculate zener diode parameters with our zener diode calculator. Use our zener diode calculator to determine zener diode values effortlessly. A zener diode calculator is a tool that helps determine the appropriate zener diode for a given application based on various parameters. To find the power dissipation in a zener diode and the. Zener Diode Value Calculator.
From www.numerade.com
SOLVED Determine the range of values of Vi that will maintain the zener diode in the "on" state Zener Diode Value Calculator By using this online zener diode power rating calculator, one can easily calculate the resistor value, power rating and resistor power rating based on the input values of source voltage, output voltage. Determine current, voltage, and power dissipation for zener diode circuits. When current hits the zener voltage, a. It simplifies the process of selecting the correct zener diode from. Zener Diode Value Calculator.
From www.hnhcart.com
How to Calculate wattage of a Zener Diode Zener Diode Value Calculator Byju’s online zener diode calculator tool performs the. This calculator is used to calculate the parameters of a given zener diode such as voltage regulation, current limiting and circuit design. When current hits the zener voltage, a. Calculate with examples & formulas. Calculate zener diode parameters with our zener diode calculator. Use our zener diode calculator to determine zener diode. Zener Diode Value Calculator.
From exycxsjon.blob.core.windows.net
How To Calculate Zener Series Resistor at Paul Gray blog Zener Diode Value Calculator Calculate with examples & formulas. To find the power dissipation in a zener diode and the resistor linked in series with it, use this online calculator. Calculate zener diode parameters with our zener diode calculator. Byju’s online zener diode calculator tool performs the. A zener diode calculator is a tool that helps determine the appropriate zener diode for a given. Zener Diode Value Calculator.
From electronics.stackexchange.com
ttl How to calculate the resistor values for the zener diode and the BJT base? Electrical Zener Diode Value Calculator It simplifies the process of selecting the correct zener diode from a. Enter value and click on calculate. By using this online zener diode power rating calculator, one can easily calculate the resistor value, power rating and resistor power rating based on the input values of source voltage, output voltage. Calculate zener diode parameters with our zener diode calculator. This. Zener Diode Value Calculator.
From www.youtube.com
Zener Diodes Line Regulation Example YouTube Zener Diode Value Calculator It simplifies the process of selecting the correct zener diode from a. To find the power dissipation in a zener diode and the resistor linked in series with it, use this online calculator. A zener diode calculator is a tool that helps determine the appropriate zener diode for a given application based on various parameters. Enter value and click on. Zener Diode Value Calculator.
From www.youtube.com
Tutorial How to test / measure the value of a Zener / Avalanche Diode YouTube Zener Diode Value Calculator Calculate with examples & formulas. Use our zener diode calculator to determine zener diode values effortlessly. Byju’s online zener diode calculator tool performs the. Determine current, voltage, and power dissipation for zener diode circuits. A zener diode calculator is a tool that helps determine the appropriate zener diode for a given application based on various parameters. When current hits the. Zener Diode Value Calculator.
From www.edaboard.com
How to calculate Zener diode power according to intrinsically safe (ATEX) standard ? Forum for Zener Diode Value Calculator By using this online zener diode power rating calculator, one can easily calculate the resistor value, power rating and resistor power rating based on the input values of source voltage, output voltage. Byju’s online zener diode calculator tool performs the. Use our zener diode calculator to determine zener diode values effortlessly. Zener diode calculator is a free online tool that. Zener Diode Value Calculator.
From www.chegg.com
Solved Calculate in order for the zener diode given in the Zener Diode Value Calculator By using this online zener diode power rating calculator, one can easily calculate the resistor value, power rating and resistor power rating based on the input values of source voltage, output voltage. A zener diode calculator is a tool that helps determine the appropriate zener diode for a given application based on various parameters. Determine current, voltage, and power dissipation. Zener Diode Value Calculator.
From www.tti.com
What is a Zener Diode? TTI, Inc. Zener Diode Value Calculator Byju’s online zener diode calculator tool performs the. To find the power dissipation in a zener diode and the resistor linked in series with it, use this online calculator. When current hits the zener voltage, a. Use our zener diode calculator to determine zener diode values effortlessly. Calculate zener diode parameters with our zener diode calculator. Calculate with examples &. Zener Diode Value Calculator.
From www.chegg.com
Solved A zenerdiode voltage regulator (shown in Fig. 3) is Zener Diode Value Calculator Enter value and click on calculate. A zener diode calculator is a tool that helps determine the appropriate zener diode for a given application based on various parameters. This calculator is used to calculate the parameters of a given zener diode such as voltage regulation, current limiting and circuit design. Calculate with examples & formulas. Zener diode calculator is a. Zener Diode Value Calculator.
From dxogpukro.blob.core.windows.net
Zener Diode Vi Characteristics Graph at Matthew Ransom blog Zener Diode Value Calculator Zener diode calculator is a free online tool that displays resistance and zener voltage value. It simplifies the process of selecting the correct zener diode from a. Use our zener diode calculator to determine zener diode values effortlessly. Enter value and click on calculate. Calculate with examples & formulas. This calculator is used to calculate the parameters of a given. Zener Diode Value Calculator.
From byjus.com
In a zener regulated power supply a zener diode with Vz=6V is used for regulation. The load Zener Diode Value Calculator Calculate with examples & formulas. Calculate zener diode parameters with our zener diode calculator. A zener diode calculator is a tool that helps determine the appropriate zener diode for a given application based on various parameters. Byju’s online zener diode calculator tool performs the. Zener diode calculator is a free online tool that displays resistance and zener voltage value. Enter. Zener Diode Value Calculator.
From aliceanthop.blogspot.com
☑ Datasheet Dioda Zener Zener Diode Value Calculator By using this online zener diode power rating calculator, one can easily calculate the resistor value, power rating and resistor power rating based on the input values of source voltage, output voltage. To find the power dissipation in a zener diode and the resistor linked in series with it, use this online calculator. Calculate with examples & formulas. This calculator. Zener Diode Value Calculator.
From www.chegg.com
Solved Calculate the power Pz, value consumed on the zener Zener Diode Value Calculator It simplifies the process of selecting the correct zener diode from a. Byju’s online zener diode calculator tool performs the. To find the power dissipation in a zener diode and the resistor linked in series with it, use this online calculator. Determine current, voltage, and power dissipation for zener diode circuits. This calculator is used to calculate the parameters of. Zener Diode Value Calculator.
From www.youtube.com
Zener Diode Calculations YouTube Zener Diode Value Calculator It simplifies the process of selecting the correct zener diode from a. Calculate with examples & formulas. To find the power dissipation in a zener diode and the resistor linked in series with it, use this online calculator. Zener diode calculator is a free online tool that displays resistance and zener voltage value. Byju’s online zener diode calculator tool performs. Zener Diode Value Calculator.
From www.youtube.com
What is Zener Diode ? Zener Diode as a Voltage Regulator Explained (with solved Examples) YouTube Zener Diode Value Calculator Enter value and click on calculate. Zener diode calculator is a free online tool that displays resistance and zener voltage value. Determine current, voltage, and power dissipation for zener diode circuits. Calculate with examples & formulas. When current hits the zener voltage, a. By using this online zener diode power rating calculator, one can easily calculate the resistor value, power. Zener Diode Value Calculator.
From itecnotes.com
Calculating Minimum and Maximum R_load for a Zener Voltage Regulator Valuable Tech Notes Zener Diode Value Calculator Calculate with examples & formulas. By using this online zener diode power rating calculator, one can easily calculate the resistor value, power rating and resistor power rating based on the input values of source voltage, output voltage. Byju’s online zener diode calculator tool performs the. Use our zener diode calculator to determine zener diode values effortlessly. This calculator is used. Zener Diode Value Calculator.