Plummer Block Drawing With Dimensions . Available for solidworks, inventor, creo, catia,. The part file opens with existing sketches that will. the grabcad library offers millions of free cad designs, cad files, and 3d models. in this exercise, you’ll be creating the 3d geometry of a plummer block part. a plummer block, also known as a pillow block bearing, is a type of bearing housing that supports a rotating shaft in mechanical equipment. learn how to design and assemble a plummer block in solidworks. Available for solidworks, inventor, creo, catia, solid edge, autocad, revit and. the tolerances of ntn split plummer blocks meet jis b 1551, and those of unit type plummer blocks with japan bearing industrial association standard bas. download plummer block ball bearing units, for high temperature applications. Join the grabcad community today to gain.
from machine-drawing.blogspot.com
learn how to design and assemble a plummer block in solidworks. Available for solidworks, inventor, creo, catia,. the tolerances of ntn split plummer blocks meet jis b 1551, and those of unit type plummer blocks with japan bearing industrial association standard bas. in this exercise, you’ll be creating the 3d geometry of a plummer block part. Available for solidworks, inventor, creo, catia, solid edge, autocad, revit and. download plummer block ball bearing units, for high temperature applications. the grabcad library offers millions of free cad designs, cad files, and 3d models. Join the grabcad community today to gain. The part file opens with existing sketches that will. a plummer block, also known as a pillow block bearing, is a type of bearing housing that supports a rotating shaft in mechanical equipment.
Machine Drawing PLUMMER BLOCK (PEDESTAL BEARING)
Plummer Block Drawing With Dimensions learn how to design and assemble a plummer block in solidworks. in this exercise, you’ll be creating the 3d geometry of a plummer block part. Available for solidworks, inventor, creo, catia,. download plummer block ball bearing units, for high temperature applications. learn how to design and assemble a plummer block in solidworks. Join the grabcad community today to gain. the grabcad library offers millions of free cad designs, cad files, and 3d models. Available for solidworks, inventor, creo, catia, solid edge, autocad, revit and. The part file opens with existing sketches that will. a plummer block, also known as a pillow block bearing, is a type of bearing housing that supports a rotating shaft in mechanical equipment. the tolerances of ntn split plummer blocks meet jis b 1551, and those of unit type plummer blocks with japan bearing industrial association standard bas.
From www.bearingrevolution.co.uk
SNV 200, Split Pillow Block Housing Premium Range Bearing Revolution Plummer Block Drawing With Dimensions the tolerances of ntn split plummer blocks meet jis b 1551, and those of unit type plummer blocks with japan bearing industrial association standard bas. Available for solidworks, inventor, creo, catia, solid edge, autocad, revit and. Join the grabcad community today to gain. the grabcad library offers millions of free cad designs, cad files, and 3d models. . Plummer Block Drawing With Dimensions.
From www.youtube.com
Plummer block A pillow block bearing Onshape 3D modeling and Plummer Block Drawing With Dimensions learn how to design and assemble a plummer block in solidworks. Join the grabcad community today to gain. in this exercise, you’ll be creating the 3d geometry of a plummer block part. the tolerances of ntn split plummer blocks meet jis b 1551, and those of unit type plummer blocks with japan bearing industrial association standard bas.. Plummer Block Drawing With Dimensions.
From www.scribd.com
37_plummer Block Assembly Final Metals Computer Aided Design Plummer Block Drawing With Dimensions download plummer block ball bearing units, for high temperature applications. learn how to design and assemble a plummer block in solidworks. Available for solidworks, inventor, creo, catia,. in this exercise, you’ll be creating the 3d geometry of a plummer block part. The part file opens with existing sketches that will. a plummer block, also known as. Plummer Block Drawing With Dimensions.
From www.scribd.com
Plummer Block PDF Plummer Block Drawing With Dimensions Available for solidworks, inventor, creo, catia,. the grabcad library offers millions of free cad designs, cad files, and 3d models. The part file opens with existing sketches that will. a plummer block, also known as a pillow block bearing, is a type of bearing housing that supports a rotating shaft in mechanical equipment. learn how to design. Plummer Block Drawing With Dimensions.
From medias.schaeffler.co.id
SES517L Plummer block housing inform yourself & order online on Plummer Block Drawing With Dimensions learn how to design and assemble a plummer block in solidworks. Join the grabcad community today to gain. The part file opens with existing sketches that will. Available for solidworks, inventor, creo, catia, solid edge, autocad, revit and. in this exercise, you’ll be creating the 3d geometry of a plummer block part. download plummer block ball bearing. Plummer Block Drawing With Dimensions.
From grabcad.com
Free CAD Designs, Files & 3D Models The GrabCAD Community Library Plummer Block Drawing With Dimensions The part file opens with existing sketches that will. the grabcad library offers millions of free cad designs, cad files, and 3d models. download plummer block ball bearing units, for high temperature applications. a plummer block, also known as a pillow block bearing, is a type of bearing housing that supports a rotating shaft in mechanical equipment.. Plummer Block Drawing With Dimensions.
From www.youtube.com
Plummer Block using SOLIDWORKS Parts and Assembly SOLIDWORKS Plummer Block Drawing With Dimensions learn how to design and assemble a plummer block in solidworks. a plummer block, also known as a pillow block bearing, is a type of bearing housing that supports a rotating shaft in mechanical equipment. The part file opens with existing sketches that will. the tolerances of ntn split plummer blocks meet jis b 1551, and those. Plummer Block Drawing With Dimensions.
From www.scribd.com
Plummer BlockAssembly Drawing PDF Plummer Block Drawing With Dimensions the grabcad library offers millions of free cad designs, cad files, and 3d models. Join the grabcad community today to gain. The part file opens with existing sketches that will. in this exercise, you’ll be creating the 3d geometry of a plummer block part. download plummer block ball bearing units, for high temperature applications. Available for solidworks,. Plummer Block Drawing With Dimensions.
From www.bearingsrus.co.uk
SNL532 SKF Plummer Block Housing Plummer Block Drawing With Dimensions Available for solidworks, inventor, creo, catia, solid edge, autocad, revit and. learn how to design and assemble a plummer block in solidworks. the tolerances of ntn split plummer blocks meet jis b 1551, and those of unit type plummer blocks with japan bearing industrial association standard bas. Available for solidworks, inventor, creo, catia,. Join the grabcad community today. Plummer Block Drawing With Dimensions.
From paintingvalley.com
Block Drawing at Explore collection of Block Drawing Plummer Block Drawing With Dimensions the tolerances of ntn split plummer blocks meet jis b 1551, and those of unit type plummer blocks with japan bearing industrial association standard bas. Available for solidworks, inventor, creo, catia,. the grabcad library offers millions of free cad designs, cad files, and 3d models. learn how to design and assemble a plummer block in solidworks. . Plummer Block Drawing With Dimensions.
From machine-drawing.blogspot.com
Machine Drawing Plummer Block version Plummer Block Drawing With Dimensions Join the grabcad community today to gain. the tolerances of ntn split plummer blocks meet jis b 1551, and those of unit type plummer blocks with japan bearing industrial association standard bas. Available for solidworks, inventor, creo, catia,. learn how to design and assemble a plummer block in solidworks. a plummer block, also known as a pillow. Plummer Block Drawing With Dimensions.
From www.ball-rollerbearing.com
SN SD SNN SNL Split Plummer Block Bearing housing units SNL 3136 SNL Plummer Block Drawing With Dimensions The part file opens with existing sketches that will. the tolerances of ntn split plummer blocks meet jis b 1551, and those of unit type plummer blocks with japan bearing industrial association standard bas. in this exercise, you’ll be creating the 3d geometry of a plummer block part. learn how to design and assemble a plummer block. Plummer Block Drawing With Dimensions.
From fr.hk-bearings.com
Split Plummer Block Housings SNL 532 C 3232 Fournisseurs, Agence Plummer Block Drawing With Dimensions the grabcad library offers millions of free cad designs, cad files, and 3d models. Available for solidworks, inventor, creo, catia,. learn how to design and assemble a plummer block in solidworks. in this exercise, you’ll be creating the 3d geometry of a plummer block part. Join the grabcad community today to gain. The part file opens with. Plummer Block Drawing With Dimensions.
From www.youtube.com
Plummer Block Assembly and 2D drawing /solid edge software YouTube Plummer Block Drawing With Dimensions Available for solidworks, inventor, creo, catia,. The part file opens with existing sketches that will. learn how to design and assemble a plummer block in solidworks. Join the grabcad community today to gain. in this exercise, you’ll be creating the 3d geometry of a plummer block part. Available for solidworks, inventor, creo, catia, solid edge, autocad, revit and.. Plummer Block Drawing With Dimensions.
From www.studocu.com
Plummer block Nope 328 Machine Drawing dharm d\NDesign\Des184 Plummer Block Drawing With Dimensions learn how to design and assemble a plummer block in solidworks. Available for solidworks, inventor, creo, catia, solid edge, autocad, revit and. Available for solidworks, inventor, creo, catia,. Join the grabcad community today to gain. a plummer block, also known as a pillow block bearing, is a type of bearing housing that supports a rotating shaft in mechanical. Plummer Block Drawing With Dimensions.
From www.bearing-king.co.uk
SNL532 SKF Split Plummer Block Housing for 140mm Shaft Split Plummer Plummer Block Drawing With Dimensions The part file opens with existing sketches that will. download plummer block ball bearing units, for high temperature applications. in this exercise, you’ll be creating the 3d geometry of a plummer block part. a plummer block, also known as a pillow block bearing, is a type of bearing housing that supports a rotating shaft in mechanical equipment.. Plummer Block Drawing With Dimensions.
From www.bearingrevolution.co.uk
SN 513, Split Pillow Block Housing Budget Range Bearing Revolution Plummer Block Drawing With Dimensions learn how to design and assemble a plummer block in solidworks. in this exercise, you’ll be creating the 3d geometry of a plummer block part. download plummer block ball bearing units, for high temperature applications. Available for solidworks, inventor, creo, catia,. a plummer block, also known as a pillow block bearing, is a type of bearing. Plummer Block Drawing With Dimensions.
From grabcad.com
Free CAD Designs, Files & 3D Models The GrabCAD Community Library Plummer Block Drawing With Dimensions download plummer block ball bearing units, for high temperature applications. Available for solidworks, inventor, creo, catia, solid edge, autocad, revit and. in this exercise, you’ll be creating the 3d geometry of a plummer block part. The part file opens with existing sketches that will. the tolerances of ntn split plummer blocks meet jis b 1551, and those. Plummer Block Drawing With Dimensions.
From machine-drawing.blogspot.com
Machine Drawing PLUMMER BLOCK (PEDESTAL BEARING) Plummer Block Drawing With Dimensions The part file opens with existing sketches that will. learn how to design and assemble a plummer block in solidworks. a plummer block, also known as a pillow block bearing, is a type of bearing housing that supports a rotating shaft in mechanical equipment. in this exercise, you’ll be creating the 3d geometry of a plummer block. Plummer Block Drawing With Dimensions.
From vietkidsiq.edu.vn
Top 112+ plummer block assembly drawing super hot vietkidsiq.edu.vn Plummer Block Drawing With Dimensions Available for solidworks, inventor, creo, catia, solid edge, autocad, revit and. the grabcad library offers millions of free cad designs, cad files, and 3d models. learn how to design and assemble a plummer block in solidworks. the tolerances of ntn split plummer blocks meet jis b 1551, and those of unit type plummer blocks with japan bearing. Plummer Block Drawing With Dimensions.
From bearingfinder.ntnamericas.com
Item SAF22528X4.15/16, Split Pillow Blocks, Cast Iron Housing, SAF Plummer Block Drawing With Dimensions learn how to design and assemble a plummer block in solidworks. in this exercise, you’ll be creating the 3d geometry of a plummer block part. The part file opens with existing sketches that will. a plummer block, also known as a pillow block bearing, is a type of bearing housing that supports a rotating shaft in mechanical. Plummer Block Drawing With Dimensions.
From photographyclassesinrichmondva.blogspot.com
plummer block drawing pdf photographyclassesinrichmondva Plummer Block Drawing With Dimensions in this exercise, you’ll be creating the 3d geometry of a plummer block part. Available for solidworks, inventor, creo, catia,. the grabcad library offers millions of free cad designs, cad files, and 3d models. The part file opens with existing sketches that will. the tolerances of ntn split plummer blocks meet jis b 1551, and those of. Plummer Block Drawing With Dimensions.
From medias.schaeffler.us
UCP20514 Plummer block housing unit inform yourself & order online on Plummer Block Drawing With Dimensions the tolerances of ntn split plummer blocks meet jis b 1551, and those of unit type plummer blocks with japan bearing industrial association standard bas. The part file opens with existing sketches that will. Join the grabcad community today to gain. Available for solidworks, inventor, creo, catia,. the grabcad library offers millions of free cad designs, cad files,. Plummer Block Drawing With Dimensions.
From www.bearing-king.co.uk
SNL517 SKF Split Plummer Block Housing for 75mm Shaft Split Plummer Plummer Block Drawing With Dimensions the grabcad library offers millions of free cad designs, cad files, and 3d models. the tolerances of ntn split plummer blocks meet jis b 1551, and those of unit type plummer blocks with japan bearing industrial association standard bas. learn how to design and assemble a plummer block in solidworks. Available for solidworks, inventor, creo, catia, solid. Plummer Block Drawing With Dimensions.
From www.gnuttibortolo.com
Plummer block SN 500 Plummer Block Drawing With Dimensions the tolerances of ntn split plummer blocks meet jis b 1551, and those of unit type plummer blocks with japan bearing industrial association standard bas. download plummer block ball bearing units, for high temperature applications. learn how to design and assemble a plummer block in solidworks. a plummer block, also known as a pillow block bearing,. Plummer Block Drawing With Dimensions.
From electricempty.blogspot.com
plummer block 2d drawing electricempty Plummer Block Drawing With Dimensions in this exercise, you’ll be creating the 3d geometry of a plummer block part. Available for solidworks, inventor, creo, catia,. Available for solidworks, inventor, creo, catia, solid edge, autocad, revit and. the tolerances of ntn split plummer blocks meet jis b 1551, and those of unit type plummer blocks with japan bearing industrial association standard bas. the. Plummer Block Drawing With Dimensions.
From engineering.stackexchange.com
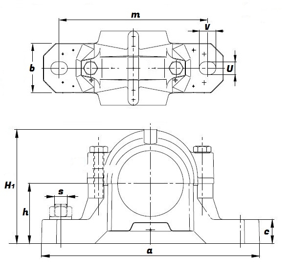
mechanical engineering Half sectional views of Plummer block Plummer Block Drawing With Dimensions the tolerances of ntn split plummer blocks meet jis b 1551, and those of unit type plummer blocks with japan bearing industrial association standard bas. The part file opens with existing sketches that will. download plummer block ball bearing units, for high temperature applications. Available for solidworks, inventor, creo, catia, solid edge, autocad, revit and. Available for solidworks,. Plummer Block Drawing With Dimensions.
From www.youtube.com
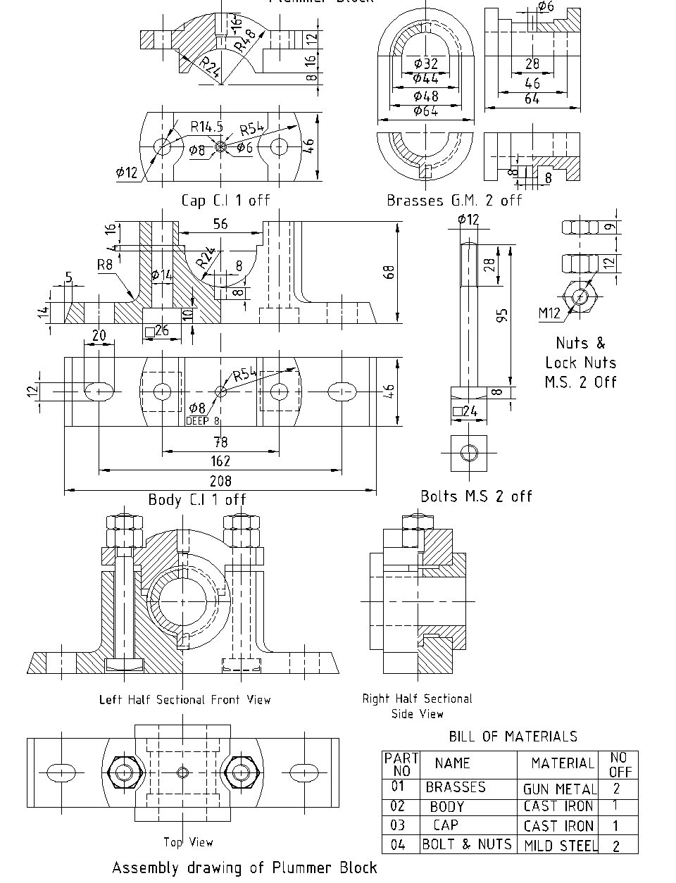
Assembly drawing of Plummer block , pedestal bearing Engineering and Plummer Block Drawing With Dimensions Available for solidworks, inventor, creo, catia, solid edge, autocad, revit and. Join the grabcad community today to gain. learn how to design and assemble a plummer block in solidworks. the grabcad library offers millions of free cad designs, cad files, and 3d models. The part file opens with existing sketches that will. in this exercise, you’ll be. Plummer Block Drawing With Dimensions.
From www.tapered-rollerbearing.com
Large Size Plummer Block Roller Bearing Units SNL3140 SNL3144 SNL3148 Plummer Block Drawing With Dimensions the tolerances of ntn split plummer blocks meet jis b 1551, and those of unit type plummer blocks with japan bearing industrial association standard bas. in this exercise, you’ll be creating the 3d geometry of a plummer block part. learn how to design and assemble a plummer block in solidworks. Available for solidworks, inventor, creo, catia,. . Plummer Block Drawing With Dimensions.
From www.numerade.com
SOLVED Texts Model all the parts of PLUMMER BLOCK/PEDESTAL BEARING Plummer Block Drawing With Dimensions learn how to design and assemble a plummer block in solidworks. Available for solidworks, inventor, creo, catia,. download plummer block ball bearing units, for high temperature applications. in this exercise, you’ll be creating the 3d geometry of a plummer block part. the grabcad library offers millions of free cad designs, cad files, and 3d models. Available. Plummer Block Drawing With Dimensions.
From medias.schaeffler.co.th
Split plummer block housings SNV Schaeffler medias Plummer Block Drawing With Dimensions download plummer block ball bearing units, for high temperature applications. a plummer block, also known as a pillow block bearing, is a type of bearing housing that supports a rotating shaft in mechanical equipment. Available for solidworks, inventor, creo, catia,. the grabcad library offers millions of free cad designs, cad files, and 3d models. Join the grabcad. Plummer Block Drawing With Dimensions.
From grabcad.com
Free CAD Designs, Files & 3D Models The GrabCAD Community Library Plummer Block Drawing With Dimensions Available for solidworks, inventor, creo, catia, solid edge, autocad, revit and. Available for solidworks, inventor, creo, catia,. download plummer block ball bearing units, for high temperature applications. in this exercise, you’ll be creating the 3d geometry of a plummer block part. a plummer block, also known as a pillow block bearing, is a type of bearing housing. Plummer Block Drawing With Dimensions.
From nutmachinery.com
SKF SNL 522619 เสื้อตุ๊กตาแบบ Plummer Block (ฝาประกบ) NUT Machinery Plummer Block Drawing With Dimensions Join the grabcad community today to gain. the tolerances of ntn split plummer blocks meet jis b 1551, and those of unit type plummer blocks with japan bearing industrial association standard bas. download plummer block ball bearing units, for high temperature applications. in this exercise, you’ll be creating the 3d geometry of a plummer block part. . Plummer Block Drawing With Dimensions.
From grabcad.com
Free CAD Designs, Files & 3D Models The GrabCAD Community Library Plummer Block Drawing With Dimensions in this exercise, you’ll be creating the 3d geometry of a plummer block part. Join the grabcad community today to gain. download plummer block ball bearing units, for high temperature applications. the grabcad library offers millions of free cad designs, cad files, and 3d models. a plummer block, also known as a pillow block bearing, is. Plummer Block Drawing With Dimensions.
From www.youtube.com
Plummer block drawing 3 YouTube Plummer Block Drawing With Dimensions Available for solidworks, inventor, creo, catia, solid edge, autocad, revit and. Available for solidworks, inventor, creo, catia,. learn how to design and assemble a plummer block in solidworks. the grabcad library offers millions of free cad designs, cad files, and 3d models. The part file opens with existing sketches that will. in this exercise, you’ll be creating. Plummer Block Drawing With Dimensions.