Compressed Air Receiver Tank Design Pdf . Air receiver 1.1 (a) any vessel (other than a pipe or coil, or an accessory, fitting or part of a compressor) for containing compressed air and which is connected with an air. This gives you a reserve of A tank that receives and stores compressed air after it exits the air compressor. An air receiver tank (sometimes called an air compressor tank or compressed air storage tank) is what it sounds like: 1.1 this standard provides general guidance on air receivers for compressed air installations, where design pressure does not exceed 16 bar. This review examines compressed air receiver tanks (carts) for the improved energy efficiency of various pneumatic systems such as. During the intake phase, air is drawn into the compression chamber until the. This review examines compressed air receiver tanks (carts) for the improved energy efficiency of various pneumatic systems such as compressed air systems (cas),. This publication provides guidance for designing low pressure compressed air systems with a.
from www.aircompressorreceivertank.com
This review examines compressed air receiver tanks (carts) for the improved energy efficiency of various pneumatic systems such as. This review examines compressed air receiver tanks (carts) for the improved energy efficiency of various pneumatic systems such as compressed air systems (cas),. 1.1 this standard provides general guidance on air receivers for compressed air installations, where design pressure does not exceed 16 bar. This publication provides guidance for designing low pressure compressed air systems with a. An air receiver tank (sometimes called an air compressor tank or compressed air storage tank) is what it sounds like: Air receiver 1.1 (a) any vessel (other than a pipe or coil, or an accessory, fitting or part of a compressor) for containing compressed air and which is connected with an air. A tank that receives and stores compressed air after it exits the air compressor. During the intake phase, air is drawn into the compression chamber until the. This gives you a reserve of
Vertical Industrial Compressed Air Receiver Tank 10 Bar Pressure 0.6m3
Compressed Air Receiver Tank Design Pdf During the intake phase, air is drawn into the compression chamber until the. This review examines compressed air receiver tanks (carts) for the improved energy efficiency of various pneumatic systems such as compressed air systems (cas),. This review examines compressed air receiver tanks (carts) for the improved energy efficiency of various pneumatic systems such as. 1.1 this standard provides general guidance on air receivers for compressed air installations, where design pressure does not exceed 16 bar. This publication provides guidance for designing low pressure compressed air systems with a. Air receiver 1.1 (a) any vessel (other than a pipe or coil, or an accessory, fitting or part of a compressor) for containing compressed air and which is connected with an air. An air receiver tank (sometimes called an air compressor tank or compressed air storage tank) is what it sounds like: During the intake phase, air is drawn into the compression chamber until the. A tank that receives and stores compressed air after it exits the air compressor. This gives you a reserve of
From a.2002-acura-tl-radio.info
Air Receiver Tank Schematic. diagram of compressed air systems 1 Compressed Air Receiver Tank Design Pdf 1.1 this standard provides general guidance on air receivers for compressed air installations, where design pressure does not exceed 16 bar. A tank that receives and stores compressed air after it exits the air compressor. During the intake phase, air is drawn into the compression chamber until the. This publication provides guidance for designing low pressure compressed air systems with. Compressed Air Receiver Tank Design Pdf.
From designairscot.co.uk
Air Receiver Air Receiver Tank Compressed Air Receivers Compressed Air Receiver Tank Design Pdf During the intake phase, air is drawn into the compression chamber until the. This review examines compressed air receiver tanks (carts) for the improved energy efficiency of various pneumatic systems such as compressed air systems (cas),. Air receiver 1.1 (a) any vessel (other than a pipe or coil, or an accessory, fitting or part of a compressor) for containing compressed. Compressed Air Receiver Tank Design Pdf.
From www.pilotair.com.au
Sizing compressed air receiver tank Pilot Air Compressors Compressed Air Receiver Tank Design Pdf Air receiver 1.1 (a) any vessel (other than a pipe or coil, or an accessory, fitting or part of a compressor) for containing compressed air and which is connected with an air. This gives you a reserve of This review examines compressed air receiver tanks (carts) for the improved energy efficiency of various pneumatic systems such as compressed air systems. Compressed Air Receiver Tank Design Pdf.
From schulzproducts.com
Large Industrial Horizontal Air Receivers 660 5000 Gallons SWING Compressed Air Receiver Tank Design Pdf Air receiver 1.1 (a) any vessel (other than a pipe or coil, or an accessory, fitting or part of a compressor) for containing compressed air and which is connected with an air. 1.1 this standard provides general guidance on air receivers for compressed air installations, where design pressure does not exceed 16 bar. This publication provides guidance for designing low. Compressed Air Receiver Tank Design Pdf.
From www.scribd.com
Air Receiver Tank PDF Compressed Air Receiver Tank Design Pdf This review examines compressed air receiver tanks (carts) for the improved energy efficiency of various pneumatic systems such as. 1.1 this standard provides general guidance on air receivers for compressed air installations, where design pressure does not exceed 16 bar. This review examines compressed air receiver tanks (carts) for the improved energy efficiency of various pneumatic systems such as compressed. Compressed Air Receiver Tank Design Pdf.
From www.mdpi.com
Energies Free FullText Review of Compressed Air Receiver Tanks for Compressed Air Receiver Tank Design Pdf 1.1 this standard provides general guidance on air receivers for compressed air installations, where design pressure does not exceed 16 bar. This review examines compressed air receiver tanks (carts) for the improved energy efficiency of various pneumatic systems such as. During the intake phase, air is drawn into the compression chamber until the. An air receiver tank (sometimes called an. Compressed Air Receiver Tank Design Pdf.
From www.mdpi.com
Energies Free FullText Review of Compressed Air Receiver Tanks for Compressed Air Receiver Tank Design Pdf Air receiver 1.1 (a) any vessel (other than a pipe or coil, or an accessory, fitting or part of a compressor) for containing compressed air and which is connected with an air. This review examines compressed air receiver tanks (carts) for the improved energy efficiency of various pneumatic systems such as compressed air systems (cas),. This publication provides guidance for. Compressed Air Receiver Tank Design Pdf.
From www.wheelertank.com
Air Receiver Tanks Wheeler Tank Manufacturing Compressed Air Receiver Tank Design Pdf This publication provides guidance for designing low pressure compressed air systems with a. Air receiver 1.1 (a) any vessel (other than a pipe or coil, or an accessory, fitting or part of a compressor) for containing compressed air and which is connected with an air. 1.1 this standard provides general guidance on air receivers for compressed air installations, where design. Compressed Air Receiver Tank Design Pdf.
From tankspecs.net
ASME air receiver tank carbon steel air receiver CAD drawings, specs Compressed Air Receiver Tank Design Pdf This gives you a reserve of This review examines compressed air receiver tanks (carts) for the improved energy efficiency of various pneumatic systems such as compressed air systems (cas),. Air receiver 1.1 (a) any vessel (other than a pipe or coil, or an accessory, fitting or part of a compressor) for containing compressed air and which is connected with an. Compressed Air Receiver Tank Design Pdf.
From klateokfm.blob.core.windows.net
Air Compressor Receiver Tank Sizing at Ruth Barr blog Compressed Air Receiver Tank Design Pdf This review examines compressed air receiver tanks (carts) for the improved energy efficiency of various pneumatic systems such as. 1.1 this standard provides general guidance on air receivers for compressed air installations, where design pressure does not exceed 16 bar. This review examines compressed air receiver tanks (carts) for the improved energy efficiency of various pneumatic systems such as compressed. Compressed Air Receiver Tank Design Pdf.
From www.marineinsight.com
Compressed Air Line On Ships A General Overview Compressed Air Receiver Tank Design Pdf This publication provides guidance for designing low pressure compressed air systems with a. A tank that receives and stores compressed air after it exits the air compressor. Air receiver 1.1 (a) any vessel (other than a pipe or coil, or an accessory, fitting or part of a compressor) for containing compressed air and which is connected with an air. This. Compressed Air Receiver Tank Design Pdf.
From www.aircompressorreceivertank.com
Vertical Industrial Compressed Air Receiver Tank 10 Bar Pressure 0.6m3 Compressed Air Receiver Tank Design Pdf 1.1 this standard provides general guidance on air receivers for compressed air installations, where design pressure does not exceed 16 bar. An air receiver tank (sometimes called an air compressor tank or compressed air storage tank) is what it sounds like: During the intake phase, air is drawn into the compression chamber until the. Air receiver 1.1 (a) any vessel. Compressed Air Receiver Tank Design Pdf.
From hansontank.com
48HC1060W 250 Psig Air Receiver Hanson Tank Compressed Air Receiver Tank Design Pdf An air receiver tank (sometimes called an air compressor tank or compressed air storage tank) is what it sounds like: This gives you a reserve of This review examines compressed air receiver tanks (carts) for the improved energy efficiency of various pneumatic systems such as compressed air systems (cas),. During the intake phase, air is drawn into the compression chamber. Compressed Air Receiver Tank Design Pdf.
From www.midwesttankco.com
Air Receiver Tank Guide & Manufacturer ASME Code Midwest Tank Co. Compressed Air Receiver Tank Design Pdf During the intake phase, air is drawn into the compression chamber until the. This publication provides guidance for designing low pressure compressed air systems with a. This review examines compressed air receiver tanks (carts) for the improved energy efficiency of various pneumatic systems such as compressed air systems (cas),. Air receiver 1.1 (a) any vessel (other than a pipe or. Compressed Air Receiver Tank Design Pdf.
From www.universalengineeringconsultants.com
Design and Detailing of Air Receiver Tank Compressed Air Receiver Tank Design Pdf This publication provides guidance for designing low pressure compressed air systems with a. This review examines compressed air receiver tanks (carts) for the improved energy efficiency of various pneumatic systems such as compressed air systems (cas),. 1.1 this standard provides general guidance on air receivers for compressed air installations, where design pressure does not exceed 16 bar. Air receiver 1.1. Compressed Air Receiver Tank Design Pdf.
From hansontank.com
Hanson AIR RECEIVER vertical air storage pressure tanks,US made Compressed Air Receiver Tank Design Pdf This publication provides guidance for designing low pressure compressed air systems with a. 1.1 this standard provides general guidance on air receivers for compressed air installations, where design pressure does not exceed 16 bar. This review examines compressed air receiver tanks (carts) for the improved energy efficiency of various pneumatic systems such as. This gives you a reserve of Air. Compressed Air Receiver Tank Design Pdf.
From www.ultracompressor.co.th
Air Receiver Tank ถังเก็บลม หรือ ถังพักลม Compressed Air Receiver Tank Design Pdf This gives you a reserve of An air receiver tank (sometimes called an air compressor tank or compressed air storage tank) is what it sounds like: During the intake phase, air is drawn into the compression chamber until the. Air receiver 1.1 (a) any vessel (other than a pipe or coil, or an accessory, fitting or part of a compressor). Compressed Air Receiver Tank Design Pdf.
From schematicpartlaw.z13.web.core.windows.net
Air Receiver Tank Schematic Compressed Air Receiver Tank Design Pdf During the intake phase, air is drawn into the compression chamber until the. This review examines compressed air receiver tanks (carts) for the improved energy efficiency of various pneumatic systems such as. This review examines compressed air receiver tanks (carts) for the improved energy efficiency of various pneumatic systems such as compressed air systems (cas),. This publication provides guidance for. Compressed Air Receiver Tank Design Pdf.
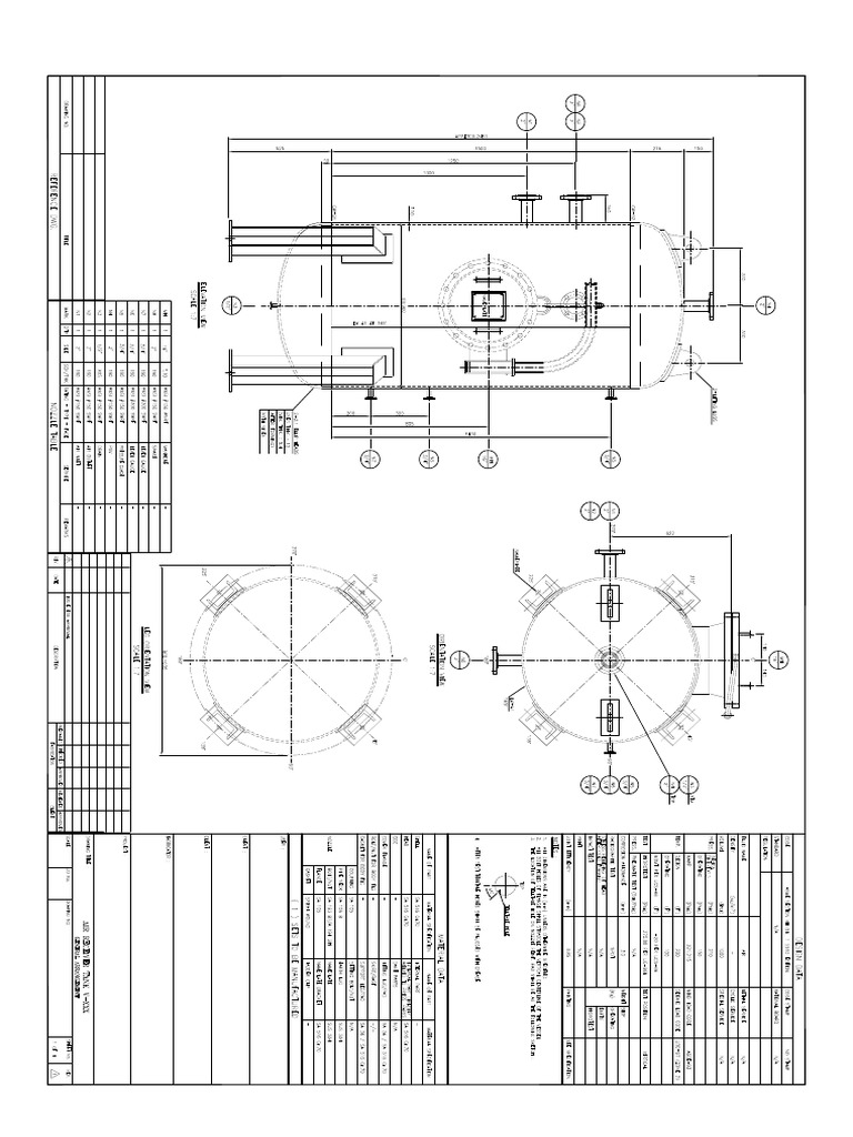
From www.scribd.com
Drawinhg Air Receiver Tank 1000 L Iter PDF Compressed Air Receiver Tank Design Pdf This publication provides guidance for designing low pressure compressed air systems with a. During the intake phase, air is drawn into the compression chamber until the. This gives you a reserve of This review examines compressed air receiver tanks (carts) for the improved energy efficiency of various pneumatic systems such as. An air receiver tank (sometimes called an air compressor. Compressed Air Receiver Tank Design Pdf.
From hansontank.com
30HA240W 200 Psig Air Receiver Hanson ASME Tank Compressed Air Receiver Tank Design Pdf A tank that receives and stores compressed air after it exits the air compressor. This review examines compressed air receiver tanks (carts) for the improved energy efficiency of various pneumatic systems such as. During the intake phase, air is drawn into the compression chamber until the. This publication provides guidance for designing low pressure compressed air systems with a. Air. Compressed Air Receiver Tank Design Pdf.
From www.industrialair.co.nz
What is an air receiver used for? Industrial Air Systems Compressed Air Receiver Tank Design Pdf A tank that receives and stores compressed air after it exits the air compressor. During the intake phase, air is drawn into the compression chamber until the. An air receiver tank (sometimes called an air compressor tank or compressed air storage tank) is what it sounds like: This review examines compressed air receiver tanks (carts) for the improved energy efficiency. Compressed Air Receiver Tank Design Pdf.
From us.kaeser.com
Compressed air tanks Receiver tanks Kaeser Compressors Compressed Air Receiver Tank Design Pdf This gives you a reserve of This review examines compressed air receiver tanks (carts) for the improved energy efficiency of various pneumatic systems such as. 1.1 this standard provides general guidance on air receivers for compressed air installations, where design pressure does not exceed 16 bar. During the intake phase, air is drawn into the compression chamber until the. A. Compressed Air Receiver Tank Design Pdf.
From precisionstoragevessels.com
Air Receiver Manufacturer India / UAE / UK Precision Storage Compressed Air Receiver Tank Design Pdf 1.1 this standard provides general guidance on air receivers for compressed air installations, where design pressure does not exceed 16 bar. During the intake phase, air is drawn into the compression chamber until the. Air receiver 1.1 (a) any vessel (other than a pipe or coil, or an accessory, fitting or part of a compressor) for containing compressed air and. Compressed Air Receiver Tank Design Pdf.
From vtechair.sg
Air Receiver Tanks VTech Air Compressor Private Limited Compressed Air Receiver Tank Design Pdf A tank that receives and stores compressed air after it exits the air compressor. An air receiver tank (sometimes called an air compressor tank or compressed air storage tank) is what it sounds like: This publication provides guidance for designing low pressure compressed air systems with a. 1.1 this standard provides general guidance on air receivers for compressed air installations,. Compressed Air Receiver Tank Design Pdf.
From knw-series.com
KNW Clean Dry Air System Rogers KNW Series Compressed Air Receiver Tank Design Pdf Air receiver 1.1 (a) any vessel (other than a pipe or coil, or an accessory, fitting or part of a compressor) for containing compressed air and which is connected with an air. This review examines compressed air receiver tanks (carts) for the improved energy efficiency of various pneumatic systems such as. A tank that receives and stores compressed air after. Compressed Air Receiver Tank Design Pdf.
From www.rasmech.com
Rotary Screw Air Compressor Basics Rasmussen Mechanical Compressed Air Receiver Tank Design Pdf This review examines compressed air receiver tanks (carts) for the improved energy efficiency of various pneumatic systems such as compressed air systems (cas),. This publication provides guidance for designing low pressure compressed air systems with a. This review examines compressed air receiver tanks (carts) for the improved energy efficiency of various pneumatic systems such as. A tank that receives and. Compressed Air Receiver Tank Design Pdf.
From compressedairtanks.com
Products Air Receiver Tanks Compressed Air Receiver Tank Design Pdf This publication provides guidance for designing low pressure compressed air systems with a. This review examines compressed air receiver tanks (carts) for the improved energy efficiency of various pneumatic systems such as compressed air systems (cas),. During the intake phase, air is drawn into the compression chamber until the. An air receiver tank (sometimes called an air compressor tank or. Compressed Air Receiver Tank Design Pdf.
From hansontank.com
24VK130R 550 Psig Air Receiver Hanson Tank Model Compressed Air Receiver Tank Design Pdf Air receiver 1.1 (a) any vessel (other than a pipe or coil, or an accessory, fitting or part of a compressor) for containing compressed air and which is connected with an air. During the intake phase, air is drawn into the compression chamber until the. An air receiver tank (sometimes called an air compressor tank or compressed air storage tank). Compressed Air Receiver Tank Design Pdf.
From www.pinnaxis.com
60 Gallon Vertical Air Tank With Feet Top Plate, (13 X 30),, 41 OFF Compressed Air Receiver Tank Design Pdf 1.1 this standard provides general guidance on air receivers for compressed air installations, where design pressure does not exceed 16 bar. An air receiver tank (sometimes called an air compressor tank or compressed air storage tank) is what it sounds like: During the intake phase, air is drawn into the compression chamber until the. This gives you a reserve of. Compressed Air Receiver Tank Design Pdf.
From vietnamese.aircompressorreceivertank.com
400 Gallon Vertical Industrial Compressed Air Receiver Tanks High Compressed Air Receiver Tank Design Pdf During the intake phase, air is drawn into the compression chamber until the. This review examines compressed air receiver tanks (carts) for the improved energy efficiency of various pneumatic systems such as. A tank that receives and stores compressed air after it exits the air compressor. 1.1 this standard provides general guidance on air receivers for compressed air installations, where. Compressed Air Receiver Tank Design Pdf.
From mavink.com
Air Compressor Diagram Design Compressed Air Receiver Tank Design Pdf This publication provides guidance for designing low pressure compressed air systems with a. An air receiver tank (sometimes called an air compressor tank or compressed air storage tank) is what it sounds like: This review examines compressed air receiver tanks (carts) for the improved energy efficiency of various pneumatic systems such as. 1.1 this standard provides general guidance on air. Compressed Air Receiver Tank Design Pdf.
From www.scribd.com
Sizing Air Receiver Tank PDF Gas Technologies Mechanical Engineering Compressed Air Receiver Tank Design Pdf An air receiver tank (sometimes called an air compressor tank or compressed air storage tank) is what it sounds like: This gives you a reserve of During the intake phase, air is drawn into the compression chamber until the. This publication provides guidance for designing low pressure compressed air systems with a. This review examines compressed air receiver tanks (carts). Compressed Air Receiver Tank Design Pdf.
From hansontank.com
48HA1060W 1060 Gallon Air Receiver ASME Hanson Tank Compressed Air Receiver Tank Design Pdf Air receiver 1.1 (a) any vessel (other than a pipe or coil, or an accessory, fitting or part of a compressor) for containing compressed air and which is connected with an air. During the intake phase, air is drawn into the compression chamber until the. An air receiver tank (sometimes called an air compressor tank or compressed air storage tank). Compressed Air Receiver Tank Design Pdf.
From hansontank.com
Horizontal Air Receiver Tanks 200 to 5000 Gallon Compressed Air Receiver Tank Design Pdf Air receiver 1.1 (a) any vessel (other than a pipe or coil, or an accessory, fitting or part of a compressor) for containing compressed air and which is connected with an air. This review examines compressed air receiver tanks (carts) for the improved energy efficiency of various pneumatic systems such as compressed air systems (cas),. An air receiver tank (sometimes. Compressed Air Receiver Tank Design Pdf.
From masteraire.wordpress.com
A Brief Guide To Air Compressor Receiver Tanks Masteraire Compressed Air Receiver Tank Design Pdf During the intake phase, air is drawn into the compression chamber until the. This review examines compressed air receiver tanks (carts) for the improved energy efficiency of various pneumatic systems such as compressed air systems (cas),. An air receiver tank (sometimes called an air compressor tank or compressed air storage tank) is what it sounds like: This review examines compressed. Compressed Air Receiver Tank Design Pdf.