How Power Supply Work In A Motherboard . The form factor, power connectors, and wattage. The psu supplies power to all the components in the computer, including the motherboard, cpu, graphics card, storage. As mentioned above, their job is to amplify your processor’s power consumption. They do this by converting the high voltage alternating current (ac) that. The main purpose of a pc power supply is to convert ac mains power into the dc voltages required to operate the various components inside a computer. The power supply is visible. Linear power supplies are simpler, requiring only a few steps to convert ac electricity into dc electricity. To see if a power supply and motherboard are compatible, we need to check three things: Desktop pc power supply units (psus) explained, including atx standards and connectors,. Before we talk about how power supplies and motherboards work together, let’s learn about the different types of power supplies and motherboards. In a personal computer (pc), the power supply is the metal box usually found in a corner of the case. Power supplies come in two main flavors: Power supplies, like the name implies, are the primary supplier of power to your motherboard. How does a vrm work?
from networkustad.com
Power supplies come in two main flavors: Desktop pc power supply units (psus) explained, including atx standards and connectors,. Power supplies, like the name implies, are the primary supplier of power to your motherboard. The form factor, power connectors, and wattage. Before we talk about how power supplies and motherboards work together, let’s learn about the different types of power supplies and motherboards. Linear power supplies are simpler, requiring only a few steps to convert ac electricity into dc electricity. The psu supplies power to all the components in the computer, including the motherboard, cpu, graphics card, storage. The main purpose of a pc power supply is to convert ac mains power into the dc voltages required to operate the various components inside a computer. As mentioned above, their job is to amplify your processor’s power consumption. In a personal computer (pc), the power supply is the metal box usually found in a corner of the case.
How PC Power Supplies Work » NetworkUstad
How Power Supply Work In A Motherboard Desktop pc power supply units (psus) explained, including atx standards and connectors,. Desktop pc power supply units (psus) explained, including atx standards and connectors,. To see if a power supply and motherboard are compatible, we need to check three things: As mentioned above, their job is to amplify your processor’s power consumption. The main purpose of a pc power supply is to convert ac mains power into the dc voltages required to operate the various components inside a computer. Linear power supplies are simpler, requiring only a few steps to convert ac electricity into dc electricity. Before we talk about how power supplies and motherboards work together, let’s learn about the different types of power supplies and motherboards. The power supply is visible. The form factor, power connectors, and wattage. In a personal computer (pc), the power supply is the metal box usually found in a corner of the case. Power supplies come in two main flavors: They do this by converting the high voltage alternating current (ac) that. Power supplies, like the name implies, are the primary supplier of power to your motherboard. The psu supplies power to all the components in the computer, including the motherboard, cpu, graphics card, storage. How does a vrm work?
From artofpc.com
Motherboard Anatomy Connections and Components of the PC Motherboard How Power Supply Work In A Motherboard Power supplies, like the name implies, are the primary supplier of power to your motherboard. Before we talk about how power supplies and motherboards work together, let’s learn about the different types of power supplies and motherboards. In a personal computer (pc), the power supply is the metal box usually found in a corner of the case. How does a. How Power Supply Work In A Motherboard.
From www.youtube.com
connecting power supply to a motherboard HD YouTube How Power Supply Work In A Motherboard In a personal computer (pc), the power supply is the metal box usually found in a corner of the case. How does a vrm work? To see if a power supply and motherboard are compatible, we need to check three things: Linear power supplies are simpler, requiring only a few steps to convert ac electricity into dc electricity. The psu. How Power Supply Work In A Motherboard.
From www.pinterest.es
How to Turn on a Computer Power Supply Without a Computer Computer How Power Supply Work In A Motherboard Power supplies, like the name implies, are the primary supplier of power to your motherboard. The psu supplies power to all the components in the computer, including the motherboard, cpu, graphics card, storage. The power supply is visible. Before we talk about how power supplies and motherboards work together, let’s learn about the different types of power supplies and motherboards.. How Power Supply Work In A Motherboard.
From www.youtube.com
connecting power supply to a motherboard YouTube How Power Supply Work In A Motherboard As mentioned above, their job is to amplify your processor’s power consumption. The form factor, power connectors, and wattage. Desktop pc power supply units (psus) explained, including atx standards and connectors,. Linear power supplies are simpler, requiring only a few steps to convert ac electricity into dc electricity. Power supplies come in two main flavors: In a personal computer (pc),. How Power Supply Work In A Motherboard.
From www.youtube.com
How to connect power supply and motherboard YouTube How Power Supply Work In A Motherboard In a personal computer (pc), the power supply is the metal box usually found in a corner of the case. How does a vrm work? The power supply is visible. The form factor, power connectors, and wattage. As mentioned above, their job is to amplify your processor’s power consumption. Before we talk about how power supplies and motherboards work together,. How Power Supply Work In A Motherboard.
From www.youtube.com
How to install 20 pin power supply to 24 pin motherboard YouTube How Power Supply Work In A Motherboard The power supply is visible. As mentioned above, their job is to amplify your processor’s power consumption. They do this by converting the high voltage alternating current (ac) that. Linear power supplies are simpler, requiring only a few steps to convert ac electricity into dc electricity. Desktop pc power supply units (psus) explained, including atx standards and connectors,. The form. How Power Supply Work In A Motherboard.
From www.lifewire.com
24pin Motherboard Power Connector Pinout How Power Supply Work In A Motherboard As mentioned above, their job is to amplify your processor’s power consumption. The power supply is visible. The psu supplies power to all the components in the computer, including the motherboard, cpu, graphics card, storage. The form factor, power connectors, and wattage. Linear power supplies are simpler, requiring only a few steps to convert ac electricity into dc electricity. Power. How Power Supply Work In A Motherboard.
From www.youtube.com
How a Switching Power Supply Works and How to Make One YouTube How Power Supply Work In A Motherboard How does a vrm work? As mentioned above, their job is to amplify your processor’s power consumption. They do this by converting the high voltage alternating current (ac) that. Power supplies, like the name implies, are the primary supplier of power to your motherboard. To see if a power supply and motherboard are compatible, we need to check three things:. How Power Supply Work In A Motherboard.
From www.minitool.com
Some Basics You Should Know about Power Supply Unit MiniTool How Power Supply Work In A Motherboard The psu supplies power to all the components in the computer, including the motherboard, cpu, graphics card, storage. The power supply is visible. Before we talk about how power supplies and motherboards work together, let’s learn about the different types of power supplies and motherboards. To see if a power supply and motherboard are compatible, we need to check three. How Power Supply Work In A Motherboard.
From engr1201.blogspot.com
ENGR1201 March 2014 How Power Supply Work In A Motherboard To see if a power supply and motherboard are compatible, we need to check three things: Power supplies come in two main flavors: The psu supplies power to all the components in the computer, including the motherboard, cpu, graphics card, storage. Power supplies, like the name implies, are the primary supplier of power to your motherboard. Before we talk about. How Power Supply Work In A Motherboard.
From www.wiki.robotz.com
PC Power Supply Voltage Data and Connector Types Free Knowledge Base How Power Supply Work In A Motherboard They do this by converting the high voltage alternating current (ac) that. The power supply is visible. Power supplies come in two main flavors: To see if a power supply and motherboard are compatible, we need to check three things: The psu supplies power to all the components in the computer, including the motherboard, cpu, graphics card, storage. In a. How Power Supply Work In A Motherboard.
From techcircuit.org
How do Power Supplies Work? The Tech Circuit™ How Power Supply Work In A Motherboard Before we talk about how power supplies and motherboards work together, let’s learn about the different types of power supplies and motherboards. Desktop pc power supply units (psus) explained, including atx standards and connectors,. The power supply is visible. The form factor, power connectors, and wattage. As mentioned above, their job is to amplify your processor’s power consumption. The main. How Power Supply Work In A Motherboard.
From www.davidapps.net
Install the Power Supply How Power Supply Work In A Motherboard How does a vrm work? The form factor, power connectors, and wattage. They do this by converting the high voltage alternating current (ac) that. Before we talk about how power supplies and motherboards work together, let’s learn about the different types of power supplies and motherboards. The psu supplies power to all the components in the computer, including the motherboard,. How Power Supply Work In A Motherboard.
From electrouniversity.com
How To Test A Motherboard With A Multimeter (STEPBYSTEP) How Power Supply Work In A Motherboard The power supply is visible. Power supplies, like the name implies, are the primary supplier of power to your motherboard. The psu supplies power to all the components in the computer, including the motherboard, cpu, graphics card, storage. The form factor, power connectors, and wattage. To see if a power supply and motherboard are compatible, we need to check three. How Power Supply Work In A Motherboard.
From us.aorus.com
How a Motherboard Handles Power? AORUS How Power Supply Work In A Motherboard In a personal computer (pc), the power supply is the metal box usually found in a corner of the case. They do this by converting the high voltage alternating current (ac) that. Linear power supplies are simpler, requiring only a few steps to convert ac electricity into dc electricity. Power supplies, like the name implies, are the primary supplier of. How Power Supply Work In A Motherboard.
From www.youtube.com
850W computer power supply how does it work (with schematics) YouTube How Power Supply Work In A Motherboard As mentioned above, their job is to amplify your processor’s power consumption. Before we talk about how power supplies and motherboards work together, let’s learn about the different types of power supplies and motherboards. The main purpose of a pc power supply is to convert ac mains power into the dc voltages required to operate the various components inside a. How Power Supply Work In A Motherboard.
From www.righto.com
Teardown of a PC power supply How Power Supply Work In A Motherboard Power supplies, like the name implies, are the primary supplier of power to your motherboard. The power supply is visible. The form factor, power connectors, and wattage. How does a vrm work? Desktop pc power supply units (psus) explained, including atx standards and connectors,. The psu supplies power to all the components in the computer, including the motherboard, cpu, graphics. How Power Supply Work In A Motherboard.
From techgujarati.com
The Complete guide of Motherboard and its parts How Power Supply Work In A Motherboard In a personal computer (pc), the power supply is the metal box usually found in a corner of the case. As mentioned above, their job is to amplify your processor’s power consumption. How does a vrm work? The psu supplies power to all the components in the computer, including the motherboard, cpu, graphics card, storage. The form factor, power connectors,. How Power Supply Work In A Motherboard.
From pinouts.ru
DELL ATX motherboard Power Supply pinout diagram pinouts.ru How Power Supply Work In A Motherboard The power supply is visible. In a personal computer (pc), the power supply is the metal box usually found in a corner of the case. Before we talk about how power supplies and motherboards work together, let’s learn about the different types of power supplies and motherboards. The main purpose of a pc power supply is to convert ac mains. How Power Supply Work In A Motherboard.
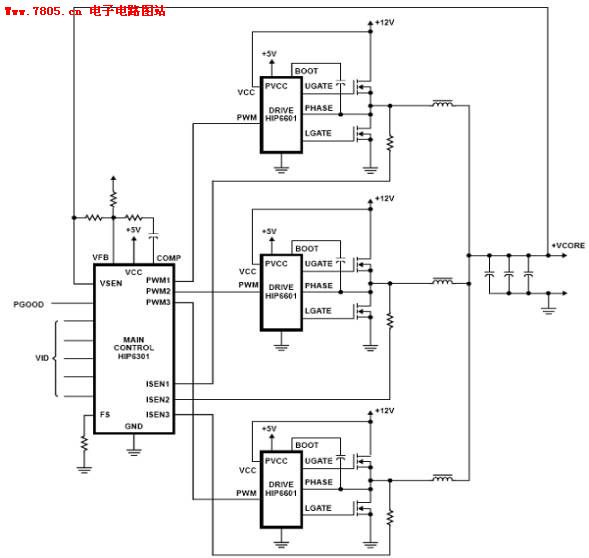
From www.seekic.com
The motherboard twophase threephase power supply circuit diagram How Power Supply Work In A Motherboard The main purpose of a pc power supply is to convert ac mains power into the dc voltages required to operate the various components inside a computer. The power supply is visible. As mentioned above, their job is to amplify your processor’s power consumption. Power supplies, like the name implies, are the primary supplier of power to your motherboard. In. How Power Supply Work In A Motherboard.
From www.ipson.nl
PowerSupplies Technology for Art and Education How Power Supply Work In A Motherboard Power supplies, like the name implies, are the primary supplier of power to your motherboard. The psu supplies power to all the components in the computer, including the motherboard, cpu, graphics card, storage. The main purpose of a pc power supply is to convert ac mains power into the dc voltages required to operate the various components inside a computer.. How Power Supply Work In A Motherboard.
From networkustad.com
How PC Power Supplies Work » NetworkUstad How Power Supply Work In A Motherboard The power supply is visible. In a personal computer (pc), the power supply is the metal box usually found in a corner of the case. Power supplies come in two main flavors: The psu supplies power to all the components in the computer, including the motherboard, cpu, graphics card, storage. How does a vrm work? To see if a power. How Power Supply Work In A Motherboard.
From www.cgdirector.com
How to Connect Your PSU Cables to Your Motherboard — Power Supply Cable How Power Supply Work In A Motherboard In a personal computer (pc), the power supply is the metal box usually found in a corner of the case. To see if a power supply and motherboard are compatible, we need to check three things: Desktop pc power supply units (psus) explained, including atx standards and connectors,. Before we talk about how power supplies and motherboards work together, let’s. How Power Supply Work In A Motherboard.
From powersupplycircuit-basicdiagram.blogspot.com
How a Power Supply Works How Power Supply Work In A Motherboard The psu supplies power to all the components in the computer, including the motherboard, cpu, graphics card, storage. How does a vrm work? In a personal computer (pc), the power supply is the metal box usually found in a corner of the case. The power supply is visible. Power supplies, like the name implies, are the primary supplier of power. How Power Supply Work In A Motherboard.
From sibswiki.helpsite.com
MOTHERBOARD BACK PANEL CONNECTOR PARTS and DEFINITION SiBSWiki How Power Supply Work In A Motherboard The power supply is visible. Power supplies, like the name implies, are the primary supplier of power to your motherboard. They do this by converting the high voltage alternating current (ac) that. The main purpose of a pc power supply is to convert ac mains power into the dc voltages required to operate the various components inside a computer. Desktop. How Power Supply Work In A Motherboard.
From www.youtube.com
How Does a Computer Power Supply Work (ATX) YouTube How Power Supply Work In A Motherboard Power supplies come in two main flavors: Linear power supplies are simpler, requiring only a few steps to convert ac electricity into dc electricity. Before we talk about how power supplies and motherboards work together, let’s learn about the different types of power supplies and motherboards. As mentioned above, their job is to amplify your processor’s power consumption. The main. How Power Supply Work In A Motherboard.
From linustechtips.com
Front panel connectors Power Supplies Linus Tech Tips How Power Supply Work In A Motherboard Before we talk about how power supplies and motherboards work together, let’s learn about the different types of power supplies and motherboards. The psu supplies power to all the components in the computer, including the motherboard, cpu, graphics card, storage. They do this by converting the high voltage alternating current (ac) that. Power supplies, like the name implies, are the. How Power Supply Work In A Motherboard.
From www.youtube.com
Testing the charging circuit on a laptop motherboard Part 2 YouTube How Power Supply Work In A Motherboard To see if a power supply and motherboard are compatible, we need to check three things: Before we talk about how power supplies and motherboards work together, let’s learn about the different types of power supplies and motherboards. As mentioned above, their job is to amplify your processor’s power consumption. The power supply is visible. The form factor, power connectors,. How Power Supply Work In A Motherboard.
From www.youtube.com
How to power on your motherboard without a power button using a How Power Supply Work In A Motherboard Power supplies come in two main flavors: How does a vrm work? The main purpose of a pc power supply is to convert ac mains power into the dc voltages required to operate the various components inside a computer. Desktop pc power supply units (psus) explained, including atx standards and connectors,. The power supply is visible. In a personal computer. How Power Supply Work In A Motherboard.
From www.shutterstock.com
Inside Of The Personal Computer (Power Supply Motherboard, Cables How Power Supply Work In A Motherboard They do this by converting the high voltage alternating current (ac) that. Desktop pc power supply units (psus) explained, including atx standards and connectors,. How does a vrm work? As mentioned above, their job is to amplify your processor’s power consumption. Power supplies, like the name implies, are the primary supplier of power to your motherboard. The main purpose of. How Power Supply Work In A Motherboard.
From www.youtube.com
Testing the charging circuit on a laptop motherboard Part 1 YouTube How Power Supply Work In A Motherboard They do this by converting the high voltage alternating current (ac) that. To see if a power supply and motherboard are compatible, we need to check three things: As mentioned above, their job is to amplify your processor’s power consumption. In a personal computer (pc), the power supply is the metal box usually found in a corner of the case.. How Power Supply Work In A Motherboard.
From superuser.com
power supply Using ATX 24pin PSU (Corsair VS450) on 945GCM3 (24pin How Power Supply Work In A Motherboard Desktop pc power supply units (psus) explained, including atx standards and connectors,. Power supplies, like the name implies, are the primary supplier of power to your motherboard. Power supplies come in two main flavors: How does a vrm work? As mentioned above, their job is to amplify your processor’s power consumption. The power supply is visible. The main purpose of. How Power Supply Work In A Motherboard.
From study.com
What is a Motherboard? Definition, Function & Diagram Lesson How Power Supply Work In A Motherboard The power supply is visible. How does a vrm work? The main purpose of a pc power supply is to convert ac mains power into the dc voltages required to operate the various components inside a computer. Power supplies come in two main flavors: They do this by converting the high voltage alternating current (ac) that. In a personal computer. How Power Supply Work In A Motherboard.
From www.youtube.com
Front Panel Connectors On Motherboard Easy Beginners Full PC Building How Power Supply Work In A Motherboard To see if a power supply and motherboard are compatible, we need to check three things: The main purpose of a pc power supply is to convert ac mains power into the dc voltages required to operate the various components inside a computer. How does a vrm work? The psu supplies power to all the components in the computer, including. How Power Supply Work In A Motherboard.
From kit-amp.com
24Pin ATX motherboard power supply from 12V KitAmp How Power Supply Work In A Motherboard The form factor, power connectors, and wattage. To see if a power supply and motherboard are compatible, we need to check three things: Power supplies, like the name implies, are the primary supplier of power to your motherboard. Desktop pc power supply units (psus) explained, including atx standards and connectors,. The psu supplies power to all the components in the. How Power Supply Work In A Motherboard.