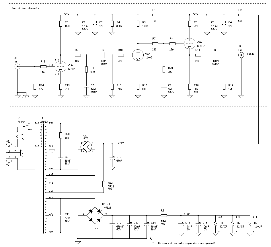
Phono Stage Circuit . The two stage passive riaa phono stage is a classic circuit of diy audio. I built one a long time ago with 6dj8 tubes. This would make it easy to adjust the cartridge loading,. The phono stage, also known as a phono preamp or phono preamplifier, plays a crucial role in the vinyl playback chain, especially for beginners in the realm of music. The phono preamp described here has an accurate riaa equalisation curve, is very quiet, and offers better sonic performance than the vast majority of those seen in. Phono preamp design using active riaa equalization. I decided to build the preamp in an aluminum chassis with a lid on top. This page contains equations and a procedure for accurately computing the circuit component values for a phono.
from circuitdiagramjeanette.z13.web.core.windows.net
The two stage passive riaa phono stage is a classic circuit of diy audio. The phono preamp described here has an accurate riaa equalisation curve, is very quiet, and offers better sonic performance than the vast majority of those seen in. This would make it easy to adjust the cartridge loading,. This page contains equations and a procedure for accurately computing the circuit component values for a phono. I decided to build the preamp in an aluminum chassis with a lid on top. Phono preamp design using active riaa equalization. I built one a long time ago with 6dj8 tubes. The phono stage, also known as a phono preamp or phono preamplifier, plays a crucial role in the vinyl playback chain, especially for beginners in the realm of music.
Diy Phono Preamp Schematic
Phono Stage Circuit This page contains equations and a procedure for accurately computing the circuit component values for a phono. The phono stage, also known as a phono preamp or phono preamplifier, plays a crucial role in the vinyl playback chain, especially for beginners in the realm of music. This page contains equations and a procedure for accurately computing the circuit component values for a phono. This would make it easy to adjust the cartridge loading,. I built one a long time ago with 6dj8 tubes. The two stage passive riaa phono stage is a classic circuit of diy audio. The phono preamp described here has an accurate riaa equalisation curve, is very quiet, and offers better sonic performance than the vast majority of those seen in. I decided to build the preamp in an aluminum chassis with a lid on top. Phono preamp design using active riaa equalization.
From www.aliexpress.com
Phono Stage DUAL turntable circuit AirVinyl MM/MC preamplifier HIFI amp Phono Stage Circuit Phono preamp design using active riaa equalization. This would make it easy to adjust the cartridge loading,. I decided to build the preamp in an aluminum chassis with a lid on top. The phono stage, also known as a phono preamp or phono preamplifier, plays a crucial role in the vinyl playback chain, especially for beginners in the realm of. Phono Stage Circuit.
From www.wiringdigital.com
Ne5532 Phono Preamp Circuit Wiring Digital and Schematic Phono Stage Circuit This page contains equations and a procedure for accurately computing the circuit component values for a phono. The phono stage, also known as a phono preamp or phono preamplifier, plays a crucial role in the vinyl playback chain, especially for beginners in the realm of music. The two stage passive riaa phono stage is a classic circuit of diy audio.. Phono Stage Circuit.
From www.diyaudio.com
SRPP phono stage? diyAudio Phono Stage Circuit The phono stage, also known as a phono preamp or phono preamplifier, plays a crucial role in the vinyl playback chain, especially for beginners in the realm of music. I built one a long time ago with 6dj8 tubes. Phono preamp design using active riaa equalization. I decided to build the preamp in an aluminum chassis with a lid on. Phono Stage Circuit.
From irpsiea4schematic.z21.web.core.windows.net
Rca Phono Preamp Schematic Phono Stage Circuit The two stage passive riaa phono stage is a classic circuit of diy audio. Phono preamp design using active riaa equalization. This would make it easy to adjust the cartridge loading,. I decided to build the preamp in an aluminum chassis with a lid on top. The phono stage, also known as a phono preamp or phono preamplifier, plays a. Phono Stage Circuit.
From www.diyaudio.com
The SupraSupa Phono stage thread. diyAudio Phono Stage Circuit I decided to build the preamp in an aluminum chassis with a lid on top. The phono stage, also known as a phono preamp or phono preamplifier, plays a crucial role in the vinyl playback chain, especially for beginners in the realm of music. This page contains equations and a procedure for accurately computing the circuit component values for a. Phono Stage Circuit.
From www.amstzone.org
High Performance Phono PreAmps Phono Stage Circuit The phono preamp described here has an accurate riaa equalisation curve, is very quiet, and offers better sonic performance than the vast majority of those seen in. This page contains equations and a procedure for accurately computing the circuit component values for a phono. Phono preamp design using active riaa equalization. This would make it easy to adjust the cartridge. Phono Stage Circuit.
From michaelfidler.com
MC Pro Moving Coil Phono Stage by Michael Fidler Michael Fidler Phono Stage Circuit The phono preamp described here has an accurate riaa equalisation curve, is very quiet, and offers better sonic performance than the vast majority of those seen in. I built one a long time ago with 6dj8 tubes. This would make it easy to adjust the cartridge loading,. I decided to build the preamp in an aluminum chassis with a lid. Phono Stage Circuit.
From vinylsavor.blogspot.com
VinylSavor The Octal Phono Preamplifier, Part 1 Circuit Phono Stage Circuit The phono stage, also known as a phono preamp or phono preamplifier, plays a crucial role in the vinyl playback chain, especially for beginners in the realm of music. This would make it easy to adjust the cartridge loading,. The two stage passive riaa phono stage is a classic circuit of diy audio. I decided to build the preamp in. Phono Stage Circuit.
From tronicspro.com
Phono Amplifier Circuit Diagrams TRONICSpro TRONICSpro Phono Stage Circuit I decided to build the preamp in an aluminum chassis with a lid on top. I built one a long time ago with 6dj8 tubes. This page contains equations and a procedure for accurately computing the circuit component values for a phono. The phono stage, also known as a phono preamp or phono preamplifier, plays a crucial role in the. Phono Stage Circuit.
From www.diyaudio.com
Is this a good phono preamp circuit to build? Page 5 diyAudio Phono Stage Circuit The phono preamp described here has an accurate riaa equalisation curve, is very quiet, and offers better sonic performance than the vast majority of those seen in. The two stage passive riaa phono stage is a classic circuit of diy audio. I built one a long time ago with 6dj8 tubes. Phono preamp design using active riaa equalization. This would. Phono Stage Circuit.
From k1.spdns.de
Opamp Based RIAA Phono Preamp for MM and MC Phono Cartridges Phono Stage Circuit The two stage passive riaa phono stage is a classic circuit of diy audio. Phono preamp design using active riaa equalization. The phono stage, also known as a phono preamp or phono preamplifier, plays a crucial role in the vinyl playback chain, especially for beginners in the realm of music. I built one a long time ago with 6dj8 tubes.. Phono Stage Circuit.
From www.aliexpress.com
ZEROZONE DIY E834 RIAA MM Tube Phono Stage Amplifier Kit Base On EAR834 Phono Stage Circuit I decided to build the preamp in an aluminum chassis with a lid on top. This page contains equations and a procedure for accurately computing the circuit component values for a phono. The phono stage, also known as a phono preamp or phono preamplifier, plays a crucial role in the vinyl playback chain, especially for beginners in the realm of. Phono Stage Circuit.
From www.tonepublications.com
REVIEW Naim Superline Phonostage Phono Stage Circuit The phono preamp described here has an accurate riaa equalisation curve, is very quiet, and offers better sonic performance than the vast majority of those seen in. I built one a long time ago with 6dj8 tubes. Phono preamp design using active riaa equalization. This page contains equations and a procedure for accurately computing the circuit component values for a. Phono Stage Circuit.
From audioxpress.com
Borbely RIAA Preamp With Tubes A Project Remembered and Revisited Phono Stage Circuit This would make it easy to adjust the cartridge loading,. The phono preamp described here has an accurate riaa equalisation curve, is very quiet, and offers better sonic performance than the vast majority of those seen in. I decided to build the preamp in an aluminum chassis with a lid on top. Phono preamp design using active riaa equalization. This. Phono Stage Circuit.
From www.iwistao.com
Moving Phono Stage Class A Singleended NAIM Circuit Vinyl LP Phono Stage Circuit I decided to build the preamp in an aluminum chassis with a lid on top. This page contains equations and a procedure for accurately computing the circuit component values for a phono. The phono stage, also known as a phono preamp or phono preamplifier, plays a crucial role in the vinyl playback chain, especially for beginners in the realm of. Phono Stage Circuit.
From www.klaus-boening.de
hybrid phono stage Phono Stage Circuit The phono stage, also known as a phono preamp or phono preamplifier, plays a crucial role in the vinyl playback chain, especially for beginners in the realm of music. This would make it easy to adjust the cartridge loading,. The phono preamp described here has an accurate riaa equalisation curve, is very quiet, and offers better sonic performance than the. Phono Stage Circuit.
From vinylsavor.blogspot.com
VinylSavor The D3a Phono Stages Phono Stage Circuit I built one a long time ago with 6dj8 tubes. The two stage passive riaa phono stage is a classic circuit of diy audio. I decided to build the preamp in an aluminum chassis with a lid on top. This page contains equations and a procedure for accurately computing the circuit component values for a phono. This would make it. Phono Stage Circuit.
From www.diyaudio.com
Balanced tube phono stage diyAudio Phono Stage Circuit The two stage passive riaa phono stage is a classic circuit of diy audio. The phono stage, also known as a phono preamp or phono preamplifier, plays a crucial role in the vinyl playback chain, especially for beginners in the realm of music. This would make it easy to adjust the cartridge loading,. This page contains equations and a procedure. Phono Stage Circuit.
From tavishdesign.com
Classic Vacuum Tube Phono Stage (MM / MC) Tavish Design Phono Stage Circuit The phono stage, also known as a phono preamp or phono preamplifier, plays a crucial role in the vinyl playback chain, especially for beginners in the realm of music. The phono preamp described here has an accurate riaa equalisation curve, is very quiet, and offers better sonic performance than the vast majority of those seen in. The two stage passive. Phono Stage Circuit.
From www.fyfaudio.com
HiFi RIAA Valve Tube Phono Stage Preamp DIY KIT for MM Turntable Phono Stage Circuit This would make it easy to adjust the cartridge loading,. Phono preamp design using active riaa equalization. I built one a long time ago with 6dj8 tubes. The phono stage, also known as a phono preamp or phono preamplifier, plays a crucial role in the vinyl playback chain, especially for beginners in the realm of music. The two stage passive. Phono Stage Circuit.
From www.underwoodhifi.com
LSA phono stages Underwood HiFi Phono Stage Circuit The phono stage, also known as a phono preamp or phono preamplifier, plays a crucial role in the vinyl playback chain, especially for beginners in the realm of music. I built one a long time ago with 6dj8 tubes. Phono preamp design using active riaa equalization. This would make it easy to adjust the cartridge loading,. This page contains equations. Phono Stage Circuit.
From www.eeweb.com
Three ECC83Based Tube Phono Preamplifier Circuits EE Phono Stage Circuit I built one a long time ago with 6dj8 tubes. The phono preamp described here has an accurate riaa equalisation curve, is very quiet, and offers better sonic performance than the vast majority of those seen in. Phono preamp design using active riaa equalization. The phono stage, also known as a phono preamp or phono preamplifier, plays a crucial role. Phono Stage Circuit.
From phonoclone.com
RJM Audio Op amp Passive Phono Preamplifier Phono Stage Circuit This page contains equations and a procedure for accurately computing the circuit component values for a phono. This would make it easy to adjust the cartridge loading,. Phono preamp design using active riaa equalization. I decided to build the preamp in an aluminum chassis with a lid on top. The phono preamp described here has an accurate riaa equalisation curve,. Phono Stage Circuit.
From www.fyfaudio.com
DIY E834B RIAA MM Tube phono stage amp board base on EAR834 amp Phono Stage Circuit The phono preamp described here has an accurate riaa equalisation curve, is very quiet, and offers better sonic performance than the vast majority of those seen in. This page contains equations and a procedure for accurately computing the circuit component values for a phono. This would make it easy to adjust the cartridge loading,. The phono stage, also known as. Phono Stage Circuit.
From circuitdiagramjeanette.z13.web.core.windows.net
Diy Phono Preamp Schematic Phono Stage Circuit I decided to build the preamp in an aluminum chassis with a lid on top. The phono stage, also known as a phono preamp or phono preamplifier, plays a crucial role in the vinyl playback chain, especially for beginners in the realm of music. The two stage passive riaa phono stage is a classic circuit of diy audio. This page. Phono Stage Circuit.
From mungfali.com
12AX7 Phono Preamp Schematic Phono Stage Circuit The phono preamp described here has an accurate riaa equalisation curve, is very quiet, and offers better sonic performance than the vast majority of those seen in. This would make it easy to adjust the cartridge loading,. The two stage passive riaa phono stage is a classic circuit of diy audio. I decided to build the preamp in an aluminum. Phono Stage Circuit.
From guidewiringguideship.z14.web.core.windows.net
Tube Phono Preamp Schematic Phono Stage Circuit I decided to build the preamp in an aluminum chassis with a lid on top. This would make it easy to adjust the cartridge loading,. The phono stage, also known as a phono preamp or phono preamplifier, plays a crucial role in the vinyl playback chain, especially for beginners in the realm of music. This page contains equations and a. Phono Stage Circuit.
From www.underwoodhifi.com
LSA phono stages Underwood HiFi Phono Stage Circuit I built one a long time ago with 6dj8 tubes. I decided to build the preamp in an aluminum chassis with a lid on top. Phono preamp design using active riaa equalization. This would make it easy to adjust the cartridge loading,. The phono preamp described here has an accurate riaa equalisation curve, is very quiet, and offers better sonic. Phono Stage Circuit.
From www.ankaudiokits.com
L3 Phono Stage V2 Signature (All AudioNote version) Ank Audio Kits Phono Stage Circuit The two stage passive riaa phono stage is a classic circuit of diy audio. I decided to build the preamp in an aluminum chassis with a lid on top. The phono preamp described here has an accurate riaa equalisation curve, is very quiet, and offers better sonic performance than the vast majority of those seen in. Phono preamp design using. Phono Stage Circuit.
From www.soundandcolors.com
Sound & Colors Phono Stage Phono Stage Circuit This would make it easy to adjust the cartridge loading,. I decided to build the preamp in an aluminum chassis with a lid on top. This page contains equations and a procedure for accurately computing the circuit component values for a phono. I built one a long time ago with 6dj8 tubes. The two stage passive riaa phono stage is. Phono Stage Circuit.
From www.audio-talk.co.uk
Broskie phono stage circuit a few questions audiotalk Phono Stage Circuit This page contains equations and a procedure for accurately computing the circuit component values for a phono. I decided to build the preamp in an aluminum chassis with a lid on top. Phono preamp design using active riaa equalization. The phono stage, also known as a phono preamp or phono preamplifier, plays a crucial role in the vinyl playback chain,. Phono Stage Circuit.
From www.klaus-boening.de
new phono stage implemented Phono Stage Circuit The phono stage, also known as a phono preamp or phono preamplifier, plays a crucial role in the vinyl playback chain, especially for beginners in the realm of music. I decided to build the preamp in an aluminum chassis with a lid on top. I built one a long time ago with 6dj8 tubes. This page contains equations and a. Phono Stage Circuit.
From www.diyaudio.com
Basic DIY Valve Phono Stage diyAudio Phono Stage Circuit The phono stage, also known as a phono preamp or phono preamplifier, plays a crucial role in the vinyl playback chain, especially for beginners in the realm of music. I built one a long time ago with 6dj8 tubes. Phono preamp design using active riaa equalization. This page contains equations and a procedure for accurately computing the circuit component values. Phono Stage Circuit.
From www.diyaudio.com
Is this a good phono preamp circuit to build? diyAudio Phono Stage Circuit This would make it easy to adjust the cartridge loading,. I decided to build the preamp in an aluminum chassis with a lid on top. The phono preamp described here has an accurate riaa equalisation curve, is very quiet, and offers better sonic performance than the vast majority of those seen in. The two stage passive riaa phono stage is. Phono Stage Circuit.
From motronix.co.il
RIAAUSB MM Phono Stage Low Noise Preamp. Work with USB 5Vdc or Single Phono Stage Circuit The phono preamp described here has an accurate riaa equalisation curve, is very quiet, and offers better sonic performance than the vast majority of those seen in. This page contains equations and a procedure for accurately computing the circuit component values for a phono. This would make it easy to adjust the cartridge loading,. I built one a long time. Phono Stage Circuit.