Welded Connections Quizlet . a welded connection is a type of joint formed by the fusion of materials, typically metals, through the application of heat, pressure,. study with quizlet and memorize flashcards containing terms like arc welding, metallic rod, shielded metal arc welding (smaw). this article offers an overview of the design principles and types of bolted connections and provides two detailed worked examples to. 6.2 design of welded connections. study with quizlet and memorize flashcards containing terms like usually assumed to fail in, base v. this is a complete guide to the different types of welds and joints found in engineering. Filler metal, slag and more. The different types of welds and their symbols. Weld sizes are specified in. Fillet welds are most common and used in all structures.
from www.vrogue.co
Weld sizes are specified in. a welded connection is a type of joint formed by the fusion of materials, typically metals, through the application of heat, pressure,. this is a complete guide to the different types of welds and joints found in engineering. study with quizlet and memorize flashcards containing terms like usually assumed to fail in, base v. The different types of welds and their symbols. this article offers an overview of the design principles and types of bolted connections and provides two detailed worked examples to. 6.2 design of welded connections. Filler metal, slag and more. study with quizlet and memorize flashcards containing terms like arc welding, metallic rod, shielded metal arc welding (smaw). Fillet welds are most common and used in all structures.
Parts Of A Weld Diagram Quizlet vrogue.co
Welded Connections Quizlet 6.2 design of welded connections. this is a complete guide to the different types of welds and joints found in engineering. Filler metal, slag and more. 6.2 design of welded connections. The different types of welds and their symbols. study with quizlet and memorize flashcards containing terms like usually assumed to fail in, base v. this article offers an overview of the design principles and types of bolted connections and provides two detailed worked examples to. Weld sizes are specified in. Fillet welds are most common and used in all structures. a welded connection is a type of joint formed by the fusion of materials, typically metals, through the application of heat, pressure,. study with quizlet and memorize flashcards containing terms like arc welding, metallic rod, shielded metal arc welding (smaw).
From quizlet.com
Welding 1313 Test 1 Match the Blueprint view Diagram Quizlet Welded Connections Quizlet this is a complete guide to the different types of welds and joints found in engineering. study with quizlet and memorize flashcards containing terms like usually assumed to fail in, base v. Filler metal, slag and more. study with quizlet and memorize flashcards containing terms like arc welding, metallic rod, shielded metal arc welding (smaw). Fillet welds. Welded Connections Quizlet.
From www.chegg.com
Solved (6) An eccentric welded connection is shown in Figure Welded Connections Quizlet Fillet welds are most common and used in all structures. 6.2 design of welded connections. The different types of welds and their symbols. study with quizlet and memorize flashcards containing terms like arc welding, metallic rod, shielded metal arc welding (smaw). this article offers an overview of the design principles and types of bolted connections and provides. Welded Connections Quizlet.
From schematiciroknivs.z4.web.core.windows.net
Types Of Welding Diagram Welded Connections Quizlet study with quizlet and memorize flashcards containing terms like arc welding, metallic rod, shielded metal arc welding (smaw). Weld sizes are specified in. 6.2 design of welded connections. Fillet welds are most common and used in all structures. this article offers an overview of the design principles and types of bolted connections and provides two detailed worked. Welded Connections Quizlet.
From quizlet.com
Figure shows a bracket welded to a wall with a fillet weld u Quizlet Welded Connections Quizlet a welded connection is a type of joint formed by the fusion of materials, typically metals, through the application of heat, pressure,. this article offers an overview of the design principles and types of bolted connections and provides two detailed worked examples to. The different types of welds and their symbols. this is a complete guide to. Welded Connections Quizlet.
From www.studocu.com
Welded connections Design of Steel Structures WELDED CONNECTION Welded Connections Quizlet this is a complete guide to the different types of welds and joints found in engineering. Weld sizes are specified in. 6.2 design of welded connections. Filler metal, slag and more. Fillet welds are most common and used in all structures. a welded connection is a type of joint formed by the fusion of materials, typically metals,. Welded Connections Quizlet.
From quizlet.com
A welded steel girder having the cross section shown in the Quizlet Welded Connections Quizlet The different types of welds and their symbols. this is a complete guide to the different types of welds and joints found in engineering. Weld sizes are specified in. study with quizlet and memorize flashcards containing terms like usually assumed to fail in, base v. this article offers an overview of the design principles and types of. Welded Connections Quizlet.
From quizlet.com
Welding Symbols and Procedures Assessment Diagram Quizlet Welded Connections Quizlet Weld sizes are specified in. study with quizlet and memorize flashcards containing terms like usually assumed to fail in, base v. Fillet welds are most common and used in all structures. Filler metal, slag and more. this article offers an overview of the design principles and types of bolted connections and provides two detailed worked examples to. The. Welded Connections Quizlet.
From quizlet.com
Three rods are welded together to form the "corner" shown. T Quizlet Welded Connections Quizlet The different types of welds and their symbols. Fillet welds are most common and used in all structures. a welded connection is a type of joint formed by the fusion of materials, typically metals, through the application of heat, pressure,. Filler metal, slag and more. study with quizlet and memorize flashcards containing terms like arc welding, metallic rod,. Welded Connections Quizlet.
From quizlet.com
Basic Welding Final Diagram Quizlet Welded Connections Quizlet this article offers an overview of the design principles and types of bolted connections and provides two detailed worked examples to. this is a complete guide to the different types of welds and joints found in engineering. 6.2 design of welded connections. study with quizlet and memorize flashcards containing terms like arc welding, metallic rod, shielded. Welded Connections Quizlet.
From quizlet.com
Welding review 02/08/23 Diagram Quizlet Welded Connections Quizlet Fillet welds are most common and used in all structures. study with quizlet and memorize flashcards containing terms like usually assumed to fail in, base v. a welded connection is a type of joint formed by the fusion of materials, typically metals, through the application of heat, pressure,. Filler metal, slag and more. this is a complete. Welded Connections Quizlet.
From www.onestopndt.com
An ultimate Guide to Weld Joints OnestopNDT Welded Connections Quizlet study with quizlet and memorize flashcards containing terms like arc welding, metallic rod, shielded metal arc welding (smaw). a welded connection is a type of joint formed by the fusion of materials, typically metals, through the application of heat, pressure,. The different types of welds and their symbols. this article offers an overview of the design principles. Welded Connections Quizlet.
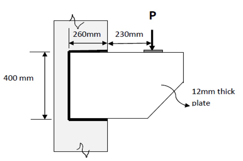
From www.chegg.com
Solved A welded connection is shown in figure. The 12 mm Welded Connections Quizlet this article offers an overview of the design principles and types of bolted connections and provides two detailed worked examples to. The different types of welds and their symbols. a welded connection is a type of joint formed by the fusion of materials, typically metals, through the application of heat, pressure,. study with quizlet and memorize flashcards. Welded Connections Quizlet.
From www.cwbgroup.org
How It Works What is a Backing Strip for a Welded Joint? CWB Group Welded Connections Quizlet The different types of welds and their symbols. study with quizlet and memorize flashcards containing terms like usually assumed to fail in, base v. Filler metal, slag and more. 6.2 design of welded connections. a welded connection is a type of joint formed by the fusion of materials, typically metals, through the application of heat, pressure,. Fillet. Welded Connections Quizlet.
From quizlet.com
A thin triangular plate of mass m is welded along its base Quizlet Welded Connections Quizlet this article offers an overview of the design principles and types of bolted connections and provides two detailed worked examples to. 6.2 design of welded connections. study with quizlet and memorize flashcards containing terms like usually assumed to fail in, base v. Filler metal, slag and more. Fillet welds are most common and used in all structures.. Welded Connections Quizlet.
From dokumen.tips
(PDF) Welded Connections Examples DOKUMEN.TIPS Welded Connections Quizlet Fillet welds are most common and used in all structures. 6.2 design of welded connections. Filler metal, slag and more. The different types of welds and their symbols. a welded connection is a type of joint formed by the fusion of materials, typically metals, through the application of heat, pressure,. this article offers an overview of the. Welded Connections Quizlet.
From www.youtube.com
Welded Connection Part 1 of 2 YouTube Welded Connections Quizlet this is a complete guide to the different types of welds and joints found in engineering. The different types of welds and their symbols. study with quizlet and memorize flashcards containing terms like usually assumed to fail in, base v. Fillet welds are most common and used in all structures. this article offers an overview of the. Welded Connections Quizlet.
From quizlet.com
A welded connection is in equilibrium under the action of th Quizlet Welded Connections Quizlet The different types of welds and their symbols. Weld sizes are specified in. study with quizlet and memorize flashcards containing terms like usually assumed to fail in, base v. a welded connection is a type of joint formed by the fusion of materials, typically metals, through the application of heat, pressure,. 6.2 design of welded connections. . Welded Connections Quizlet.
From quizlet.com
Welding blueprints Diagram Quizlet Welded Connections Quizlet study with quizlet and memorize flashcards containing terms like usually assumed to fail in, base v. The different types of welds and their symbols. Weld sizes are specified in. study with quizlet and memorize flashcards containing terms like arc welding, metallic rod, shielded metal arc welding (smaw). 6.2 design of welded connections. this article offers an. Welded Connections Quizlet.
From quizlet.com
A channel and a plate are welded together as shown to form a Quizlet Welded Connections Quizlet The different types of welds and their symbols. study with quizlet and memorize flashcards containing terms like arc welding, metallic rod, shielded metal arc welding (smaw). this article offers an overview of the design principles and types of bolted connections and provides two detailed worked examples to. 6.2 design of welded connections. this is a complete. Welded Connections Quizlet.
From www.slideserve.com
PPT CONNECTION DESIGN PowerPoint Presentation, free download ID222558 Welded Connections Quizlet this article offers an overview of the design principles and types of bolted connections and provides two detailed worked examples to. study with quizlet and memorize flashcards containing terms like arc welding, metallic rod, shielded metal arc welding (smaw). this is a complete guide to the different types of welds and joints found in engineering. a. Welded Connections Quizlet.
From quizlet.com
Two 24\mathrm{mm}diameter aluminum rods are welded toget Quizlet Welded Connections Quizlet Weld sizes are specified in. Fillet welds are most common and used in all structures. study with quizlet and memorize flashcards containing terms like arc welding, metallic rod, shielded metal arc welding (smaw). Filler metal, slag and more. The different types of welds and their symbols. this is a complete guide to the different types of welds and. Welded Connections Quizlet.
From weldguru.com
Full Weld Explained What Is It? Welded Connections Quizlet this article offers an overview of the design principles and types of bolted connections and provides two detailed worked examples to. study with quizlet and memorize flashcards containing terms like usually assumed to fail in, base v. this is a complete guide to the different types of welds and joints found in engineering. Weld sizes are specified. Welded Connections Quizlet.
From www.vrogue.co
Types Of Welding Joints Design And Welding Symbols vrogue.co Welded Connections Quizlet The different types of welds and their symbols. this article offers an overview of the design principles and types of bolted connections and provides two detailed worked examples to. a welded connection is a type of joint formed by the fusion of materials, typically metals, through the application of heat, pressure,. this is a complete guide to. Welded Connections Quizlet.
From www.slideserve.com
PPT CONNECTION DESIGN PowerPoint Presentation, free download ID222558 Welded Connections Quizlet study with quizlet and memorize flashcards containing terms like arc welding, metallic rod, shielded metal arc welding (smaw). Filler metal, slag and more. a welded connection is a type of joint formed by the fusion of materials, typically metals, through the application of heat, pressure,. this article offers an overview of the design principles and types of. Welded Connections Quizlet.
From weldingofwelders.com
Welding Joints and their Types Welding Basics Welded Connections Quizlet Filler metal, slag and more. 6.2 design of welded connections. Weld sizes are specified in. study with quizlet and memorize flashcards containing terms like arc welding, metallic rod, shielded metal arc welding (smaw). this article offers an overview of the design principles and types of bolted connections and provides two detailed worked examples to. The different types. Welded Connections Quizlet.
From quizlet.com
A 1 / 2 x 6inch plate of A36 steel is fillet welded to a gu Quizlet Welded Connections Quizlet study with quizlet and memorize flashcards containing terms like arc welding, metallic rod, shielded metal arc welding (smaw). 6.2 design of welded connections. this article offers an overview of the design principles and types of bolted connections and provides two detailed worked examples to. Filler metal, slag and more. The different types of welds and their symbols.. Welded Connections Quizlet.
From quizlet.com
Figure shows a bar welded to a base with 3 / 16\ \text{in} Quizlet Welded Connections Quizlet a welded connection is a type of joint formed by the fusion of materials, typically metals, through the application of heat, pressure,. Weld sizes are specified in. study with quizlet and memorize flashcards containing terms like arc welding, metallic rod, shielded metal arc welding (smaw). this is a complete guide to the different types of welds and. Welded Connections Quizlet.
From quizlet.com
Blueprint Reading for Welders 9th Edition Unit 5 Review A Diagram Quizlet Welded Connections Quizlet Fillet welds are most common and used in all structures. The different types of welds and their symbols. Filler metal, slag and more. study with quizlet and memorize flashcards containing terms like usually assumed to fail in, base v. study with quizlet and memorize flashcards containing terms like arc welding, metallic rod, shielded metal arc welding (smaw). . Welded Connections Quizlet.
From quizlet.com
Two \mathrm{W}8 \times 31 rolled sections can be welded at Quizlet Welded Connections Quizlet this is a complete guide to the different types of welds and joints found in engineering. Fillet welds are most common and used in all structures. study with quizlet and memorize flashcards containing terms like usually assumed to fail in, base v. 6.2 design of welded connections. The different types of welds and their symbols. study. Welded Connections Quizlet.
From www.slideshare.net
Simple welded connection using Fillet weld Welded Connections Quizlet study with quizlet and memorize flashcards containing terms like arc welding, metallic rod, shielded metal arc welding (smaw). The different types of welds and their symbols. this is a complete guide to the different types of welds and joints found in engineering. Filler metal, slag and more. a welded connection is a type of joint formed by. Welded Connections Quizlet.
From www.scribd.com
Welded Connections PDF Welded Connections Quizlet this is a complete guide to the different types of welds and joints found in engineering. a welded connection is a type of joint formed by the fusion of materials, typically metals, through the application of heat, pressure,. study with quizlet and memorize flashcards containing terms like arc welding, metallic rod, shielded metal arc welding (smaw). . Welded Connections Quizlet.
From www.vrogue.co
Parts Of A Weld Diagram Quizlet vrogue.co Welded Connections Quizlet this article offers an overview of the design principles and types of bolted connections and provides two detailed worked examples to. 6.2 design of welded connections. study with quizlet and memorize flashcards containing terms like usually assumed to fail in, base v. a welded connection is a type of joint formed by the fusion of materials,. Welded Connections Quizlet.
From quizlet.com
A steel bar with a buttwelded joint, as shown in the figure Quizlet Welded Connections Quizlet this is a complete guide to the different types of welds and joints found in engineering. this article offers an overview of the design principles and types of bolted connections and provides two detailed worked examples to. Weld sizes are specified in. Fillet welds are most common and used in all structures. Filler metal, slag and more. . Welded Connections Quizlet.
From www.theengineerspost.com
Types of Welding Joints (Explained in detail) Pictures PDF Welded Connections Quizlet Weld sizes are specified in. Filler metal, slag and more. The different types of welds and their symbols. a welded connection is a type of joint formed by the fusion of materials, typically metals, through the application of heat, pressure,. this is a complete guide to the different types of welds and joints found in engineering. study. Welded Connections Quizlet.
From www.chegg.com
The fillet welded connection is shown below. The weld Welded Connections Quizlet Filler metal, slag and more. study with quizlet and memorize flashcards containing terms like arc welding, metallic rod, shielded metal arc welding (smaw). The different types of welds and their symbols. Weld sizes are specified in. Fillet welds are most common and used in all structures. a welded connection is a type of joint formed by the fusion. Welded Connections Quizlet.