Lem 1224 Parts . If any components of this unit are broken, or if the unit does not operate properly, please contact lem products at. If you don't see the part you need or you're. grinder models #1113, 1224, 1182. Here you'll find parts for electric grinder models # 1113, 1224 and 1182. this grinder knife (or cutting blade) works with the 1224, 1182, 1113, and 822 meat. view and download lem 1224 use & maintenance online. 1224 meat grinder pdf manual download. The warranty is extended to the original purchaser. Lem electric meat grinder use and. Parts for all units are not necessarily available via our website. Lem 1224 #8 countertop grinder.
from www.lemproducts.com
Lem electric meat grinder use and. grinder models #1113, 1224, 1182. Lem 1224 #8 countertop grinder. this grinder knife (or cutting blade) works with the 1224, 1182, 1113, and 822 meat. Parts for all units are not necessarily available via our website. 1224 meat grinder pdf manual download. The warranty is extended to the original purchaser. view and download lem 1224 use & maintenance online. If any components of this unit are broken, or if the unit does not operate properly, please contact lem products at. Here you'll find parts for electric grinder models # 1113, 1224 and 1182.
Worm Gear/Auger for 1113 & 1224 Meat Grinder LEM Products
Lem 1224 Parts Here you'll find parts for electric grinder models # 1113, 1224 and 1182. If any components of this unit are broken, or if the unit does not operate properly, please contact lem products at. If you don't see the part you need or you're. grinder models #1113, 1224, 1182. 1224 meat grinder pdf manual download. Here you'll find parts for electric grinder models # 1113, 1224 and 1182. Parts for all units are not necessarily available via our website. The warranty is extended to the original purchaser. view and download lem 1224 use & maintenance online. this grinder knife (or cutting blade) works with the 1224, 1182, 1113, and 822 meat. Lem electric meat grinder use and. Lem 1224 #8 countertop grinder.
From www.lemproducts.com
Plastic Large Outlet Gear for 1113 & 1224 Meat Grinder LEM Products Lem 1224 Parts If any components of this unit are broken, or if the unit does not operate properly, please contact lem products at. 1224 meat grinder pdf manual download. this grinder knife (or cutting blade) works with the 1224, 1182, 1113, and 822 meat. Here you'll find parts for electric grinder models # 1113, 1224 and 1182. The warranty is extended. Lem 1224 Parts.
From www.lemproducts.com
New Auger Drive Gear for 1113 & 1224 Meat Grinder LEM Products Lem 1224 Parts The warranty is extended to the original purchaser. this grinder knife (or cutting blade) works with the 1224, 1182, 1113, and 822 meat. If any components of this unit are broken, or if the unit does not operate properly, please contact lem products at. If you don't see the part you need or you're. Parts for all units are. Lem 1224 Parts.
From www.lemproducts.com
Worm Gear/Auger for 1113 & 1224 Meat Grinder LEM Products Lem 1224 Parts The warranty is extended to the original purchaser. this grinder knife (or cutting blade) works with the 1224, 1182, 1113, and 822 meat. Here you'll find parts for electric grinder models # 1113, 1224 and 1182. Lem 1224 #8 countertop grinder. grinder models #1113, 1224, 1182. 1224 meat grinder pdf manual download. view and download lem 1224. Lem 1224 Parts.
From batterie-go.be
LEMC15TR1224VX 1224Vdc/18’0009’000A Lemania Boosters Start Lem 1224 Parts If any components of this unit are broken, or if the unit does not operate properly, please contact lem products at. this grinder knife (or cutting blade) works with the 1224, 1182, 1113, and 822 meat. view and download lem 1224 use & maintenance online. Here you'll find parts for electric grinder models # 1113, 1224 and 1182.. Lem 1224 Parts.
From www.lemproducts.com
Straight Step Gear for 1113 & 1224 Meat Grinder LEM Products Lem 1224 Parts view and download lem 1224 use & maintenance online. The warranty is extended to the original purchaser. Lem electric meat grinder use and. If any components of this unit are broken, or if the unit does not operate properly, please contact lem products at. Parts for all units are not necessarily available via our website. this grinder knife. Lem 1224 Parts.
From www.lemproducts.com
Worm Gear/Auger for 1113 & 1224 Meat Grinder LEM Products Lem 1224 Parts If any components of this unit are broken, or if the unit does not operate properly, please contact lem products at. grinder models #1113, 1224, 1182. this grinder knife (or cutting blade) works with the 1224, 1182, 1113, and 822 meat. Lem electric meat grinder use and. Parts for all units are not necessarily available via our website.. Lem 1224 Parts.
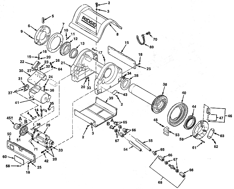
From edu.svet.gob.gt
Ridgid Tile Saw Parts Diagram edu.svet.gob.gt Lem 1224 Parts The warranty is extended to the original purchaser. grinder models #1113, 1224, 1182. Lem electric meat grinder use and. Parts for all units are not necessarily available via our website. If any components of this unit are broken, or if the unit does not operate properly, please contact lem products at. Lem 1224 #8 countertop grinder. 1224 meat grinder. Lem 1224 Parts.
From picclick.de
RIDGID 1224 PIPE Threader Rear Centering Head Back Chuck Ring 711 714 Lem 1224 Parts If any components of this unit are broken, or if the unit does not operate properly, please contact lem products at. view and download lem 1224 use & maintenance online. grinder models #1113, 1224, 1182. Lem 1224 #8 countertop grinder. this grinder knife (or cutting blade) works with the 1224, 1182, 1113, and 822 meat. Lem electric. Lem 1224 Parts.
From www.lemproducts.com
New Auger Drive Gear for 1113 & 1224 Meat Grinder LEM Products Lem 1224 Parts The warranty is extended to the original purchaser. view and download lem 1224 use & maintenance online. Here you'll find parts for electric grinder models # 1113, 1224 and 1182. If you don't see the part you need or you're. Lem electric meat grinder use and. grinder models #1113, 1224, 1182. Parts for all units are not necessarily. Lem 1224 Parts.
From www.lemproducts.com
Meat Stomper for 1113 & 1224 Meat Grinder LEM Products Lem 1224 Parts Parts for all units are not necessarily available via our website. If you don't see the part you need or you're. Lem electric meat grinder use and. grinder models #1113, 1224, 1182. view and download lem 1224 use & maintenance online. Here you'll find parts for electric grinder models # 1113, 1224 and 1182. The warranty is extended. Lem 1224 Parts.
From www.gigatools.ph
Ridgid Replacement Parts for 1224 Threading Machine GIGATOOLS Lem 1224 Parts If any components of this unit are broken, or if the unit does not operate properly, please contact lem products at. The warranty is extended to the original purchaser. this grinder knife (or cutting blade) works with the 1224, 1182, 1113, and 822 meat. 1224 meat grinder pdf manual download. grinder models #1113, 1224, 1182. view and. Lem 1224 Parts.
From elektrotanya.com
LEM AMP2.4 SM Service Manual download, schematics, eeprom, repair info Lem 1224 Parts Parts for all units are not necessarily available via our website. 1224 meat grinder pdf manual download. grinder models #1113, 1224, 1182. view and download lem 1224 use & maintenance online. Here you'll find parts for electric grinder models # 1113, 1224 and 1182. The warranty is extended to the original purchaser. If any components of this unit. Lem 1224 Parts.
From cults3d.com
STL file LEM Products 1113 and 1224 meat Grinder 🍖・3D printable model Lem 1224 Parts Lem 1224 #8 countertop grinder. 1224 meat grinder pdf manual download. grinder models #1113, 1224, 1182. If any components of this unit are broken, or if the unit does not operate properly, please contact lem products at. The warranty is extended to the original purchaser. Parts for all units are not necessarily available via our website. Lem electric meat. Lem 1224 Parts.
From www.ebay.com
LEM 1224 Electric Meat Grinder for sale online eBay Lem 1224 Parts view and download lem 1224 use & maintenance online. Lem 1224 #8 countertop grinder. If any components of this unit are broken, or if the unit does not operate properly, please contact lem products at. 1224 meat grinder pdf manual download. If you don't see the part you need or you're. Here you'll find parts for electric grinder models. Lem 1224 Parts.
From www.lemproducts.com
Retaining Ring for 1113 & 1224 Meat Grinder LEM Products Lem 1224 Parts this grinder knife (or cutting blade) works with the 1224, 1182, 1113, and 822 meat. Lem electric meat grinder use and. Here you'll find parts for electric grinder models # 1113, 1224 and 1182. Parts for all units are not necessarily available via our website. The warranty is extended to the original purchaser. Lem 1224 #8 countertop grinder. 1224. Lem 1224 Parts.
From www.lemproducts.com
Fine Grinding Pate for 1113 & 1224 Meat Grinder LEM Products Lem 1224 Parts Lem 1224 #8 countertop grinder. view and download lem 1224 use & maintenance online. this grinder knife (or cutting blade) works with the 1224, 1182, 1113, and 822 meat. Here you'll find parts for electric grinder models # 1113, 1224 and 1182. Parts for all units are not necessarily available via our website. 1224 meat grinder pdf manual. Lem 1224 Parts.
From www.ereplacementparts.com
Ridgid 1224 Parts List and Diagram Lem 1224 Parts view and download lem 1224 use & maintenance online. Lem electric meat grinder use and. Parts for all units are not necessarily available via our website. The warranty is extended to the original purchaser. Lem 1224 #8 countertop grinder. If any components of this unit are broken, or if the unit does not operate properly, please contact lem products. Lem 1224 Parts.
From www.plumberscrib.com
Ridgid 26362 Gear Box Assembly for Model 1224 Lem 1224 Parts Lem 1224 #8 countertop grinder. view and download lem 1224 use & maintenance online. Parts for all units are not necessarily available via our website. If any components of this unit are broken, or if the unit does not operate properly, please contact lem products at. 1224 meat grinder pdf manual download. Lem electric meat grinder use and. The. Lem 1224 Parts.
From www.ebay.com
LEM 1224 Electric Meat Grinder 734494012248 eBay Lem 1224 Parts this grinder knife (or cutting blade) works with the 1224, 1182, 1113, and 822 meat. 1224 meat grinder pdf manual download. view and download lem 1224 use & maintenance online. If you don't see the part you need or you're. Lem electric meat grinder use and. The warranty is extended to the original purchaser. Parts for all units. Lem 1224 Parts.
From bid.rollerauction.com
LEM 1224 Meat Grinder Roller Auctions Lem 1224 Parts 1224 meat grinder pdf manual download. Lem 1224 #8 countertop grinder. this grinder knife (or cutting blade) works with the 1224, 1182, 1113, and 822 meat. grinder models #1113, 1224, 1182. view and download lem 1224 use & maintenance online. If you don't see the part you need or you're. If any components of this unit are. Lem 1224 Parts.
From shopdunns.com
LEM 8 575Watt Countertop Meat Grinder 1224 Dunns Sporting Goods Lem 1224 Parts Lem electric meat grinder use and. If any components of this unit are broken, or if the unit does not operate properly, please contact lem products at. grinder models #1113, 1224, 1182. 1224 meat grinder pdf manual download. If you don't see the part you need or you're. Parts for all units are not necessarily available via our website.. Lem 1224 Parts.
From www.lemproducts.com
Part Auger Bushing for Big Bite Grinders 1777, 1779, 1780, 1781 Lem 1224 Parts Lem electric meat grinder use and. Parts for all units are not necessarily available via our website. Lem 1224 #8 countertop grinder. If you don't see the part you need or you're. view and download lem 1224 use & maintenance online. 1224 meat grinder pdf manual download. this grinder knife (or cutting blade) works with the 1224, 1182,. Lem 1224 Parts.
From www.lemproducts.com
New Auger Drive Gear for 1113 & 1224 Meat Grinder LEM Products Lem 1224 Parts Parts for all units are not necessarily available via our website. If any components of this unit are broken, or if the unit does not operate properly, please contact lem products at. this grinder knife (or cutting blade) works with the 1224, 1182, 1113, and 822 meat. Lem electric meat grinder use and. view and download lem 1224. Lem 1224 Parts.
From www.lemproducts.com
Grinder Head 1113 & 1224 Meat Grinder LEM Products Lem 1224 Parts view and download lem 1224 use & maintenance online. grinder models #1113, 1224, 1182. 1224 meat grinder pdf manual download. If you don't see the part you need or you're. If any components of this unit are broken, or if the unit does not operate properly, please contact lem products at. Lem electric meat grinder use and. The. Lem 1224 Parts.
From www.gigatools.ph
Ridgid Replacement Parts for 1224 Threading Machine GIGATOOLS Lem 1224 Parts If any components of this unit are broken, or if the unit does not operate properly, please contact lem products at. Lem electric meat grinder use and. this grinder knife (or cutting blade) works with the 1224, 1182, 1113, and 822 meat. view and download lem 1224 use & maintenance online. Here you'll find parts for electric grinder. Lem 1224 Parts.
From www.lemproducts.com
Grinder Head 1113 & 1224 Meat Grinder LEM Products Lem 1224 Parts view and download lem 1224 use & maintenance online. Lem 1224 #8 countertop grinder. If you don't see the part you need or you're. Parts for all units are not necessarily available via our website. Lem electric meat grinder use and. grinder models #1113, 1224, 1182. Here you'll find parts for electric grinder models # 1113, 1224 and. Lem 1224 Parts.
From www.lemproducts.com
Coarse Grinding Plate for 1113, 1182 & 1224 Meat Grinder LEM Products Lem 1224 Parts grinder models #1113, 1224, 1182. Parts for all units are not necessarily available via our website. Lem electric meat grinder use and. If any components of this unit are broken, or if the unit does not operate properly, please contact lem products at. this grinder knife (or cutting blade) works with the 1224, 1182, 1113, and 822 meat.. Lem 1224 Parts.
From www.lemproducts.com
Stuffing Tube for 1113 & 1224 Meat Grinder LEM Products Lem 1224 Parts Lem 1224 #8 countertop grinder. Parts for all units are not necessarily available via our website. view and download lem 1224 use & maintenance online. 1224 meat grinder pdf manual download. Here you'll find parts for electric grinder models # 1113, 1224 and 1182. If any components of this unit are broken, or if the unit does not operate. Lem 1224 Parts.
From www.ebay.com
LEM 1224 Electric Meat Grinder With Extra Accessories 734494012248 eBay Lem 1224 Parts If any components of this unit are broken, or if the unit does not operate properly, please contact lem products at. this grinder knife (or cutting blade) works with the 1224, 1182, 1113, and 822 meat. Lem 1224 #8 countertop grinder. view and download lem 1224 use & maintenance online. The warranty is extended to the original purchaser.. Lem 1224 Parts.
From www.youtube.com
Special Discount on LEM Products 12248 Countertop Grinder YouTube Lem 1224 Parts 1224 meat grinder pdf manual download. grinder models #1113, 1224, 1182. Lem electric meat grinder use and. If any components of this unit are broken, or if the unit does not operate properly, please contact lem products at. If you don't see the part you need or you're. view and download lem 1224 use & maintenance online. Lem. Lem 1224 Parts.
From www.garazparts.com
Spare parts for sliding operators KIT MOTOR 230V 50/60HZ BFT LEM7 Lem 1224 Parts this grinder knife (or cutting blade) works with the 1224, 1182, 1113, and 822 meat. If any components of this unit are broken, or if the unit does not operate properly, please contact lem products at. Lem 1224 #8 countertop grinder. 1224 meat grinder pdf manual download. The warranty is extended to the original purchaser. If you don't see. Lem 1224 Parts.
From www.bidfta.com
LEM Products 1224 8 Countertop Grinder Lem 1224 Parts grinder models #1113, 1224, 1182. view and download lem 1224 use & maintenance online. The warranty is extended to the original purchaser. Parts for all units are not necessarily available via our website. Lem 1224 #8 countertop grinder. 1224 meat grinder pdf manual download. Here you'll find parts for electric grinder models # 1113, 1224 and 1182. Lem. Lem 1224 Parts.
From www.dkhardware.com
LEM 1224 Meat Grinder Matte 1 speed 3 lb Matte Lem 1224 Parts Parts for all units are not necessarily available via our website. grinder models #1113, 1224, 1182. 1224 meat grinder pdf manual download. this grinder knife (or cutting blade) works with the 1224, 1182, 1113, and 822 meat. If you don't see the part you need or you're. If any components of this unit are broken, or if the. Lem 1224 Parts.
From mans.io
LEM 1224 download instruction manual pdf Lem 1224 Parts this grinder knife (or cutting blade) works with the 1224, 1182, 1113, and 822 meat. If any components of this unit are broken, or if the unit does not operate properly, please contact lem products at. Lem electric meat grinder use and. view and download lem 1224 use & maintenance online. Parts for all units are not necessarily. Lem 1224 Parts.
From www.manualslib.com
LEM 1224 MEAT GRINDER USE & MAINTENANCE ManualsLib Lem 1224 Parts The warranty is extended to the original purchaser. Here you'll find parts for electric grinder models # 1113, 1224 and 1182. If any components of this unit are broken, or if the unit does not operate properly, please contact lem products at. grinder models #1113, 1224, 1182. view and download lem 1224 use & maintenance online. Parts for. Lem 1224 Parts.