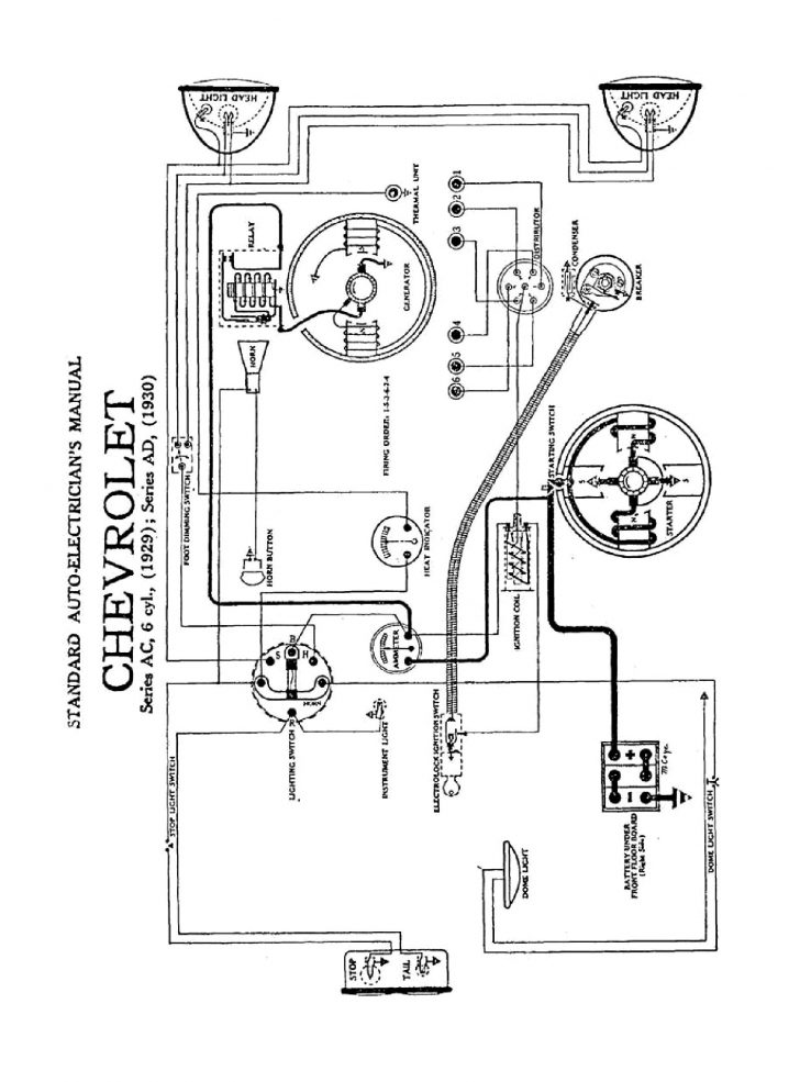
Model A Ford Wiring Diagram . About ford wiring • wires were cloth covered, rubber insulated • ford used 16 gauge wire on lamp wiring • wire gauges in 1930’s not the. It's available online and covers both the electrical system and mechanical components in detail. For those who are looking for a way to get their older model a running again or just want to customize it, the 1929 ford model a wiring diagram is a great resource. It shows the components and connections of the ignition, lighting, charging, and instrument panel systems. Learn how to restore and troubleshoot the electrical system of your 1929 model a ford with this detailed wiring diagram. The 1929 ford model a wiring diagram is incredibly detailed, featuring everything from the headlight switch to the dynamo. The first thing that catches. The 1930 model a wiring diagram is an invaluable tool for anyone working on or restoring a vintage ford model a. The 1930 ford model a wiring diagram was a revolutionary concept that set the standard for future car models. It allows them to accurately trace wiring connections, identify any potential issues or faults, and ensure that the electrical system is properly restored and functioning. Clear and concise labeling of each component and wiring connection. Key features of the model a wiring diagram for the year 1931:
from
The 1929 ford model a wiring diagram is incredibly detailed, featuring everything from the headlight switch to the dynamo. It's available online and covers both the electrical system and mechanical components in detail. It allows them to accurately trace wiring connections, identify any potential issues or faults, and ensure that the electrical system is properly restored and functioning. Clear and concise labeling of each component and wiring connection. The 1930 model a wiring diagram is an invaluable tool for anyone working on or restoring a vintage ford model a. About ford wiring • wires were cloth covered, rubber insulated • ford used 16 gauge wire on lamp wiring • wire gauges in 1930’s not the. It shows the components and connections of the ignition, lighting, charging, and instrument panel systems. The first thing that catches. Learn how to restore and troubleshoot the electrical system of your 1929 model a ford with this detailed wiring diagram. The 1930 ford model a wiring diagram was a revolutionary concept that set the standard for future car models.
Model A Ford Wiring Diagram It shows the components and connections of the ignition, lighting, charging, and instrument panel systems. The 1930 model a wiring diagram is an invaluable tool for anyone working on or restoring a vintage ford model a. For those who are looking for a way to get their older model a running again or just want to customize it, the 1929 ford model a wiring diagram is a great resource. The first thing that catches. The 1929 ford model a wiring diagram is incredibly detailed, featuring everything from the headlight switch to the dynamo. It allows them to accurately trace wiring connections, identify any potential issues or faults, and ensure that the electrical system is properly restored and functioning. About ford wiring • wires were cloth covered, rubber insulated • ford used 16 gauge wire on lamp wiring • wire gauges in 1930’s not the. It shows the components and connections of the ignition, lighting, charging, and instrument panel systems. Key features of the model a wiring diagram for the year 1931: Learn how to restore and troubleshoot the electrical system of your 1929 model a ford with this detailed wiring diagram. Clear and concise labeling of each component and wiring connection. It's available online and covers both the electrical system and mechanical components in detail. The 1930 ford model a wiring diagram was a revolutionary concept that set the standard for future car models.
From
Model A Ford Wiring Diagram The 1930 ford model a wiring diagram was a revolutionary concept that set the standard for future car models. Key features of the model a wiring diagram for the year 1931: It's available online and covers both the electrical system and mechanical components in detail. It allows them to accurately trace wiring connections, identify any potential issues or faults, and. Model A Ford Wiring Diagram.
From www.pinterest.com
Ignition Coil Condenser Wiring Diagram Get Free Image Model A Ford Wiring Diagram For those who are looking for a way to get their older model a running again or just want to customize it, the 1929 ford model a wiring diagram is a great resource. The 1930 ford model a wiring diagram was a revolutionary concept that set the standard for future car models. Clear and concise labeling of each component and. Model A Ford Wiring Diagram.
From
Model A Ford Wiring Diagram It's available online and covers both the electrical system and mechanical components in detail. Key features of the model a wiring diagram for the year 1931: The 1930 model a wiring diagram is an invaluable tool for anyone working on or restoring a vintage ford model a. About ford wiring • wires were cloth covered, rubber insulated • ford used. Model A Ford Wiring Diagram.
From
Model A Ford Wiring Diagram The 1930 ford model a wiring diagram was a revolutionary concept that set the standard for future car models. The 1929 ford model a wiring diagram is incredibly detailed, featuring everything from the headlight switch to the dynamo. It allows them to accurately trace wiring connections, identify any potential issues or faults, and ensure that the electrical system is properly. Model A Ford Wiring Diagram.
From www.got2bwireless.com
1930 Model A Ford Wiring Diagram For Your Needs Model A Ford Wiring Diagram The first thing that catches. The 1930 ford model a wiring diagram was a revolutionary concept that set the standard for future car models. Learn how to restore and troubleshoot the electrical system of your 1929 model a ford with this detailed wiring diagram. For those who are looking for a way to get their older model a running again. Model A Ford Wiring Diagram.
From schematicchechias.z13.web.core.windows.net
Wiring Diagram Model A Ford Model A Ford Wiring Diagram For those who are looking for a way to get their older model a running again or just want to customize it, the 1929 ford model a wiring diagram is a great resource. About ford wiring • wires were cloth covered, rubber insulated • ford used 16 gauge wire on lamp wiring • wire gauges in 1930’s not the. The. Model A Ford Wiring Diagram.
From
Model A Ford Wiring Diagram The 1930 ford model a wiring diagram was a revolutionary concept that set the standard for future car models. It allows them to accurately trace wiring connections, identify any potential issues or faults, and ensure that the electrical system is properly restored and functioning. Learn how to restore and troubleshoot the electrical system of your 1929 model a ford with. Model A Ford Wiring Diagram.
From www.newkidscar.com
Model A Ford Wiring Diagram Car Anatomy in Diagram Model A Ford Wiring Diagram Key features of the model a wiring diagram for the year 1931: It's available online and covers both the electrical system and mechanical components in detail. Learn how to restore and troubleshoot the electrical system of your 1929 model a ford with this detailed wiring diagram. It allows them to accurately trace wiring connections, identify any potential issues or faults,. Model A Ford Wiring Diagram.
From www.findwiring.com
1930 Ford Model A Wiring Diagram Wiring Diagram Model A Ford Wiring Diagram The 1930 model a wiring diagram is an invaluable tool for anyone working on or restoring a vintage ford model a. Learn how to restore and troubleshoot the electrical system of your 1929 model a ford with this detailed wiring diagram. It shows the components and connections of the ignition, lighting, charging, and instrument panel systems. About ford wiring •. Model A Ford Wiring Diagram.
From
Model A Ford Wiring Diagram For those who are looking for a way to get their older model a running again or just want to customize it, the 1929 ford model a wiring diagram is a great resource. Clear and concise labeling of each component and wiring connection. It's available online and covers both the electrical system and mechanical components in detail. Key features of. Model A Ford Wiring Diagram.
From
Model A Ford Wiring Diagram Learn how to restore and troubleshoot the electrical system of your 1929 model a ford with this detailed wiring diagram. The 1929 ford model a wiring diagram is incredibly detailed, featuring everything from the headlight switch to the dynamo. The 1930 model a wiring diagram is an invaluable tool for anyone working on or restoring a vintage ford model a.. Model A Ford Wiring Diagram.
From www.mtfca.com
Model T Ford Forum Coil box question Model A Ford Wiring Diagram The 1929 ford model a wiring diagram is incredibly detailed, featuring everything from the headlight switch to the dynamo. Clear and concise labeling of each component and wiring connection. The first thing that catches. It shows the components and connections of the ignition, lighting, charging, and instrument panel systems. The 1930 model a wiring diagram is an invaluable tool for. Model A Ford Wiring Diagram.
From
Model A Ford Wiring Diagram It's available online and covers both the electrical system and mechanical components in detail. About ford wiring • wires were cloth covered, rubber insulated • ford used 16 gauge wire on lamp wiring • wire gauges in 1930’s not the. Clear and concise labeling of each component and wiring connection. For those who are looking for a way to get. Model A Ford Wiring Diagram.
From
Model A Ford Wiring Diagram The 1930 model a wiring diagram is an invaluable tool for anyone working on or restoring a vintage ford model a. The 1930 ford model a wiring diagram was a revolutionary concept that set the standard for future car models. For those who are looking for a way to get their older model a running again or just want to. Model A Ford Wiring Diagram.
From 2020cadillac.com
1928 Pontiac Wiring Harness Wiring Diagrams Hubs Model A Ford Model A Ford Wiring Diagram For those who are looking for a way to get their older model a running again or just want to customize it, the 1929 ford model a wiring diagram is a great resource. The 1929 ford model a wiring diagram is incredibly detailed, featuring everything from the headlight switch to the dynamo. It allows them to accurately trace wiring connections,. Model A Ford Wiring Diagram.
From
Model A Ford Wiring Diagram Key features of the model a wiring diagram for the year 1931: The first thing that catches. About ford wiring • wires were cloth covered, rubber insulated • ford used 16 gauge wire on lamp wiring • wire gauges in 1930’s not the. The 1930 ford model a wiring diagram was a revolutionary concept that set the standard for future. Model A Ford Wiring Diagram.
From
Model A Ford Wiring Diagram The 1930 ford model a wiring diagram was a revolutionary concept that set the standard for future car models. Key features of the model a wiring diagram for the year 1931: It's available online and covers both the electrical system and mechanical components in detail. Learn how to restore and troubleshoot the electrical system of your 1929 model a ford. Model A Ford Wiring Diagram.
From 2020cadillac.com
Ford Wiring Wiring Diagram Model A Ford Wiring Diagram Cadician's Model A Ford Wiring Diagram Key features of the model a wiring diagram for the year 1931: The first thing that catches. Clear and concise labeling of each component and wiring connection. For those who are looking for a way to get their older model a running again or just want to customize it, the 1929 ford model a wiring diagram is a great resource.. Model A Ford Wiring Diagram.
From
Model A Ford Wiring Diagram For those who are looking for a way to get their older model a running again or just want to customize it, the 1929 ford model a wiring diagram is a great resource. The 1930 model a wiring diagram is an invaluable tool for anyone working on or restoring a vintage ford model a. Clear and concise labeling of each. Model A Ford Wiring Diagram.
From circuitengineschweizer.z19.web.core.windows.net
Ford Model A Wiring Diagram Model A Ford Wiring Diagram The 1929 ford model a wiring diagram is incredibly detailed, featuring everything from the headlight switch to the dynamo. Learn how to restore and troubleshoot the electrical system of your 1929 model a ford with this detailed wiring diagram. Key features of the model a wiring diagram for the year 1931: About ford wiring • wires were cloth covered, rubber. Model A Ford Wiring Diagram.
From cwmoss.com
Model A Ford Wiring Diagram without Cowl Lamps Model A Ford Wiring Diagram About ford wiring • wires were cloth covered, rubber insulated • ford used 16 gauge wire on lamp wiring • wire gauges in 1930’s not the. The 1929 ford model a wiring diagram is incredibly detailed, featuring everything from the headlight switch to the dynamo. The 1930 model a wiring diagram is an invaluable tool for anyone working on or. Model A Ford Wiring Diagram.
From
Model A Ford Wiring Diagram Learn how to restore and troubleshoot the electrical system of your 1929 model a ford with this detailed wiring diagram. The 1930 model a wiring diagram is an invaluable tool for anyone working on or restoring a vintage ford model a. It allows them to accurately trace wiring connections, identify any potential issues or faults, and ensure that the electrical. Model A Ford Wiring Diagram.
From
Model A Ford Wiring Diagram The 1929 ford model a wiring diagram is incredibly detailed, featuring everything from the headlight switch to the dynamo. The first thing that catches. For those who are looking for a way to get their older model a running again or just want to customize it, the 1929 ford model a wiring diagram is a great resource. About ford wiring. Model A Ford Wiring Diagram.
From
Model A Ford Wiring Diagram It allows them to accurately trace wiring connections, identify any potential issues or faults, and ensure that the electrical system is properly restored and functioning. Clear and concise labeling of each component and wiring connection. Key features of the model a wiring diagram for the year 1931: For those who are looking for a way to get their older model. Model A Ford Wiring Diagram.
From
Model A Ford Wiring Diagram Clear and concise labeling of each component and wiring connection. Key features of the model a wiring diagram for the year 1931: The 1929 ford model a wiring diagram is incredibly detailed, featuring everything from the headlight switch to the dynamo. It allows them to accurately trace wiring connections, identify any potential issues or faults, and ensure that the electrical. Model A Ford Wiring Diagram.
From
Model A Ford Wiring Diagram The first thing that catches. The 1930 ford model a wiring diagram was a revolutionary concept that set the standard for future car models. For those who are looking for a way to get their older model a running again or just want to customize it, the 1929 ford model a wiring diagram is a great resource. About ford wiring. Model A Ford Wiring Diagram.
From
Model A Ford Wiring Diagram For those who are looking for a way to get their older model a running again or just want to customize it, the 1929 ford model a wiring diagram is a great resource. The 1929 ford model a wiring diagram is incredibly detailed, featuring everything from the headlight switch to the dynamo. Learn how to restore and troubleshoot the electrical. Model A Ford Wiring Diagram.
From
Model A Ford Wiring Diagram The 1929 ford model a wiring diagram is incredibly detailed, featuring everything from the headlight switch to the dynamo. Key features of the model a wiring diagram for the year 1931: The 1930 model a wiring diagram is an invaluable tool for anyone working on or restoring a vintage ford model a. It shows the components and connections of the. Model A Ford Wiring Diagram.
From
Model A Ford Wiring Diagram The 1930 model a wiring diagram is an invaluable tool for anyone working on or restoring a vintage ford model a. It shows the components and connections of the ignition, lighting, charging, and instrument panel systems. Key features of the model a wiring diagram for the year 1931: The 1930 ford model a wiring diagram was a revolutionary concept that. Model A Ford Wiring Diagram.
From
Model A Ford Wiring Diagram It's available online and covers both the electrical system and mechanical components in detail. About ford wiring • wires were cloth covered, rubber insulated • ford used 16 gauge wire on lamp wiring • wire gauges in 1930’s not the. It allows them to accurately trace wiring connections, identify any potential issues or faults, and ensure that the electrical system. Model A Ford Wiring Diagram.
From wiringdiagram.2bitboer.com
1930 Ford Model A Wiring Diagram Wiring Diagram Model A Ford Wiring Diagram The 1929 ford model a wiring diagram is incredibly detailed, featuring everything from the headlight switch to the dynamo. For those who are looking for a way to get their older model a running again or just want to customize it, the 1929 ford model a wiring diagram is a great resource. It shows the components and connections of the. Model A Ford Wiring Diagram.
From www.got2bwireless.com
Model A Ford Wiring Diagram Database Model A Ford Wiring Diagram It's available online and covers both the electrical system and mechanical components in detail. The first thing that catches. The 1930 model a wiring diagram is an invaluable tool for anyone working on or restoring a vintage ford model a. It allows them to accurately trace wiring connections, identify any potential issues or faults, and ensure that the electrical system. Model A Ford Wiring Diagram.
From www.got2bwireless.com
Model A Ford Ignition Wiring Diagram For Your Needs Model A Ford Wiring Diagram It's available online and covers both the electrical system and mechanical components in detail. Key features of the model a wiring diagram for the year 1931: It shows the components and connections of the ignition, lighting, charging, and instrument panel systems. Clear and concise labeling of each component and wiring connection. Learn how to restore and troubleshoot the electrical system. Model A Ford Wiring Diagram.
From www.newkidscar.com
Ford Pick Up Truck B, E And F Series Wiring Diagram Car Anatomy Model A Ford Wiring Diagram The first thing that catches. It allows them to accurately trace wiring connections, identify any potential issues or faults, and ensure that the electrical system is properly restored and functioning. About ford wiring • wires were cloth covered, rubber insulated • ford used 16 gauge wire on lamp wiring • wire gauges in 1930’s not the. Key features of the. Model A Ford Wiring Diagram.
From
Model A Ford Wiring Diagram It shows the components and connections of the ignition, lighting, charging, and instrument panel systems. Clear and concise labeling of each component and wiring connection. It allows them to accurately trace wiring connections, identify any potential issues or faults, and ensure that the electrical system is properly restored and functioning. The 1930 ford model a wiring diagram was a revolutionary. Model A Ford Wiring Diagram.